Catalogs / Yamaha / Inboard
Yamaha DE DHT C(6U41) Parts Catalog
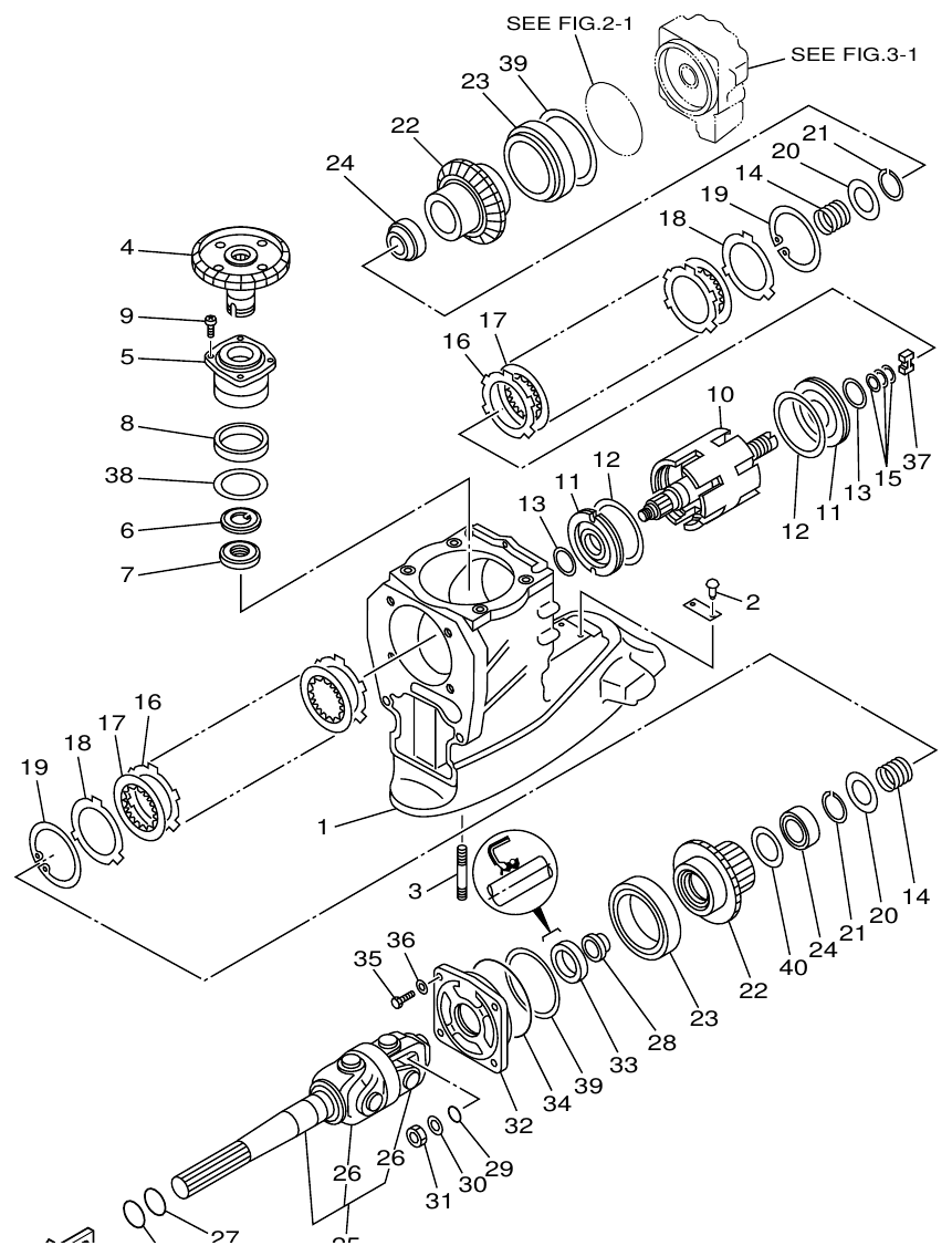
Browse 5 catalog sections for Yamaha DE DHT C(6U41). Open a section to view the parts diagram, reference numbers and available products.
Browse 5 catalog sections for Yamaha DE DHT C(6U41). Open a section to view the parts diagram, reference numbers and available products.