Catalogs / Yamaha / Inboard
Yamaha DE DHT D(6U51) Parts Catalog
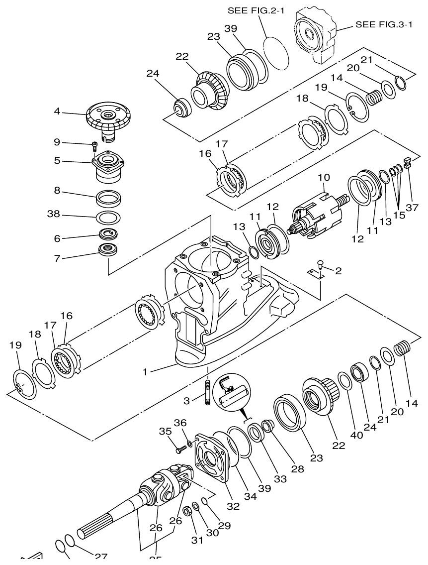
Browse 5 catalog sections for Yamaha DE DHT D(6U51). Open a section to view the parts diagram, reference numbers and available products.
Browse 5 catalog sections for Yamaha DE DHT D(6U51). Open a section to view the parts diagram, reference numbers and available products.