Catalogs / Yamaha / Outboard

Yamaha F200BET, FL200BET Parts Catalog

Browse 256 catalog sections for Yamaha F200BET, FL200BET. Open a section to view the parts diagram, reference numbers and available products.

Yamaha F200BET, FL200BET SCHEDULED SERVICE PARTS parts diagram
Fig. 1 — SCHEDULED SERVICE PARTS
20 items · 15 available products
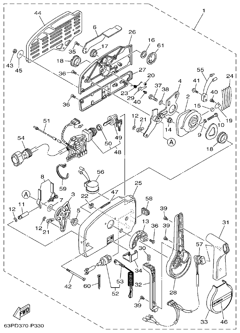
Yamaha F200BET, FL200BET TOP COWLING parts diagram
Fig. 2 — TOP COWLING
23 items · 1 available products
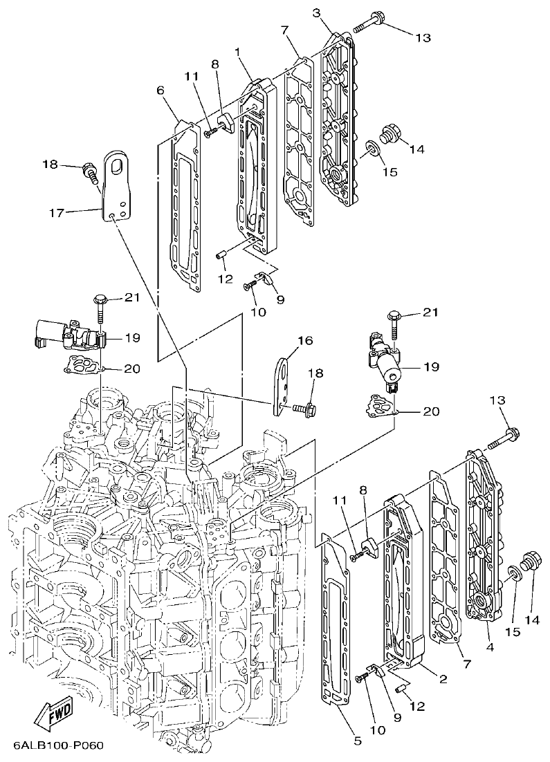
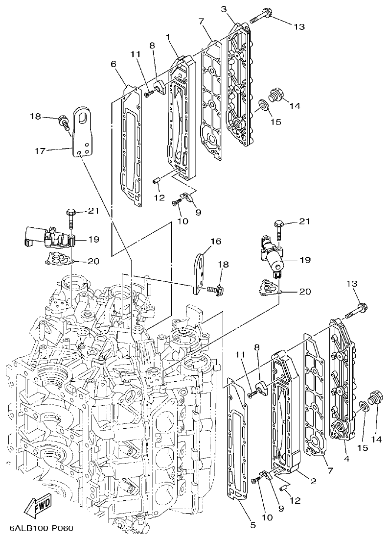
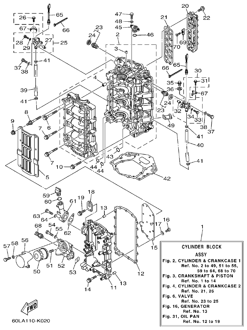
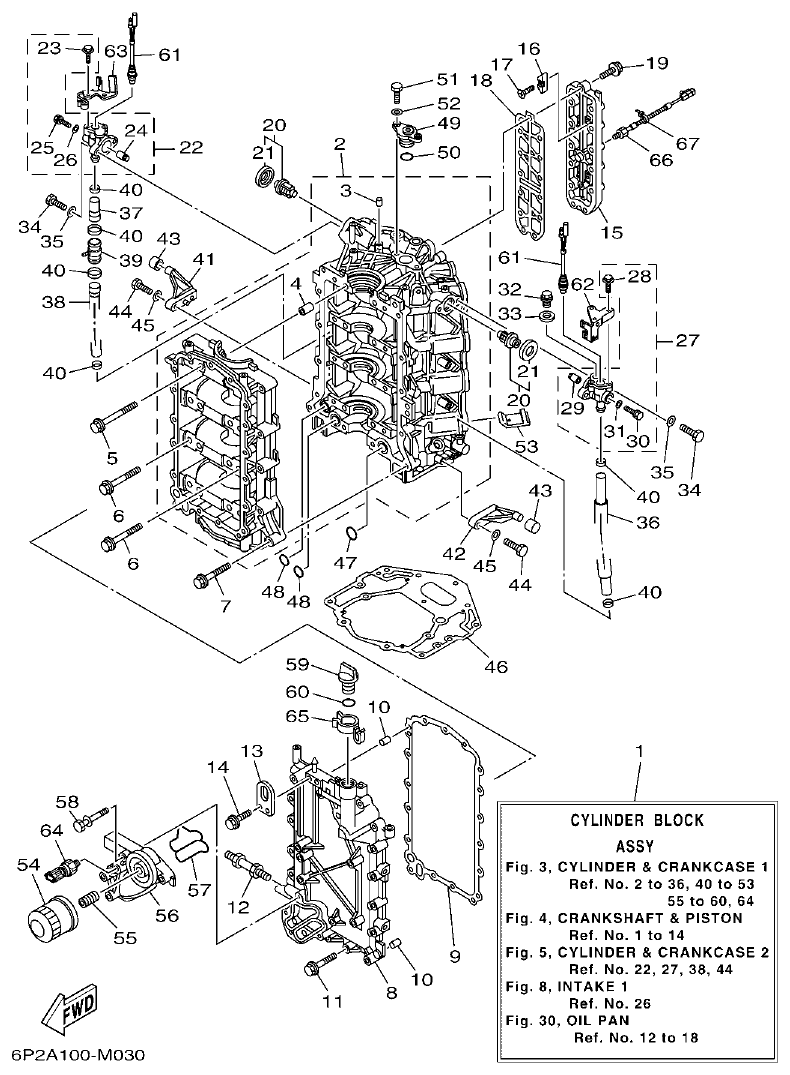
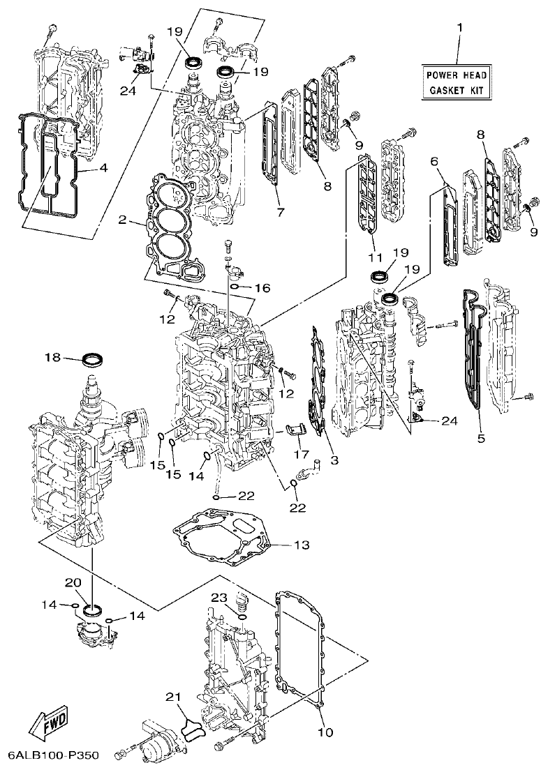
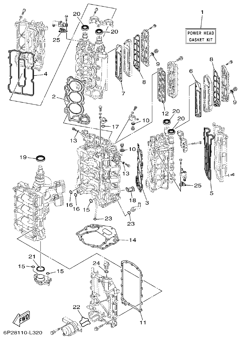
Yamaha F200BET, FL200BET CYLINDER & CRANKCASE 1 parts diagram
Fig. 3 — CYLINDER & CRANKCASE 1
62 items · 14 available products
Yamaha F200BET, FL200BET CRANKSHAFT & PISTON parts diagram
Fig. 4 — CRANKSHAFT & PISTON
26 items · 17 available products
Yamaha F200BET, FL200BET CYLINDER & CRANKCASE 2 parts diagram
Fig. 5 — CYLINDER & CRANKCASE 2
47 items · 9 available products
Yamaha F200BET, FL200BET CYLINDER & CRANKCASE 3 parts diagram
Fig. 6 — CYLINDER & CRANKCASE 3
21 items · 9 available products
Yamaha F200BET, FL200BET VALVE parts diagram
Fig. 7 — VALVE
63 items · 36 available products
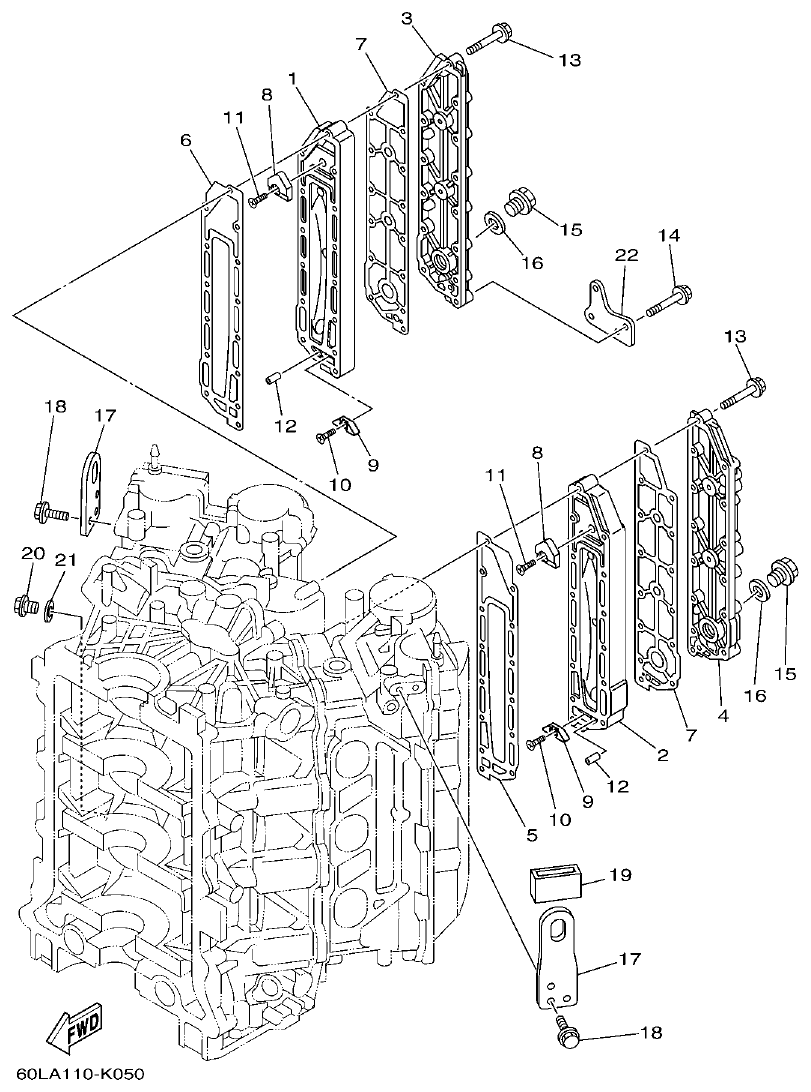
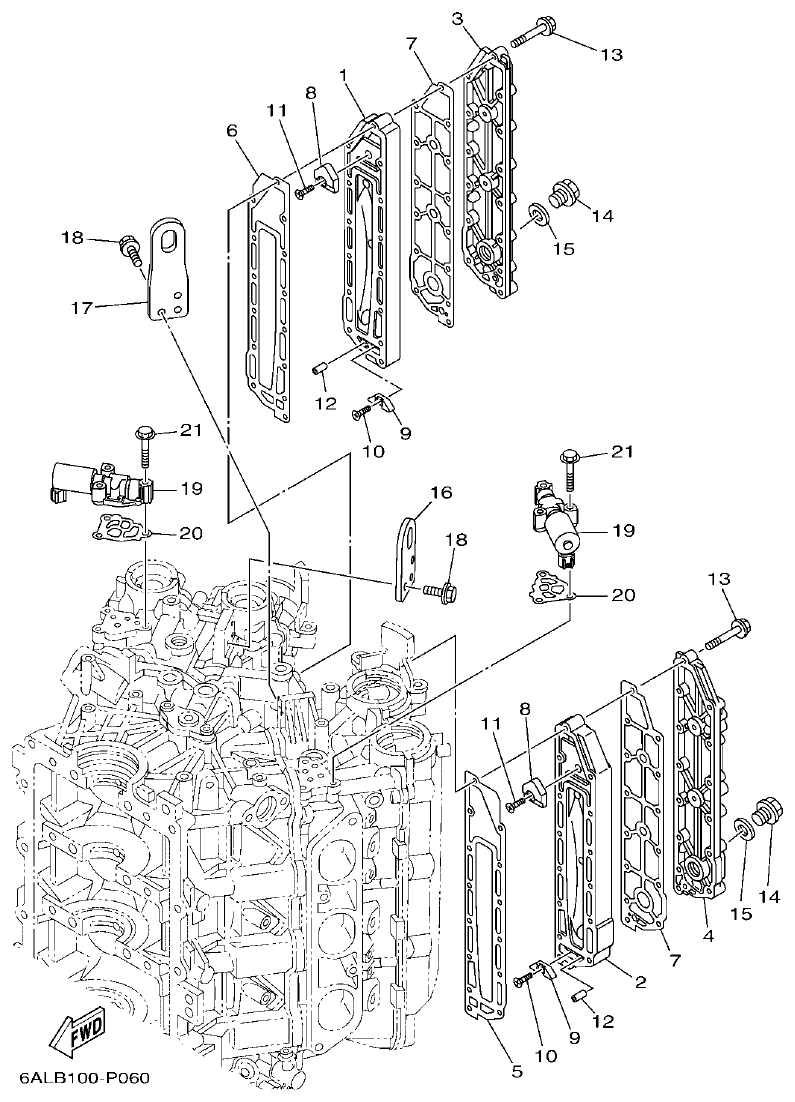
Yamaha F200BET, FL200BET INTAKE 1 parts diagram
Fig. 8 — INTAKE 1
32 items · 6 available products
Yamaha F200BET, FL200BET INTAKE 2 parts diagram
Fig. 9 — INTAKE 2
37 items · 3 available products
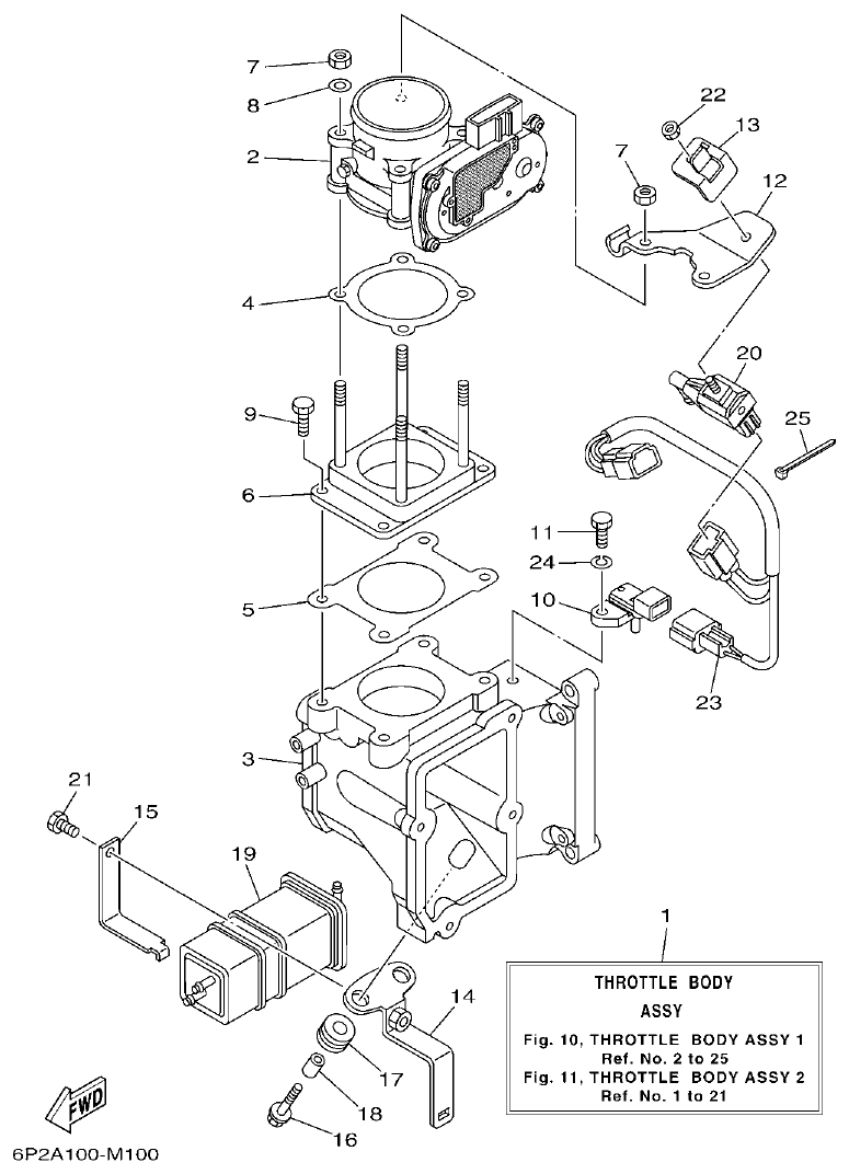
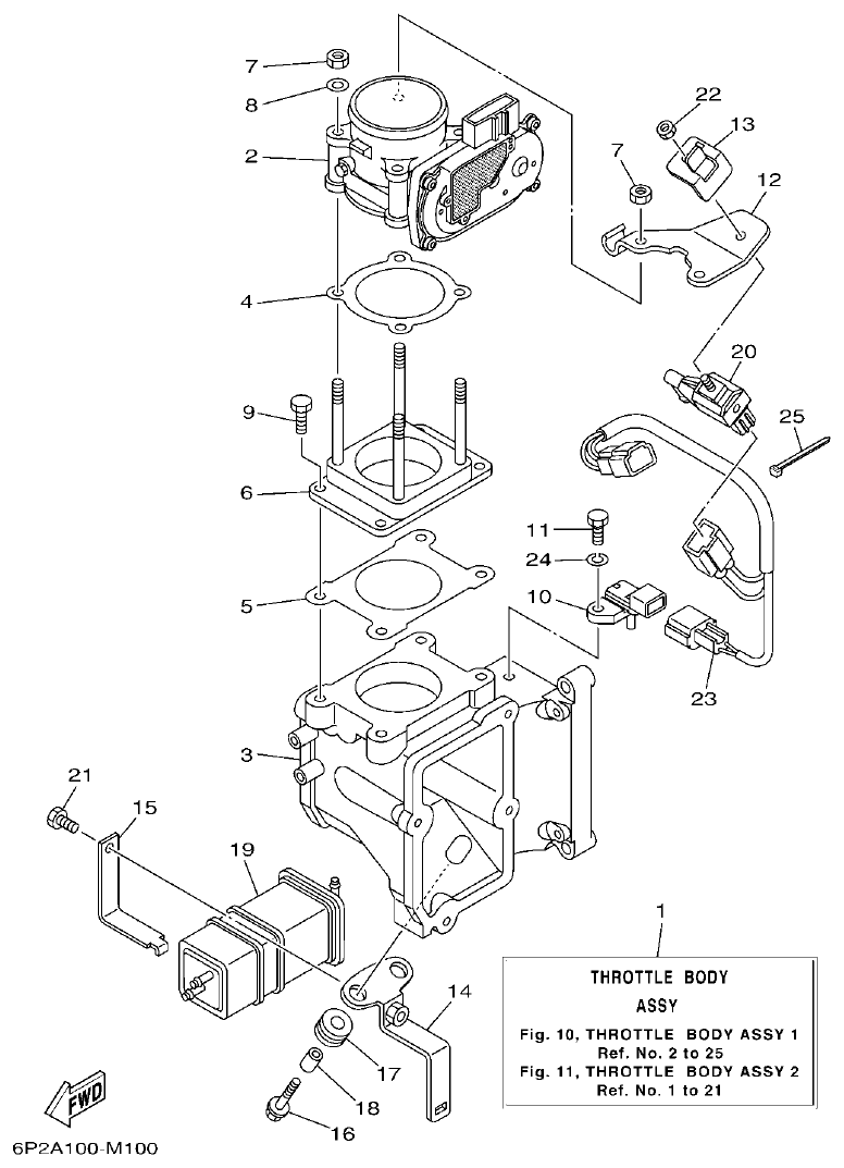
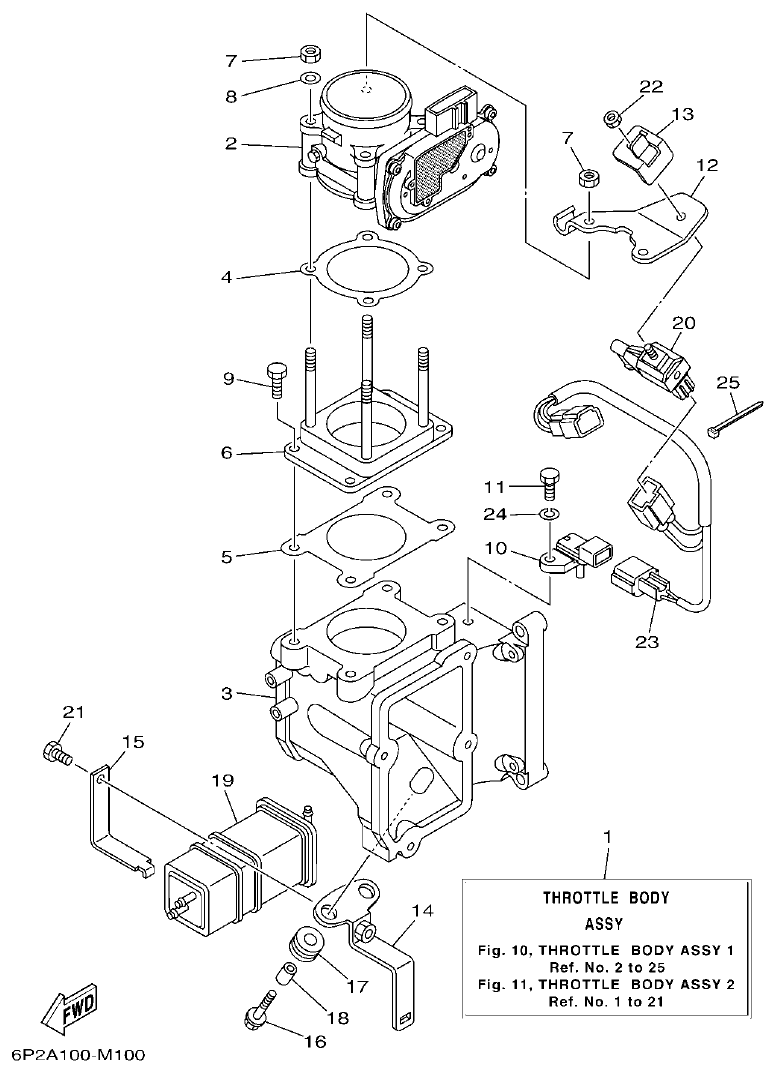
Yamaha F200BET, FL200BET THROTTLE BODY ASSY 1 parts diagram
Fig. 10 — THROTTLE BODY ASSY 1
25 items · 4 available products
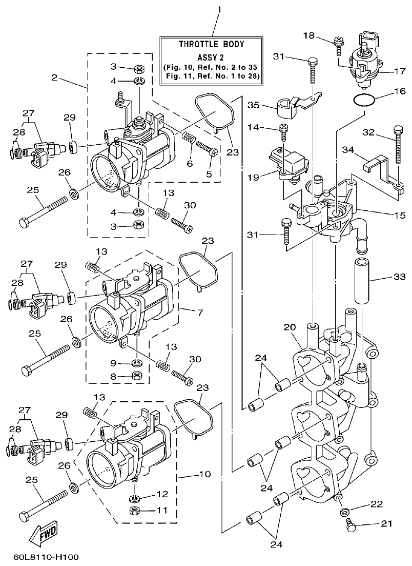
Yamaha F200BET, FL200BET THROTTLE BODY ASSY 2 parts diagram
Fig. 11 — THROTTLE BODY ASSY 2
22 items · 3 available products
Yamaha F200BET, FL200BET THROTTLE BODY ASSY 3 parts diagram
Fig. 12 — THROTTLE BODY ASSY 3
11 items · 3 available products
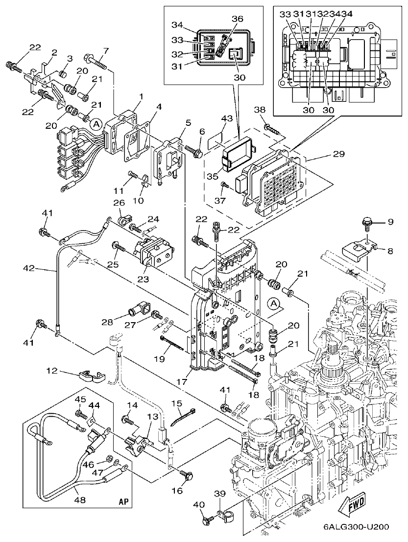
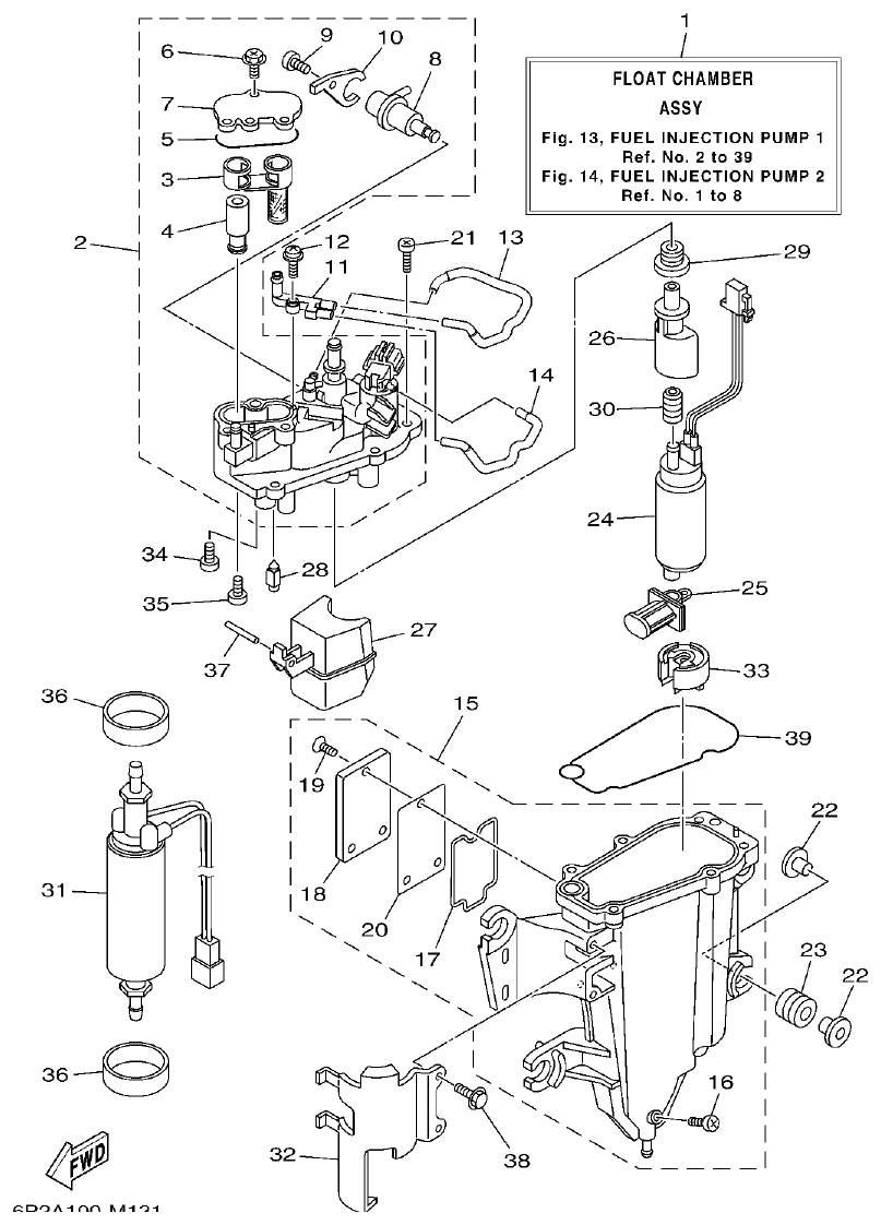
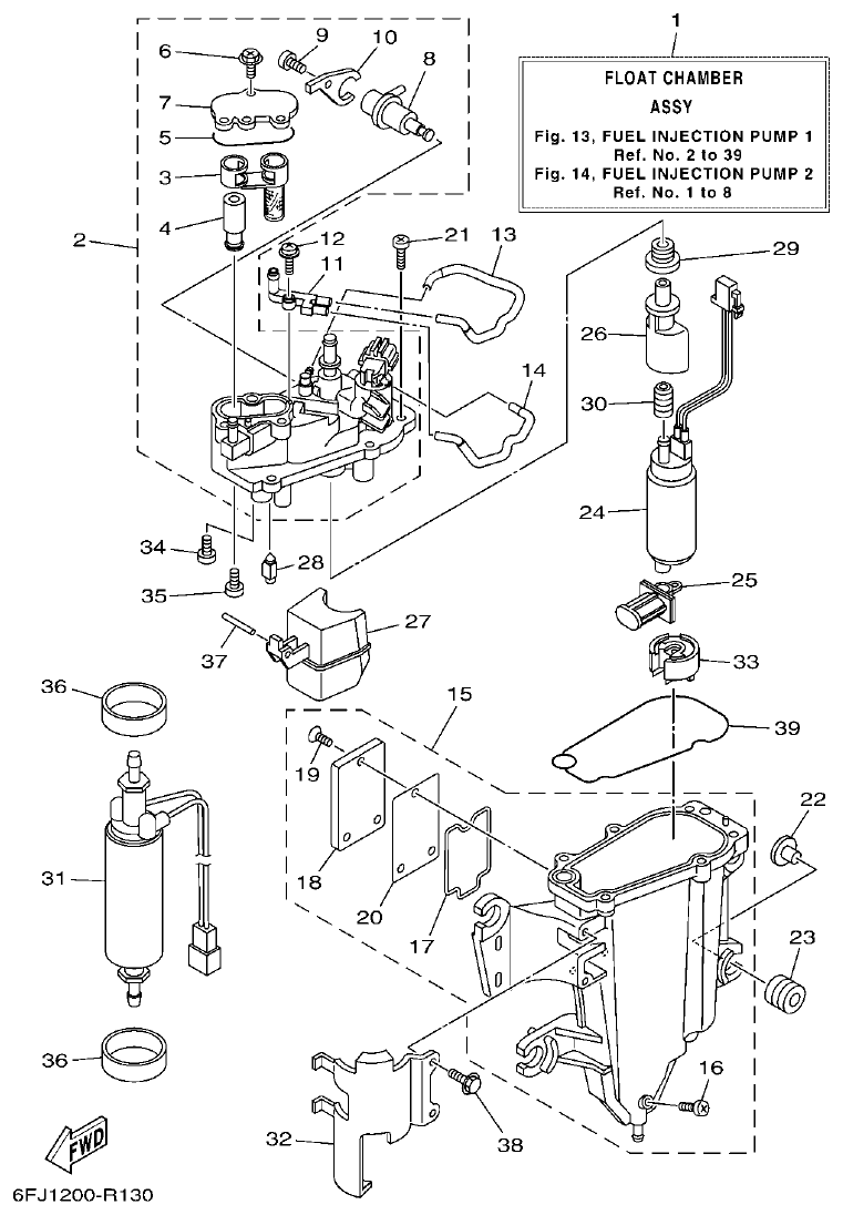
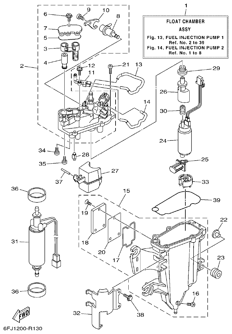
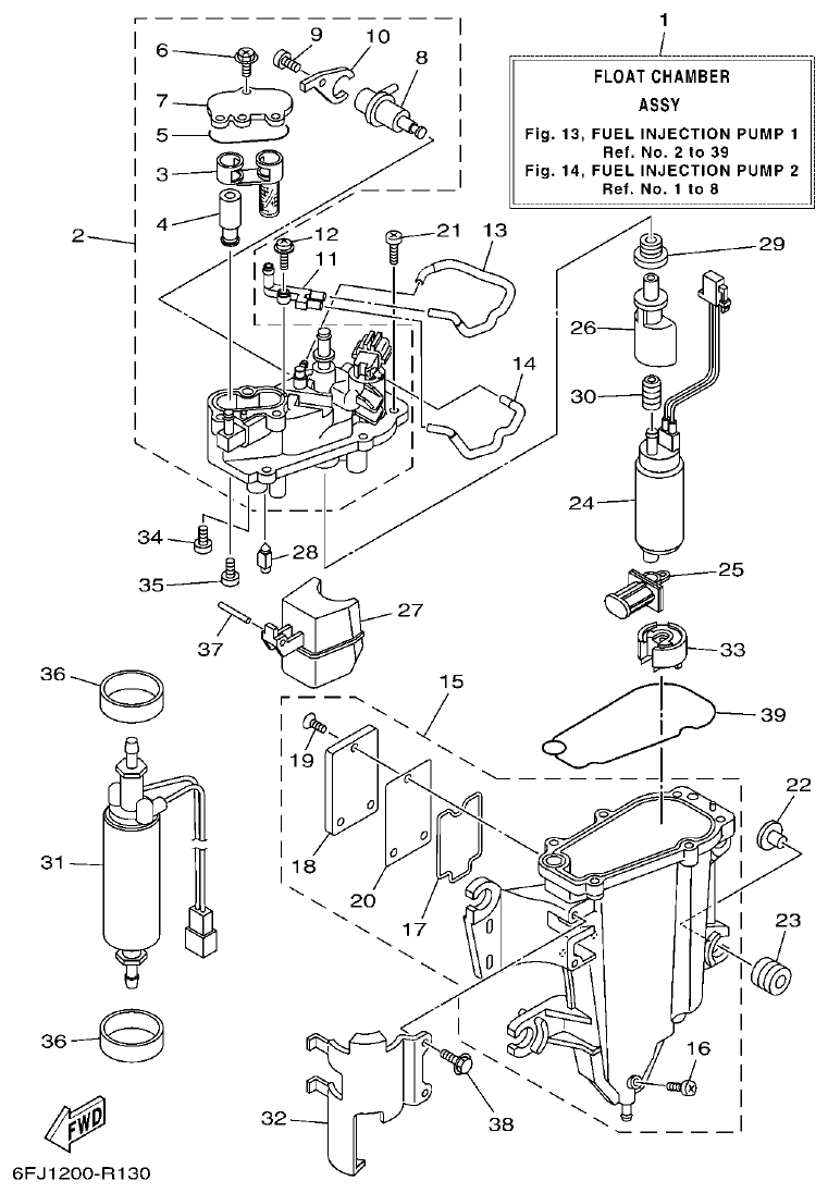
Yamaha F200BET, FL200BET FUEL INJECTION PUMP 1 parts diagram
Fig. 13 — FUEL INJECTION PUMP 1
39 items · 13 available products
Yamaha F200BET, FL200BET FUEL INJECTION PUMP 2 parts diagram
Fig. 14 — FUEL INJECTION PUMP 2
17 items
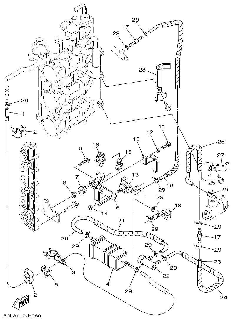
Yamaha F200BET, FL200BET FUEL 1 parts diagram
Fig. 15 — FUEL 1
25 items · 2 available products
Yamaha F200BET, FL200BET FUEL 2 parts diagram
Fig. 16 — FUEL 2
12 items · 4 available products
Yamaha F200BET, FL200BET GENERATOR parts diagram
Fig. 17 — GENERATOR
24 items · 3 available products
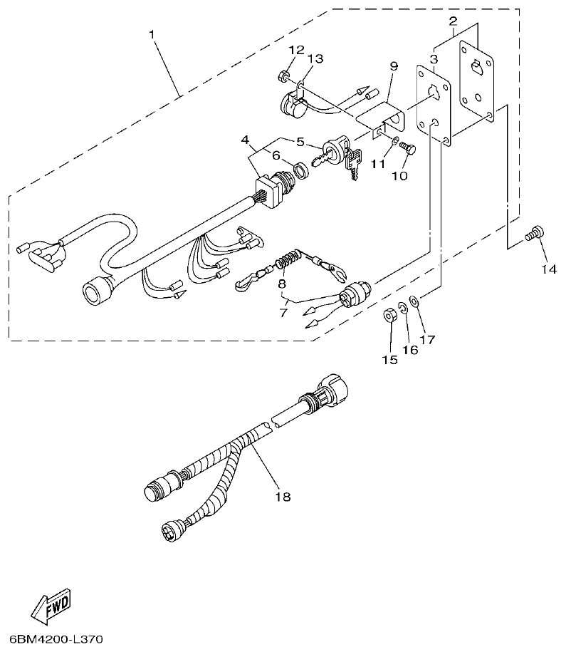
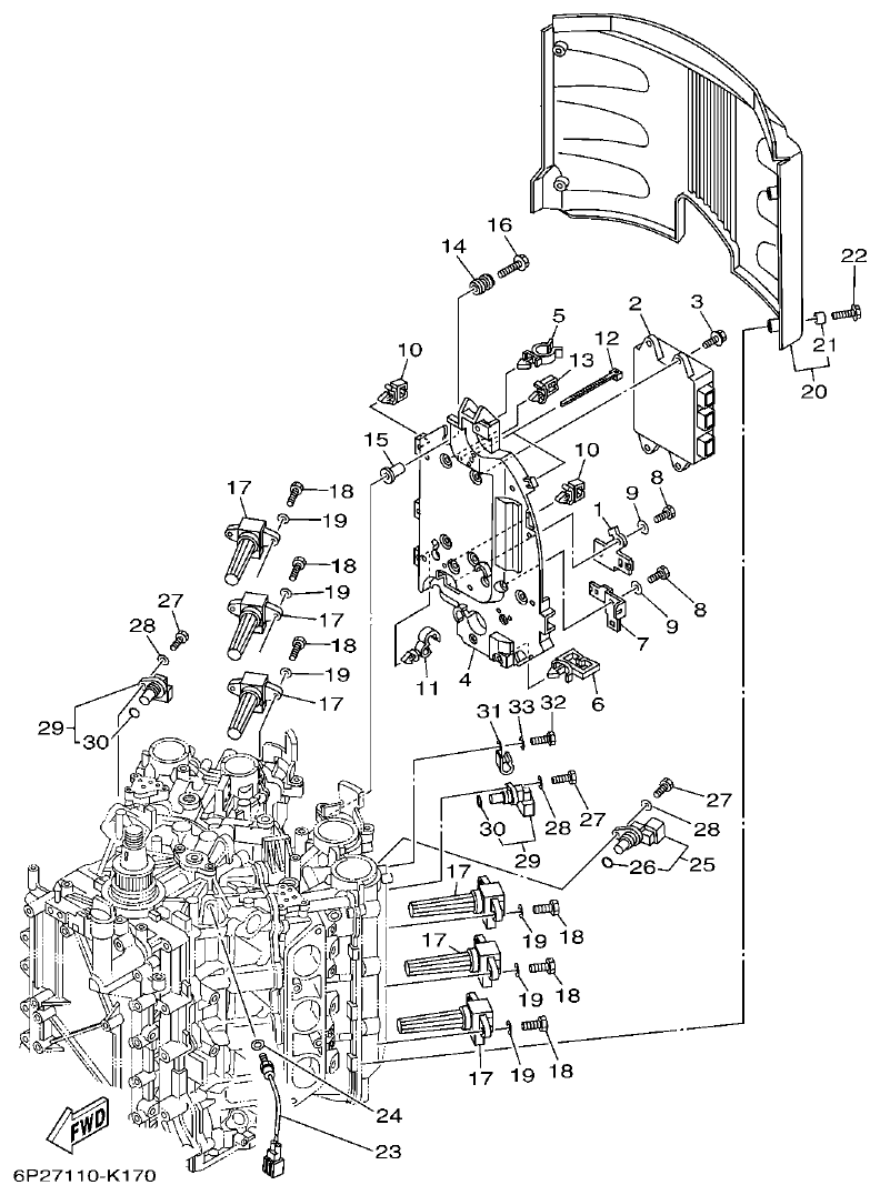
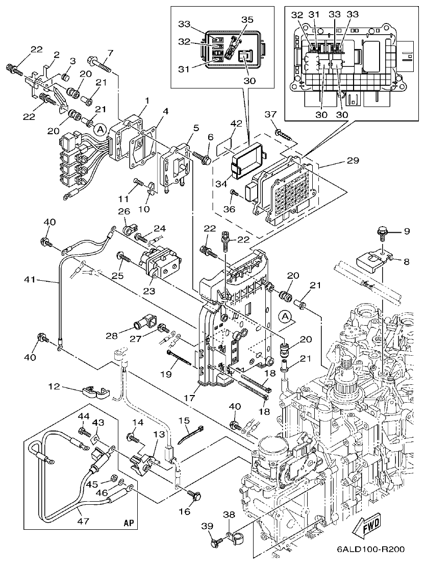
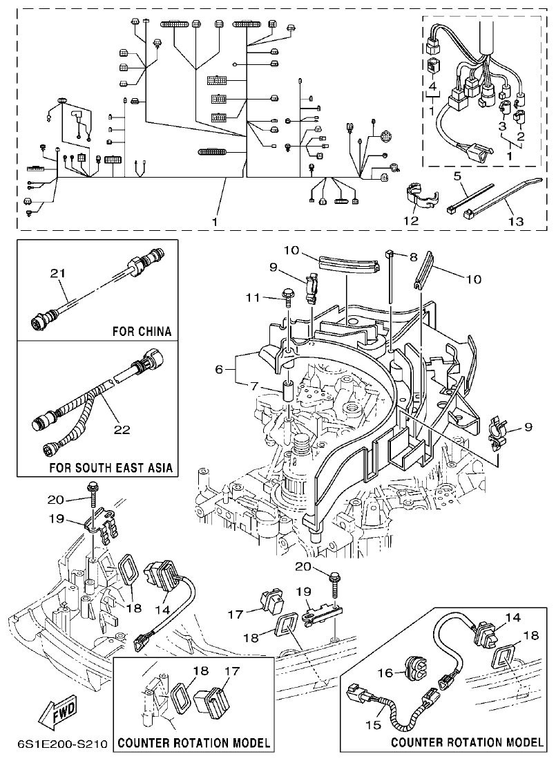
Yamaha F200BET, FL200BET ELECTRICAL 1 parts diagram
Fig. 18 — ELECTRICAL 1
11 items · 2 available products
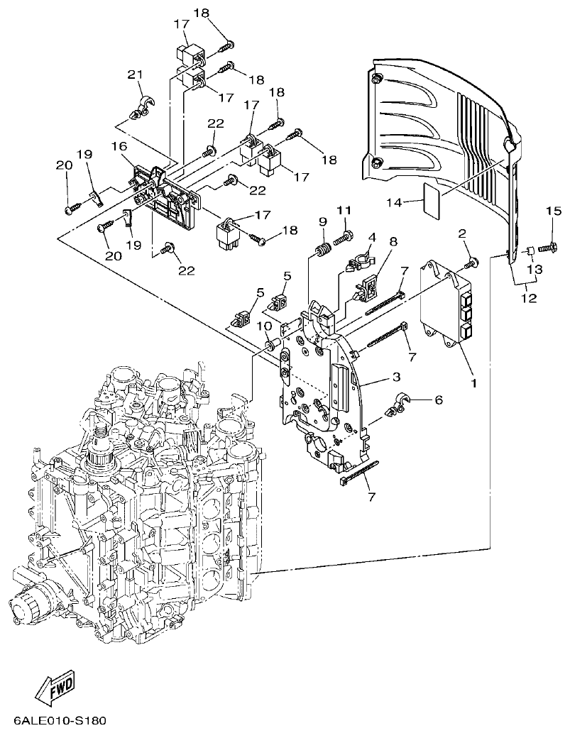
Yamaha F200BET, FL200BET ELECTRICAL 2 parts diagram
Fig. 19 — ELECTRICAL 2
22 items · 3 available products
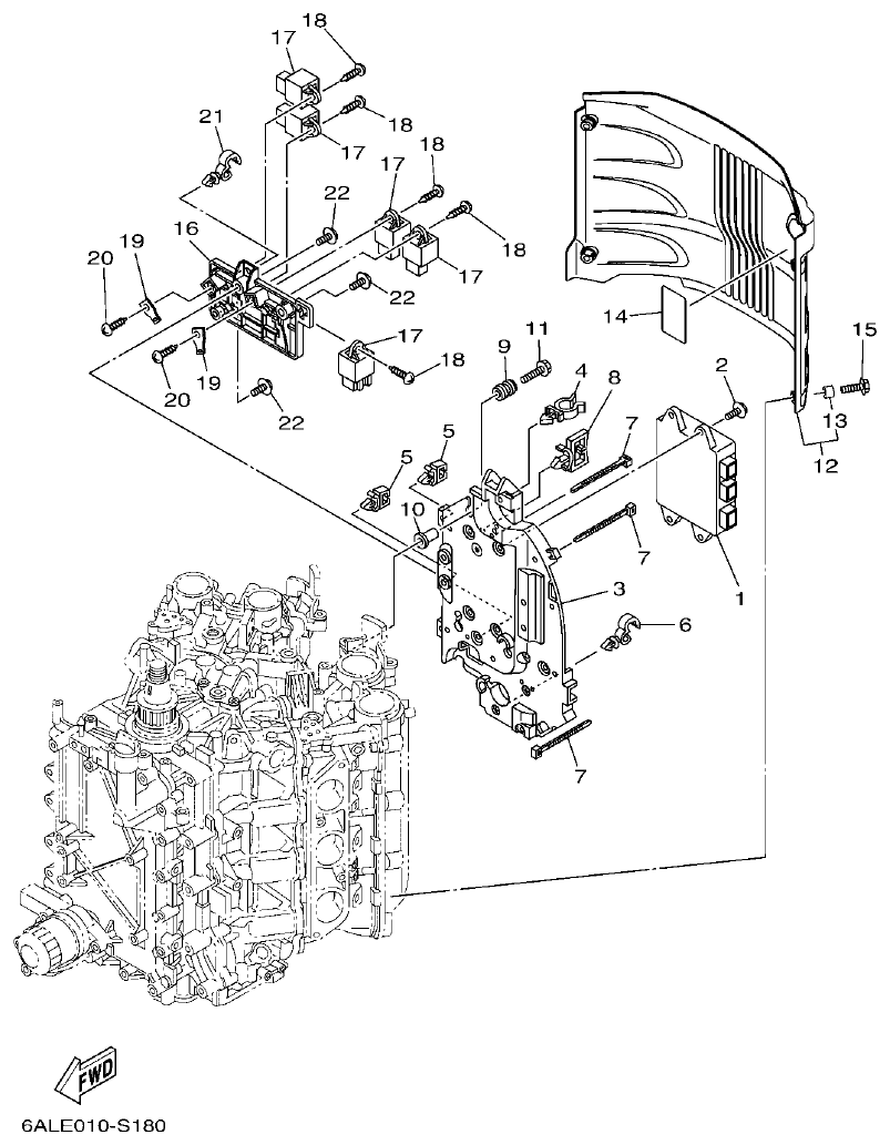
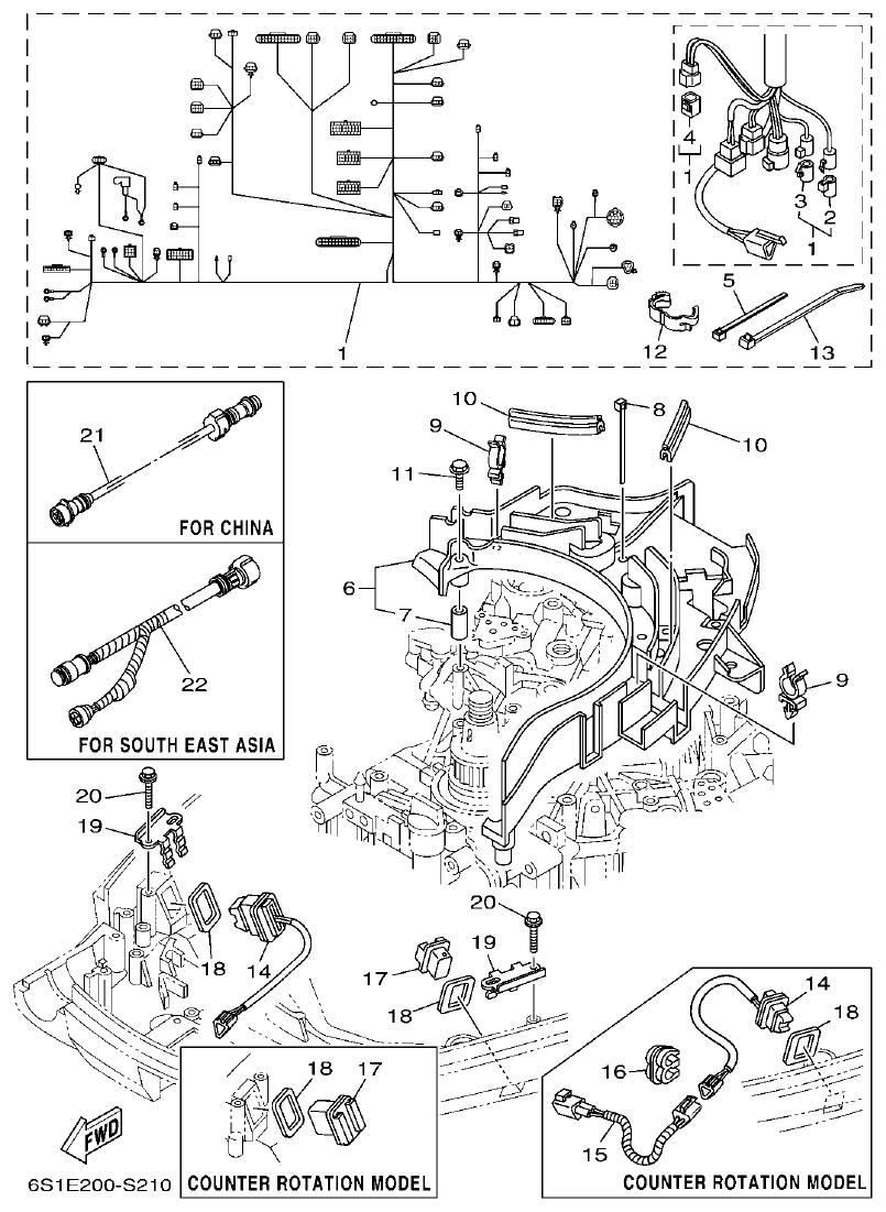
Yamaha F200BET, FL200BET ELECTRICAL 3 parts diagram
Fig. 20 — ELECTRICAL 3
47 items · 6 available products
Yamaha F200BET, FL200BET ELECTRICAL 4 parts diagram
Fig. 21 — ELECTRICAL 4
22 items · 3 available products
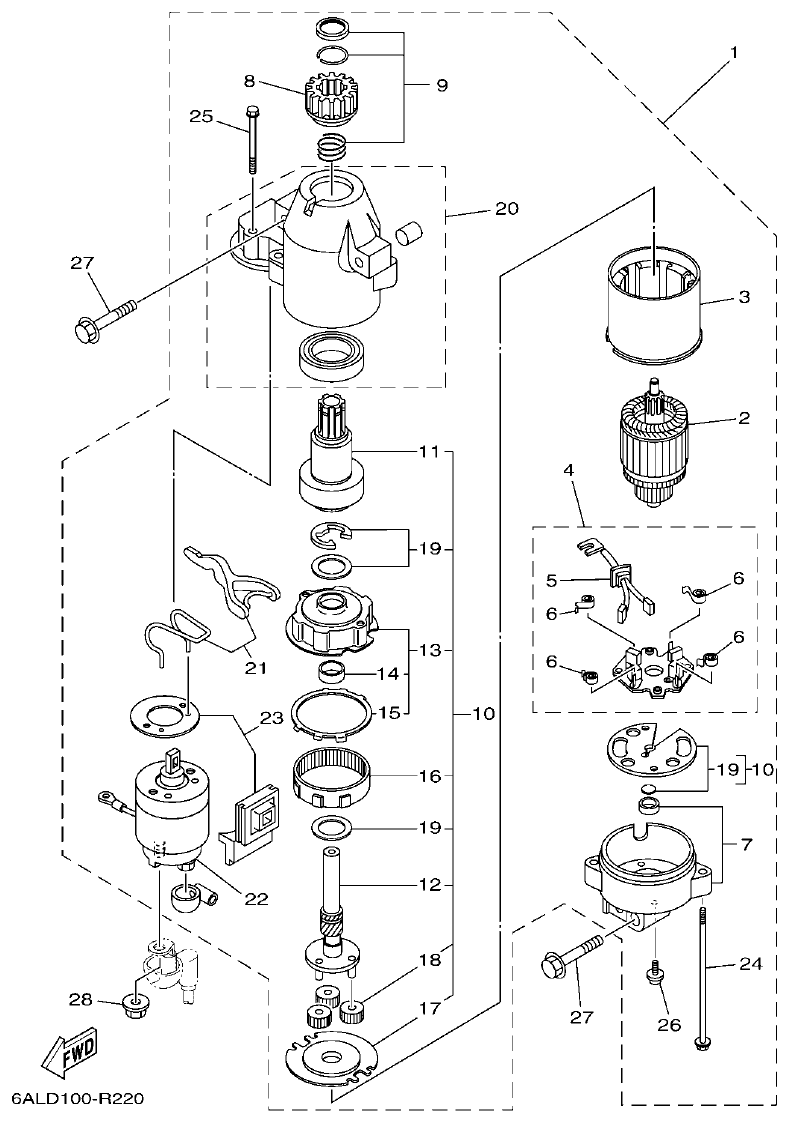
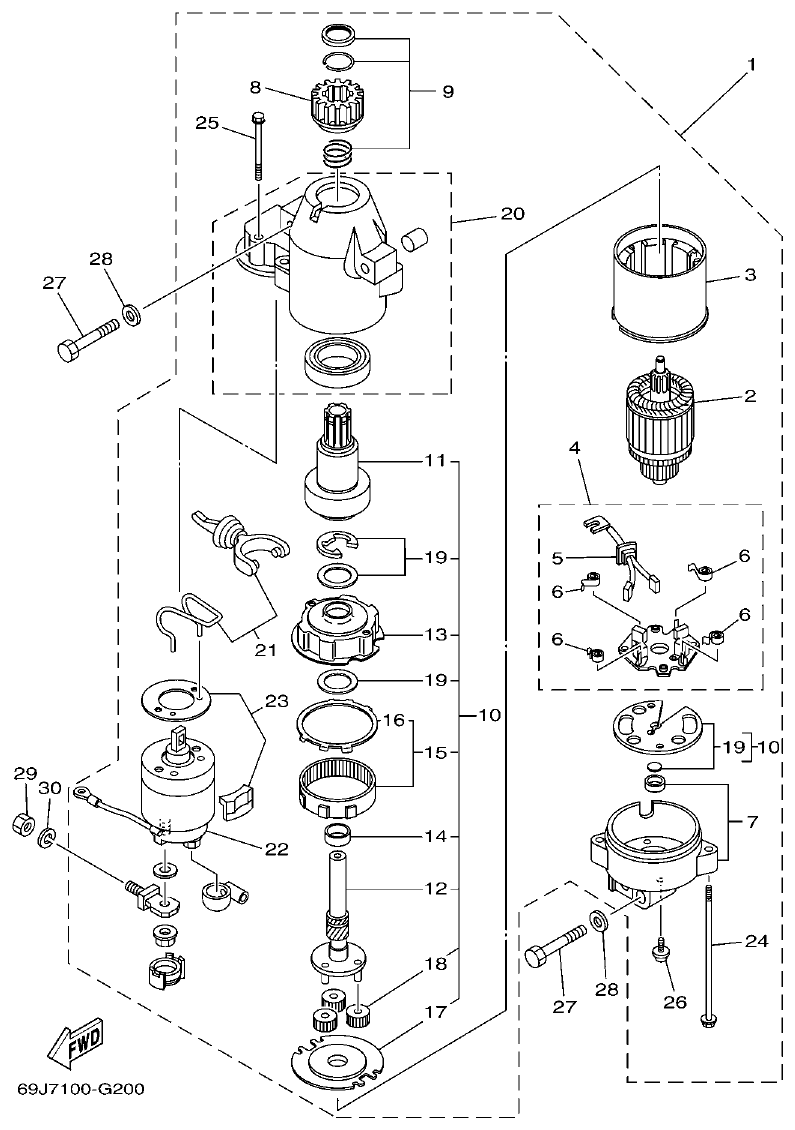
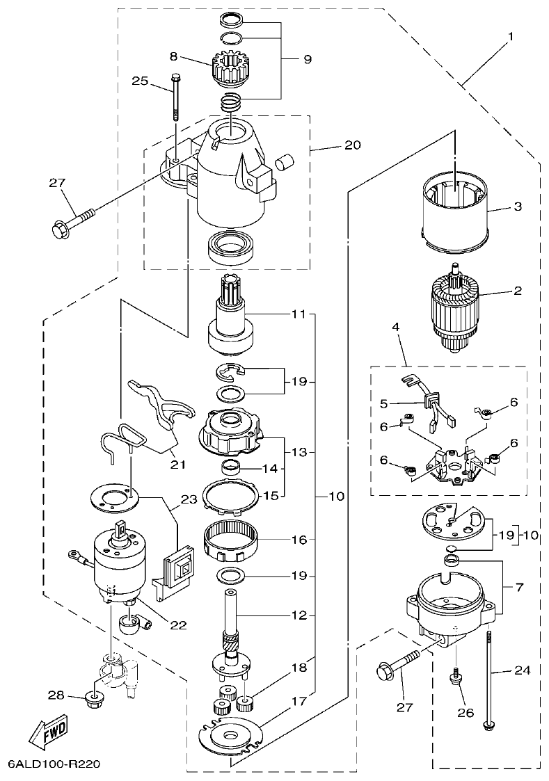
Yamaha F200BET, FL200BET STARTING MOTOR parts diagram
Fig. 22 — STARTING MOTOR
28 items · 7 available products
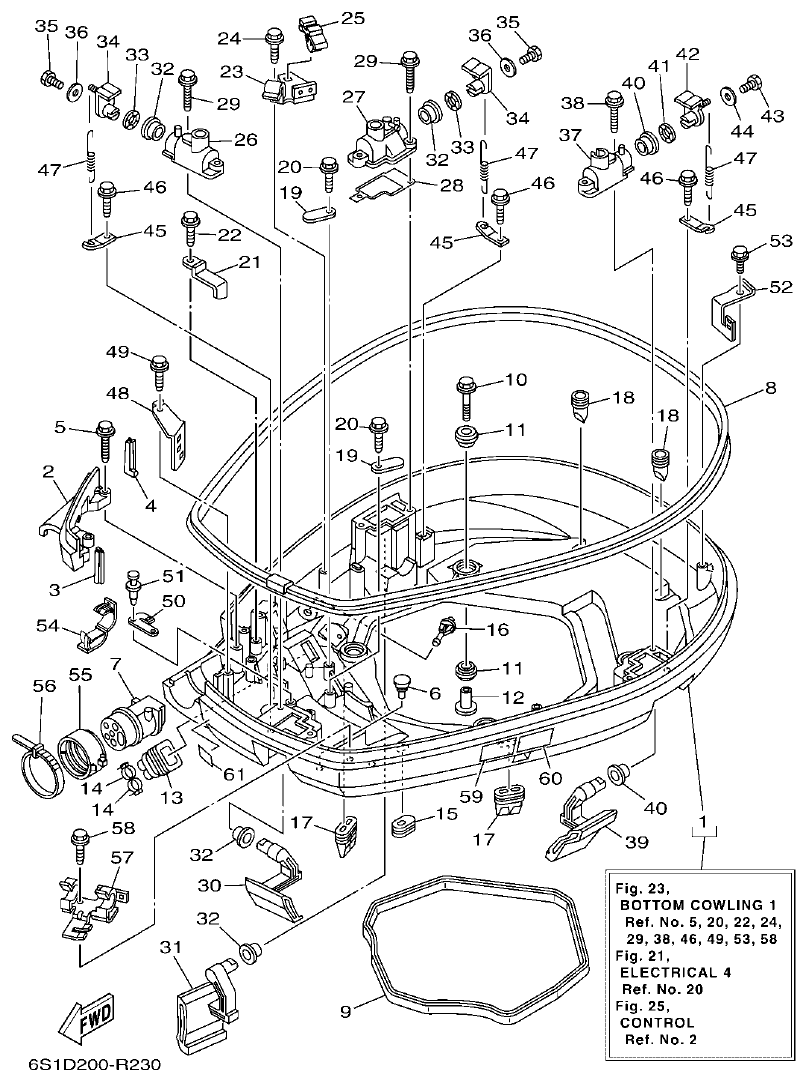
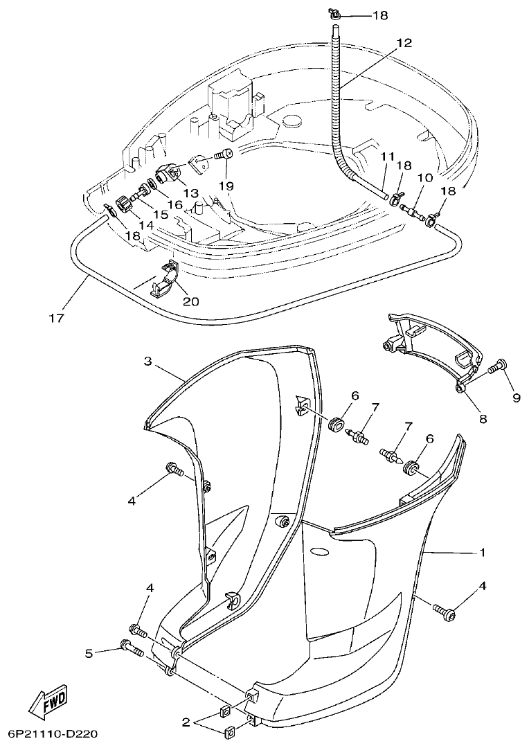
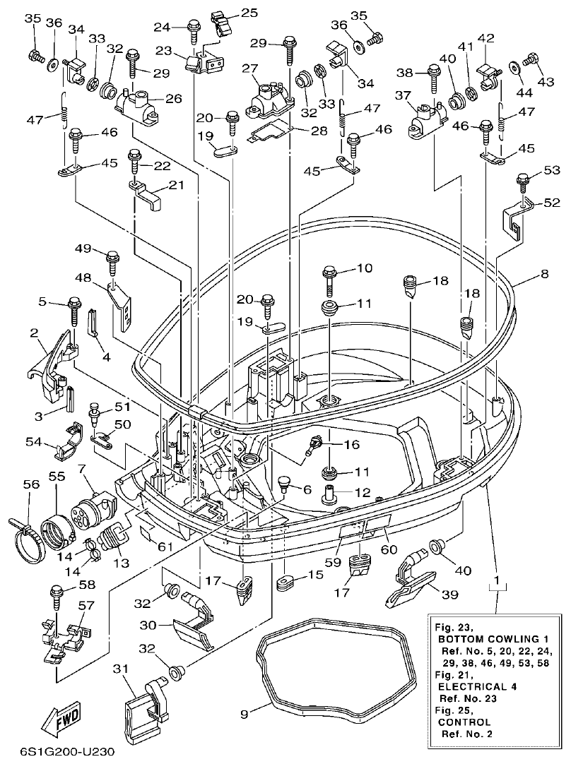
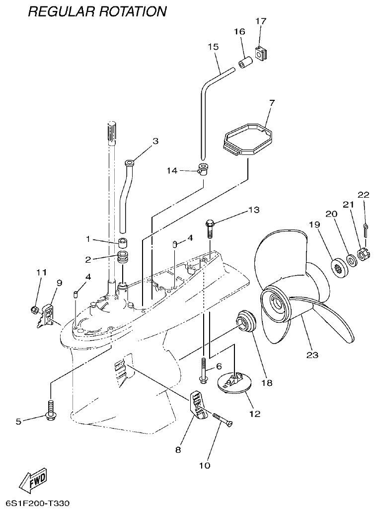
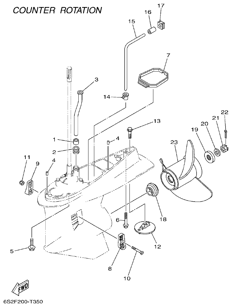
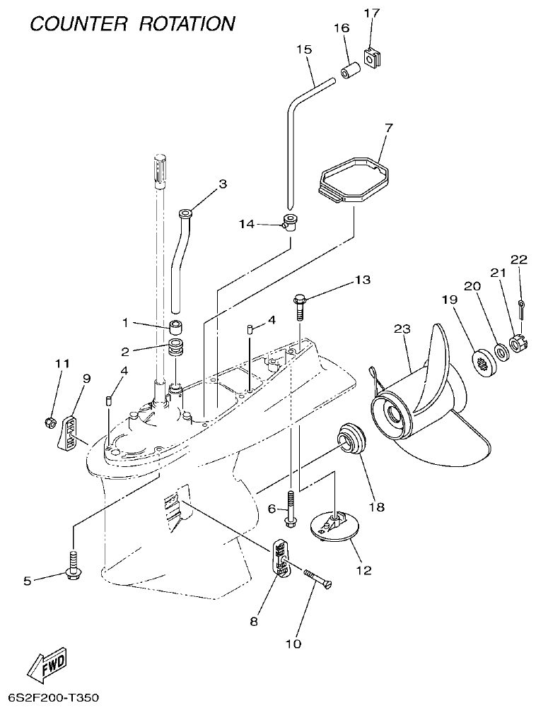
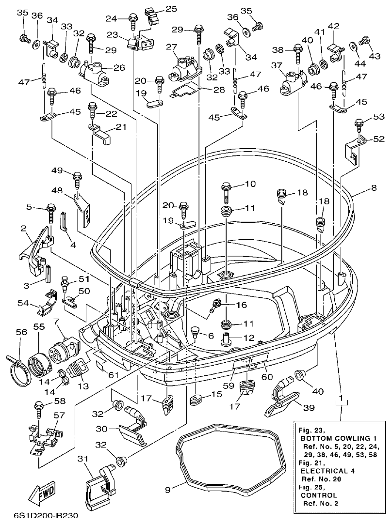
Yamaha F200BET, FL200BET BOTTOM COWLING 1 parts diagram
Fig. 23 — BOTTOM COWLING 1
61 items · 4 available products
Yamaha F200BET, FL200BET BOTTOM COWLING 2 parts diagram
Fig. 24 — BOTTOM COWLING 2
20 items · 5 available products
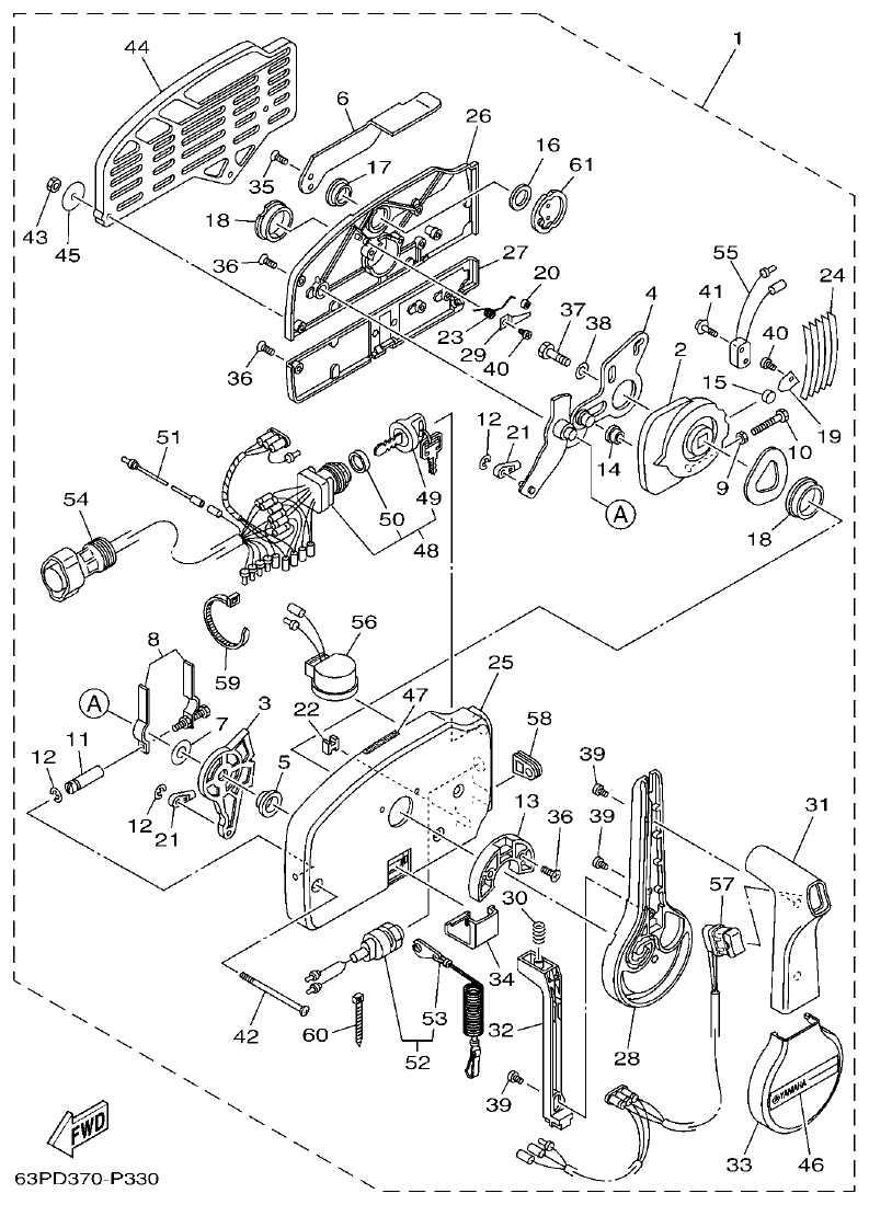
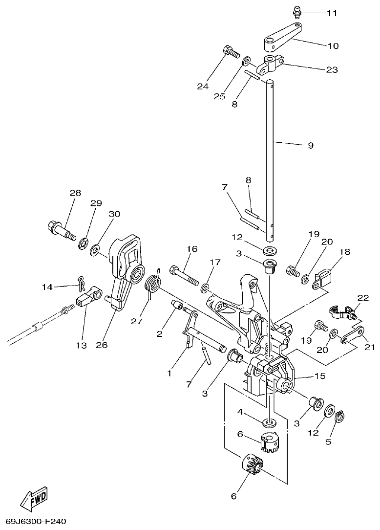
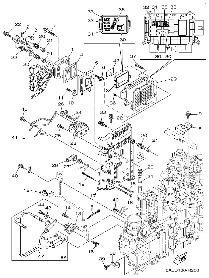
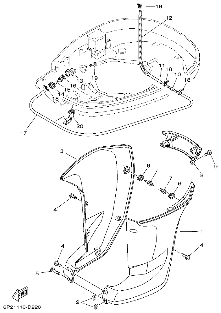
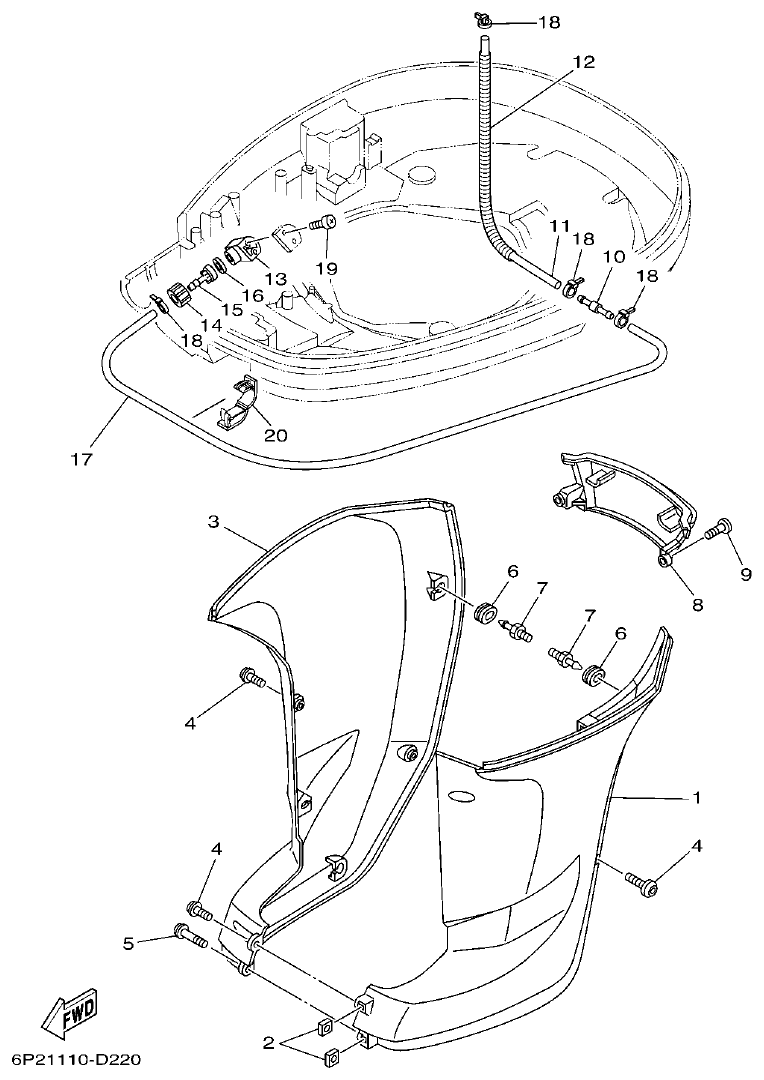
Yamaha F200BET, FL200BET CONTROL parts diagram
Fig. 25 — CONTROL
43 items · 8 available products
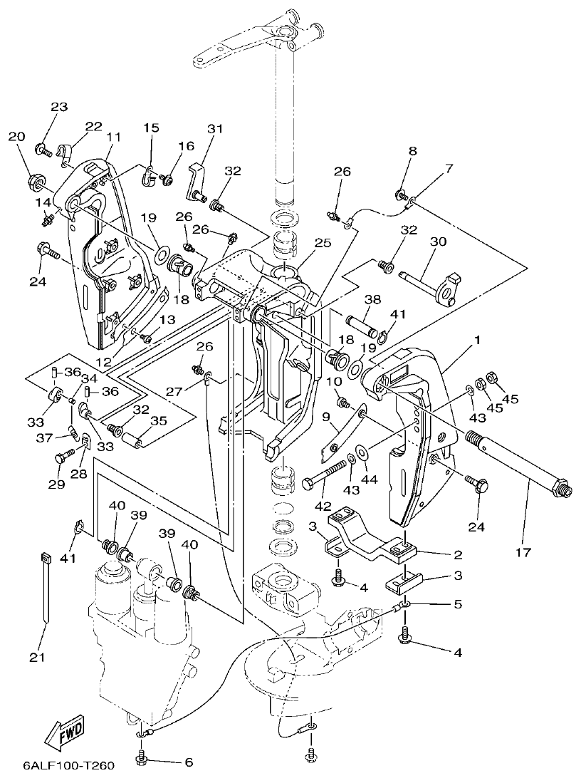
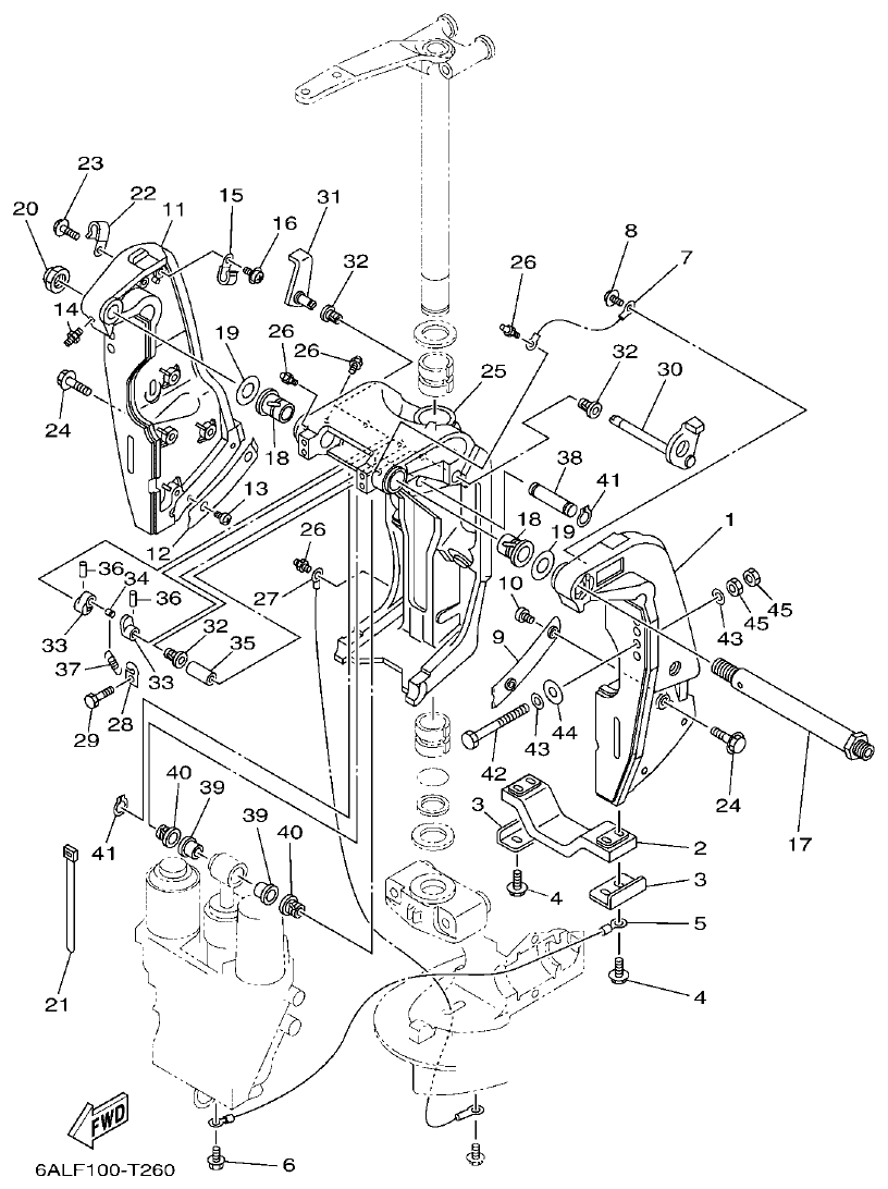
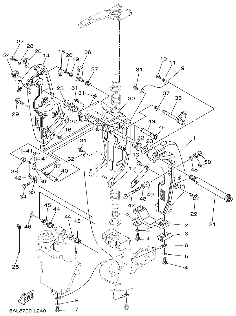
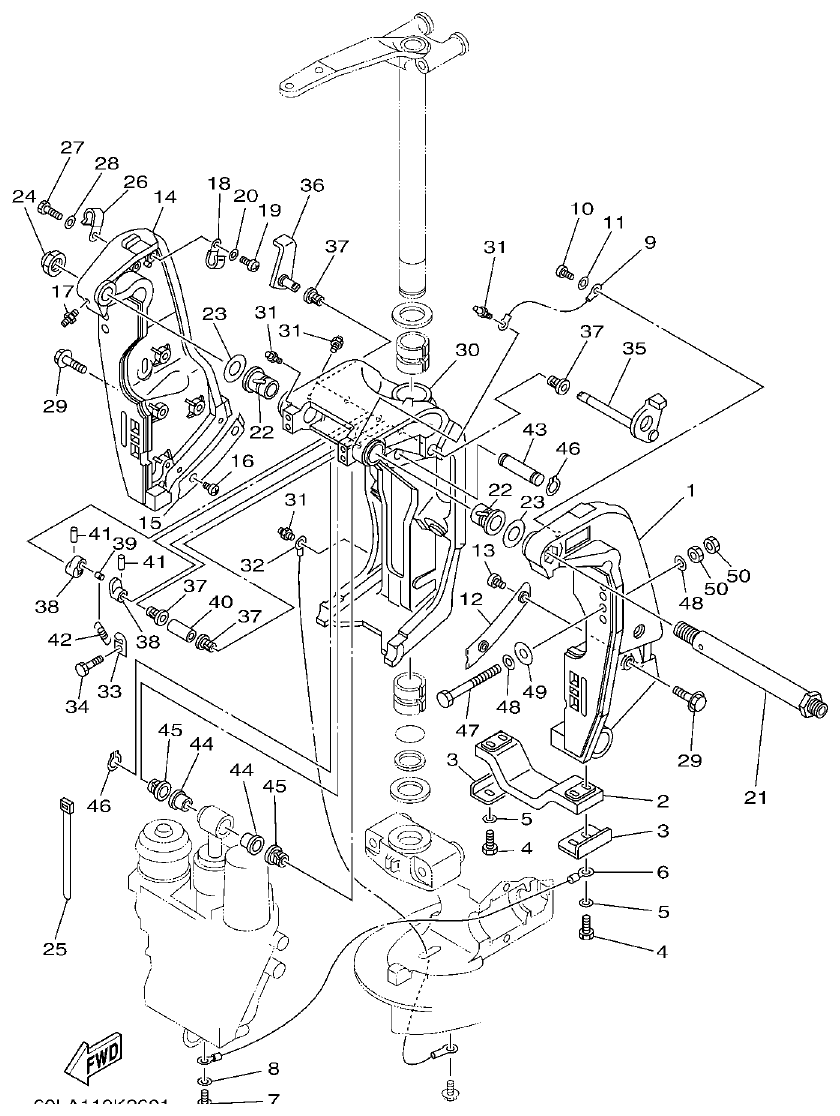
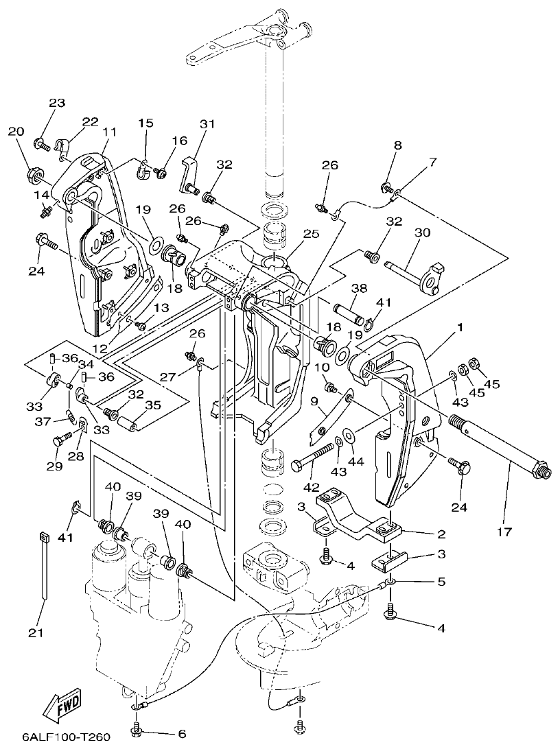
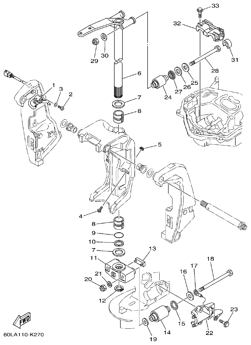
Yamaha F200BET, FL200BET BRACKET 1 parts diagram
Fig. 26 — BRACKET 1
47 items · 10 available products
Yamaha F200BET, FL200BET BRACKET 2 parts diagram
Fig. 27 — BRACKET 2
33 items · 7 available products
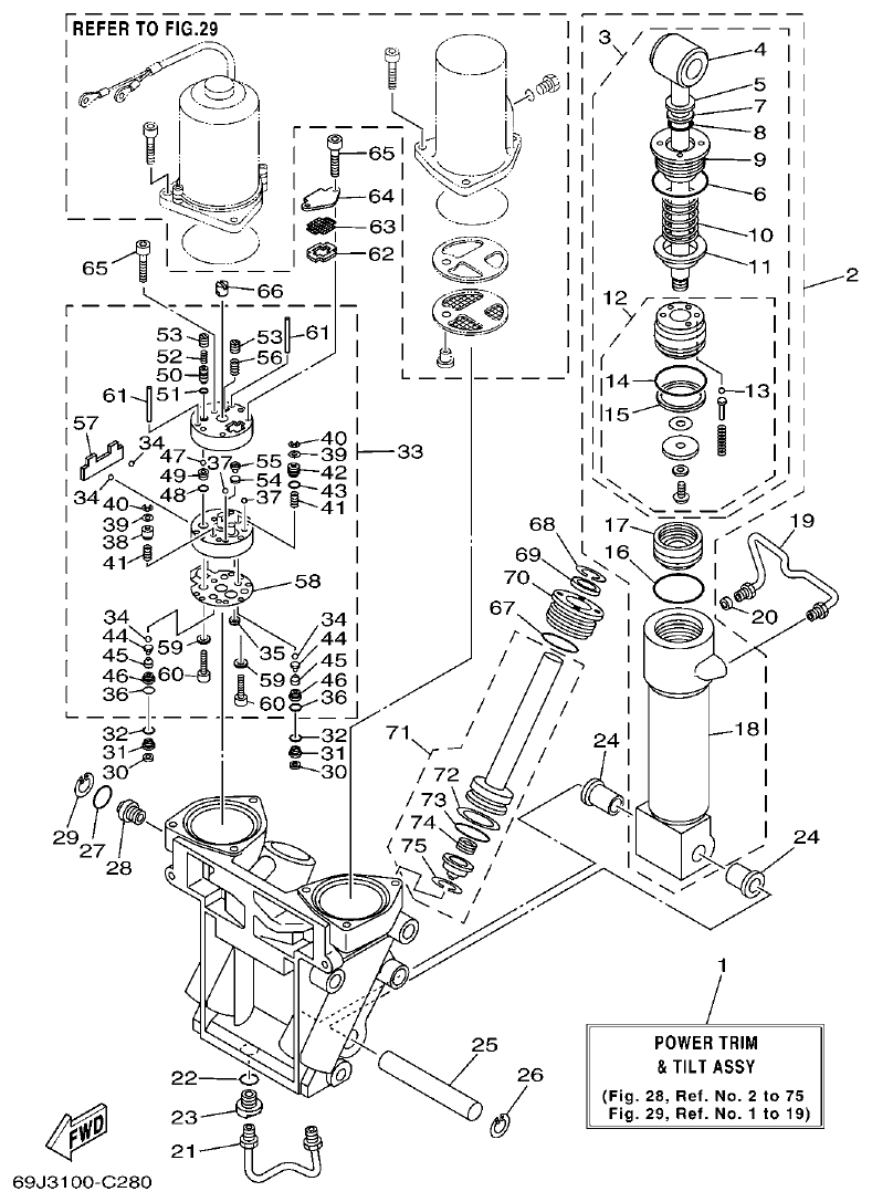
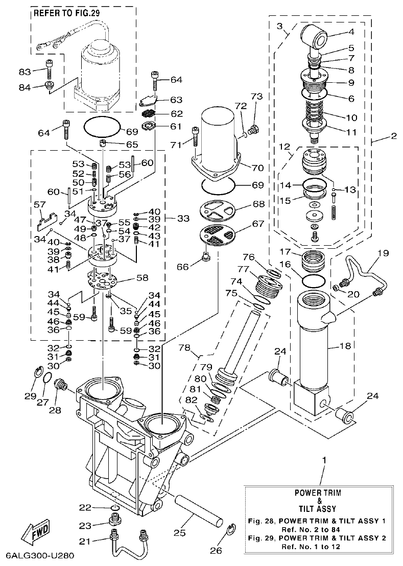
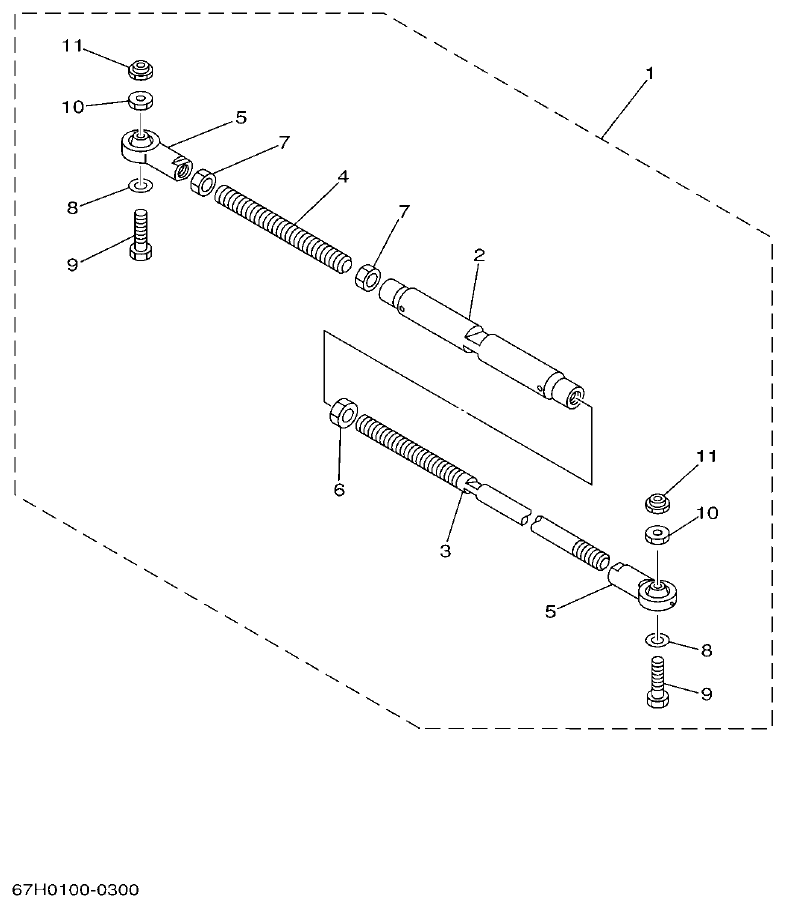
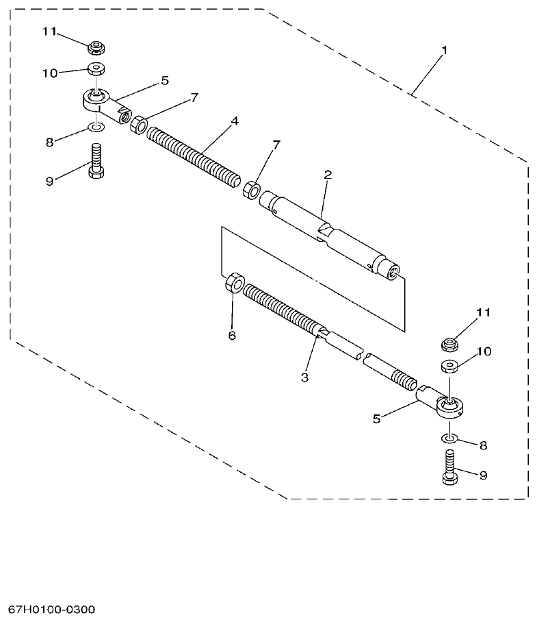
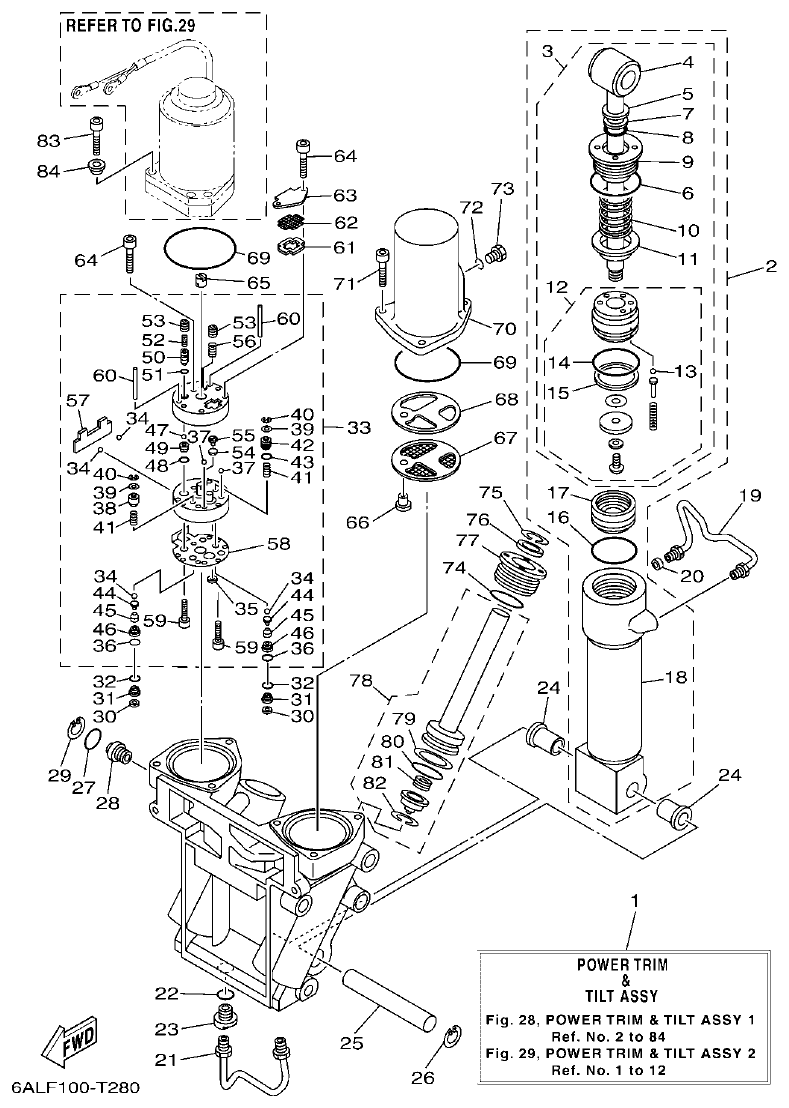
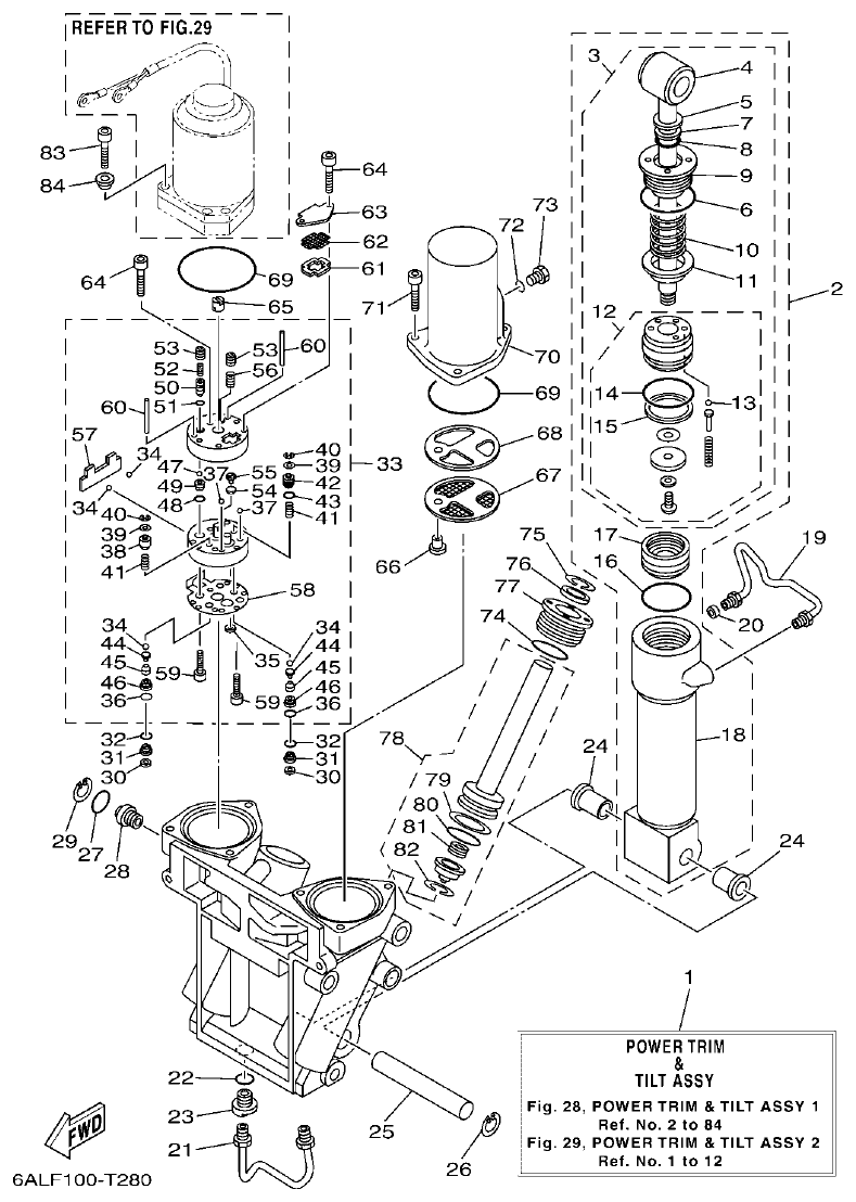
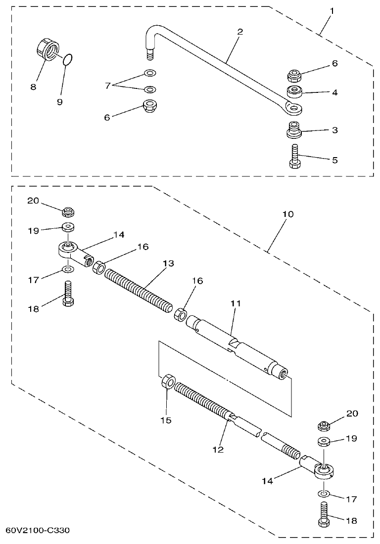
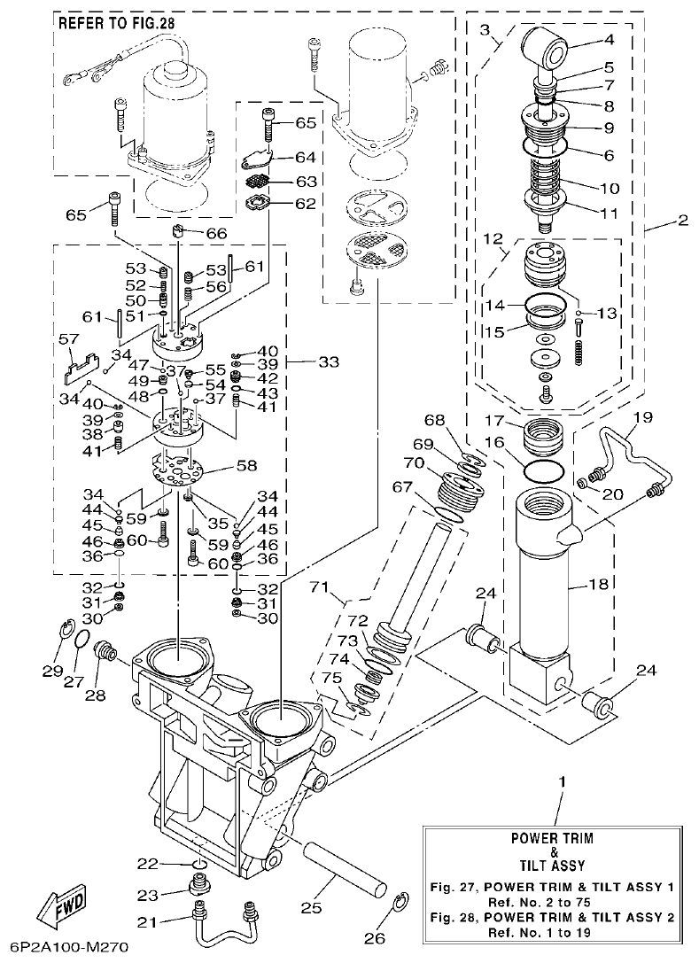
Yamaha F200BET, FL200BET POWER TRIM & TILT ASSY 1 parts diagram
Fig. 28 — POWER TRIM & TILT ASSY 1
84 items · 32 available products
Yamaha F200BET, FL200BET POWER TRIM & TILT ASSY 2 parts diagram
Fig. 29 — POWER TRIM & TILT ASSY 2
12 items · 4 available products
Yamaha F200BET, FL200BET UPPER CASING parts diagram
Fig. 30 — UPPER CASING
56 items · 15 available products
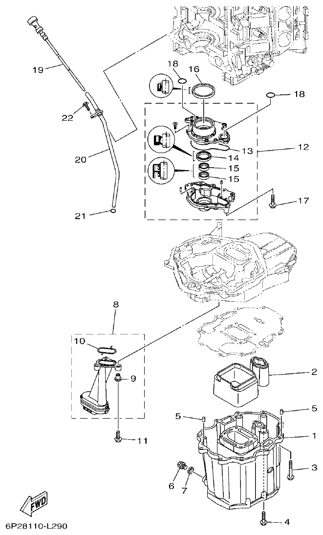
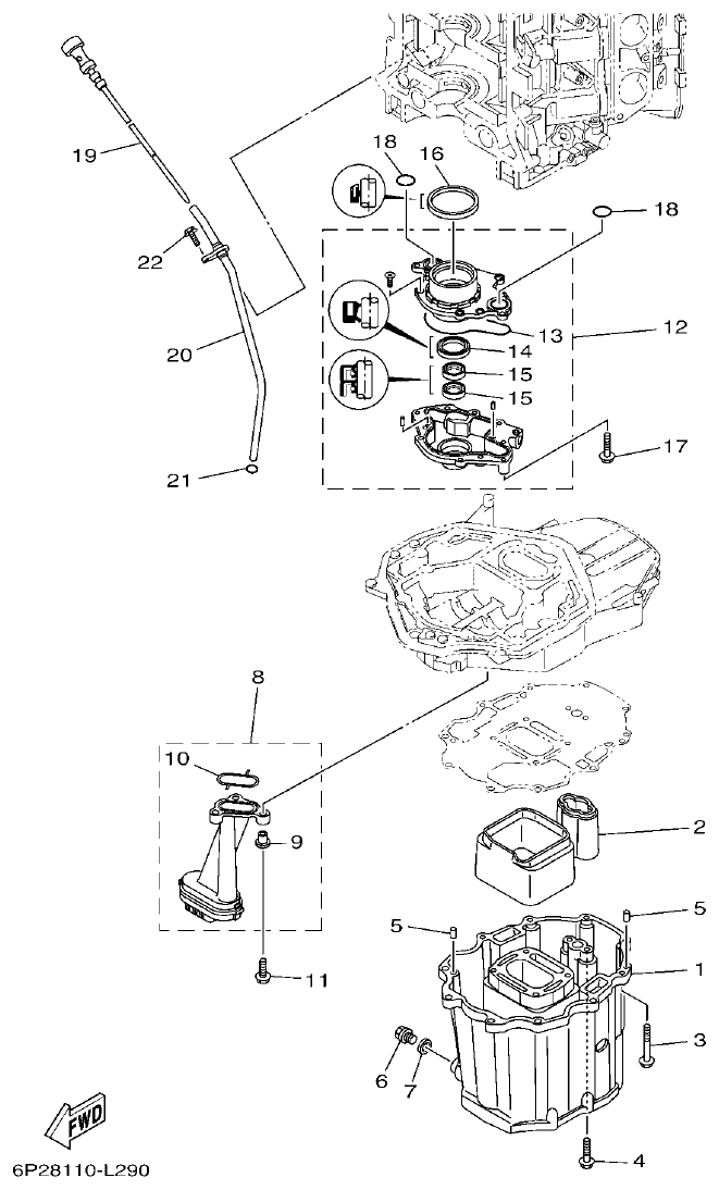
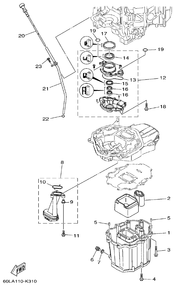
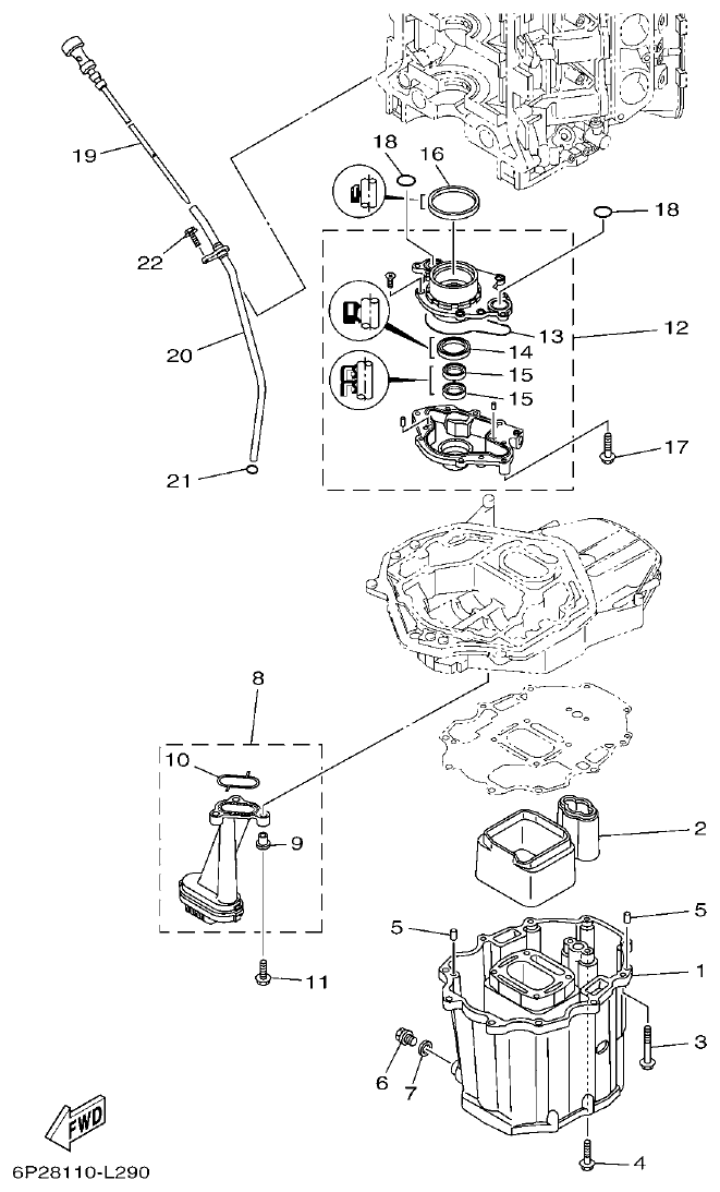
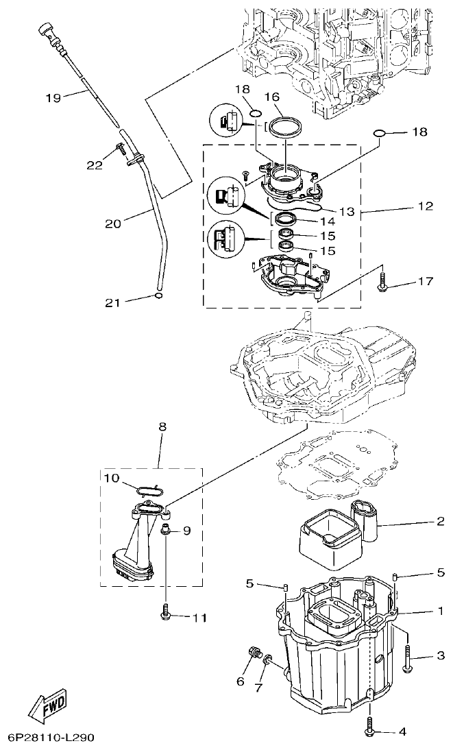
Yamaha F200BET, FL200BET OIL PAN parts diagram
Fig. 31 — OIL PAN
22 items · 9 available products
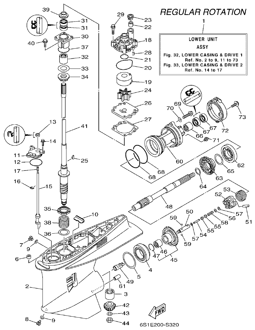
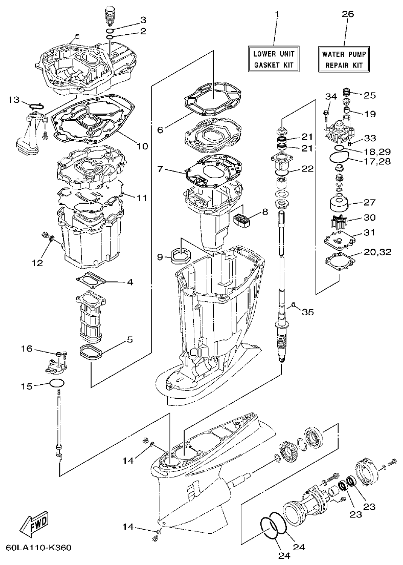
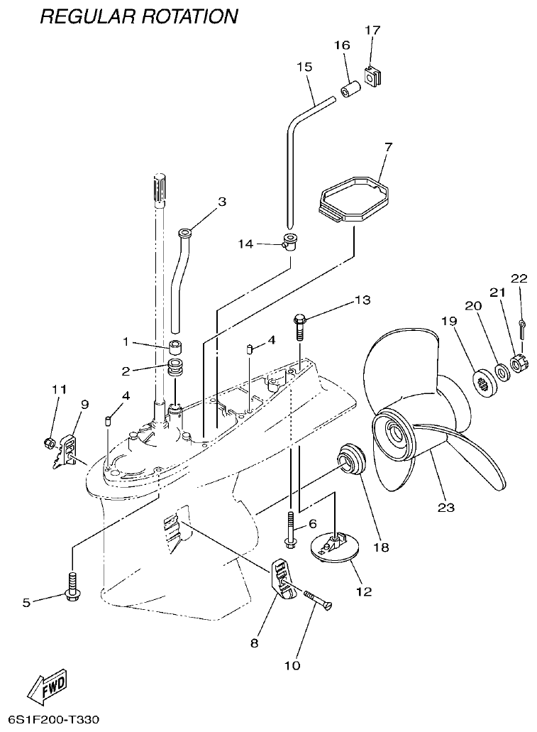
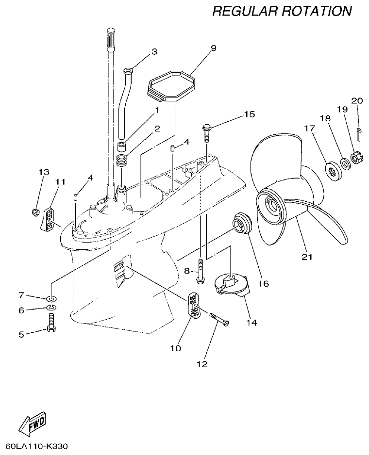
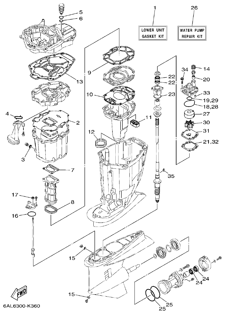
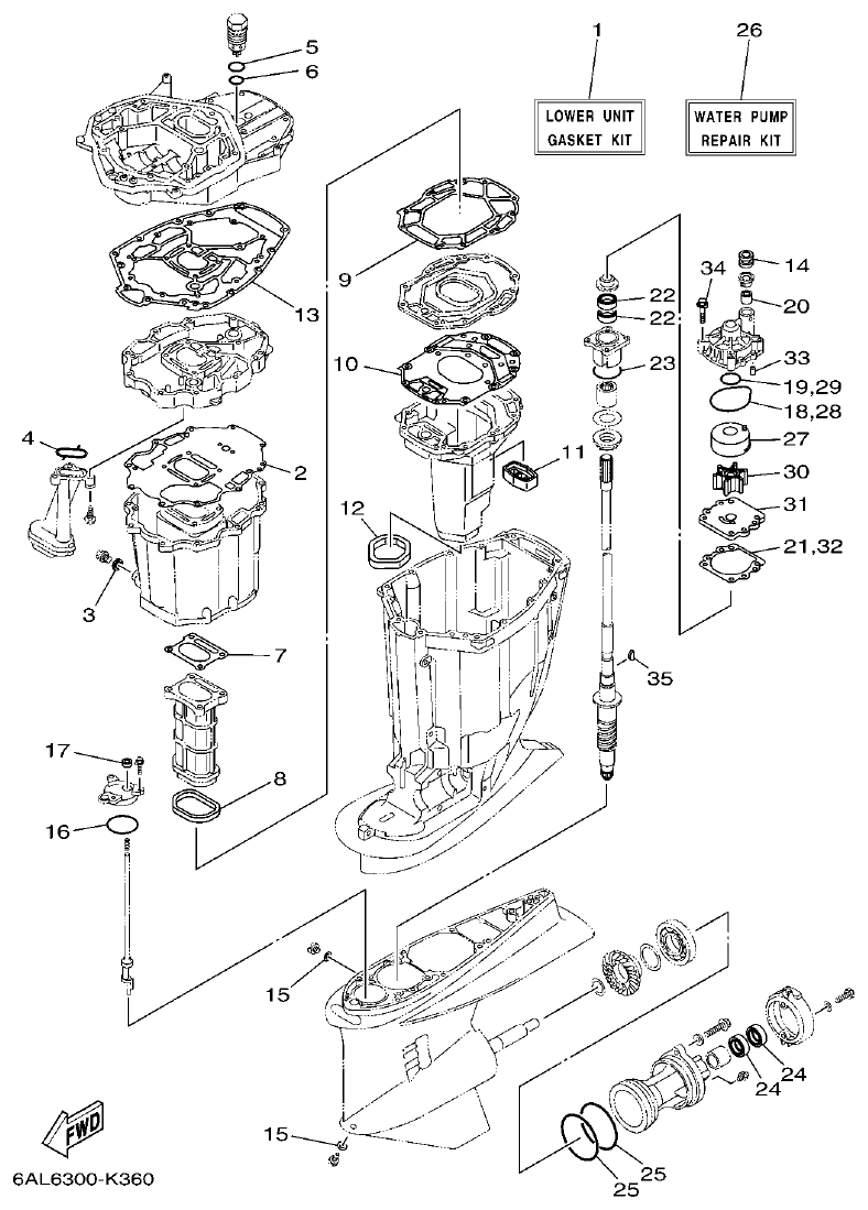
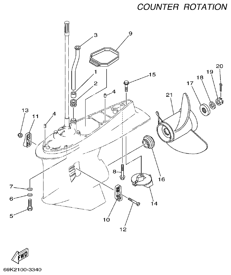
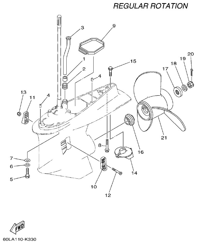
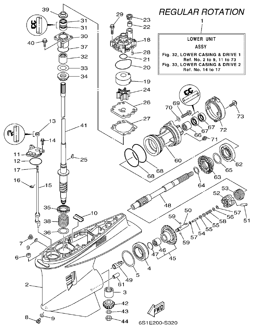
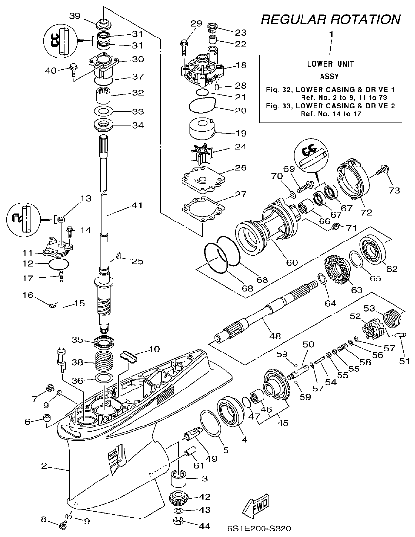
Yamaha F200BET, FL200BET LOWER CASING & DRIVE 1 parts diagram
Fig. 32 — LOWER CASING & DRIVE 1
97 items · 49 available products
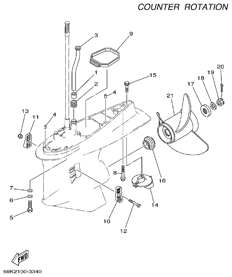
Yamaha F200BET, FL200BET LOWER CASING & DRIVE 2 parts diagram
Fig. 33 — LOWER CASING & DRIVE 2
26 items · 12 available products
Yamaha F200BET, FL200BET LOWER CASING & DRIVE 3 parts diagram
Fig. 34 — LOWER CASING & DRIVE 3
104 items · 52 available products
Yamaha F200BET, FL200BET LOWER CASING & DRIVE 4 parts diagram
Fig. 35 — LOWER CASING & DRIVE 4
26 items · 13 available products
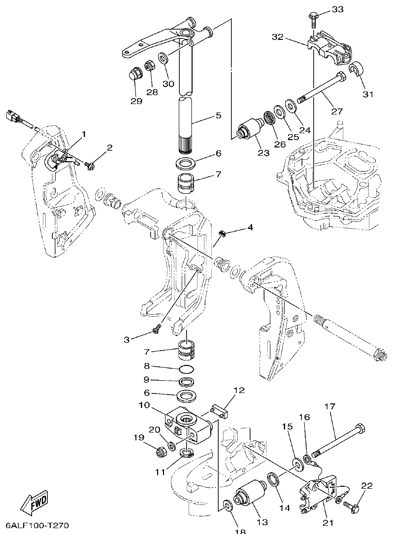
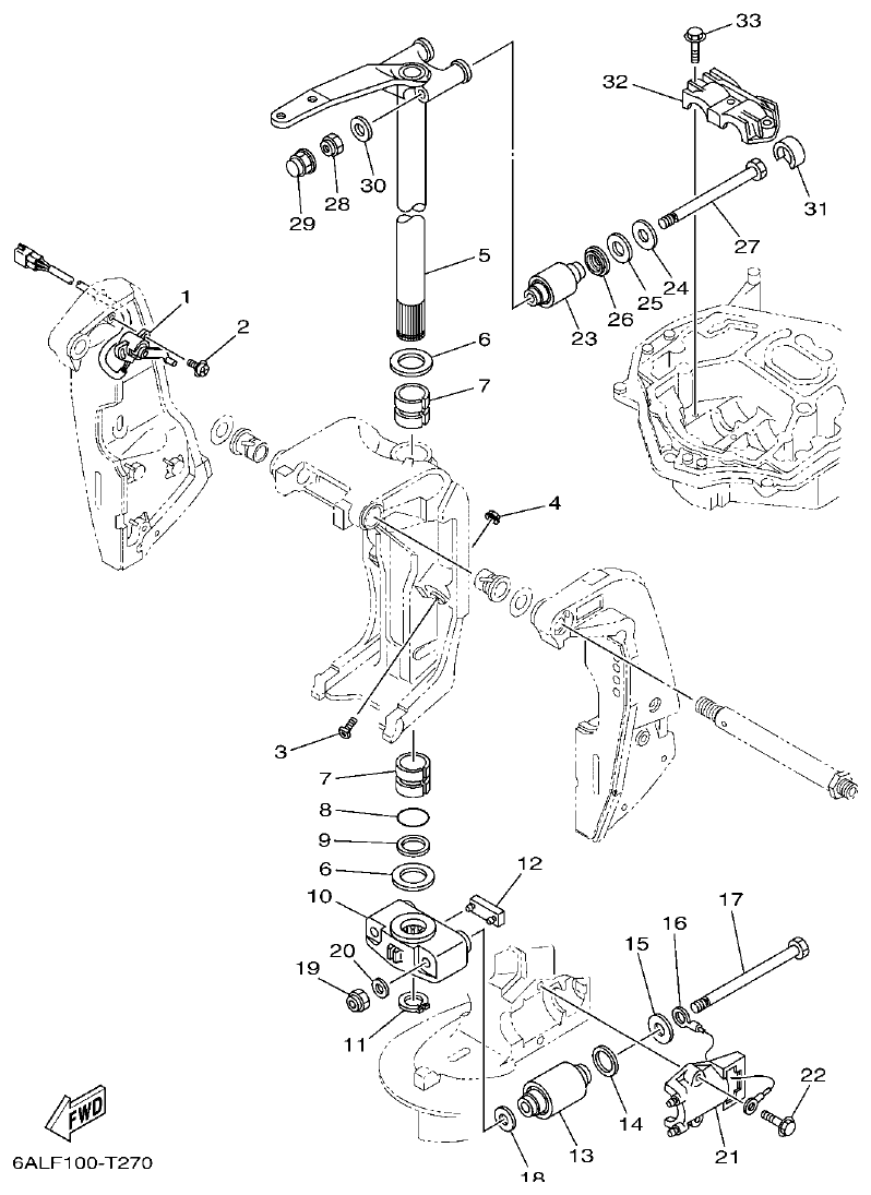
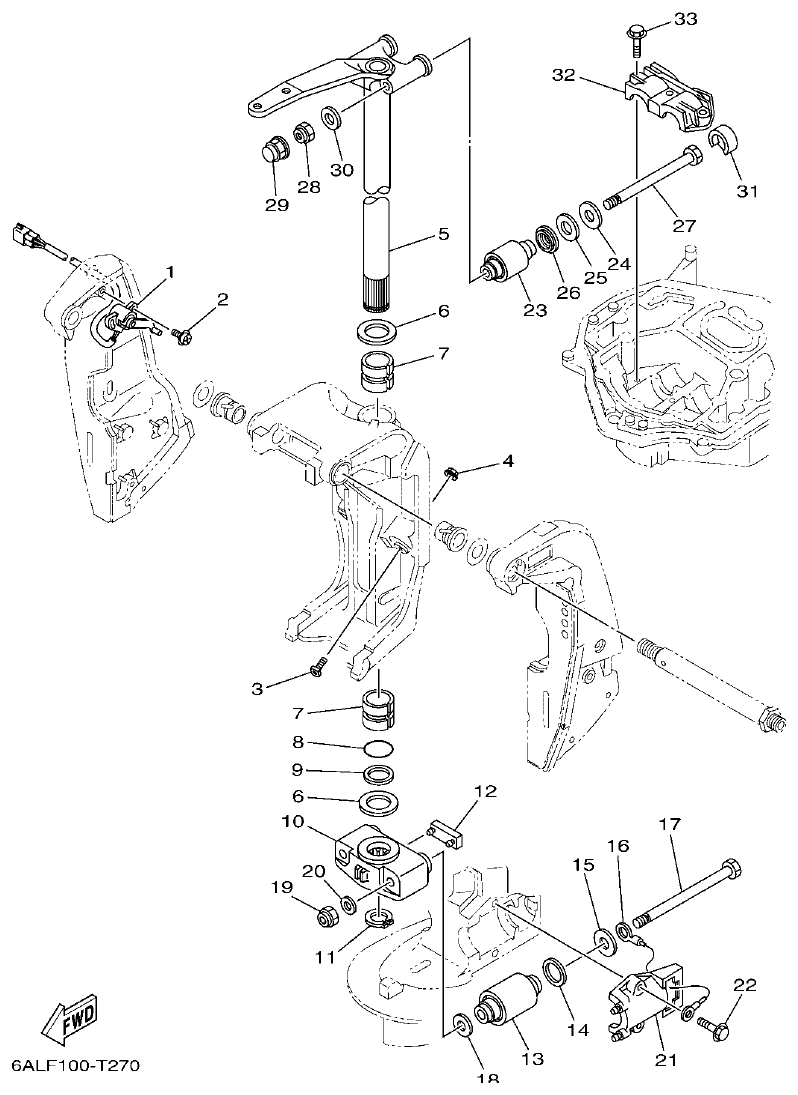
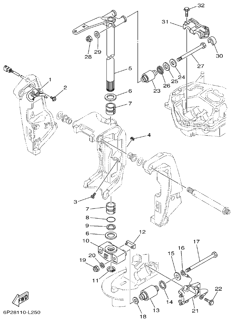
Yamaha F200BET, FL200BET STEERING GUIDE ATTACHMENT 1 parts diagram
Fig. 36 — STEERING GUIDE ATTACHMENT 1
9 items · 2 available products
Yamaha F200BET, FL200BET STEERING GUIDE ATTACHMENT 2 parts diagram
Fig. 37 — STEERING GUIDE ATTACHMENT 2
11 items · 1 available products
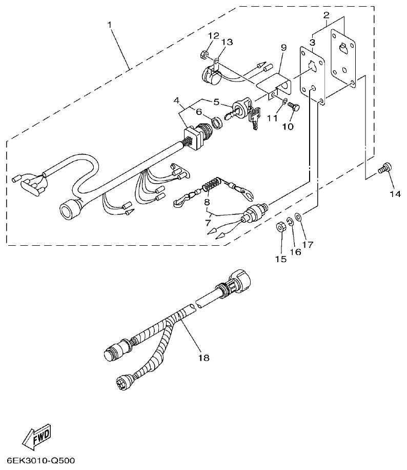
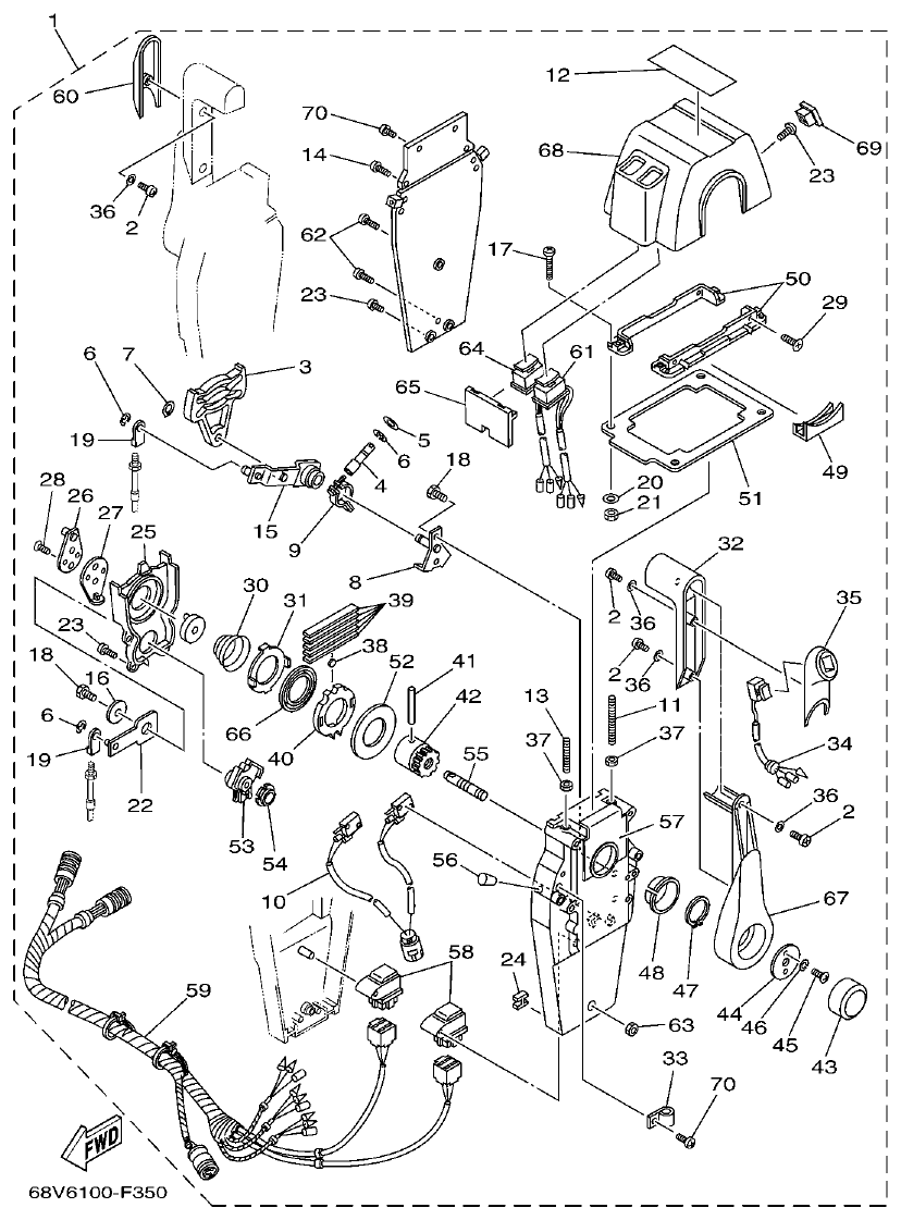
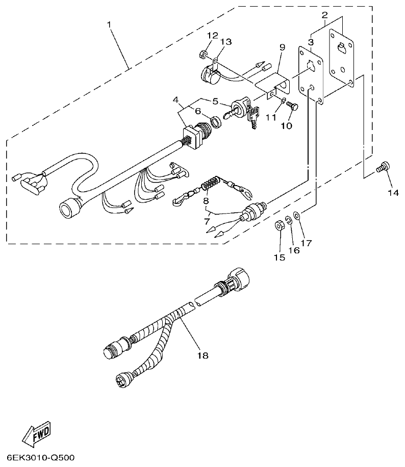
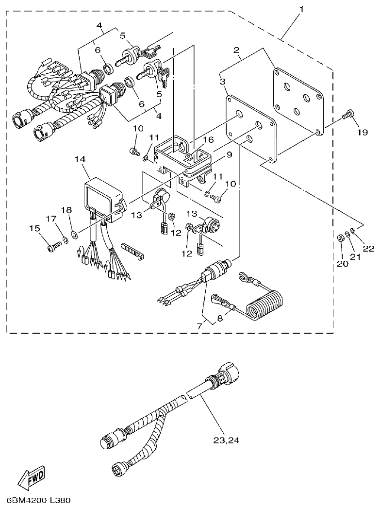
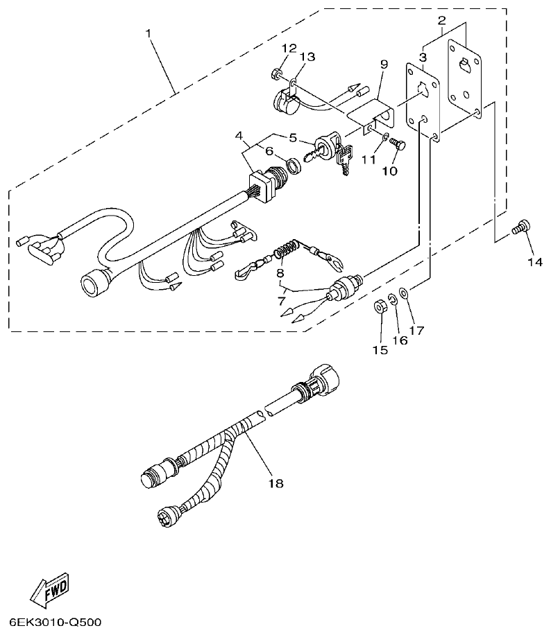
Yamaha F200BET, FL200BET REMOTE CONTROL BOX parts diagram
Fig. 38 — REMOTE CONTROL BOX
5 items
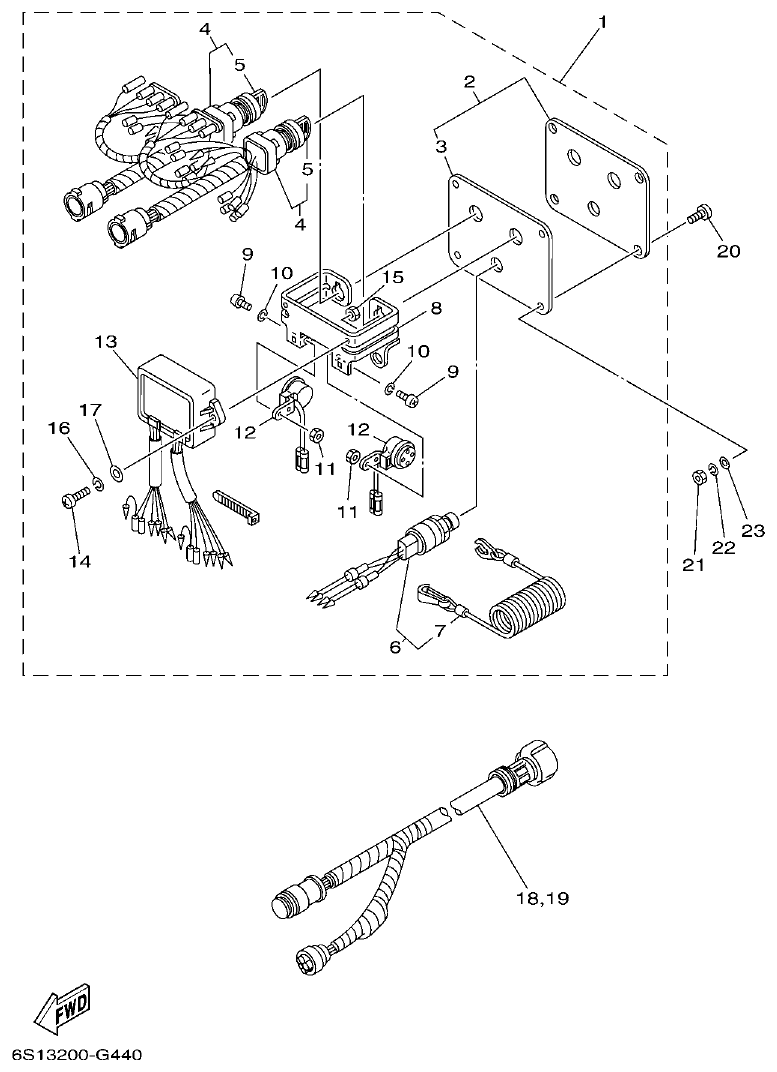
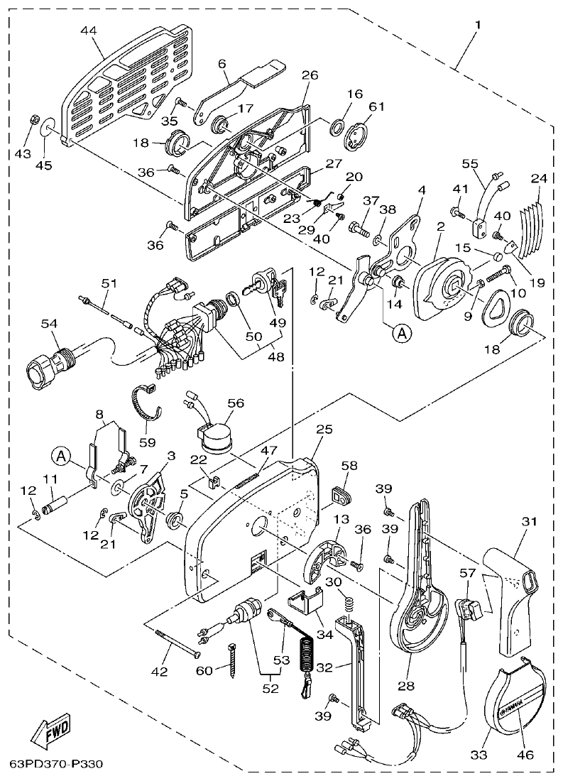
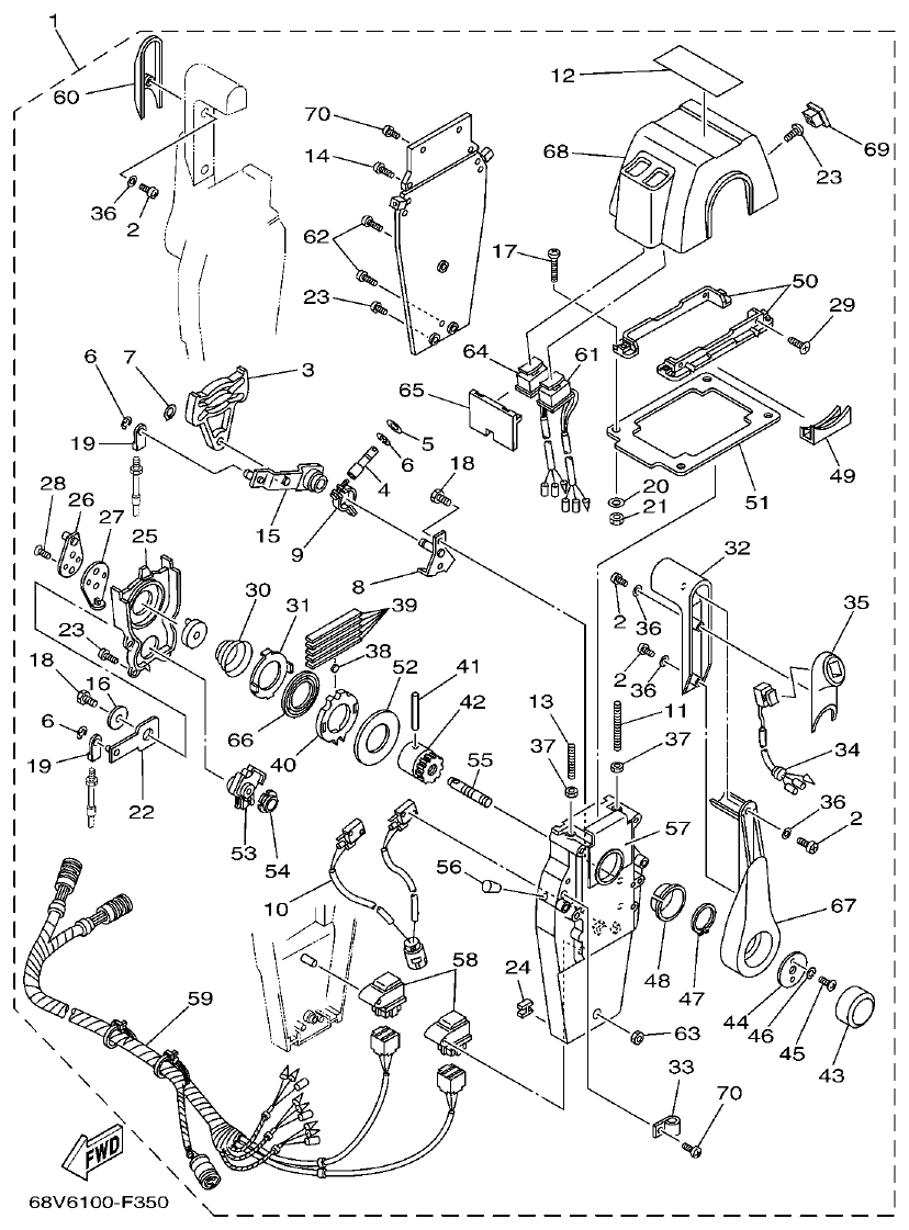
Yamaha F200BET, FL200BET REMOTE CONTROL ASSY 1 parts diagram
Fig. 39 — REMOTE CONTROL ASSY 1
61 items · 11 available products
Yamaha F200BET, FL200BET REMOTE CONTROL ASSY 2 parts diagram
Fig. 40 — REMOTE CONTROL ASSY 2
63 items · 2 available products
Yamaha F200BET, FL200BET REMOTE CONTROL ASSY 3 parts diagram
Fig. 41 — REMOTE CONTROL ASSY 3
73 items · 5 available products
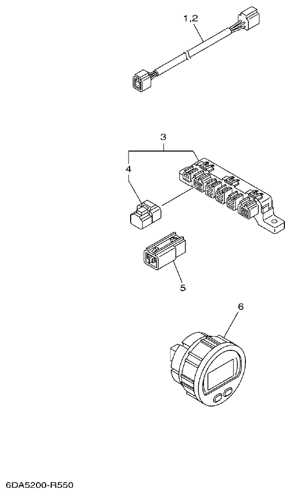
Yamaha F200BET, FL200BET METER 1 parts diagram
Fig. 42 — METER 1
13 items · 1 available products
Yamaha F200BET, FL200BET METER 2 parts diagram
Fig. 43 — METER 2
13 items · 2 available products
Yamaha F200BET, FL200BET SWITCH & PANEL 1 parts diagram
Fig. 44 — SWITCH & PANEL 1
18 items · 3 available products
Yamaha F200BET, FL200BET SWITCH & PANEL 2 parts diagram
Fig. 45 — SWITCH & PANEL 2
24 items · 1 available products
Yamaha F200BET, FL200BET OPTIONAL PARTS 1 parts diagram
Fig. 46 — OPTIONAL PARTS 1
15 items · 7 available products
Yamaha F200BET, FL200BET OPTIONAL PARTS 2 parts diagram
Fig. 47 — OPTIONAL PARTS 2
3 items · 2 available products
Yamaha F200BET, FL200BET OPTIONAL PARTS 3 parts diagram
Fig. 48 — OPTIONAL PARTS 3
19 items · 2 available products
Yamaha F200BET, FL200BET OPTIONAL PARTS 4 parts diagram
Fig. 49 — OPTIONAL PARTS 4
9 items
Yamaha F200BET, FL200BET OPTIONAL PARTS 5 parts diagram
Fig. 50 — OPTIONAL PARTS 5
11 items
Yamaha F200BET, FL200BET OPTIONAL PARTS 6 parts diagram
Fig. 51 — OPTIONAL PARTS 6
4 items
Yamaha F200BET, FL200BET OPTIONAL PARTS 7 parts diagram
Fig. 52 — OPTIONAL PARTS 7
6 items · 1 available products
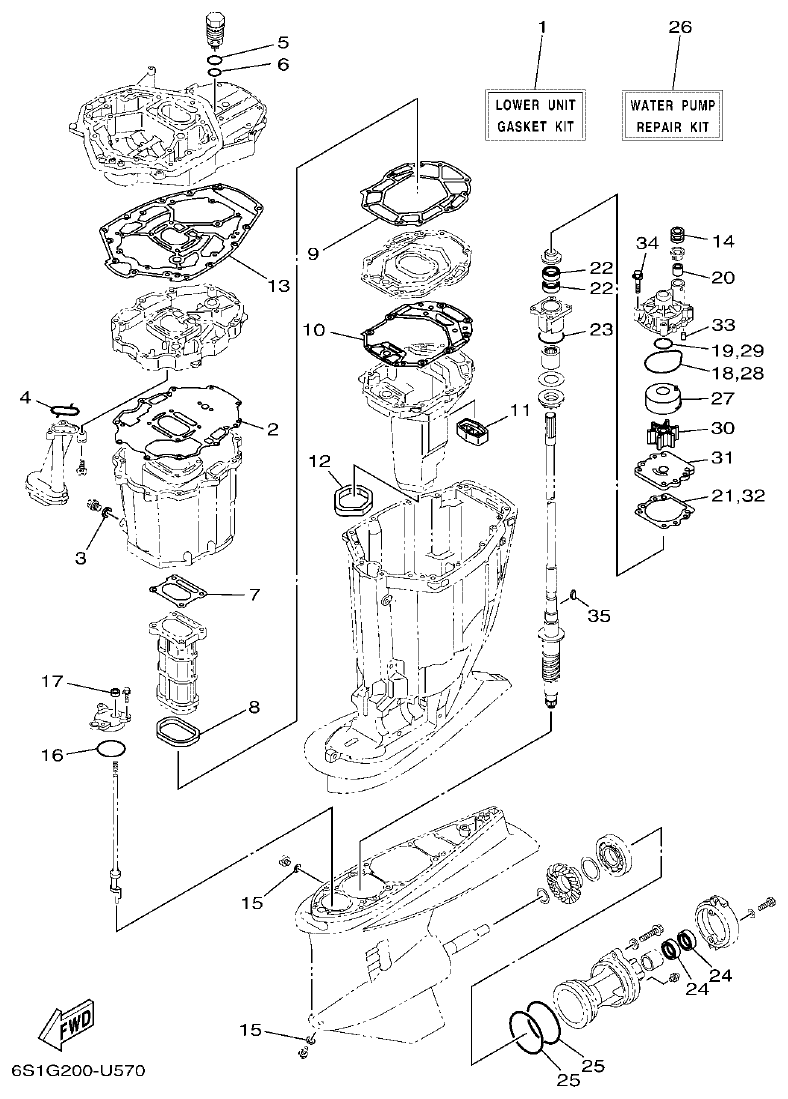
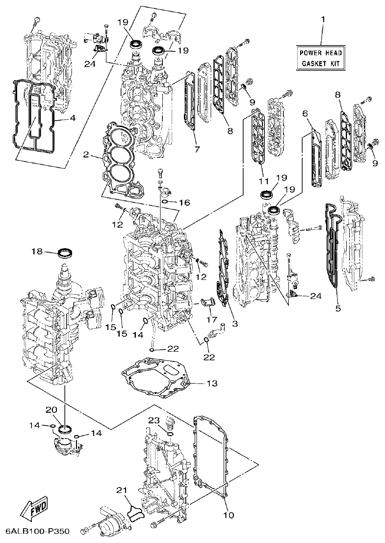
Yamaha F200BET, FL200BET REPAIR KIT 1 parts diagram
Fig. 53 — REPAIR KIT 1
24 items · 14 available products
Yamaha F200BET, FL200BET REPAIR KIT 2 parts diagram
Fig. 54 — REPAIR KIT 2
35 items · 12 available products
Yamaha F200BET, FL200BET SCHEDULED SERVICE PARTS parts diagram
Fig. 1 — SCHEDULED SERVICE PARTS
20 items · 15 available products
Yamaha F200BET, FL200BET TOP COWLING parts diagram
Fig. 2 — TOP COWLING
23 items · 1 available products
Yamaha F200BET, FL200BET CYLINDER & CRANKCASE 1 parts diagram
Fig. 3 — CYLINDER & CRANKCASE 1
62 items · 14 available products
Yamaha F200BET, FL200BET CRANKSHAFT & PISTON parts diagram
Fig. 4 — CRANKSHAFT & PISTON
26 items · 17 available products
Yamaha F200BET, FL200BET CYLINDER & CRANKCASE 2 parts diagram
Fig. 5 — CYLINDER & CRANKCASE 2
47 items · 9 available products
Yamaha F200BET, FL200BET CYLINDER & CRANKCASE 3 parts diagram
Fig. 6 — CYLINDER & CRANKCASE 3
21 items · 9 available products
Yamaha F200BET, FL200BET VALVE parts diagram
Fig. 7 — VALVE
63 items · 36 available products
Yamaha F200BET, FL200BET INTAKE 1 parts diagram
Fig. 8 — INTAKE 1
32 items · 6 available products
Yamaha F200BET, FL200BET INTAKE 2 parts diagram
Fig. 9 — INTAKE 2
37 items · 3 available products
Yamaha F200BET, FL200BET THROTTLE BODY ASSY 1 parts diagram
Fig. 10 — THROTTLE BODY ASSY 1
25 items · 4 available products
Yamaha F200BET, FL200BET THROTTLE BODY ASSY 2 parts diagram
Fig. 11 — THROTTLE BODY ASSY 2
22 items · 3 available products
Yamaha F200BET, FL200BET THROTTLE BODY ASSY 3 parts diagram
Fig. 12 — THROTTLE BODY ASSY 3
11 items · 3 available products
Yamaha F200BET, FL200BET FUEL INJECTION PUMP 1 parts diagram
Fig. 13 — FUEL INJECTION PUMP 1
39 items · 13 available products
Yamaha F200BET, FL200BET FUEL INJECTION PUMP 2 parts diagram
Fig. 14 — FUEL INJECTION PUMP 2
17 items
Yamaha F200BET, FL200BET FUEL 1 parts diagram
Fig. 15 — FUEL 1
25 items · 2 available products
Yamaha F200BET, FL200BET FUEL 2 parts diagram
Fig. 16 — FUEL 2
12 items · 4 available products
Yamaha F200BET, FL200BET GENERATOR parts diagram
Fig. 17 — GENERATOR
24 items · 3 available products
Yamaha F200BET, FL200BET ELECTRICAL 1 parts diagram
Fig. 18 — ELECTRICAL 1
11 items · 2 available products
Yamaha F200BET, FL200BET ELECTRICAL 2 parts diagram
Fig. 19 — ELECTRICAL 2
22 items · 3 available products
Yamaha F200BET, FL200BET ELECTRICAL 3 parts diagram
Fig. 20 — ELECTRICAL 3
47 items · 6 available products
Yamaha F200BET, FL200BET ELECTRICAL 4 parts diagram
Fig. 21 — ELECTRICAL 4
22 items · 3 available products
Yamaha F200BET, FL200BET STARTING MOTOR parts diagram
Fig. 22 — STARTING MOTOR
28 items · 7 available products
Yamaha F200BET, FL200BET BOTTOM COWLING 1 parts diagram
Fig. 23 — BOTTOM COWLING 1
61 items · 4 available products
Yamaha F200BET, FL200BET BOTTOM COWLING 2 parts diagram
Fig. 24 — BOTTOM COWLING 2
20 items · 5 available products
Yamaha F200BET, FL200BET CONTROL parts diagram
Fig. 25 — CONTROL
43 items · 8 available products
Yamaha F200BET, FL200BET BRACKET 1 parts diagram
Fig. 26 — BRACKET 1
47 items · 10 available products
Yamaha F200BET, FL200BET BRACKET 2 parts diagram
Fig. 27 — BRACKET 2
33 items · 7 available products
Yamaha F200BET, FL200BET POWER TRIM & TILT ASSY 1 parts diagram
Fig. 28 — POWER TRIM & TILT ASSY 1
84 items · 32 available products
Yamaha F200BET, FL200BET POWER TRIM & TILT ASSY 2 parts diagram
Fig. 29 — POWER TRIM & TILT ASSY 2
12 items · 4 available products
Yamaha F200BET, FL200BET UPPER CASING parts diagram
Fig. 30 — UPPER CASING
56 items · 15 available products
Yamaha F200BET, FL200BET OIL PAN parts diagram
Fig. 31 — OIL PAN
22 items · 9 available products
Yamaha F200BET, FL200BET LOWER CASING & DRIVE 1 parts diagram
Fig. 32 — LOWER CASING & DRIVE 1
97 items · 49 available products
Yamaha F200BET, FL200BET LOWER CASING & DRIVE 2 parts diagram
Fig. 33 — LOWER CASING & DRIVE 2
26 items · 12 available products
Yamaha F200BET, FL200BET LOWER CASING & DRIVE 3 parts diagram
Fig. 34 — LOWER CASING & DRIVE 3
104 items · 52 available products
Yamaha F200BET, FL200BET LOWER CASING & DRIVE 4 parts diagram
Fig. 35 — LOWER CASING & DRIVE 4
26 items · 13 available products
Yamaha F200BET, FL200BET STEERING GUIDE ATTACHMENT 1 parts diagram
Fig. 36 — STEERING GUIDE ATTACHMENT 1
9 items · 2 available products
Yamaha F200BET, FL200BET STEERING GUIDE ATTACHMENT 2 parts diagram
Fig. 37 — STEERING GUIDE ATTACHMENT 2
11 items · 1 available products
Yamaha F200BET, FL200BET REMOTE CONTROL BOX parts diagram
Fig. 38 — REMOTE CONTROL BOX
5 items
Yamaha F200BET, FL200BET REMOTE CONTROL ASSY 1 parts diagram
Fig. 39 — REMOTE CONTROL ASSY 1
61 items · 11 available products
Yamaha F200BET, FL200BET REMOTE CONTROL ASSY 2 parts diagram
Fig. 40 — REMOTE CONTROL ASSY 2
63 items · 2 available products
Yamaha F200BET, FL200BET REMOTE CONTROL ASSY 3 parts diagram
Fig. 41 — REMOTE CONTROL ASSY 3
73 items · 5 available products
Yamaha F200BET, FL200BET METER 1 parts diagram
Fig. 42 — METER 1
13 items · 1 available products
Yamaha F200BET, FL200BET METER 2 parts diagram
Fig. 43 — METER 2
13 items · 2 available products
Yamaha F200BET, FL200BET SWITCH & PANEL 1 parts diagram
Fig. 44 — SWITCH & PANEL 1
18 items · 3 available products
Yamaha F200BET, FL200BET SWITCH & PANEL 2 parts diagram
Fig. 45 — SWITCH & PANEL 2
24 items · 1 available products
Yamaha F200BET, FL200BET OPTIONAL PARTS 1 parts diagram
Fig. 46 — OPTIONAL PARTS 1
15 items · 7 available products
Yamaha F200BET, FL200BET OPTIONAL PARTS 2 parts diagram
Fig. 47 — OPTIONAL PARTS 2
3 items · 2 available products
Yamaha F200BET, FL200BET OPTIONAL PARTS 3 parts diagram
Fig. 48 — OPTIONAL PARTS 3
19 items · 2 available products
Yamaha F200BET, FL200BET OPTIONAL PARTS 4 parts diagram
Fig. 49 — OPTIONAL PARTS 4
9 items
Yamaha F200BET, FL200BET OPTIONAL PARTS 5 parts diagram
Fig. 50 — OPTIONAL PARTS 5
11 items
Yamaha F200BET, FL200BET OPTIONAL PARTS 6 parts diagram
Fig. 51 — OPTIONAL PARTS 6
4 items
Yamaha F200BET, FL200BET OPTIONAL PARTS 7 parts diagram
Fig. 52 — OPTIONAL PARTS 7
6 items · 1 available products
Yamaha F200BET, FL200BET REPAIR KIT 1 parts diagram
Fig. 53 — REPAIR KIT 1
24 items · 14 available products
Yamaha F200BET, FL200BET REPAIR KIT 2 parts diagram
Fig. 54 — REPAIR KIT 2
35 items · 12 available products
Yamaha F200BET, FL200BET SCHEDULED SERVICE PARTS parts diagram
Fig. 1 — SCHEDULED SERVICE PARTS
20 items · 15 available products
Yamaha F200BET, FL200BET TOP COWLING parts diagram
Fig. 2 — TOP COWLING
25 items · 2 available products
Yamaha F200BET, FL200BET CYLINDER & CRANKCASE 1 parts diagram
Fig. 3 — CYLINDER & CRANKCASE 1
67 items · 12 available products
Yamaha F200BET, FL200BET CRANKSHAFT & PISTON parts diagram
Fig. 4 — CRANKSHAFT & PISTON
21 items · 15 available products
Yamaha F200BET, FL200BET CYLINDER & CRANKCASE 2 parts diagram
Fig. 5 — CYLINDER & CRANKCASE 2
49 items · 7 available products
Yamaha F200BET, FL200BET CYLINDER & CRANKCASE 3 parts diagram
Fig. 6 — CYLINDER & CRANKCASE 3
28 items · 10 available products
Yamaha F200BET, FL200BET VALVE parts diagram
Fig. 7 — VALVE
63 items · 34 available products
Yamaha F200BET, FL200BET INTAKE 1 parts diagram
Fig. 8 — INTAKE 1
34 items · 6 available products
Yamaha F200BET, FL200BET INTAKE 2 parts diagram
Fig. 9 — INTAKE 2
37 items · 2 available products
Yamaha F200BET, FL200BET THROTTLE BODY ASSY 1 parts diagram
Fig. 10 — THROTTLE BODY ASSY 1
25 items · 4 available products
Yamaha F200BET, FL200BET THROTTLE BODY ASSY 2 parts diagram
Fig. 11 — THROTTLE BODY ASSY 2
22 items · 3 available products
Yamaha F200BET, FL200BET THROTTLE BODY ASSY 3 parts diagram
Fig. 12 — THROTTLE BODY ASSY 3
11 items · 3 available products
Yamaha F200BET, FL200BET FUEL INJECTION PUMP 1 parts diagram
Fig. 13 — FUEL INJECTION PUMP 1
39 items · 15 available products
Yamaha F200BET, FL200BET FUEL INJECTION PUMP 2 parts diagram
Fig. 14 — FUEL INJECTION PUMP 2
16 items
Yamaha F200BET, FL200BET FUEL 1 parts diagram
Fig. 15 — FUEL 1
24 items · 2 available products
Yamaha F200BET, FL200BET FUEL 2 parts diagram
Fig. 16 — FUEL 2
12 items · 4 available products
Yamaha F200BET, FL200BET GENERATOR parts diagram
Fig. 17 — GENERATOR
27 items · 2 available products
Yamaha F200BET, FL200BET ELECTRICAL 1 parts diagram
Fig. 18 — ELECTRICAL 1
33 items · 2 available products
Yamaha F200BET, FL200BET ELECTRICAL 2 parts diagram
Fig. 19 — ELECTRICAL 2
62 items · 6 available products
Yamaha F200BET, FL200BET ELECTRICAL 3 parts diagram
Fig. 20 — ELECTRICAL 3
23 items · 2 available products
Yamaha F200BET, FL200BET STARTING MOTOR parts diagram
Fig. 21 — STARTING MOTOR
29 items · 4 available products
Yamaha F200BET, FL200BET BOTTOM COWLING 1 parts diagram
Fig. 22 — BOTTOM COWLING 1
60 items · 4 available products
Yamaha F200BET, FL200BET BOTTOM COWLING 2 parts diagram
Fig. 23 — BOTTOM COWLING 2
20 items · 4 available products
Yamaha F200BET, FL200BET CONTROL parts diagram
Fig. 24 — CONTROL
44 items · 9 available products
Yamaha F200BET, FL200BET BRACKET 1 parts diagram
Fig. 25 — BRACKET 1
52 items · 9 available products
Yamaha F200BET, FL200BET BRACKET 2 parts diagram
Fig. 26 — BRACKET 2
32 items · 7 available products
Yamaha F200BET, FL200BET POWER TRIM & TILT ASSY 1 parts diagram
Fig. 27 — POWER TRIM & TILT ASSY 1
75 items · 28 available products
Yamaha F200BET, FL200BET POWER TRIM & TILT ASSY 2 parts diagram
Fig. 28 — POWER TRIM & TILT ASSY 2
19 items · 11 available products
Yamaha F200BET, FL200BET UPPER CASING parts diagram
Fig. 29 — UPPER CASING
58 items · 14 available products
Yamaha F200BET, FL200BET OIL PAN parts diagram
Fig. 30 — OIL PAN
22 items · 9 available products
Yamaha F200BET, FL200BET LOWER CASING & DRIVE 1 parts diagram
Fig. 31 — LOWER CASING & DRIVE 1
93 items · 47 available products
Yamaha F200BET, FL200BET LOWER CASING & DRIVE 2 parts diagram
Fig. 32 — LOWER CASING & DRIVE 2
34 items · 12 available products
Yamaha F200BET, FL200BET LOWER CASING & DRIVE 3 parts diagram
Fig. 33 — LOWER CASING & DRIVE 3
104 items · 52 available products
Yamaha F200BET, FL200BET LOWER CASING & DRIVE 4 parts diagram
Fig. 34 — LOWER CASING & DRIVE 4
34 items · 12 available products
Yamaha F200BET, FL200BET STEERING GUIDE parts diagram
Fig. 35 — STEERING GUIDE
20 items · 3 available products
Yamaha F200BET, FL200BET REMOTE CONTROL BOX parts diagram
Fig. 36 — REMOTE CONTROL BOX
10 items
Yamaha F200BET, FL200BET REMOTE CONTROL ASSY 1 parts diagram
Fig. 37 — REMOTE CONTROL ASSY 1
63 items · 11 available products
Yamaha F200BET, FL200BET REMOTE CONTROL ASSY 2 parts diagram
Fig. 38 — REMOTE CONTROL ASSY 2
62 items · 1 available products
Yamaha F200BET, FL200BET REMOTE CONTROL ASSY 3 parts diagram
Fig. 39 — REMOTE CONTROL ASSY 3
70 items · 2 available products
Yamaha F200BET, FL200BET METER parts diagram
Fig. 40 — METER
30 items · 2 available products
Yamaha F200BET, FL200BET SWITCH & PANEL 1 parts diagram
Fig. 41 — SWITCH & PANEL 1
18 items · 2 available products
Yamaha F200BET, FL200BET SWITCH & PANEL 2 parts diagram
Fig. 42 — SWITCH & PANEL 2
24 items · 1 available products
Yamaha F200BET, FL200BET OPTIONAL PARTS 1 parts diagram
Fig. 43 — OPTIONAL PARTS 1
18 items · 7 available products
Yamaha F200BET, FL200BET OPTIONAL PARTS 2 parts diagram
Fig. 44 — OPTIONAL PARTS 2
10 items
Yamaha F200BET, FL200BET REPAIR KIT 1 parts diagram
Fig. 45 — REPAIR KIT 1
25 items · 11 available products
Yamaha F200BET, FL200BET REPAIR KIT 2 parts diagram
Fig. 46 — REPAIR KIT 2
35 items · 10 available products
Yamaha F200BET, FL200BET SCHEDULED SERVICE PARTS parts diagram
Fig. 1 — SCHEDULED SERVICE PARTS
20 items · 15 available products
Yamaha F200BET, FL200BET TOP COWLING parts diagram
Fig. 2 — TOP COWLING
23 items · 1 available products
Yamaha F200BET, FL200BET CYLINDER & CRANKCASE 1 parts diagram
Fig. 3 — CYLINDER & CRANKCASE 1
63 items · 14 available products
Yamaha F200BET, FL200BET CRANKSHAFT & PISTON parts diagram
Fig. 4 — CRANKSHAFT & PISTON
26 items · 17 available products
Yamaha F200BET, FL200BET CYLINDER & CRANKCASE 2 parts diagram
Fig. 5 — CYLINDER & CRANKCASE 2
47 items · 9 available products
Yamaha F200BET, FL200BET CYLINDER & CRANKCASE 3 parts diagram
Fig. 6 — CYLINDER & CRANKCASE 3
21 items · 9 available products
Yamaha F200BET, FL200BET VALVE parts diagram
Fig. 7 — VALVE
63 items · 36 available products
Yamaha F200BET, FL200BET INTAKE 1 parts diagram
Fig. 8 — INTAKE 1
32 items · 6 available products
Yamaha F200BET, FL200BET INTAKE 2 parts diagram
Fig. 9 — INTAKE 2
37 items · 3 available products
Yamaha F200BET, FL200BET THROTTLE BODY ASSY 1 parts diagram
Fig. 10 — THROTTLE BODY ASSY 1
25 items · 4 available products
Yamaha F200BET, FL200BET THROTTLE BODY ASSY 2 parts diagram
Fig. 11 — THROTTLE BODY ASSY 2
22 items · 3 available products
Yamaha F200BET, FL200BET THROTTLE BODY ASSY 3 parts diagram
Fig. 12 — THROTTLE BODY ASSY 3
11 items · 3 available products
Yamaha F200BET, FL200BET FUEL INJECTION PUMP 1 parts diagram
Fig. 13 — FUEL INJECTION PUMP 1
46 items · 13 available products
Yamaha F200BET, FL200BET FUEL INJECTION PUMP 2 parts diagram
Fig. 14 — FUEL INJECTION PUMP 2
16 items
Yamaha F200BET, FL200BET FUEL 1 parts diagram
Fig. 15 — FUEL 1
25 items · 2 available products
Yamaha F200BET, FL200BET FUEL 2 parts diagram
Fig. 16 — FUEL 2
12 items · 4 available products
Yamaha F200BET, FL200BET GENERATOR parts diagram
Fig. 17 — GENERATOR
23 items · 3 available products
Yamaha F200BET, FL200BET ELECTRICAL 1 parts diagram
Fig. 18 — ELECTRICAL 1
11 items · 2 available products
Yamaha F200BET, FL200BET ELECTRICAL 2 parts diagram
Fig. 19 — ELECTRICAL 2
20 items · 1 available products
Yamaha F200BET, FL200BET ELECTRICAL 3 parts diagram
Fig. 20 — ELECTRICAL 3
48 items · 7 available products
Yamaha F200BET, FL200BET ELECTRICAL 4 parts diagram
Fig. 21 — ELECTRICAL 4
25 items · 4 available products
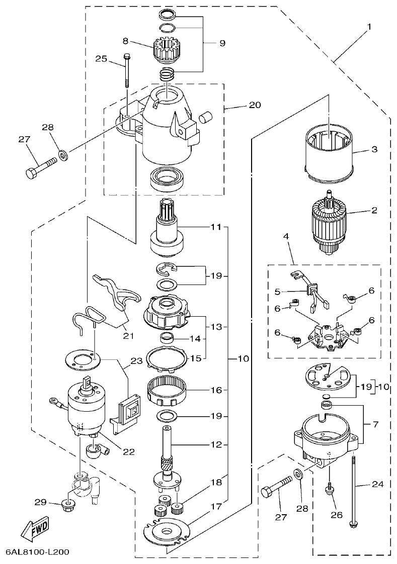
Yamaha F200BET, FL200BET STARTING MOTOR parts diagram
Fig. 22 — STARTING MOTOR
28 items · 7 available products
Yamaha F200BET, FL200BET BOTTOM COWLING 1 parts diagram
Fig. 23 — BOTTOM COWLING 1
62 items · 4 available products
Yamaha F200BET, FL200BET BOTTOM COWLING 2 parts diagram
Fig. 24 — BOTTOM COWLING 2
20 items · 5 available products
Yamaha F200BET, FL200BET CONTROL parts diagram
Fig. 25 — CONTROL
43 items · 9 available products
Yamaha F200BET, FL200BET BRACKET 1 parts diagram
Fig. 26 — BRACKET 1
48 items · 10 available products
Yamaha F200BET, FL200BET BRACKET 2 parts diagram
Fig. 27 — BRACKET 2
33 items · 7 available products
Yamaha F200BET, FL200BET POWER TRIM & TILT ASSY 1 parts diagram
Fig. 28 — POWER TRIM & TILT ASSY 1
84 items · 32 available products
Yamaha F200BET, FL200BET POWER TRIM & TILT ASSY 2 parts diagram
Fig. 29 — POWER TRIM & TILT ASSY 2
12 items · 5 available products
Yamaha F200BET, FL200BET UPPER CASING parts diagram
Fig. 30 — UPPER CASING
56 items · 16 available products
Yamaha F200BET, FL200BET OIL PAN parts diagram
Fig. 31 — OIL PAN
22 items · 9 available products
Yamaha F200BET, FL200BET LOWER CASING & DRIVE 1 parts diagram
Fig. 32 — LOWER CASING & DRIVE 1
97 items · 50 available products
Yamaha F200BET, FL200BET LOWER CASING & DRIVE 2 parts diagram
Fig. 33 — LOWER CASING & DRIVE 2
28 items · 13 available products
Yamaha F200BET, FL200BET LOWER CASING & DRIVE 3 parts diagram
Fig. 34 — LOWER CASING & DRIVE 3
104 items · 52 available products
Yamaha F200BET, FL200BET LOWER CASING & DRIVE 4 parts diagram
Fig. 35 — LOWER CASING & DRIVE 4
28 items · 14 available products
Yamaha F200BET, FL200BET STEERING GUIDE ATTACHMENT 1 parts diagram
Fig. 36 — STEERING GUIDE ATTACHMENT 1
9 items · 2 available products
Yamaha F200BET, FL200BET STEERING GUIDE ATTACHMENT 2 parts diagram
Fig. 37 — STEERING GUIDE ATTACHMENT 2
11 items · 2 available products
Yamaha F200BET, FL200BET REMOTE CONTROL BOX parts diagram
Fig. 38 — REMOTE CONTROL BOX
7 items
Yamaha F200BET, FL200BET REMOTE CONTROL ASSY 1 parts diagram
Fig. 39 — REMOTE CONTROL ASSY 1
64 items · 12 available products
Yamaha F200BET, FL200BET REMOTE CONTROL ASSY 2 parts diagram
Fig. 40 — REMOTE CONTROL ASSY 2
63 items · 2 available products
Yamaha F200BET, FL200BET REMOTE CONTROL ASSY 3 parts diagram
Fig. 41 — REMOTE CONTROL ASSY 3
73 items · 5 available products
Yamaha F200BET, FL200BET METER 1 parts diagram
Fig. 42 — METER 1
12 items
Yamaha F200BET, FL200BET METER 2 parts diagram
Fig. 43 — METER 2
13 items · 1 available products
Yamaha F200BET, FL200BET SWITCH & PANEL 1 parts diagram
Fig. 44 — SWITCH & PANEL 1
18 items · 3 available products
Yamaha F200BET, FL200BET SWITCH & PANEL 2 parts diagram
Fig. 45 — SWITCH & PANEL 2
24 items · 1 available products
Yamaha F200BET, FL200BET OPTIONAL PARTS 1 parts diagram
Fig. 46 — OPTIONAL PARTS 1
15 items · 8 available products
Yamaha F200BET, FL200BET OPTIONAL PARTS 2 parts diagram
Fig. 47 — OPTIONAL PARTS 2
12 items · 7 available products
Yamaha F200BET, FL200BET OPTIONAL PARTS 3 parts diagram
Fig. 48 — OPTIONAL PARTS 3
3 items · 2 available products
Yamaha F200BET, FL200BET OPTIONAL PARTS 4 parts diagram
Fig. 49 — OPTIONAL PARTS 4
6 items · 5 available products
Yamaha F200BET, FL200BET OPTIONAL PARTS 5 parts diagram
Fig. 50 — OPTIONAL PARTS 5
19 items · 2 available products
Yamaha F200BET, FL200BET OPTIONAL PARTS 6 parts diagram
Fig. 51 — OPTIONAL PARTS 6
15 items · 2 available products
Yamaha F200BET, FL200BET OPTIONAL PARTS 7 parts diagram
Fig. 52 — OPTIONAL PARTS 7
9 items
Yamaha F200BET, FL200BET OPTIONAL PARTS 8 parts diagram
Fig. 53 — OPTIONAL PARTS 8
11 items
Yamaha F200BET, FL200BET OPTIONAL PARTS 9 parts diagram
Fig. 54 — OPTIONAL PARTS 9
4 items
Yamaha F200BET, FL200BET OPTIONAL PARTS 10 parts diagram
Fig. 55 — OPTIONAL PARTS 10
6 items · 1 available products
Yamaha F200BET, FL200BET REPAIR KIT 1 parts diagram
Fig. 56 — REPAIR KIT 1
24 items · 14 available products
Yamaha F200BET, FL200BET REPAIR KIT 2 parts diagram
Fig. 57 — REPAIR KIT 2
35 items · 12 available products
Yamaha F200BET, FL200BET TOP COWLING parts diagram
Fig. 1 — TOP COWLING
25 items · 2 available products
Yamaha F200BET, FL200BET CYLINDER & CRANKCASE 1 parts diagram
Fig. 2 — CYLINDER & CRANKCASE 1
70 items · 10 available products
Yamaha F200BET, FL200BET CRANKSHAFT & PISTON parts diagram
Fig. 3 — CRANKSHAFT & PISTON
22 items · 16 available products
Yamaha F200BET, FL200BET CYLINDER & CRANKCASE 2 parts diagram
Fig. 4 — CYLINDER & CRANKCASE 2
42 items · 6 available products
Yamaha F200BET, FL200BET CYLINDER & CRANKCASE 3 parts diagram
Fig. 5 — CYLINDER & CRANKCASE 3
22 items · 7 available products
Yamaha F200BET, FL200BET VALVE parts diagram
Fig. 6 — VALVE
57 items · 19 available products
Yamaha F200BET, FL200BET INTAKE 1 parts diagram
Fig. 7 — INTAKE 1
32 items · 2 available products
Yamaha F200BET, FL200BET INTAKE 2 parts diagram
Fig. 8 — INTAKE 2
29 items · 1 available products
Yamaha F200BET, FL200BET THROTTLE BODY ASSY 1 parts diagram
Fig. 9 — THROTTLE BODY ASSY 1
45 items · 5 available products
Yamaha F200BET, FL200BET THROTTLE BODY ASSY 2 parts diagram
Fig. 10 — THROTTLE BODY ASSY 2
35 items · 5 available products
Yamaha F200BET, FL200BET THROTTLE BODY ASSY 3 parts diagram
Fig. 11 — THROTTLE BODY ASSY 3
28 items · 3 available products
Yamaha F200BET, FL200BET FUEL INJECTION PUMP 1 parts diagram
Fig. 12 — FUEL INJECTION PUMP 1
41 items · 3 available products
Yamaha F200BET, FL200BET FUEL INJECTION PUMP 2 parts diagram
Fig. 13 — FUEL INJECTION PUMP 2
24 items · 1 available products
Yamaha F200BET, FL200BET FUEL 1 parts diagram
Fig. 14 — FUEL 1
18 items · 2 available products
Yamaha F200BET, FL200BET FUEL 2 parts diagram
Fig. 15 — FUEL 2
12 items · 4 available products
Yamaha F200BET, FL200BET GENERATOR parts diagram
Fig. 16 — GENERATOR
30 items
Yamaha F200BET, FL200BET ELECTRICAL 1 parts diagram
Fig. 17 — ELECTRICAL 1
29 items · 1 available products
Yamaha F200BET, FL200BET ELECTRICAL 2 parts diagram
Fig. 18 — ELECTRICAL 2
37 items · 2 available products
Yamaha F200BET, FL200BET ELECTRICAL 3 parts diagram
Fig. 19 — ELECTRICAL 3
27 items · 2 available products
Yamaha F200BET, FL200BET STARTING MOTOR parts diagram
Fig. 20 — STARTING MOTOR
30 items · 3 available products
Yamaha F200BET, FL200BET BOTTOM COWLING 1 parts diagram
Fig. 21 — BOTTOM COWLING 1
57 items · 4 available products
Yamaha F200BET, FL200BET BOTTOM COWLING 2 parts diagram
Fig. 22 — BOTTOM COWLING 2
20 items · 5 available products
Yamaha F200BET, FL200BET CONTROL 1 parts diagram
Fig. 23 — CONTROL 1
36 items · 8 available products
Yamaha F200BET, FL200BET CONTROL 2 parts diagram
Fig. 24 — CONTROL 2
30 items · 1 available products
Yamaha F200BET, FL200BET CONTROL 3 parts diagram
Fig. 25 — CONTROL 3
10 items · 1 available products
Yamaha F200BET, FL200BET BRACKET 1 parts diagram
Fig. 26 — BRACKET 1
52 items · 9 available products
Yamaha F200BET, FL200BET BRACKET 2 parts diagram
Fig. 27 — BRACKET 2
33 items · 7 available products
Yamaha F200BET, FL200BET POWER TRIM & TILT ASSY 1 parts diagram
Fig. 28 — POWER TRIM & TILT ASSY 1
75 items · 24 available products
Yamaha F200BET, FL200BET POWER TRIM & TILT ASSY 2 parts diagram
Fig. 29 — POWER TRIM & TILT ASSY 2
19 items · 12 available products
Yamaha F200BET, FL200BET UPPER CASING parts diagram
Fig. 30 — UPPER CASING
58 items · 14 available products
Yamaha F200BET, FL200BET OIL PAN parts diagram
Fig. 31 — OIL PAN
23 items · 5 available products
Yamaha F200BET, FL200BET LOWER CASING & DRIVE 1 parts diagram
Fig. 32 — LOWER CASING & DRIVE 1
93 items · 45 available products
Yamaha F200BET, FL200BET LOWER CASING & DRIVE 2 parts diagram
Fig. 33 — LOWER CASING & DRIVE 2
34 items · 8 available products
Yamaha F200BET, FL200BET LOWER CASING & DRIVE 3 parts diagram
Fig. 34 — LOWER CASING & DRIVE 3
104 items · 49 available products
Yamaha F200BET, FL200BET LOWER CASING & DRIVE 4 parts diagram
Fig. 35 — LOWER CASING & DRIVE 4
34 items · 7 available products
Yamaha F200BET, FL200BET STEERING GUIDE parts diagram
Fig. 36 — STEERING GUIDE
20 items · 3 available products
Yamaha F200BET, FL200BET REMOTE CONTROL BOX parts diagram
Fig. 37 — REMOTE CONTROL BOX
10 items
Yamaha F200BET, FL200BET REMOTE CONTROL ASSY 1 parts diagram
Fig. 38 — REMOTE CONTROL ASSY 1
62 items · 12 available products
Yamaha F200BET, FL200BET REMOTE CONTROL ASSY 2 parts diagram
Fig. 39 — REMOTE CONTROL ASSY 2
62 items · 1 available products
Yamaha F200BET, FL200BET REMOTE CONTROL ASSY 3 parts diagram
Fig. 40 — REMOTE CONTROL ASSY 3
70 items · 2 available products
Yamaha F200BET, FL200BET METER parts diagram
Fig. 41 — METER
30 items · 2 available products
Yamaha F200BET, FL200BET SWITCH & PANEL 1 parts diagram
Fig. 42 — SWITCH & PANEL 1
17 items · 1 available products
Yamaha F200BET, FL200BET SWITCH & PANEL 2 parts diagram
Fig. 43 — SWITCH & PANEL 2
23 items · 1 available products
Yamaha F200BET, FL200BET REPAIR KIT 1 parts diagram
Fig. 44 — REPAIR KIT 1
26 items · 10 available products
Yamaha F200BET, FL200BET REPAIR KIT 2 parts diagram
Fig. 45 — REPAIR KIT 2
35 items · 9 available products