Catalogs / Yamaha / Outboard

Yamaha F200CET, F225BET, FL200CET, FL225BET Parts Catalog

Browse 97 catalog sections for Yamaha F200CET, F225BET, FL200CET, FL225BET. Open a section to view the parts diagram, reference numbers and available products.

Yamaha F200CET, F225BET, FL200CET, FL225BET SCHEDULED SERVICE PARTS parts diagram
Fig. 1 — SCHEDULED SERVICE PARTS
20 items · 15 available products
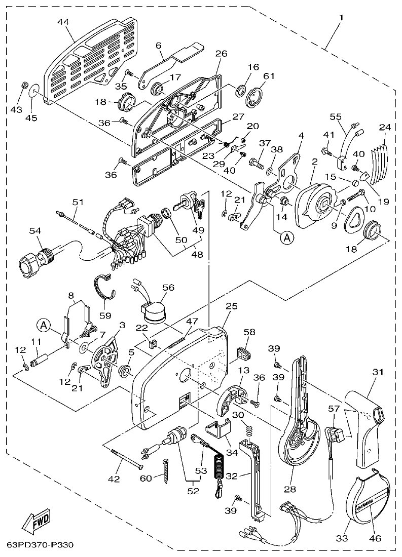
Yamaha F200CET, F225BET, FL200CET, FL225BET TOP COWLING parts diagram
Fig. 2 — TOP COWLING
28 items · 2 available products
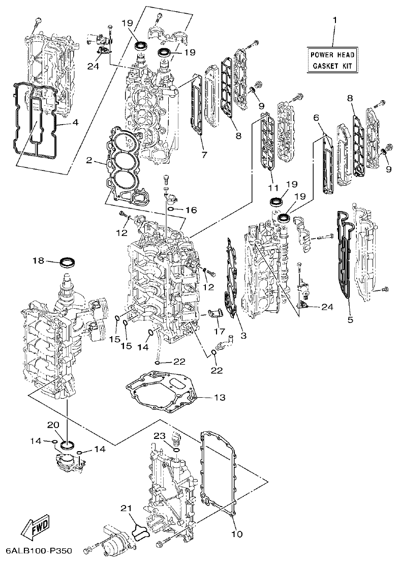
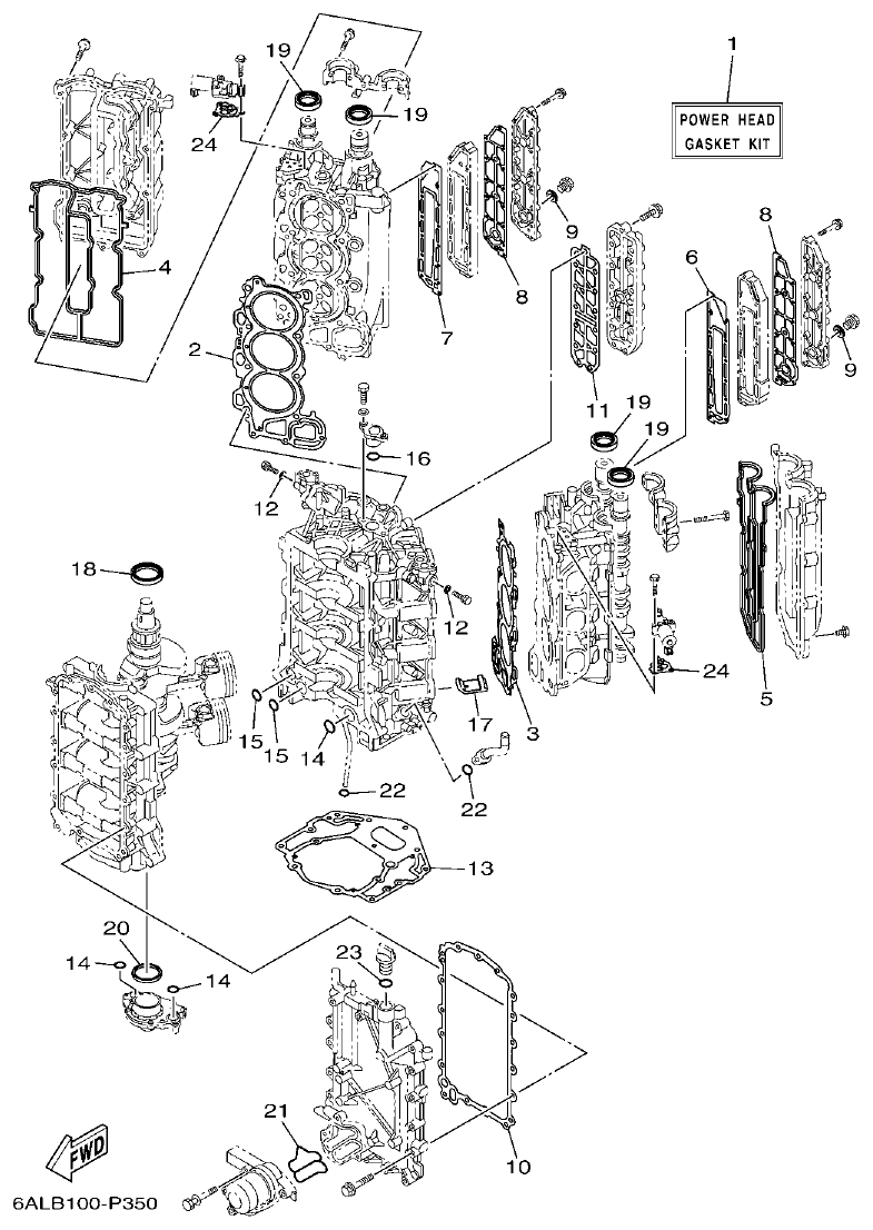
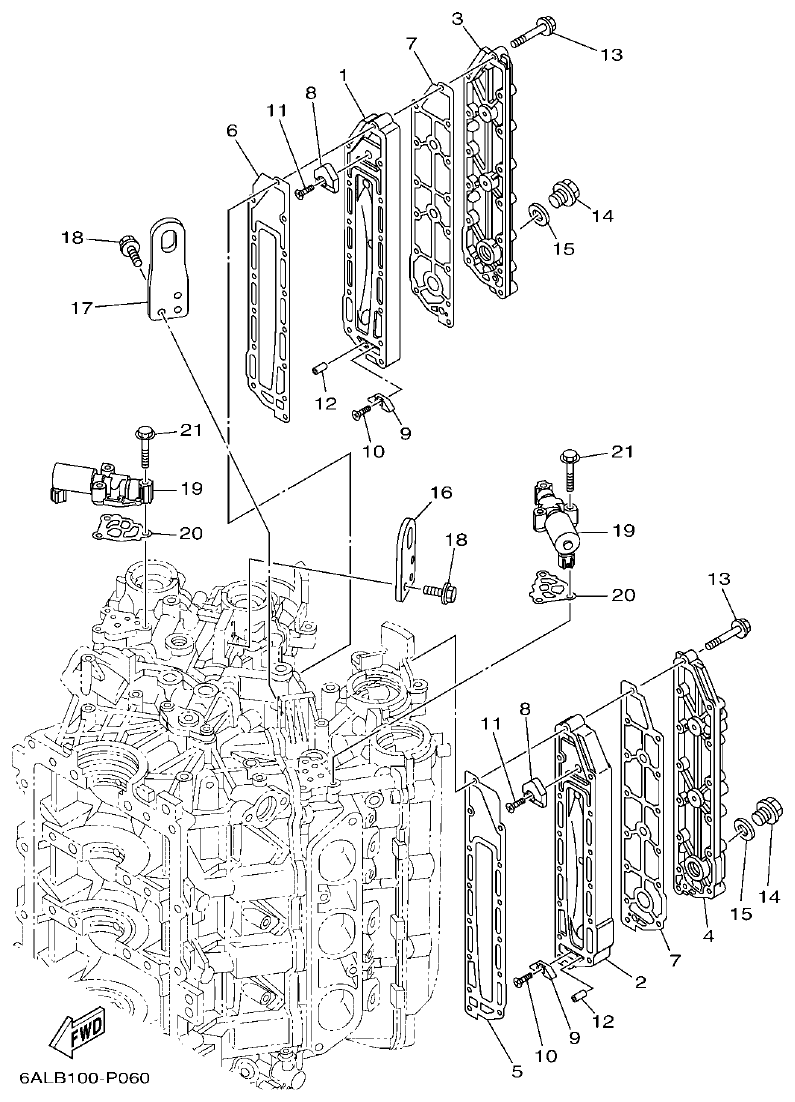
Yamaha F200CET, F225BET, FL200CET, FL225BET CYLINDER & CRANKCASE 1 parts diagram
Fig. 3 — CYLINDER & CRANKCASE 1
65 items · 12 available products
Yamaha F200CET, F225BET, FL200CET, FL225BET CRANKSHAFT & PISTON parts diagram
Fig. 4 — CRANKSHAFT & PISTON
22 items · 17 available products
Yamaha F200CET, F225BET, FL200CET, FL225BET CYLINDER & CRANKCASE 2 parts diagram
Fig. 5 — CYLINDER & CRANKCASE 2
48 items · 7 available products
Yamaha F200CET, F225BET, FL200CET, FL225BET CYLINDER & CRANKCASE 3 parts diagram
Fig. 6 — CYLINDER & CRANKCASE 3
21 items · 9 available products
Yamaha F200CET, F225BET, FL200CET, FL225BET VALVE parts diagram
Fig. 7 — VALVE
63 items · 36 available products
Yamaha F200CET, F225BET, FL200CET, FL225BET INTAKE 1 parts diagram
Fig. 8 — INTAKE 1
32 items · 6 available products
Yamaha F200CET, F225BET, FL200CET, FL225BET INTAKE 2 parts diagram
Fig. 9 — INTAKE 2
37 items · 2 available products
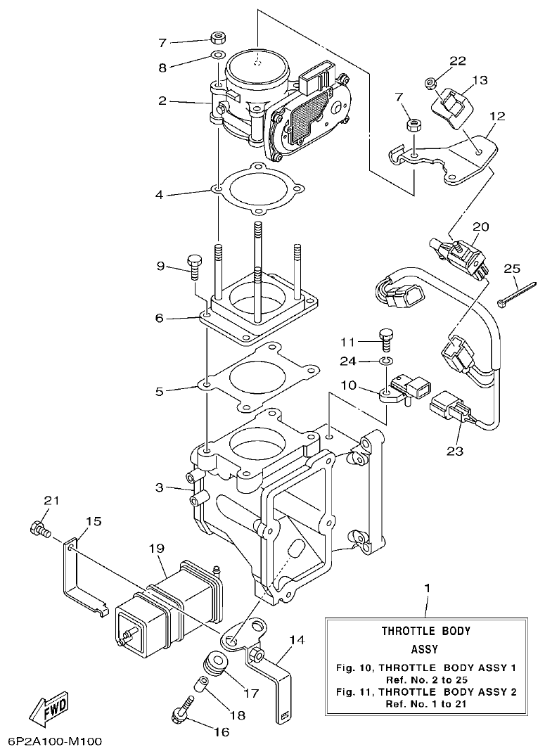
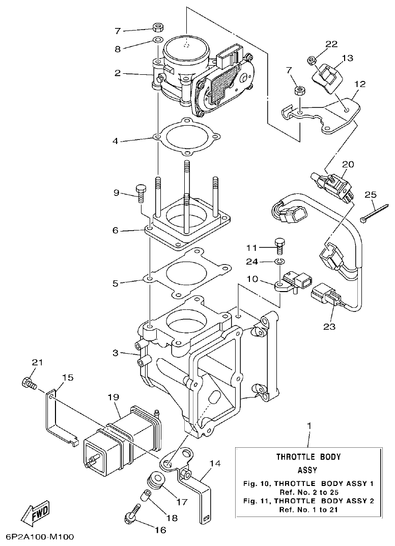
Yamaha F200CET, F225BET, FL200CET, FL225BET THROTTLE BODY ASSY 1 parts diagram
Fig. 10 — THROTTLE BODY ASSY 1
25 items · 4 available products
Yamaha F200CET, F225BET, FL200CET, FL225BET THROTTLE BODY ASSY 2 parts diagram
Fig. 11 — THROTTLE BODY ASSY 2
22 items · 3 available products
Yamaha F200CET, F225BET, FL200CET, FL225BET THROTTLE BODY ASSY 3 parts diagram
Fig. 12 — THROTTLE BODY ASSY 3
11 items · 3 available products
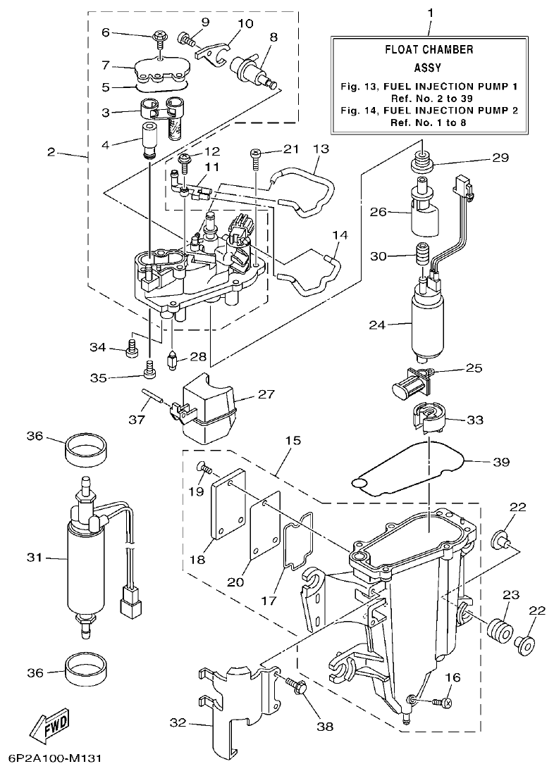
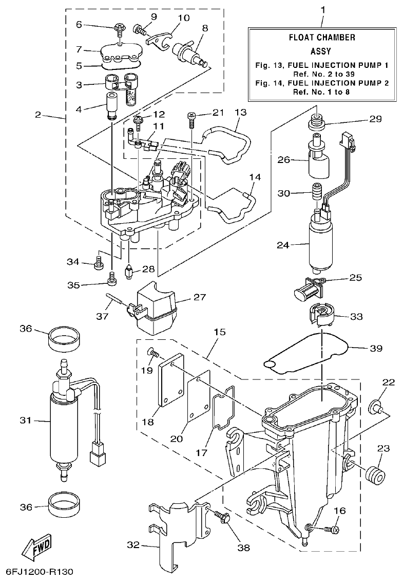
Yamaha F200CET, F225BET, FL200CET, FL225BET FUEL INJECTION PUMP 1 parts diagram
Fig. 13 — FUEL INJECTION PUMP 1
46 items · 15 available products
Yamaha F200CET, F225BET, FL200CET, FL225BET FUEL INJECTION PUMP 2 parts diagram
Fig. 14 — FUEL INJECTION PUMP 2
16 items
Yamaha F200CET, F225BET, FL200CET, FL225BET FUEL 1 parts diagram
Fig. 15 — FUEL 1
28 items · 2 available products
Yamaha F200CET, F225BET, FL200CET, FL225BET FUEL 2 parts diagram
Fig. 16 — FUEL 2
6 items · 3 available products
Yamaha F200CET, F225BET, FL200CET, FL225BET GENERATOR parts diagram
Fig. 17 — GENERATOR
27 items · 3 available products
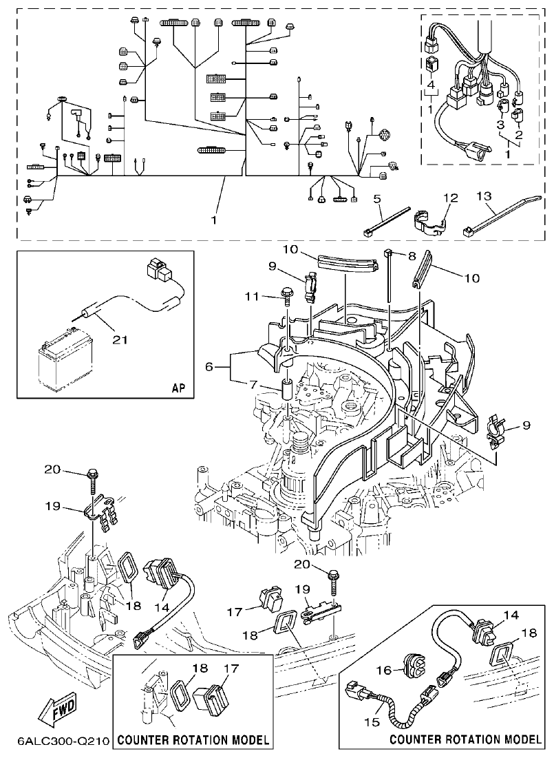
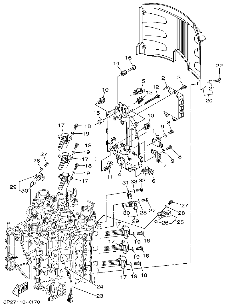
Yamaha F200CET, F225BET, FL200CET, FL225BET ELECTRICAL 1 parts diagram
Fig. 18 — ELECTRICAL 1
36 items · 2 available products
Yamaha F200CET, F225BET, FL200CET, FL225BET ELECTRICAL 2 parts diagram
Fig. 19 — ELECTRICAL 2
62 items · 6 available products
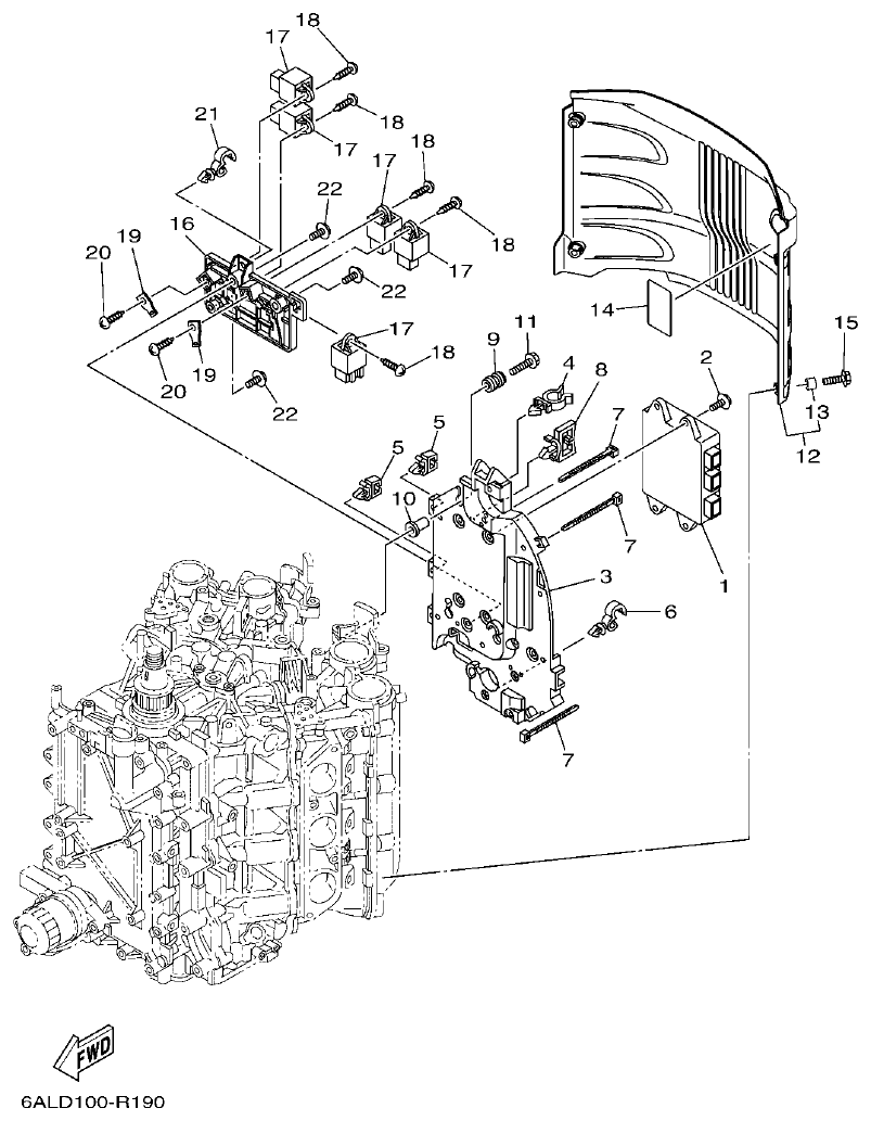
Yamaha F200CET, F225BET, FL200CET, FL225BET ELECTRICAL 3 parts diagram
Fig. 20 — ELECTRICAL 3
23 items · 2 available products
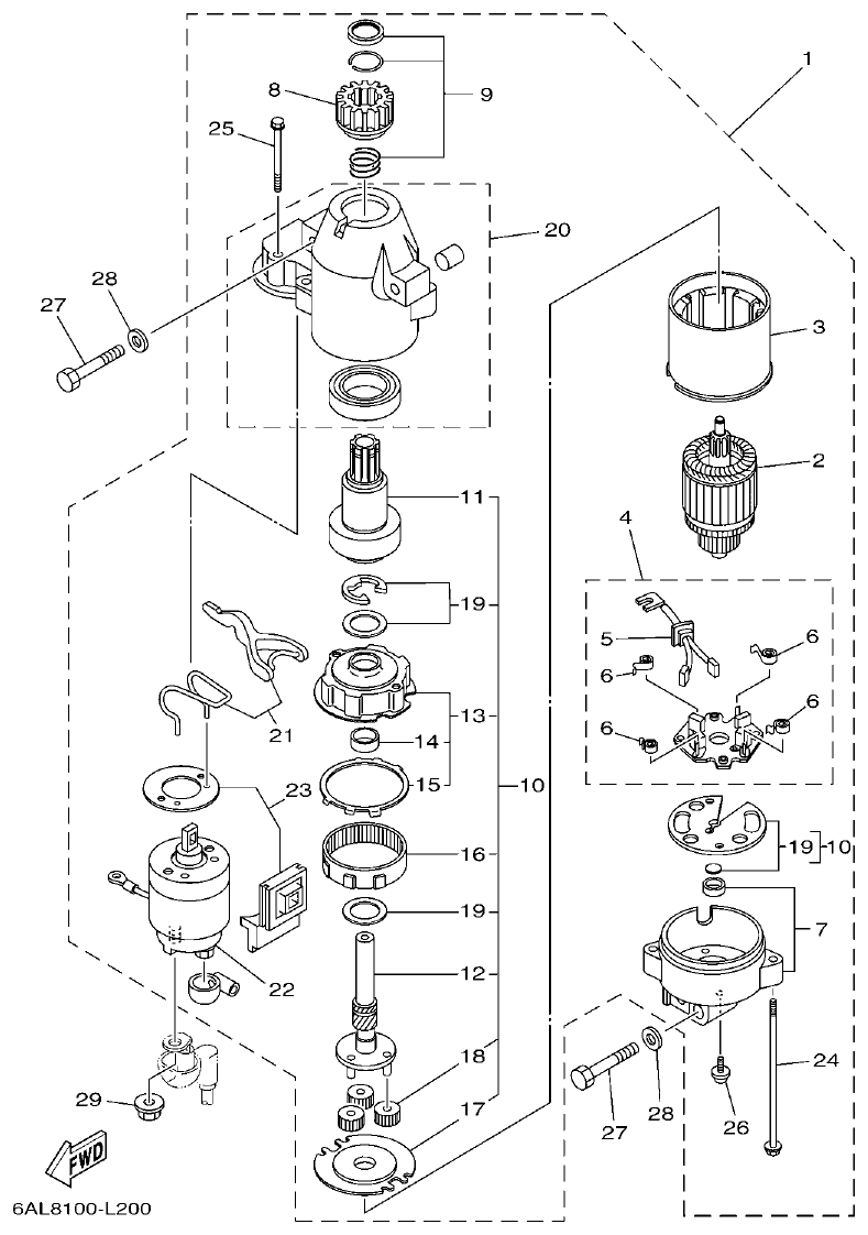
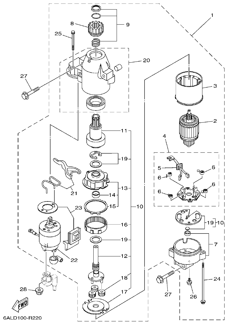
Yamaha F200CET, F225BET, FL200CET, FL225BET STARTING MOTOR parts diagram
Fig. 21 — STARTING MOTOR
29 items · 4 available products
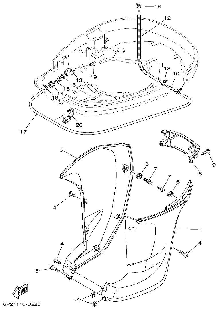
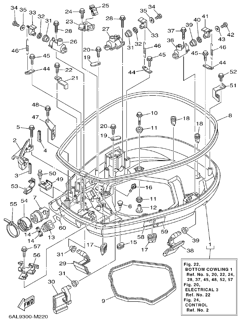
Yamaha F200CET, F225BET, FL200CET, FL225BET BOTTOM COWLING 1 parts diagram
Fig. 22 — BOTTOM COWLING 1
61 items · 4 available products
Yamaha F200CET, F225BET, FL200CET, FL225BET BOTTOM COWLING 2 parts diagram
Fig. 23 — BOTTOM COWLING 2
20 items · 5 available products
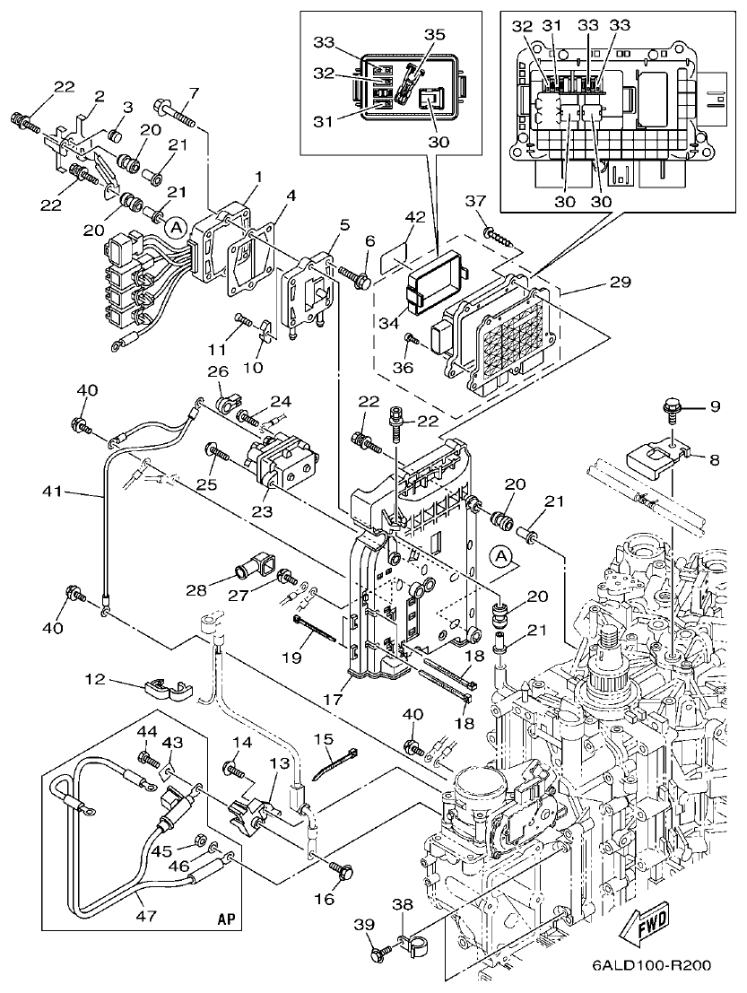
Yamaha F200CET, F225BET, FL200CET, FL225BET CONTROL parts diagram
Fig. 24 — CONTROL
44 items · 8 available products
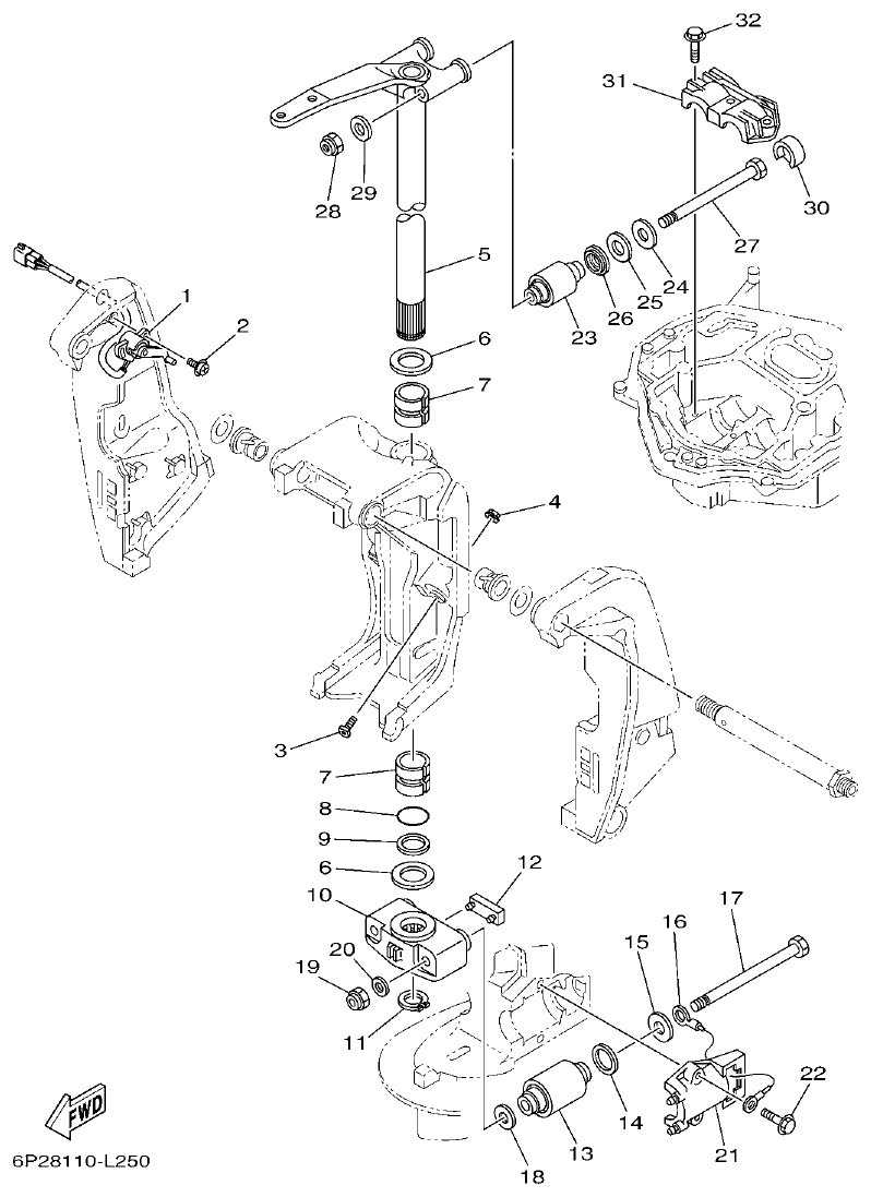
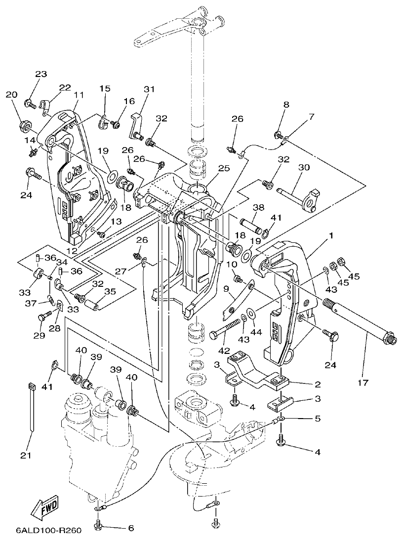
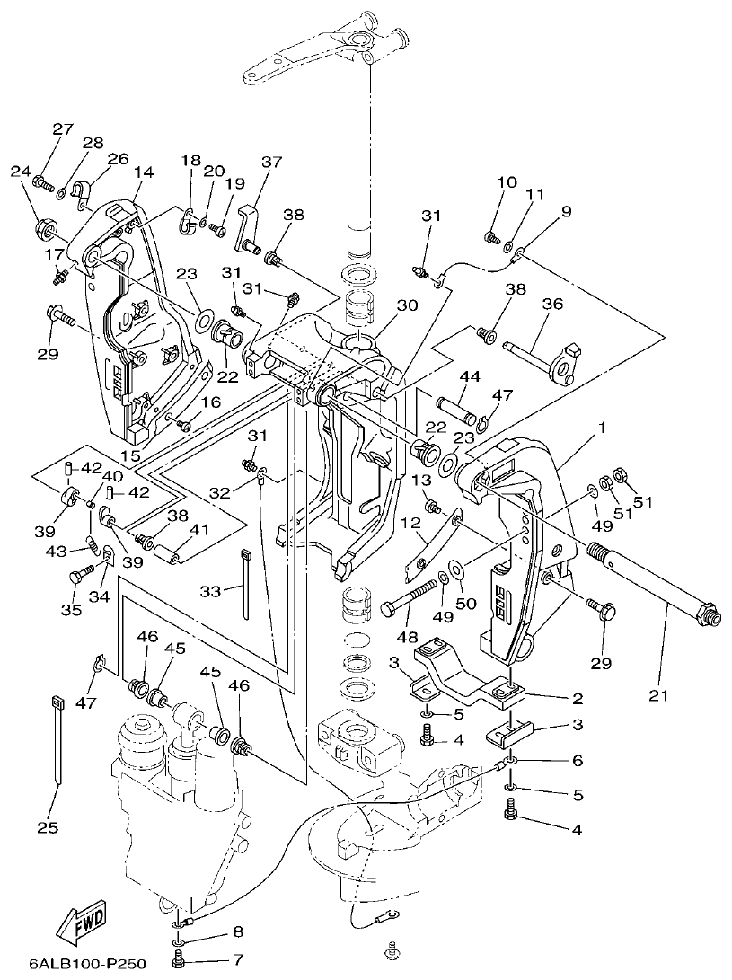
Yamaha F200CET, F225BET, FL200CET, FL225BET BRACKET 1 parts diagram
Fig. 25 — BRACKET 1
53 items · 9 available products
Yamaha F200CET, F225BET, FL200CET, FL225BET BRACKET 2 parts diagram
Fig. 26 — BRACKET 2
32 items · 7 available products
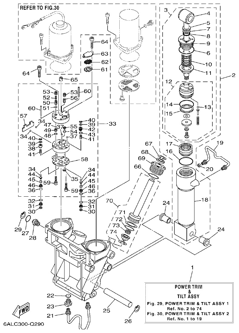
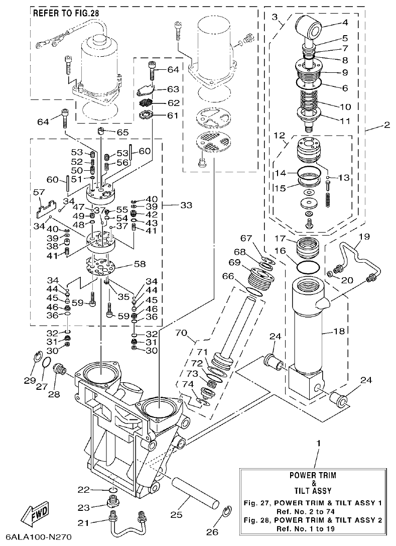
Yamaha F200CET, F225BET, FL200CET, FL225BET POWER TRIM & TILT ASSY 1 parts diagram
Fig. 27 — POWER TRIM & TILT ASSY 1
74 items · 28 available products
Yamaha F200CET, F225BET, FL200CET, FL225BET POWER TRIM & TILT ASSY 2 parts diagram
Fig. 28 — POWER TRIM & TILT ASSY 2
19 items · 11 available products
Yamaha F200CET, F225BET, FL200CET, FL225BET UPPER CASING parts diagram
Fig. 29 — UPPER CASING
57 items · 14 available products
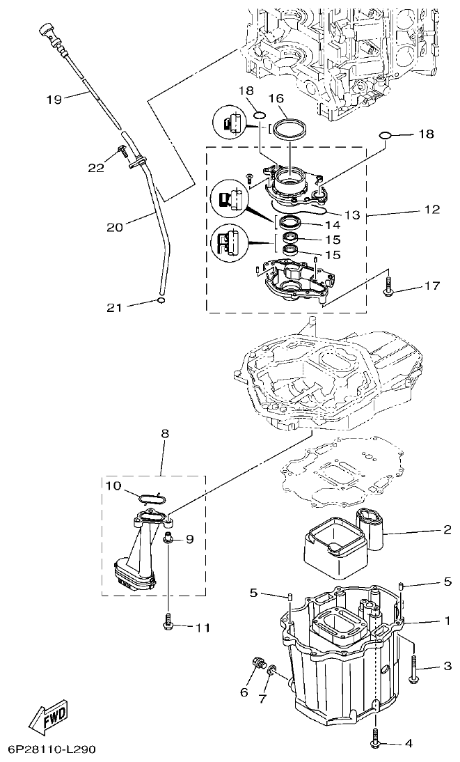
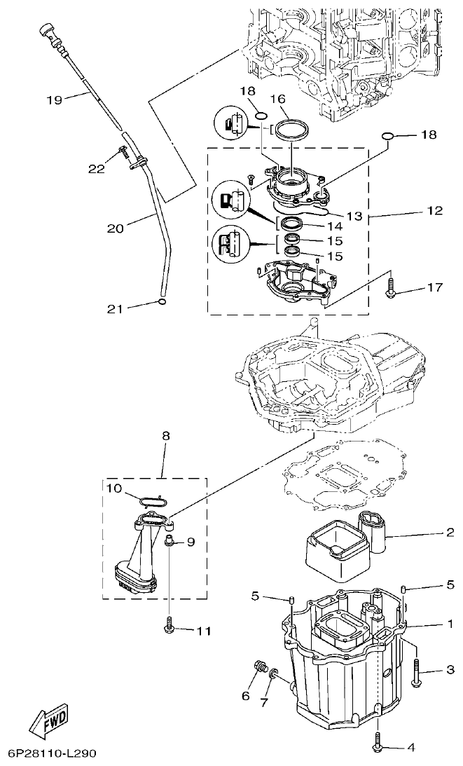
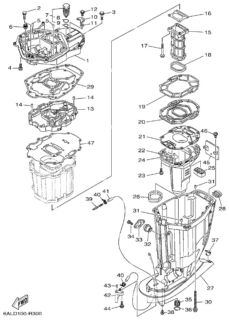
Yamaha F200CET, F225BET, FL200CET, FL225BET OIL PAN parts diagram
Fig. 30 — OIL PAN
22 items · 9 available products
Yamaha F200CET, F225BET, FL200CET, FL225BET LOWER CASING & DRIVE 1 parts diagram
Fig. 31 — LOWER CASING & DRIVE 1
93 items · 47 available products
Yamaha F200CET, F225BET, FL200CET, FL225BET LOWER CASING & DRIVE 2 parts diagram
Fig. 32 — LOWER CASING & DRIVE 2
37 items · 13 available products
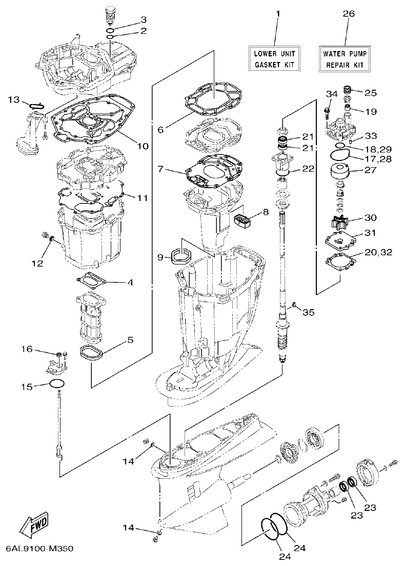
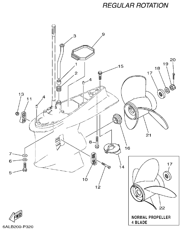
Yamaha F200CET, F225BET, FL200CET, FL225BET LOWER CASING & DRIVE 3 parts diagram
Fig. 33 — LOWER CASING & DRIVE 3
102 items · 52 available products
Yamaha F200CET, F225BET, FL200CET, FL225BET LOWER CASING & DRIVE 4 parts diagram
Fig. 34 — LOWER CASING & DRIVE 4
35 items · 13 available products
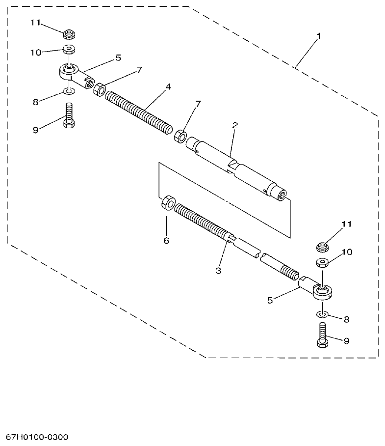
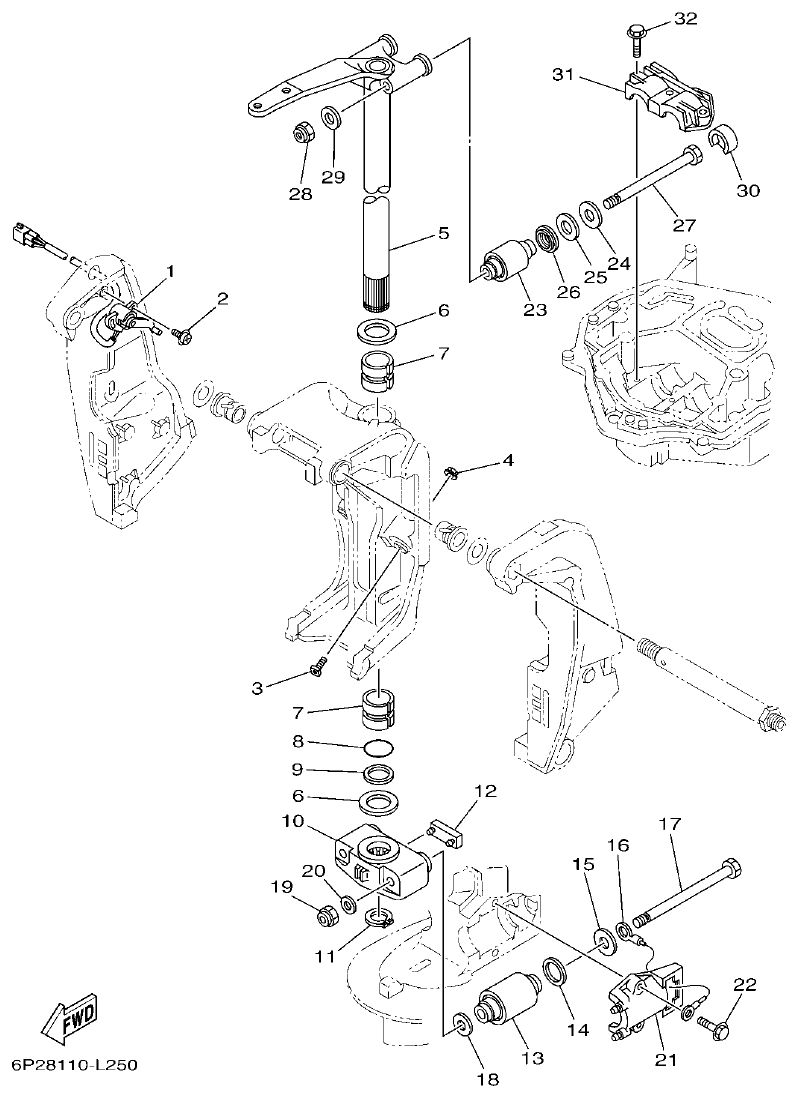
Yamaha F200CET, F225BET, FL200CET, FL225BET STEERING GUIDE ATTACHMENT 1 ADITAMENTO GUIA DE GOBIERNO 1 parts diagram
Fig. 35 — STEERING GUIDE ATTACHMENT 1 ADITAMENTO GUIA DE GOBIERNO 1
9 items · 2 available products
Yamaha F200CET, F225BET, FL200CET, FL225BET STEERING GUIDE ATTACHMENT 2 ADITAMENTO GUIA DE GOBIERNO 2 parts diagram
Fig. 36 — STEERING GUIDE ATTACHMENT 2 ADITAMENTO GUIA DE GOBIERNO 2
11 items · 1 available products
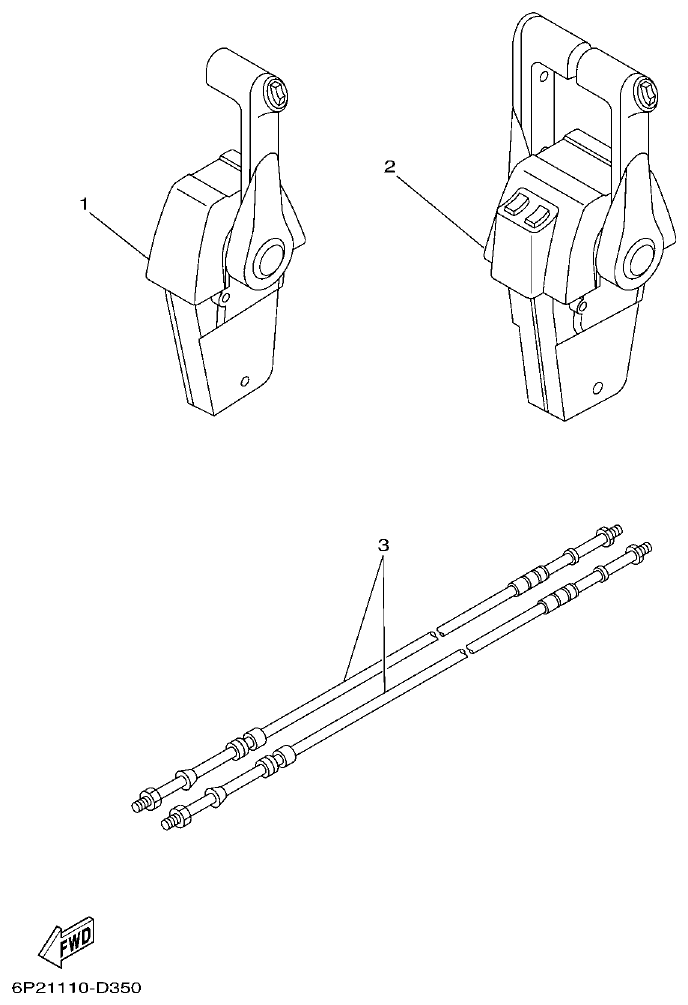
Yamaha F200CET, F225BET, FL200CET, FL225BET REMOTE CONTROL BOX parts diagram
Fig. 37 — REMOTE CONTROL BOX
7 items
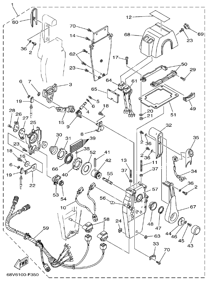
Yamaha F200CET, F225BET, FL200CET, FL225BET REMOTE CONTROL ASSY 1 parts diagram
Fig. 38 — REMOTE CONTROL ASSY 1
62 items · 1 available products
Yamaha F200CET, F225BET, FL200CET, FL225BET REMOTE CONTROL ASSY 2 parts diagram
Fig. 39 — REMOTE CONTROL ASSY 2
70 items · 2 available products
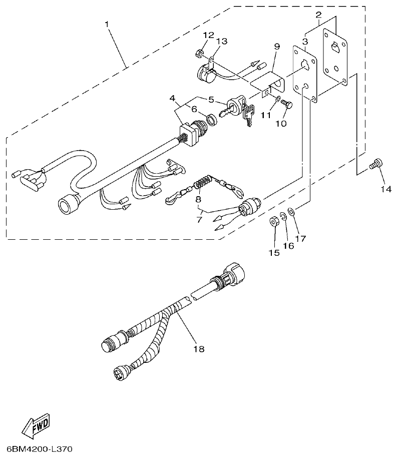
Yamaha F200CET, F225BET, FL200CET, FL225BET SWITCH & PANEL parts diagram
Fig. 40 — SWITCH & PANEL
18 items · 2 available products
Yamaha F200CET, F225BET, FL200CET, FL225BET OPTIONAL PARTS 1 parts diagram
Fig. 41 — OPTIONAL PARTS 1
17 items · 7 available products
Yamaha F200CET, F225BET, FL200CET, FL225BET OPTIONAL PARTS 2 parts diagram
Fig. 42 — OPTIONAL PARTS 2
3 items · 2 available products
Yamaha F200CET, F225BET, FL200CET, FL225BET OPTIONAL PARTS 3 parts diagram
Fig. 43 — OPTIONAL PARTS 3
19 items · 2 available products
Yamaha F200CET, F225BET, FL200CET, FL225BET OPTIONAL PARTS 4 parts diagram
Fig. 44 — OPTIONAL PARTS 4
11 items
Yamaha F200CET, F225BET, FL200CET, FL225BET OPTIONAL PARTS 5 parts diagram
Fig. 45 — OPTIONAL PARTS 5
4 items
Yamaha F200CET, F225BET, FL200CET, FL225BET OPTIONAL PARTS 6 parts diagram
Fig. 46 — OPTIONAL PARTS 6
6 items · 1 available products
Yamaha F200CET, F225BET, FL200CET, FL225BET REPAIR KIT 1 parts diagram
Fig. 47 — REPAIR KIT 1
24 items · 11 available products
Yamaha F200CET, F225BET, FL200CET, FL225BET REPAIR KIT 2 parts diagram
Fig. 48 — REPAIR KIT 2
35 items · 10 available products
Yamaha F200CET, F225BET, FL200CET, FL225BET SCHEDULED SERVICE PARTS parts diagram
Fig. 1 — SCHEDULED SERVICE PARTS
20 items · 15 available products
Yamaha F200CET, F225BET, FL200CET, FL225BET TOP COWLING parts diagram
Fig. 2 — TOP COWLING
25 items · 2 available products
Yamaha F200CET, F225BET, FL200CET, FL225BET CYLINDER & CRANKCASE 1 parts diagram
Fig. 3 — CYLINDER & CRANKCASE 1
62 items · 12 available products
Yamaha F200CET, F225BET, FL200CET, FL225BET CRANKSHAFT & PISTON parts diagram
Fig. 4 — CRANKSHAFT & PISTON
22 items · 17 available products
Yamaha F200CET, F225BET, FL200CET, FL225BET CYLINDER & CRANKCASE 2 parts diagram
Fig. 5 — CYLINDER & CRANKCASE 2
47 items · 7 available products
Yamaha F200CET, F225BET, FL200CET, FL225BET CYLINDER & CRANKCASE 3 parts diagram
Fig. 6 — CYLINDER & CRANKCASE 3
21 items · 9 available products
Yamaha F200CET, F225BET, FL200CET, FL225BET VALVE parts diagram
Fig. 7 — VALVE
63 items · 36 available products
Yamaha F200CET, F225BET, FL200CET, FL225BET INTAKE 1 parts diagram
Fig. 8 — INTAKE 1
32 items · 6 available products
Yamaha F200CET, F225BET, FL200CET, FL225BET INTAKE 2 parts diagram
Fig. 9 — INTAKE 2
37 items · 3 available products
Yamaha F200CET, F225BET, FL200CET, FL225BET THROTTLE BODY ASSY 1 parts diagram
Fig. 10 — THROTTLE BODY ASSY 1
25 items · 4 available products
Yamaha F200CET, F225BET, FL200CET, FL225BET THROTTLE BODY ASSY 2 parts diagram
Fig. 11 — THROTTLE BODY ASSY 2
22 items · 3 available products
Yamaha F200CET, F225BET, FL200CET, FL225BET THROTTLE BODY ASSY 3 parts diagram
Fig. 12 — THROTTLE BODY ASSY 3
11 items · 3 available products
Yamaha F200CET, F225BET, FL200CET, FL225BET FUEL INJECTION PUMP 1 parts diagram
Fig. 13 — FUEL INJECTION PUMP 1
39 items · 14 available products
Yamaha F200CET, F225BET, FL200CET, FL225BET FUEL INJECTION PUMP 2 parts diagram
Fig. 14 — FUEL INJECTION PUMP 2
17 items
Yamaha F200CET, F225BET, FL200CET, FL225BET FUEL 1 parts diagram
Fig. 15 — FUEL 1
41 items · 2 available products
Yamaha F200CET, F225BET, FL200CET, FL225BET FUEL 2 parts diagram
Fig. 16 — FUEL 2
2 items · 1 available products
Yamaha F200CET, F225BET, FL200CET, FL225BET GENERATOR parts diagram
Fig. 17 — GENERATOR
24 items · 3 available products
Yamaha F200CET, F225BET, FL200CET, FL225BET ELECTRICAL 1 parts diagram
Fig. 18 — ELECTRICAL 1
11 items · 2 available products
Yamaha F200CET, F225BET, FL200CET, FL225BET ELECTRICAL 2 parts diagram
Fig. 19 — ELECTRICAL 2
23 items · 2 available products
Yamaha F200CET, F225BET, FL200CET, FL225BET ELECTRICAL 3 parts diagram
Fig. 20 — ELECTRICAL 3
47 items · 6 available products
Yamaha F200CET, F225BET, FL200CET, FL225BET ELECTRICAL 4 parts diagram
Fig. 21 — ELECTRICAL 4
21 items · 2 available products
Yamaha F200CET, F225BET, FL200CET, FL225BET ELECTRICAL 5 parts diagram
Fig. 22 — ELECTRICAL 5
6 items
Yamaha F200CET, F225BET, FL200CET, FL225BET STARTING MOTOR parts diagram
Fig. 23 — STARTING MOTOR
28 items · 4 available products
Yamaha F200CET, F225BET, FL200CET, FL225BET BOTTOM COWLING 1 parts diagram
Fig. 24 — BOTTOM COWLING 1
61 items · 4 available products
Yamaha F200CET, F225BET, FL200CET, FL225BET BOTTOM COWLING 2 parts diagram
Fig. 25 — BOTTOM COWLING 2
20 items · 5 available products
Yamaha F200CET, F225BET, FL200CET, FL225BET CONTROL parts diagram
Fig. 26 — CONTROL
42 items · 8 available products
Yamaha F200CET, F225BET, FL200CET, FL225BET BRACKET 1 parts diagram
Fig. 27 — BRACKET 1
46 items · 9 available products
Yamaha F200CET, F225BET, FL200CET, FL225BET BRACKET 2 parts diagram
Fig. 28 — BRACKET 2
32 items · 7 available products
Yamaha F200CET, F225BET, FL200CET, FL225BET POWER TRIM & TILT ASSY 1 parts diagram
Fig. 29 — POWER TRIM & TILT ASSY 1
74 items · 29 available products
Yamaha F200CET, F225BET, FL200CET, FL225BET POWER TRIM & TILT ASSY 2 parts diagram
Fig. 30 — POWER TRIM & TILT ASSY 2
19 items · 11 available products
Yamaha F200CET, F225BET, FL200CET, FL225BET UPPER CASING parts diagram
Fig. 31 — UPPER CASING
49 items · 12 available products
Yamaha F200CET, F225BET, FL200CET, FL225BET OIL PAN parts diagram
Fig. 32 — OIL PAN
22 items · 9 available products
Yamaha F200CET, F225BET, FL200CET, FL225BET LOWER CASING & DRIVE 1 parts diagram
Fig. 33 — LOWER CASING & DRIVE 1
89 items · 47 available products
Yamaha F200CET, F225BET, FL200CET, FL225BET LOWER CASING & DRIVE 2 parts diagram
Fig. 34 — LOWER CASING & DRIVE 2
22 items · 9 available products
Yamaha F200CET, F225BET, FL200CET, FL225BET LOWER CASING & DRIVE 3 parts diagram
Fig. 35 — LOWER CASING & DRIVE 3
100 items · 52 available products
Yamaha F200CET, F225BET, FL200CET, FL225BET LOWER CASING & DRIVE 4 parts diagram
Fig. 36 — LOWER CASING & DRIVE 4
22 items · 8 available products
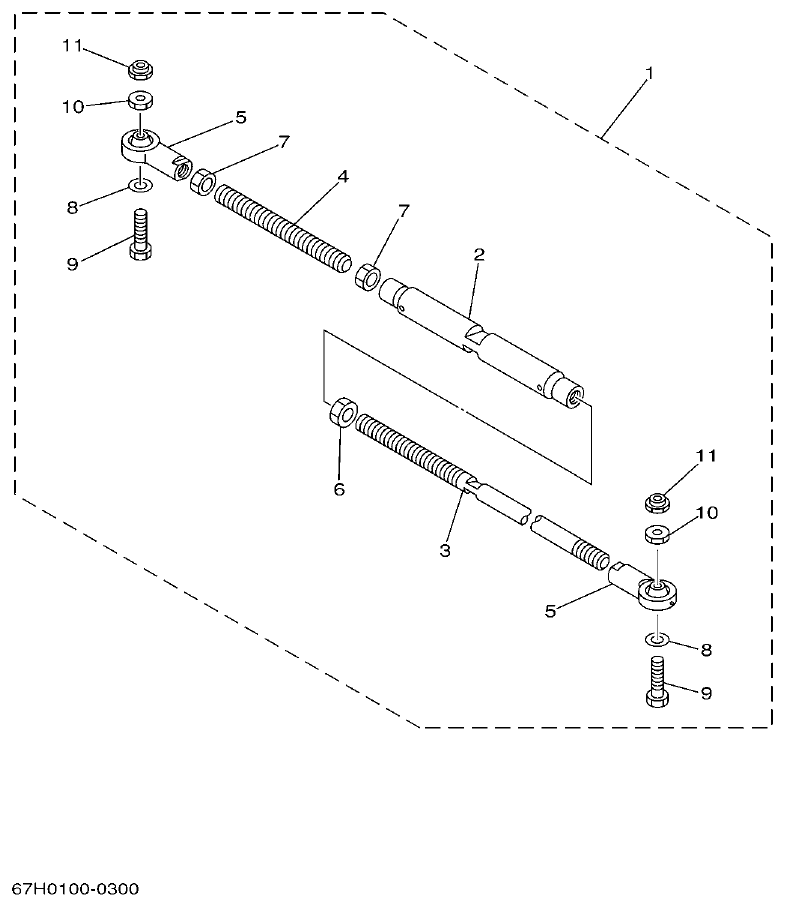
Yamaha F200CET, F225BET, FL200CET, FL225BET STEERING GUIDE ATTACHMENT 1 parts diagram
Fig. 37 — STEERING GUIDE ATTACHMENT 1
9 items · 2 available products
Yamaha F200CET, F225BET, FL200CET, FL225BET STEERING GUIDE ATTACHMENT 2 parts diagram
Fig. 38 — STEERING GUIDE ATTACHMENT 2
11 items · 1 available products
Yamaha F200CET, F225BET, FL200CET, FL225BET REMOTE CONTROL BOX parts diagram
Fig. 39 — REMOTE CONTROL BOX
7 items
Yamaha F200CET, F225BET, FL200CET, FL225BET REMOTE CONTROL ASSY 1 parts diagram
Fig. 40 — REMOTE CONTROL ASSY 1
61 items · 11 available products
Yamaha F200CET, F225BET, FL200CET, FL225BET REMOTE CONTROL ASSY 2 parts diagram
Fig. 41 — REMOTE CONTROL ASSY 2
73 items · 5 available products
Yamaha F200CET, F225BET, FL200CET, FL225BET OPTIONAL PARTS 1 parts diagram
Fig. 42 — OPTIONAL PARTS 1
15 items · 7 available products
Yamaha F200CET, F225BET, FL200CET, FL225BET OPTIONAL PARTS 2 parts diagram
Fig. 43 — OPTIONAL PARTS 2
3 items · 2 available products
Yamaha F200CET, F225BET, FL200CET, FL225BET OPTIONAL PARTS 3 parts diagram
Fig. 44 — OPTIONAL PARTS 3
19 items · 2 available products
Yamaha F200CET, F225BET, FL200CET, FL225BET OPTIONAL PARTS 4 parts diagram
Fig. 45 — OPTIONAL PARTS 4
11 items
Yamaha F200CET, F225BET, FL200CET, FL225BET OPTIONAL PARTS 5 parts diagram
Fig. 46 — OPTIONAL PARTS 5
4 items
Yamaha F200CET, F225BET, FL200CET, FL225BET OPTIONAL PARTS 6 parts diagram
Fig. 47 — OPTIONAL PARTS 6
6 items · 1 available products
Yamaha F200CET, F225BET, FL200CET, FL225BET REPAIR KIT 1 parts diagram
Fig. 48 — REPAIR KIT 1
24 items · 11 available products
Yamaha F200CET, F225BET, FL200CET, FL225BET REPAIR KIT 2 parts diagram
Fig. 49 — REPAIR KIT 2
35 items · 10 available products