Catalogs / Yamaha / Outboard

Yamaha F250HET, FL250HET Parts Catalog

Browse 154 catalog sections for Yamaha F250HET, FL250HET. Open a section to view the parts diagram, reference numbers and available products.

Yamaha F250HET, FL250HET SCHEDULED SERVICE PARTS parts diagram
Fig. 1 — SCHEDULED SERVICE PARTS
20 items · 15 available products
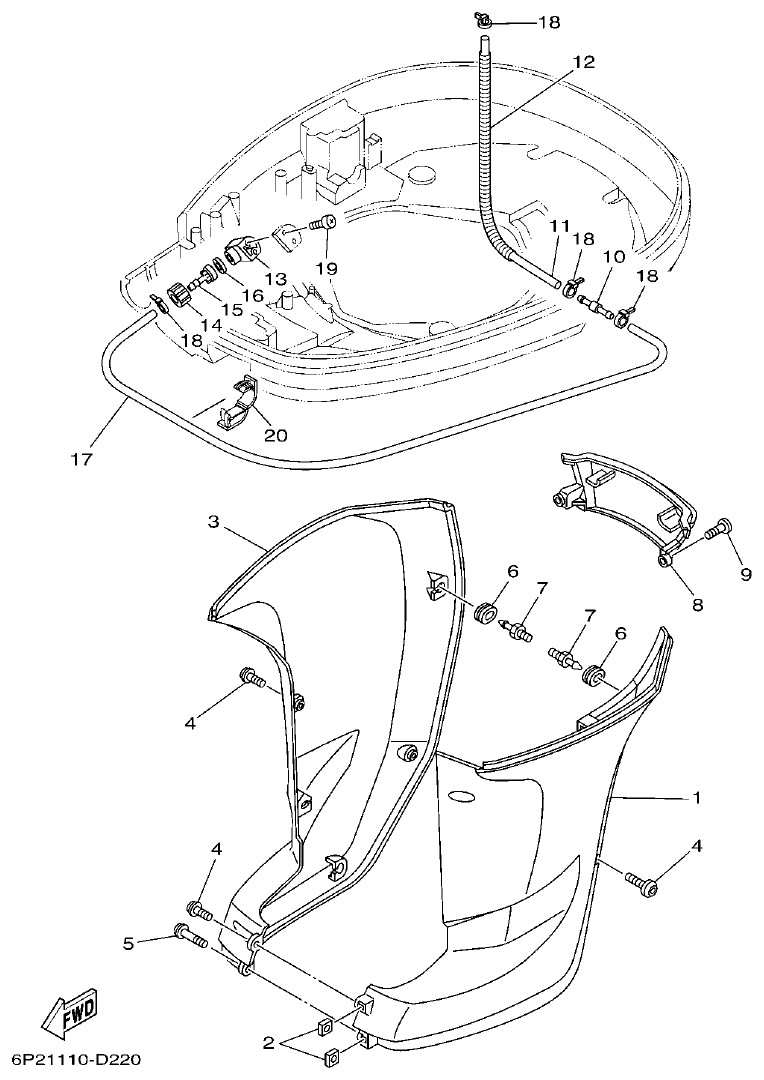
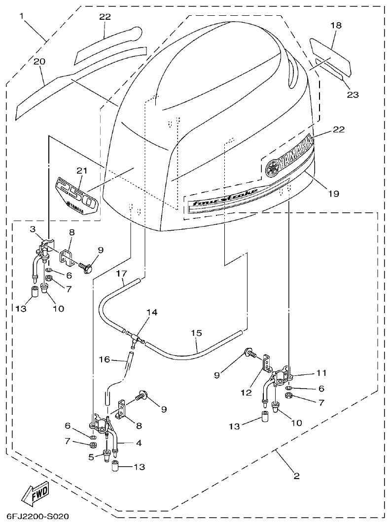
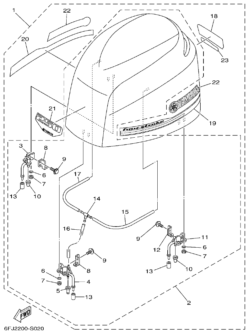
Yamaha F250HET, FL250HET TOP COWLING parts diagram
Fig. 2 — TOP COWLING
23 items · 1 available products
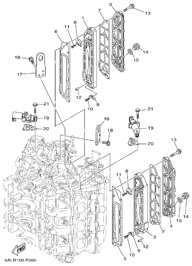
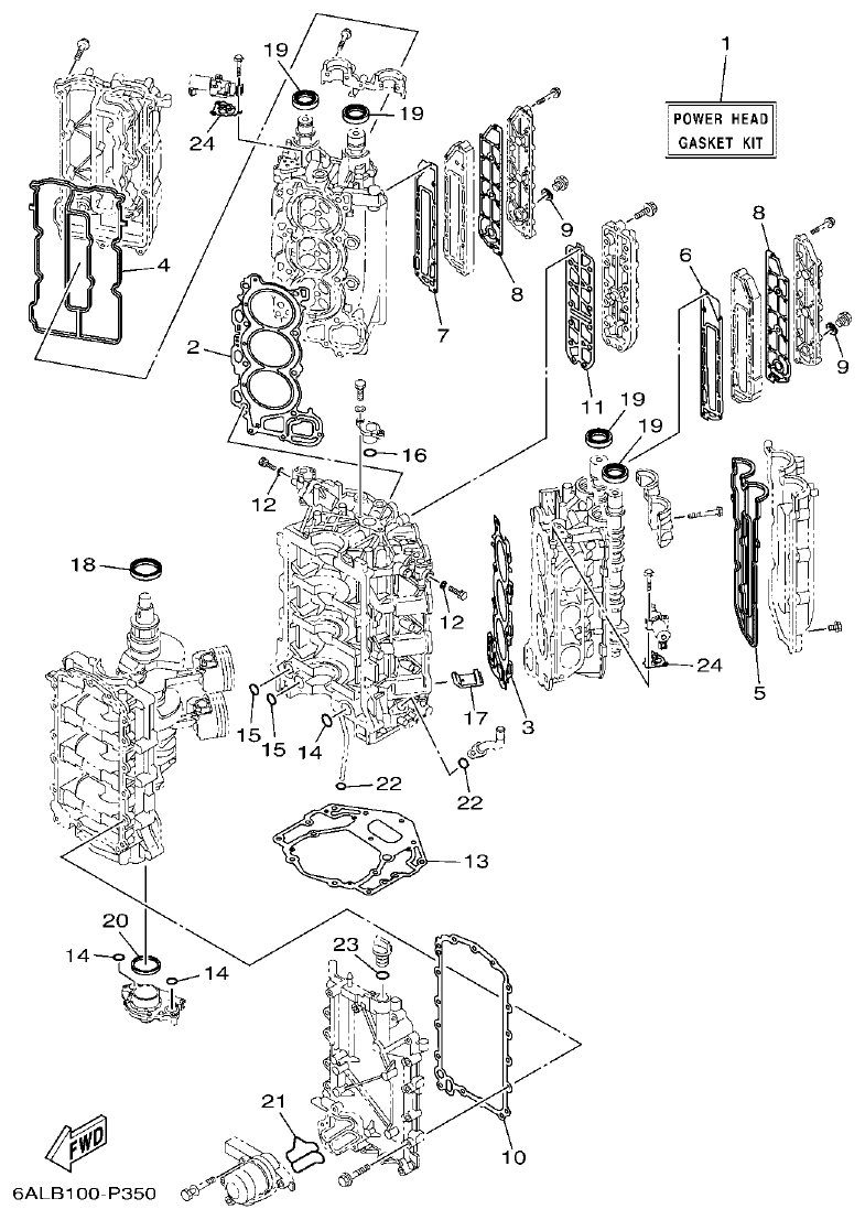
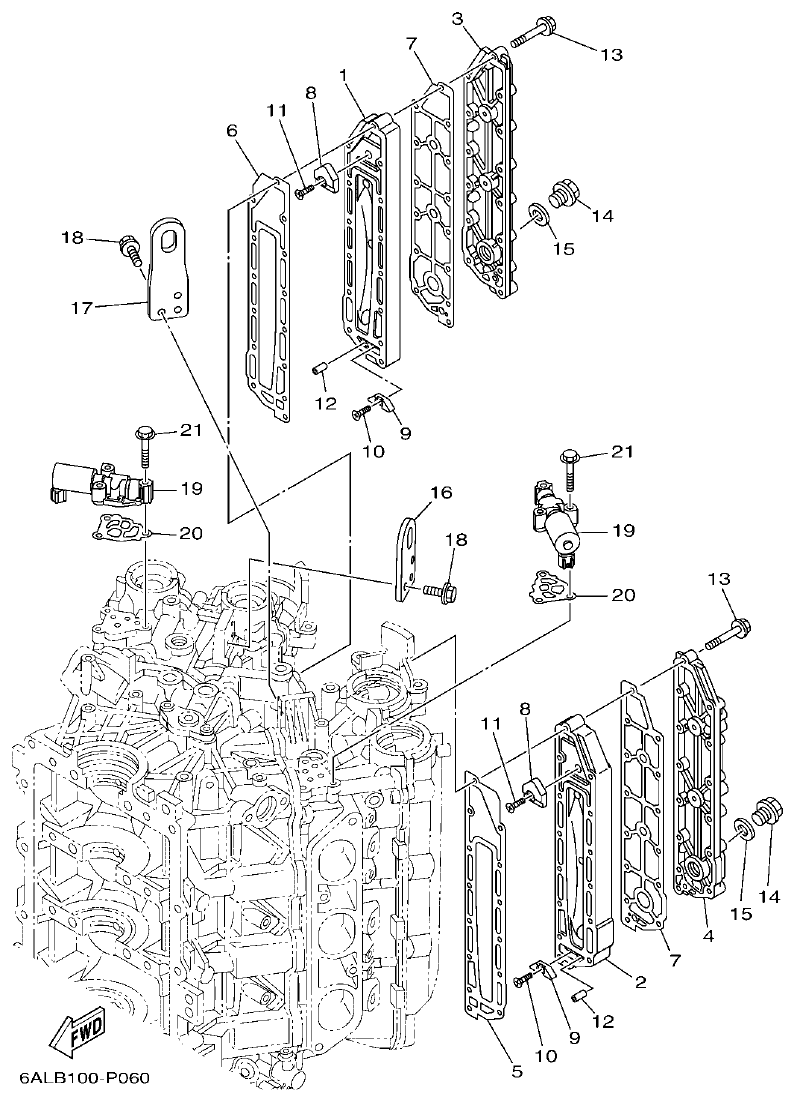
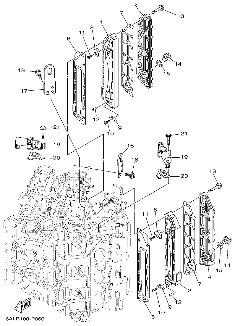
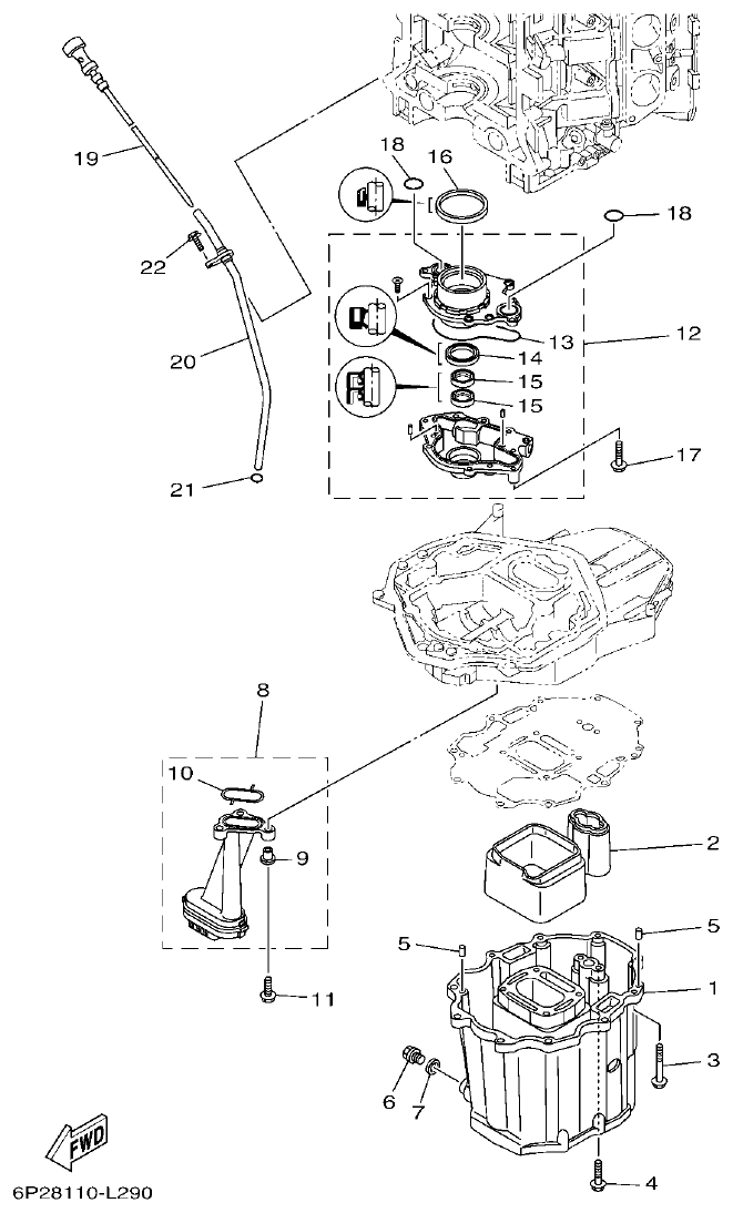
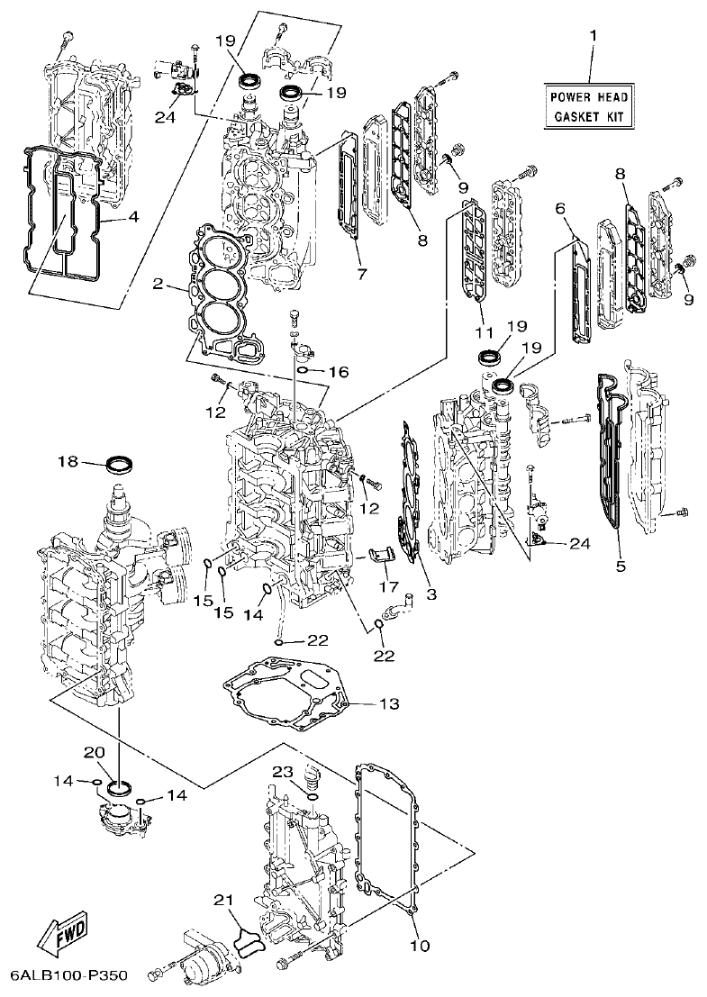
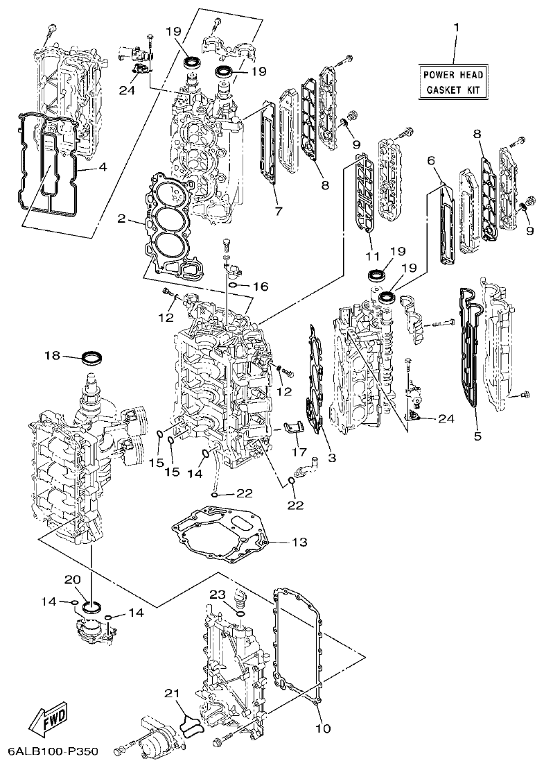
Yamaha F250HET, FL250HET CYLINDER & CRANKCASE 1 parts diagram
Fig. 3 — CYLINDER & CRANKCASE 1
62 items · 14 available products
Yamaha F250HET, FL250HET CRANKSHAFT & PISTON parts diagram
Fig. 4 — CRANKSHAFT & PISTON
26 items · 17 available products
Yamaha F250HET, FL250HET CYLINDER & CRANKCASE 2 parts diagram
Fig. 5 — CYLINDER & CRANKCASE 2
47 items · 9 available products
Yamaha F250HET, FL250HET CYLINDER & CRANKCASE 3 parts diagram
Fig. 6 — CYLINDER & CRANKCASE 3
21 items · 9 available products
Yamaha F250HET, FL250HET VALVE parts diagram
Fig. 7 — VALVE
63 items · 36 available products
Yamaha F250HET, FL250HET INTAKE 1 parts diagram
Fig. 8 — INTAKE 1
32 items · 6 available products
Yamaha F250HET, FL250HET INTAKE 2 parts diagram
Fig. 9 — INTAKE 2
37 items · 3 available products
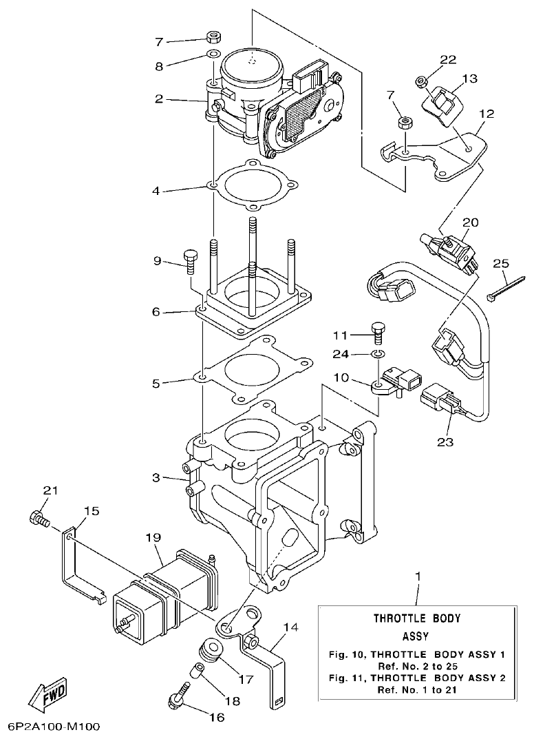
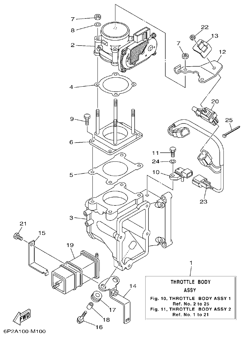
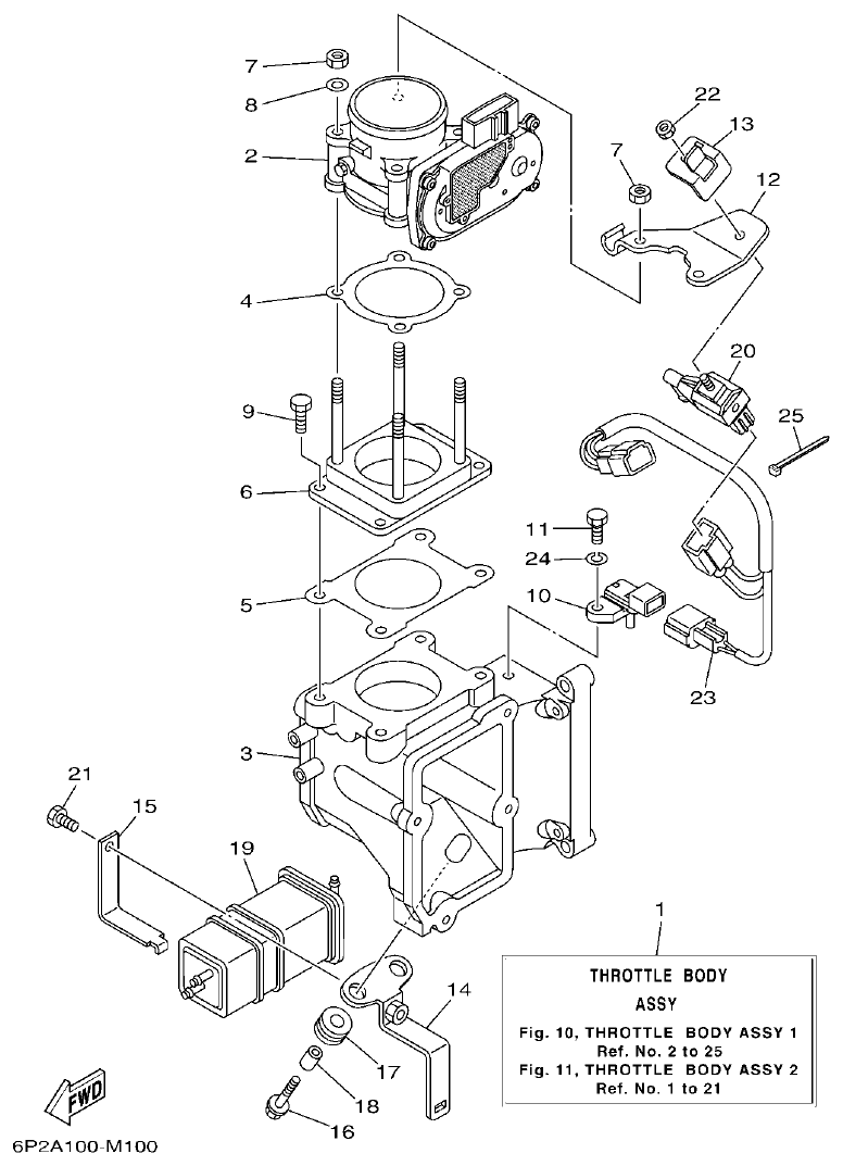
Yamaha F250HET, FL250HET THROTTLE BODY ASSY 1 parts diagram
Fig. 10 — THROTTLE BODY ASSY 1
25 items · 4 available products
Yamaha F250HET, FL250HET THROTTLE BODY ASSY 2 parts diagram
Fig. 11 — THROTTLE BODY ASSY 2
22 items · 3 available products
Yamaha F250HET, FL250HET THROTTLE BODY ASSY 3 parts diagram
Fig. 12 — THROTTLE BODY ASSY 3
11 items · 3 available products
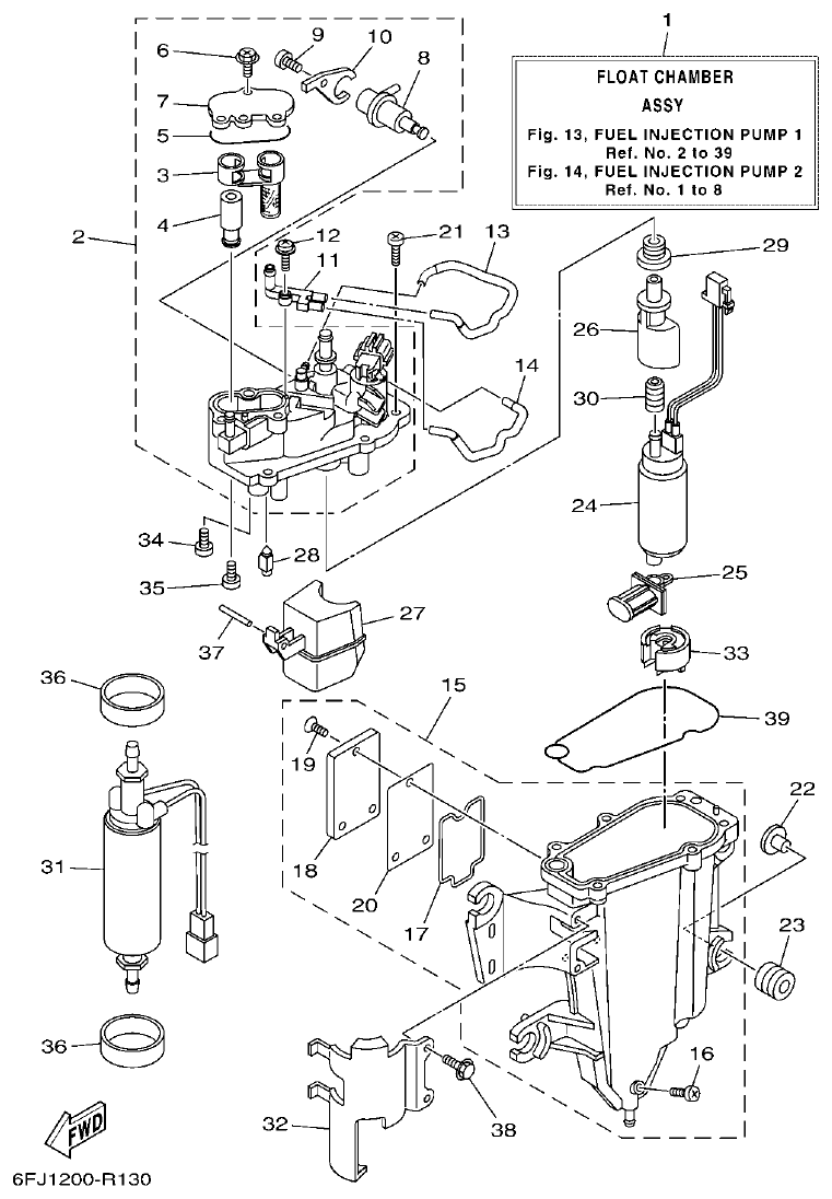
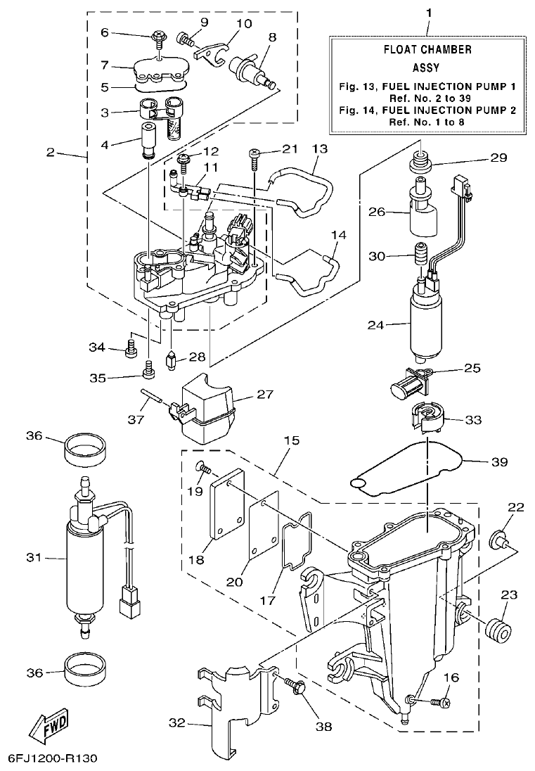
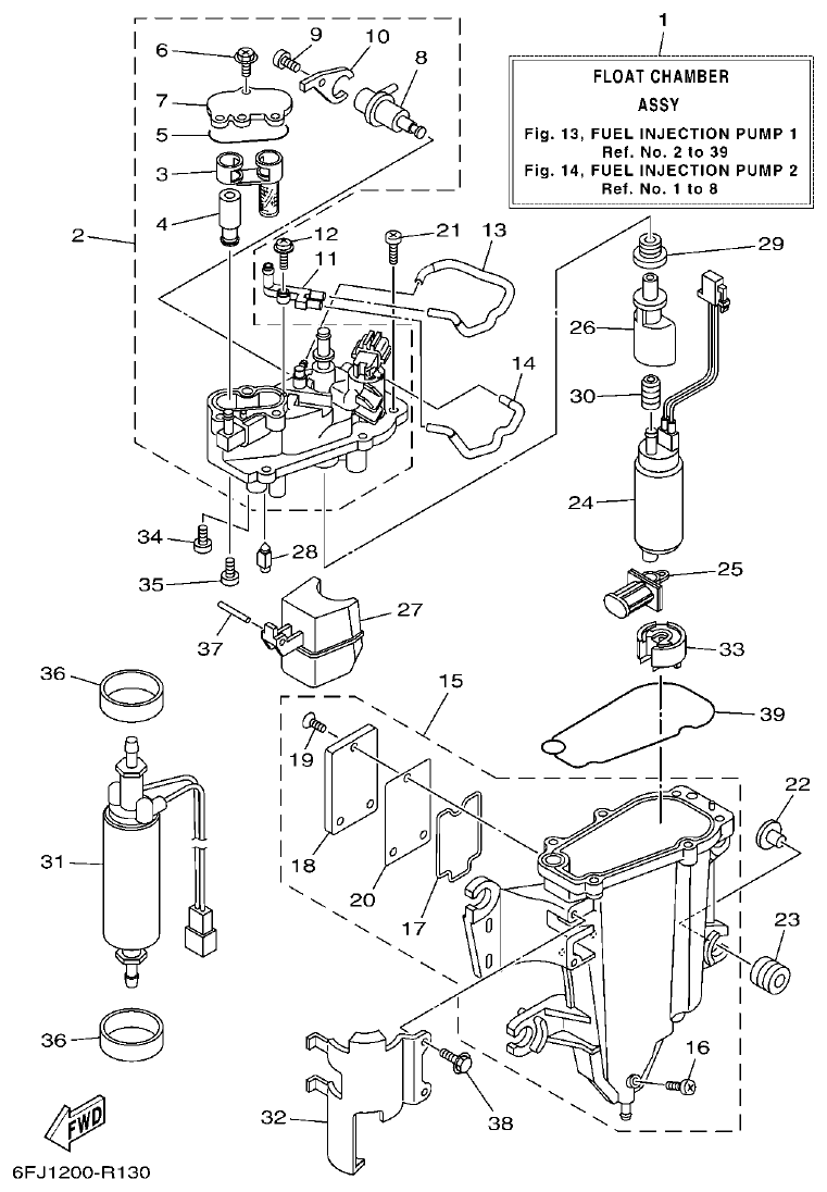
Yamaha F250HET, FL250HET FUEL INJECTION PUMP 1 parts diagram
Fig. 13 — FUEL INJECTION PUMP 1
39 items · 13 available products
Yamaha F250HET, FL250HET FUEL INJECTION PUMP 2 parts diagram
Fig. 14 — FUEL INJECTION PUMP 2
17 items
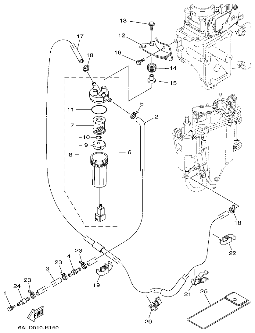
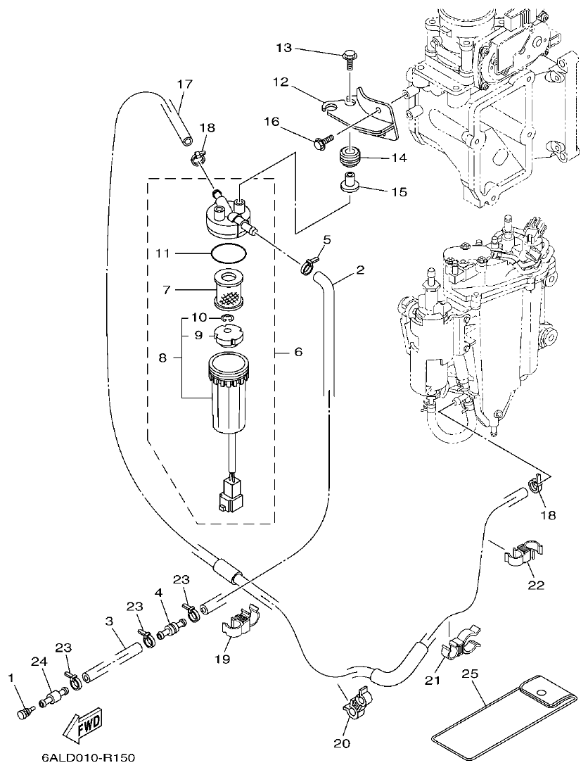
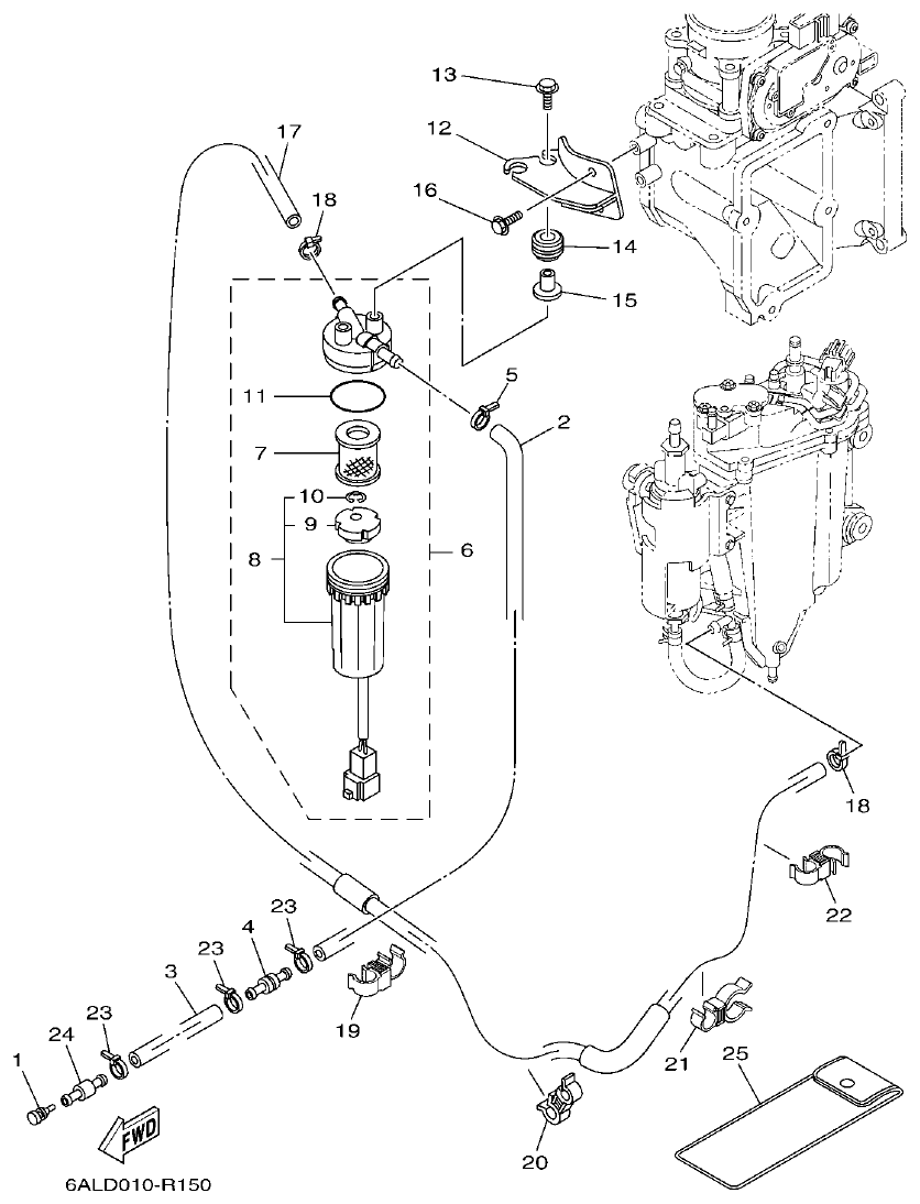
Yamaha F250HET, FL250HET FUEL 1 parts diagram
Fig. 15 — FUEL 1
26 items · 2 available products
Yamaha F250HET, FL250HET FUEL 2 parts diagram
Fig. 16 — FUEL 2
5 items · 2 available products
Yamaha F250HET, FL250HET GENERATOR parts diagram
Fig. 17 — GENERATOR
24 items · 3 available products
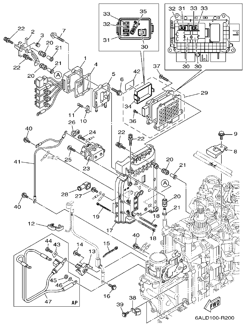
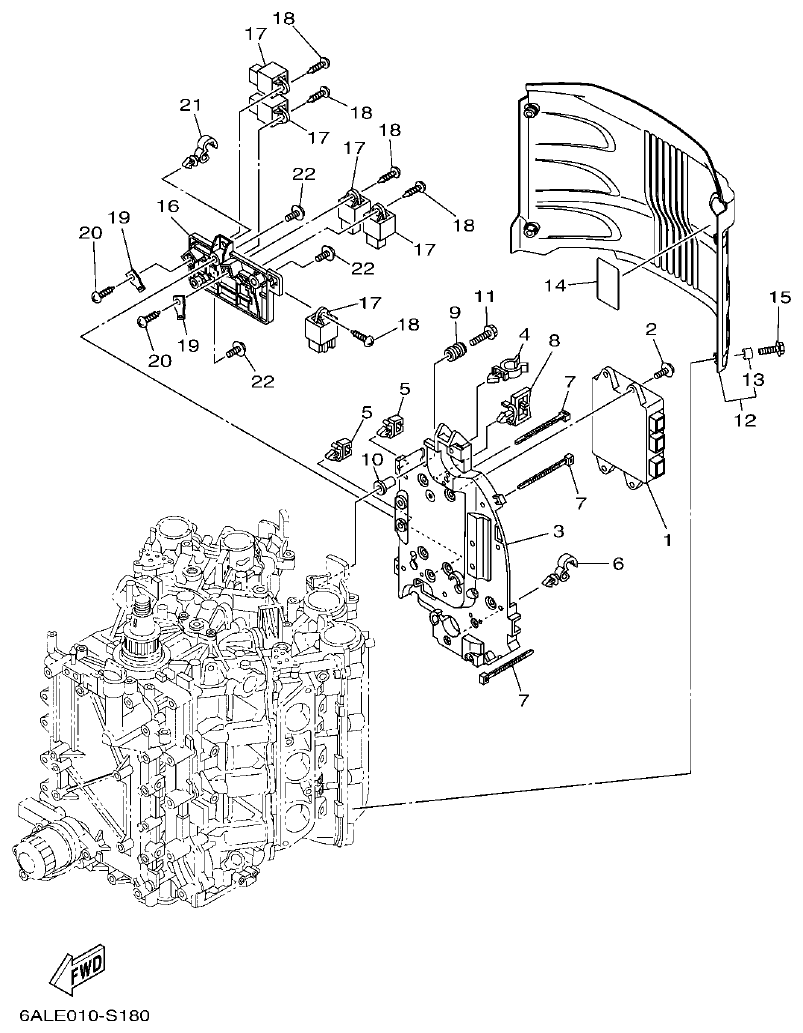
Yamaha F250HET, FL250HET ELECTRICAL 1 parts diagram
Fig. 18 — ELECTRICAL 1
11 items · 2 available products
Yamaha F250HET, FL250HET ELECTRICAL 2 parts diagram
Fig. 19 — ELECTRICAL 2
22 items · 3 available products
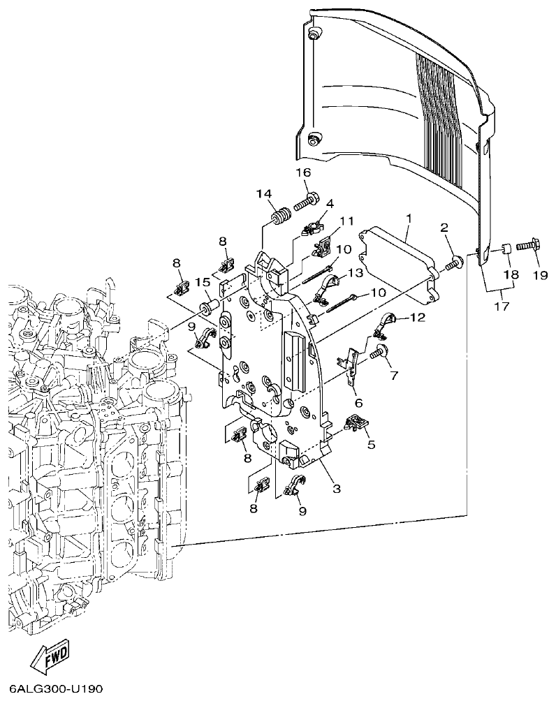
Yamaha F250HET, FL250HET ELECTRICAL 3 parts diagram
Fig. 20 — ELECTRICAL 3
47 items · 6 available products
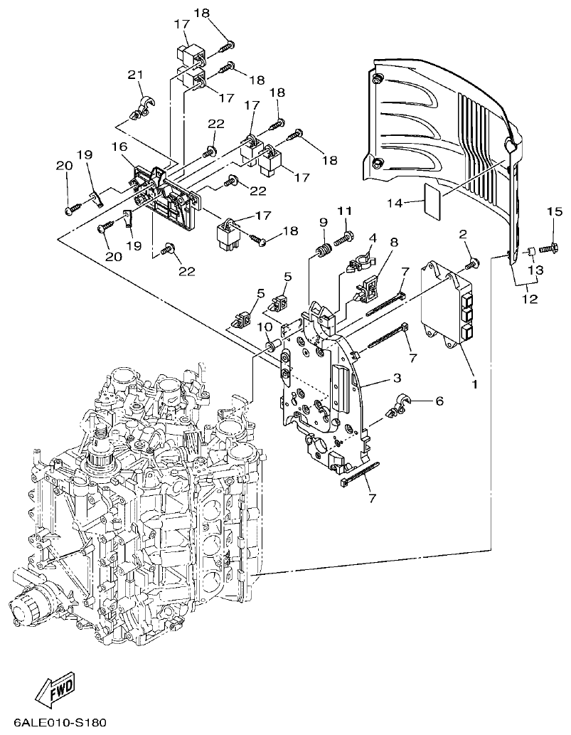
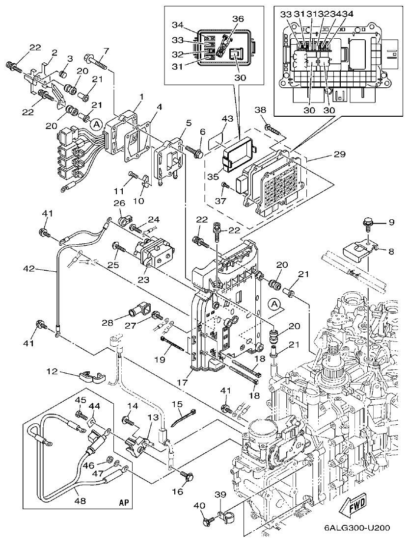
Yamaha F250HET, FL250HET ELECTRICAL 4 parts diagram
Fig. 21 — ELECTRICAL 4
22 items · 3 available products
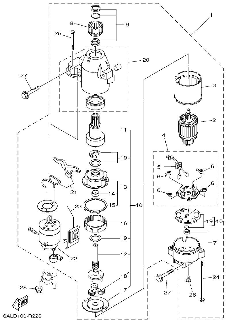
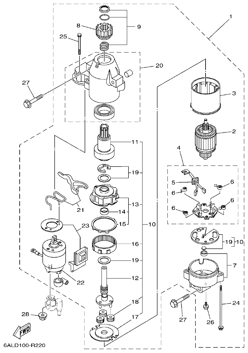
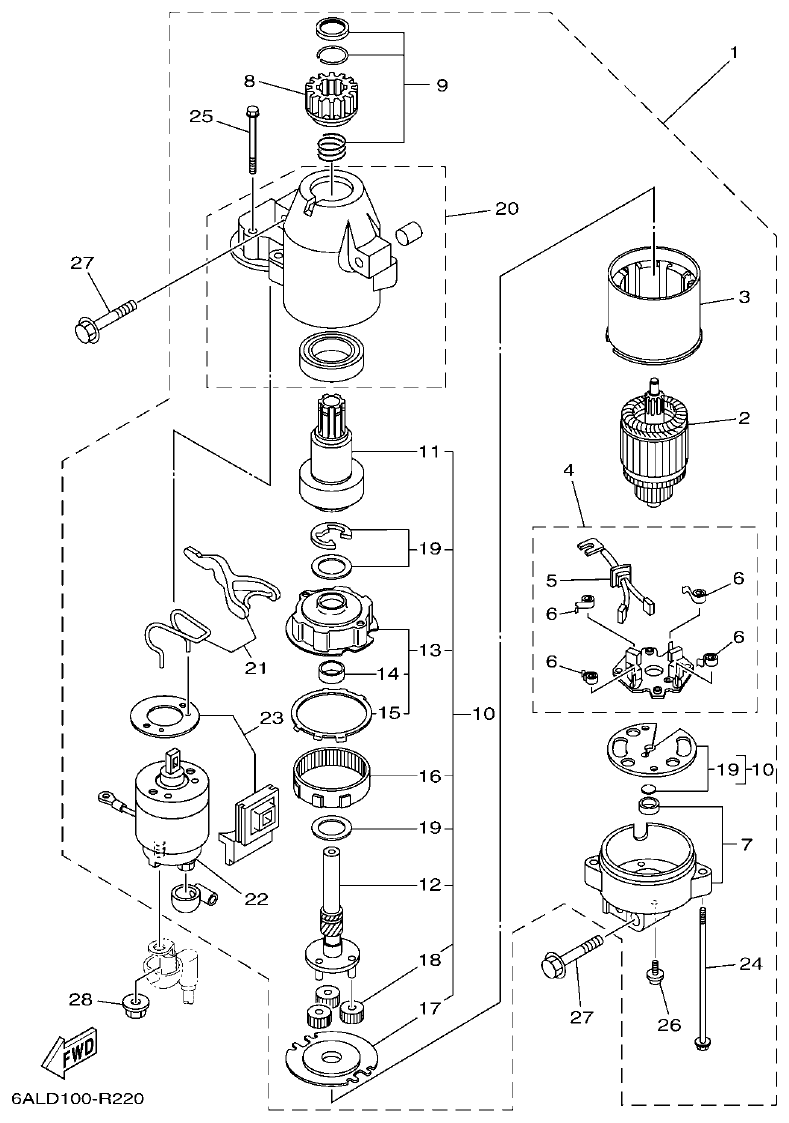
Yamaha F250HET, FL250HET STARTING MOTOR parts diagram
Fig. 22 — STARTING MOTOR
28 items · 7 available products
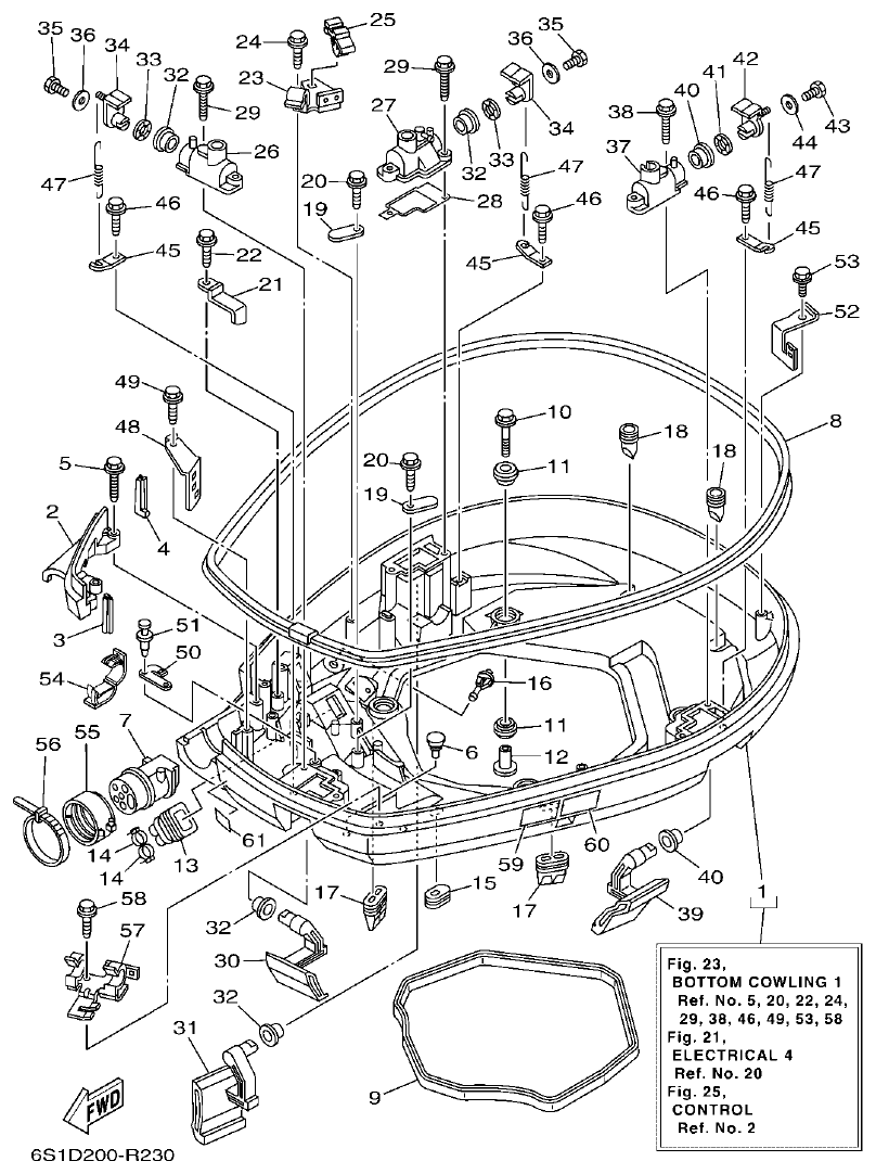
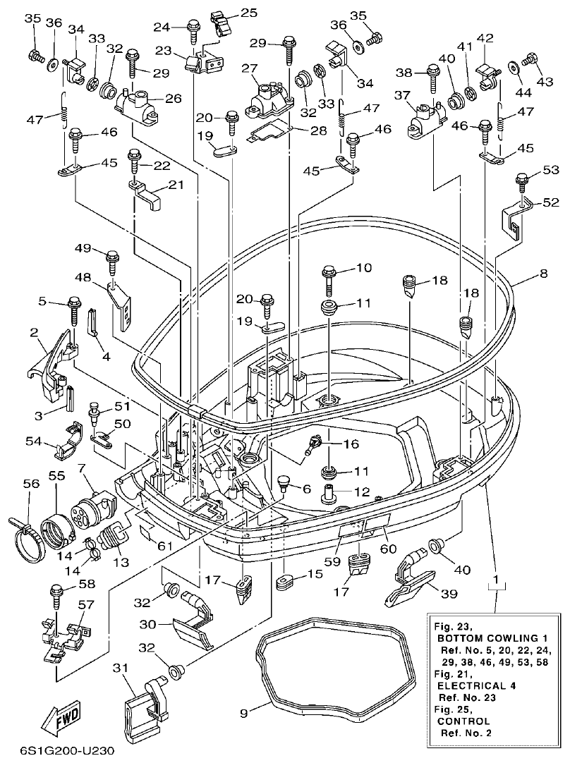
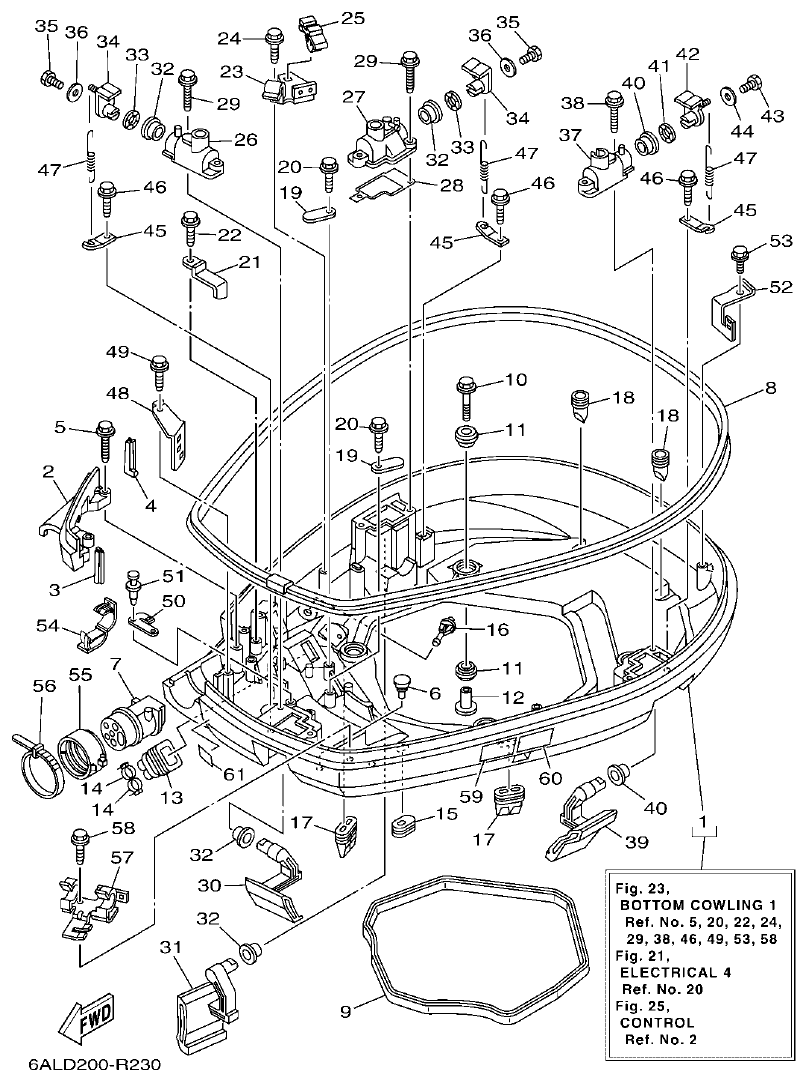
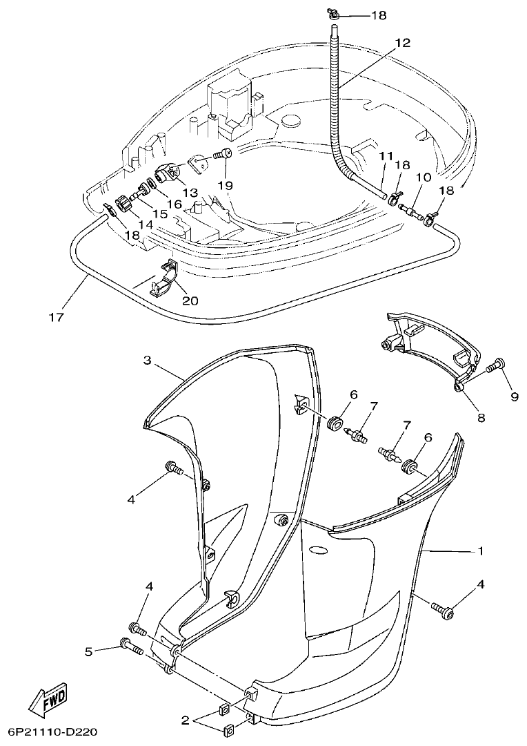
Yamaha F250HET, FL250HET BOTTOM COWLING 1 parts diagram
Fig. 23 — BOTTOM COWLING 1
61 items · 4 available products
Yamaha F250HET, FL250HET BOTTOM COWLING 2 parts diagram
Fig. 24 — BOTTOM COWLING 2
20 items · 5 available products
Yamaha F250HET, FL250HET CONTROL parts diagram
Fig. 25 — CONTROL
43 items · 8 available products
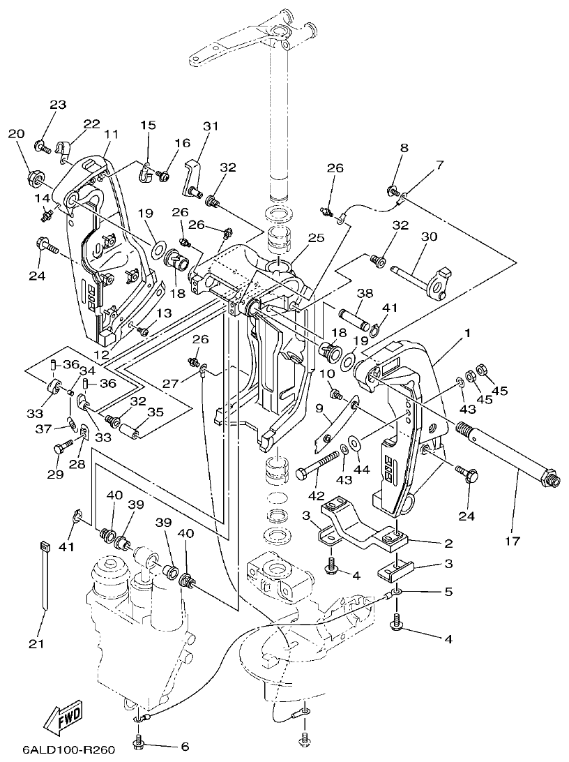
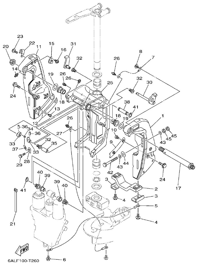
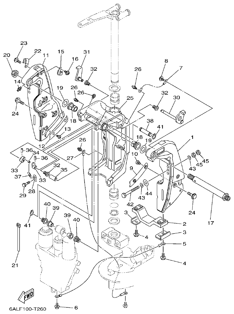
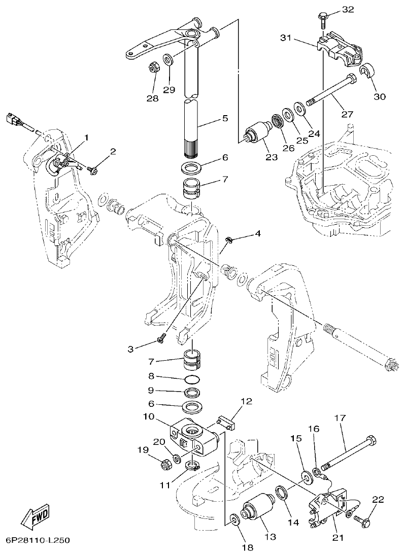
Yamaha F250HET, FL250HET BRACKET 1 parts diagram
Fig. 26 — BRACKET 1
47 items · 10 available products
Yamaha F250HET, FL250HET BRACKET 2 parts diagram
Fig. 27 — BRACKET 2
33 items · 7 available products
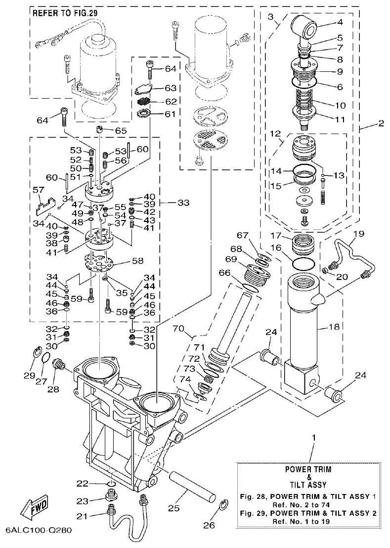
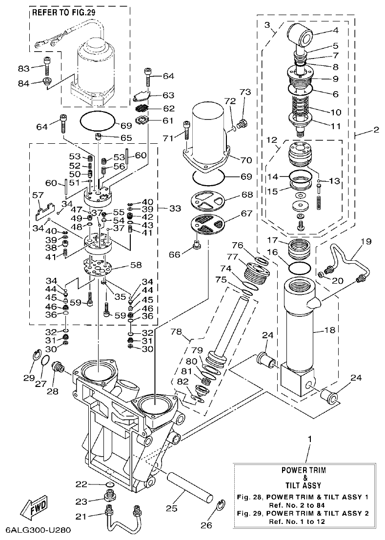
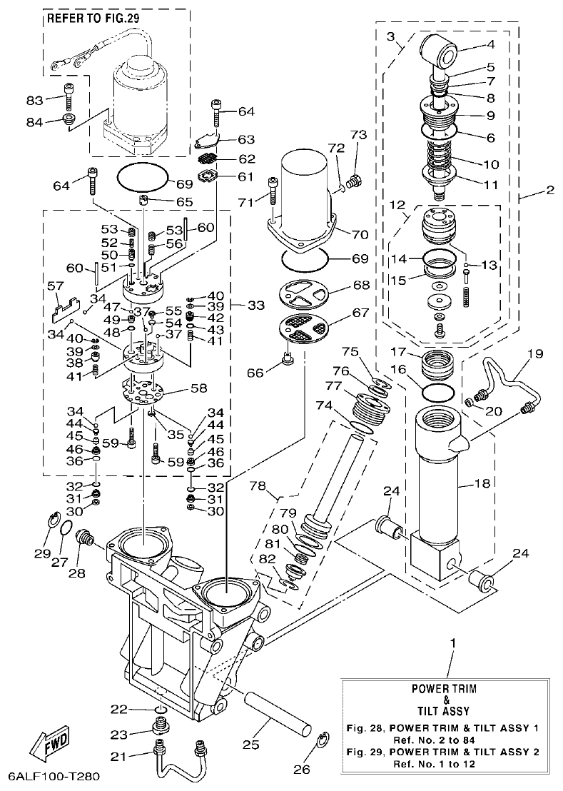
Yamaha F250HET, FL250HET POWER TRIM & TILT ASSY 1 parts diagram
Fig. 28 — POWER TRIM & TILT ASSY 1
84 items · 32 available products
Yamaha F250HET, FL250HET POWER TRIM & TILT ASSY 2 parts diagram
Fig. 29 — POWER TRIM & TILT ASSY 2
12 items · 4 available products
Yamaha F250HET, FL250HET UPPER CASING parts diagram
Fig. 30 — UPPER CASING
56 items · 15 available products
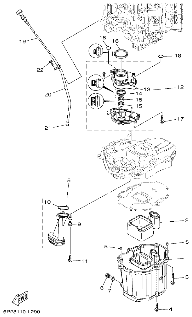
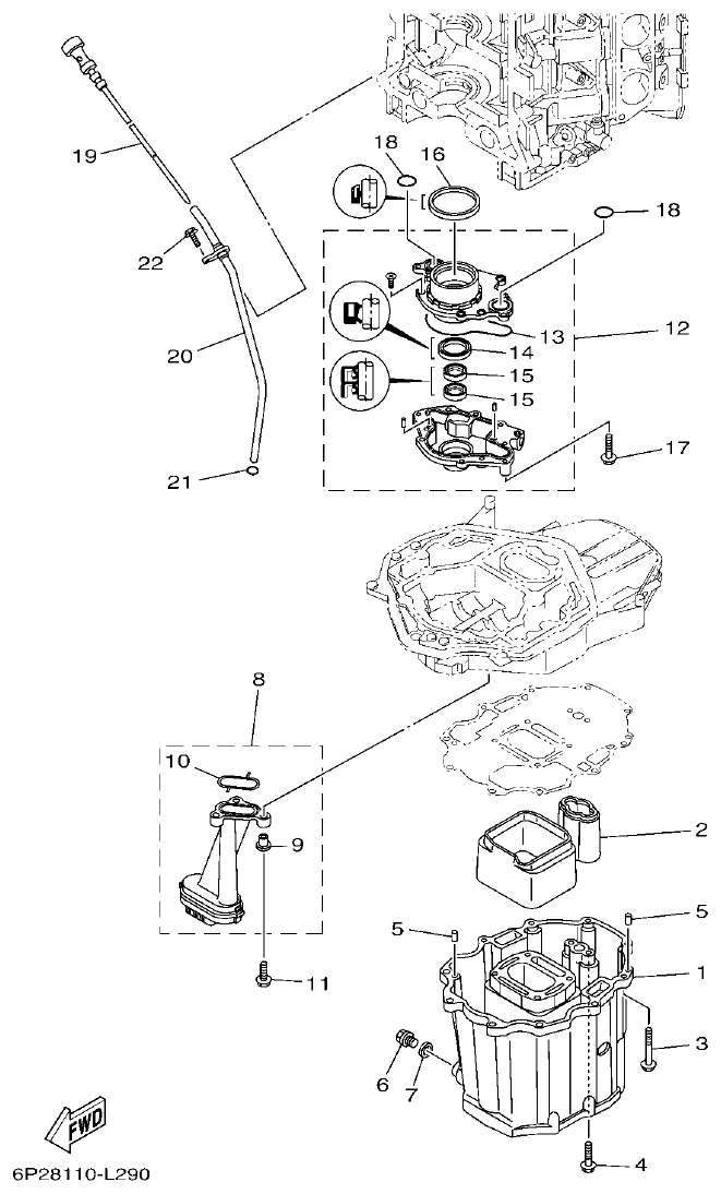
Yamaha F250HET, FL250HET OIL PAN parts diagram
Fig. 31 — OIL PAN
22 items · 9 available products
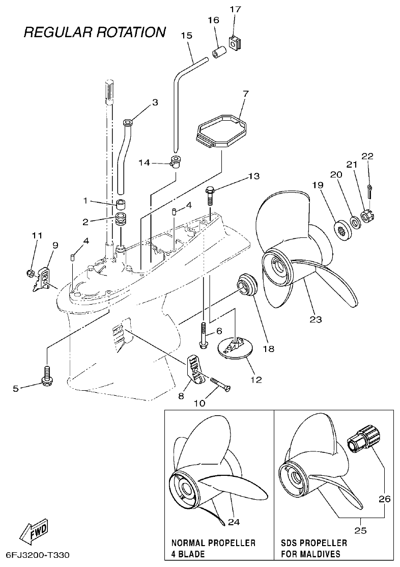
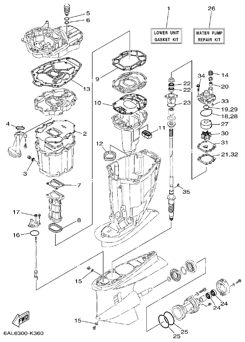
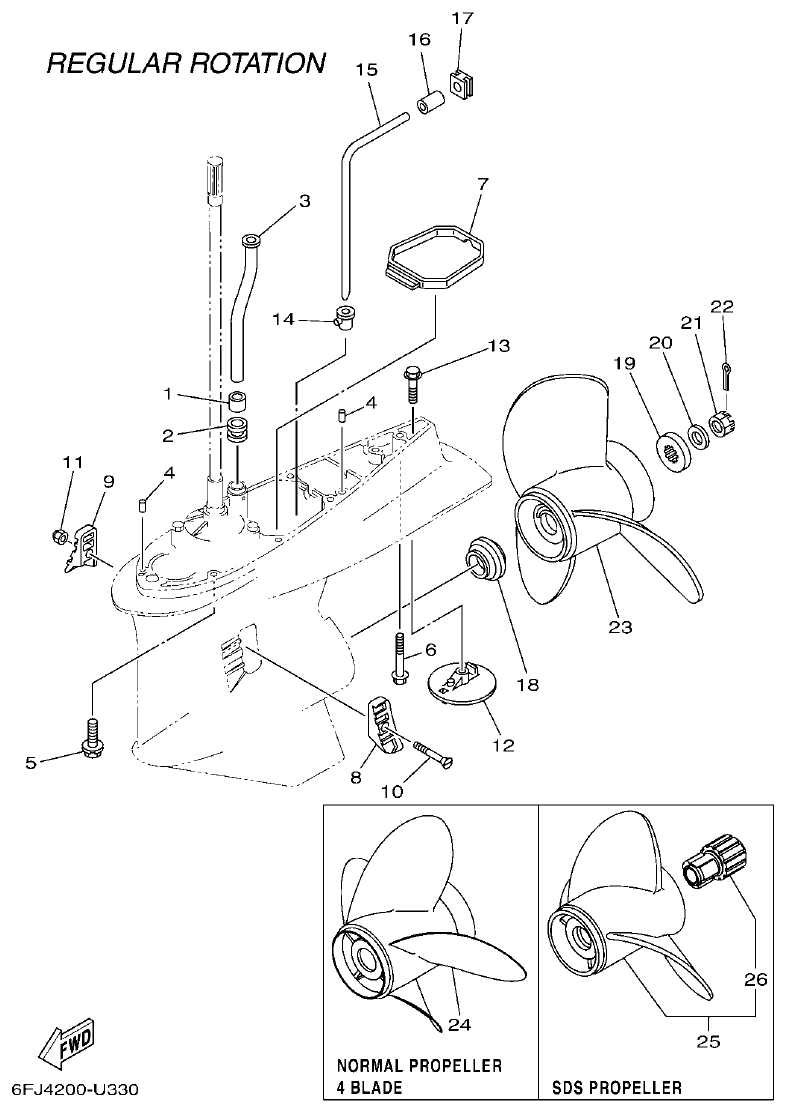
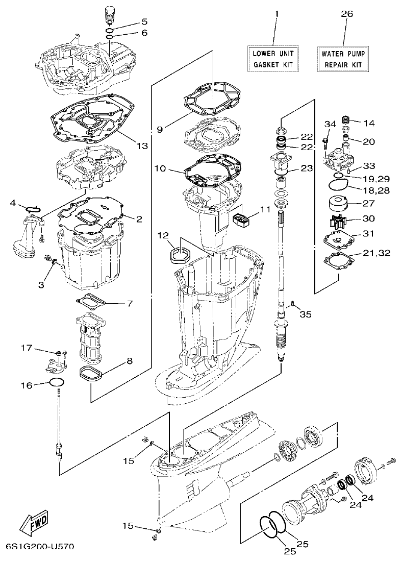
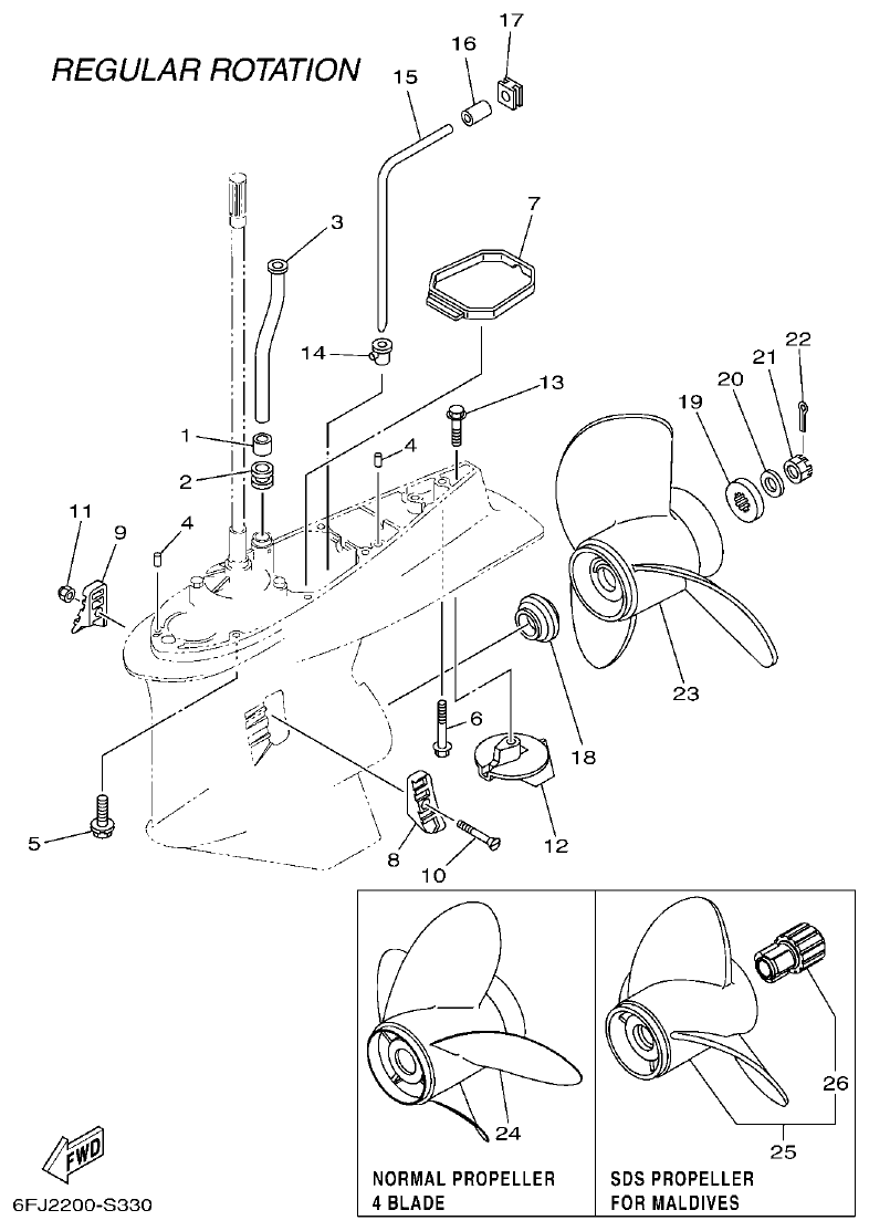
Yamaha F250HET, FL250HET LOWER CASING & DRIVE 1 parts diagram
Fig. 32 — LOWER CASING & DRIVE 1
95 items · 49 available products
Yamaha F250HET, FL250HET LOWER CASING & DRIVE 2 parts diagram
Fig. 33 — LOWER CASING & DRIVE 2
30 items · 12 available products
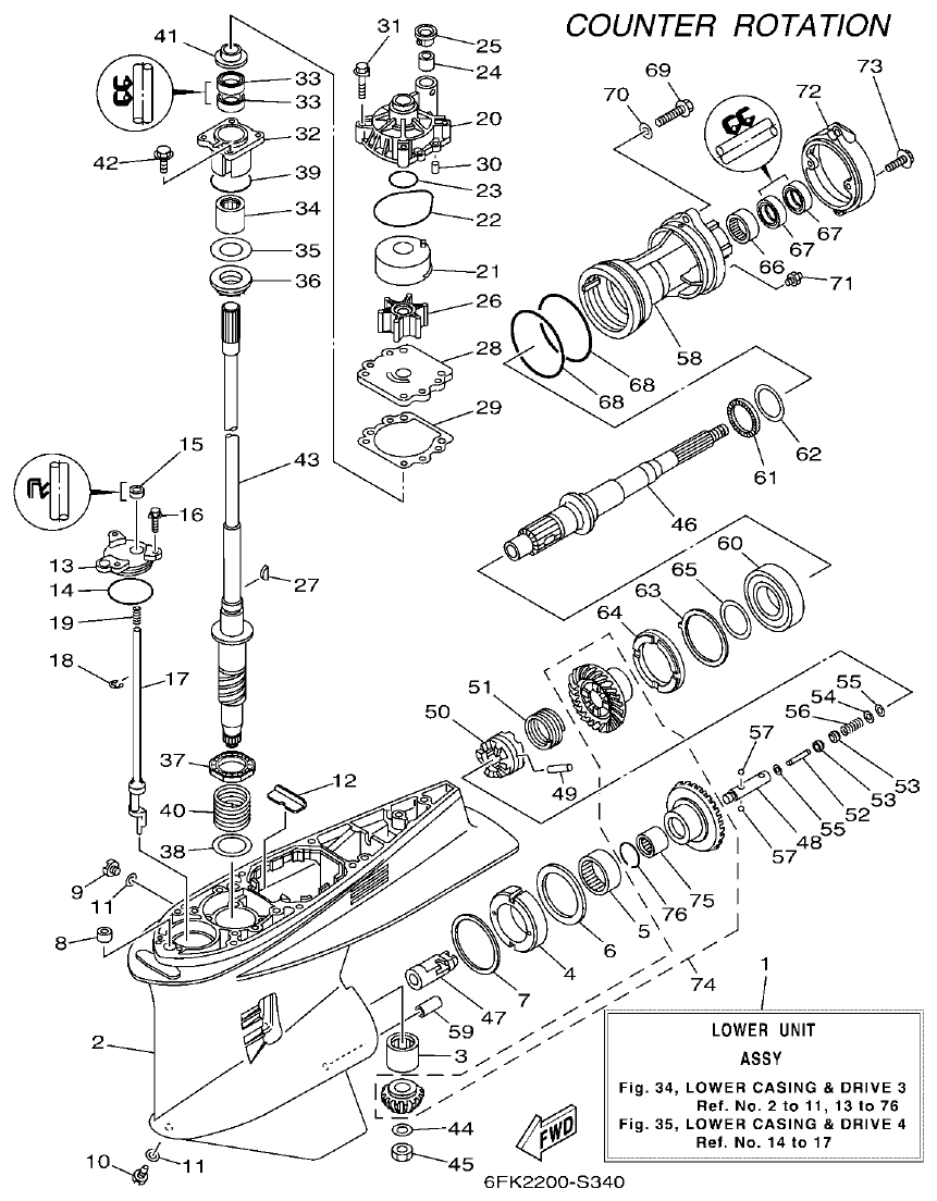
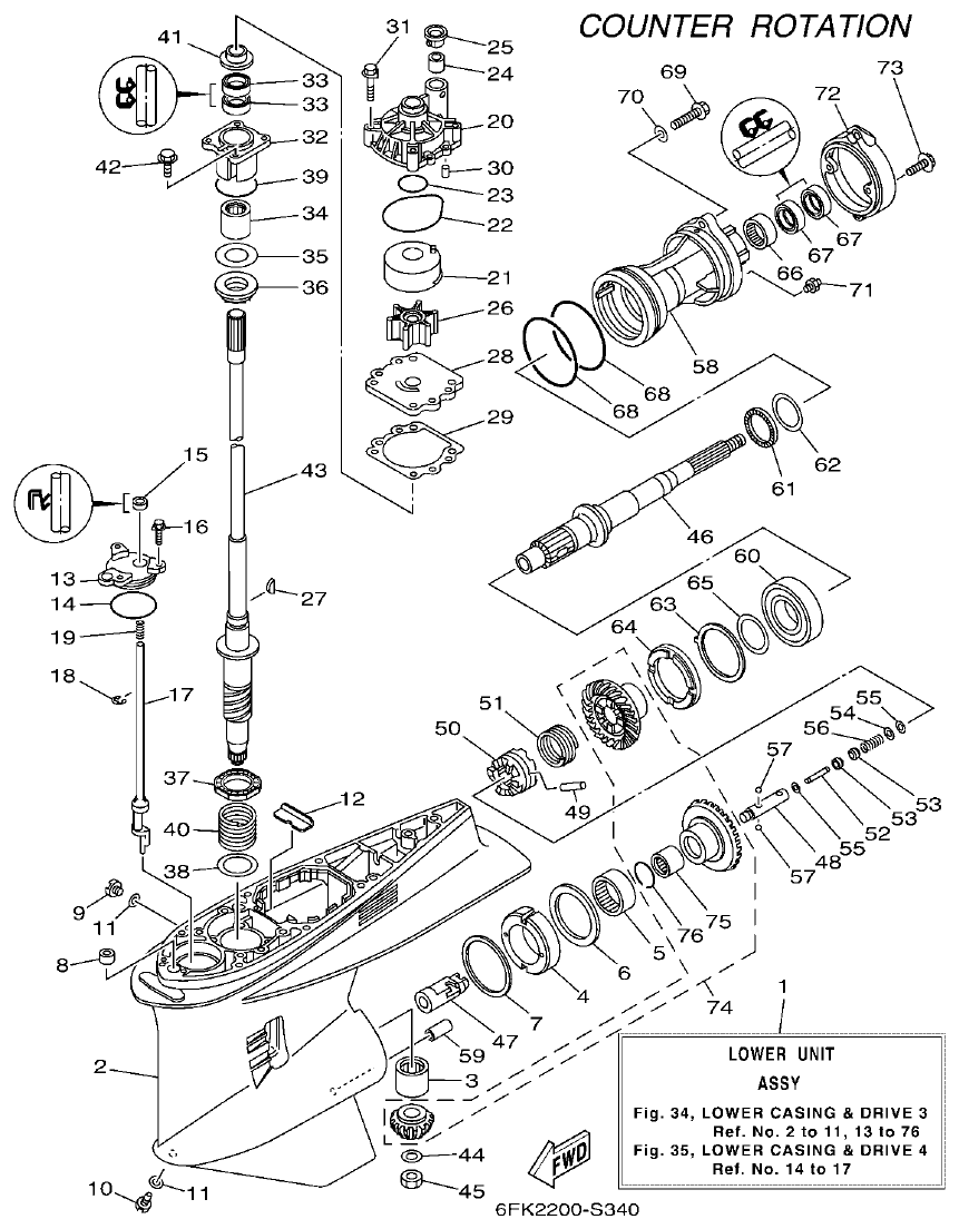
Yamaha F250HET, FL250HET LOWER CASING & DRIVE 3 parts diagram
Fig. 34 — LOWER CASING & DRIVE 3
102 items · 52 available products
Yamaha F250HET, FL250HET LOWER CASING & DRIVE 4 parts diagram
Fig. 35 — LOWER CASING & DRIVE 4
28 items · 12 available products
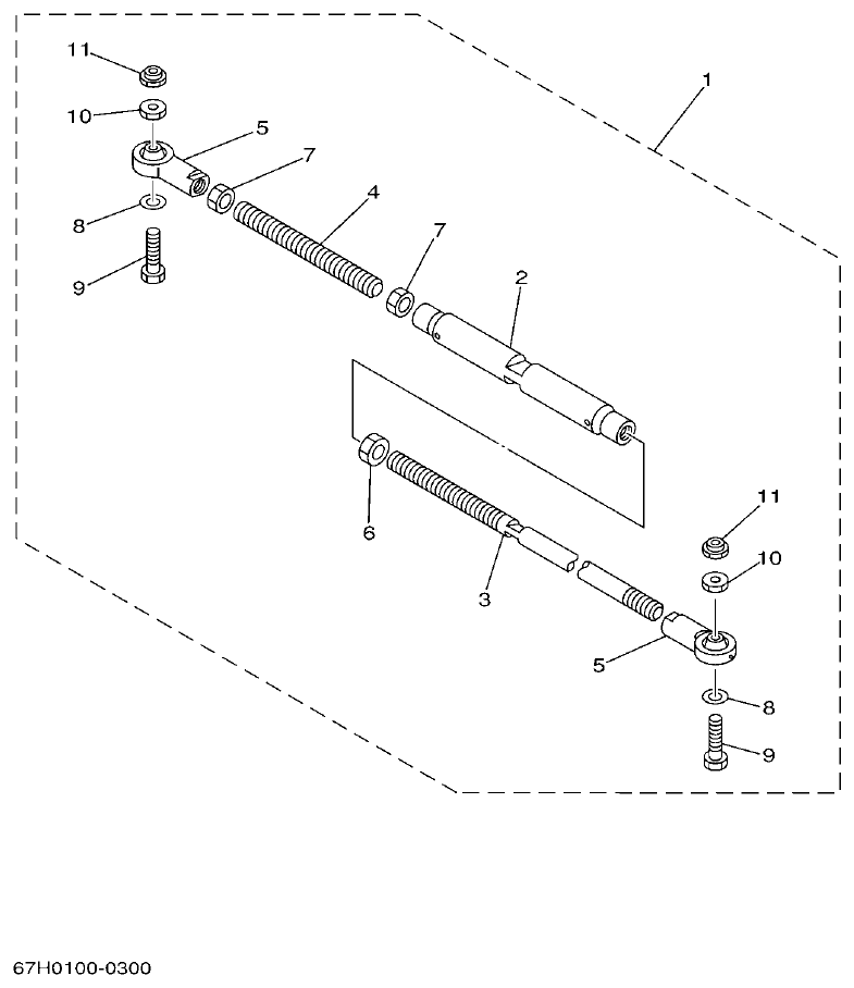
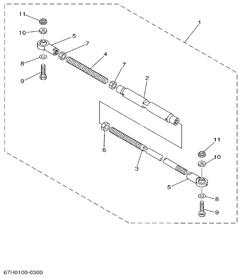
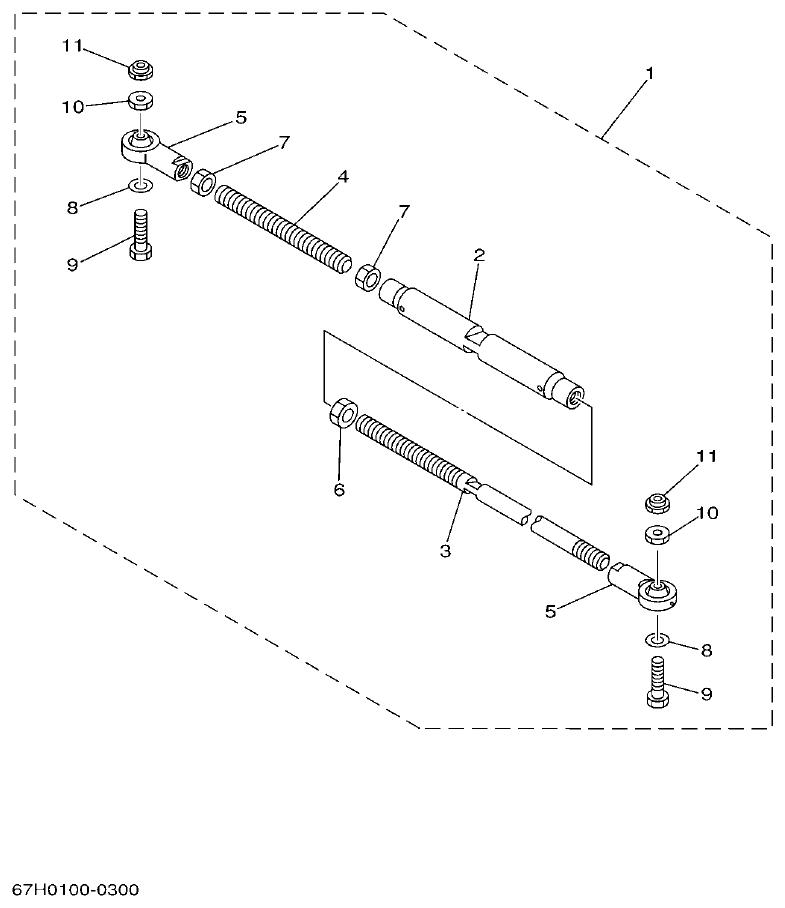
Yamaha F250HET, FL250HET STEERING GUIDE ATTACHMENT 1 parts diagram
Fig. 36 — STEERING GUIDE ATTACHMENT 1
9 items · 2 available products
Yamaha F250HET, FL250HET STEERING GUIDE ATTACHMENT 2 parts diagram
Fig. 37 — STEERING GUIDE ATTACHMENT 2
11 items · 1 available products
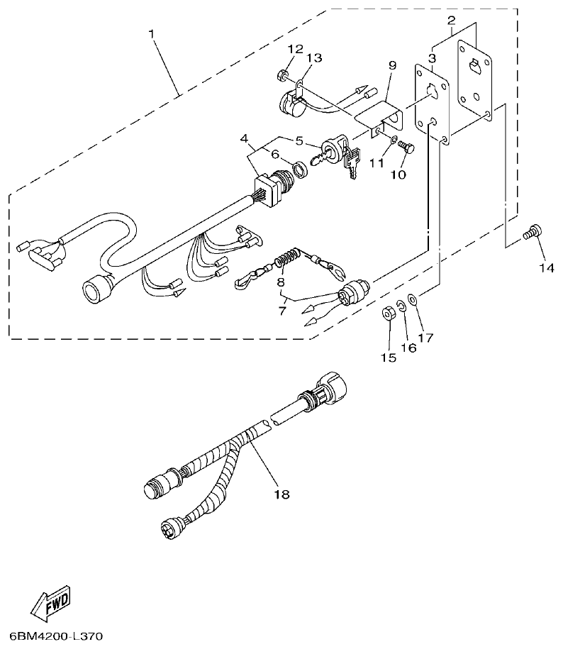
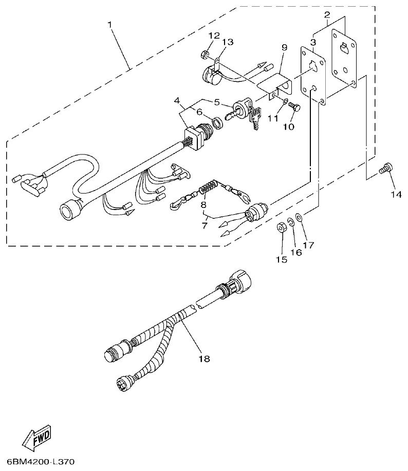
Yamaha F250HET, FL250HET REMOTE CONTROL BOX parts diagram
Fig. 38 — REMOTE CONTROL BOX
9 items
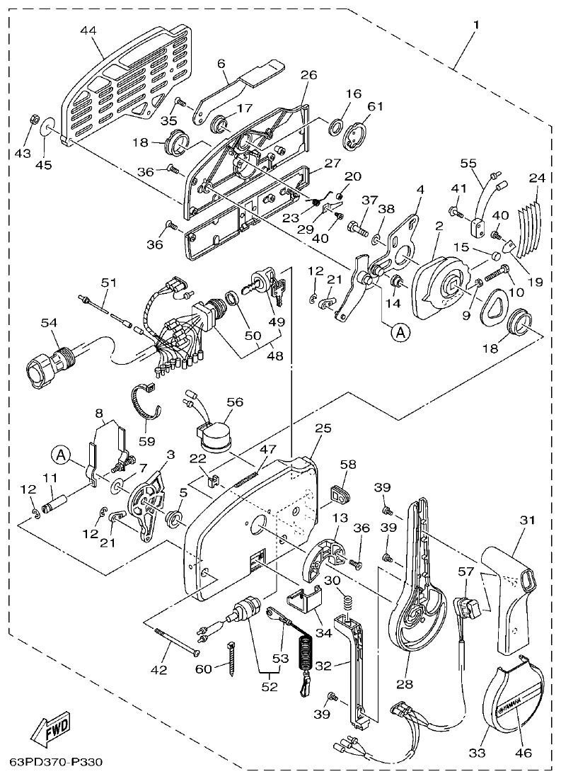
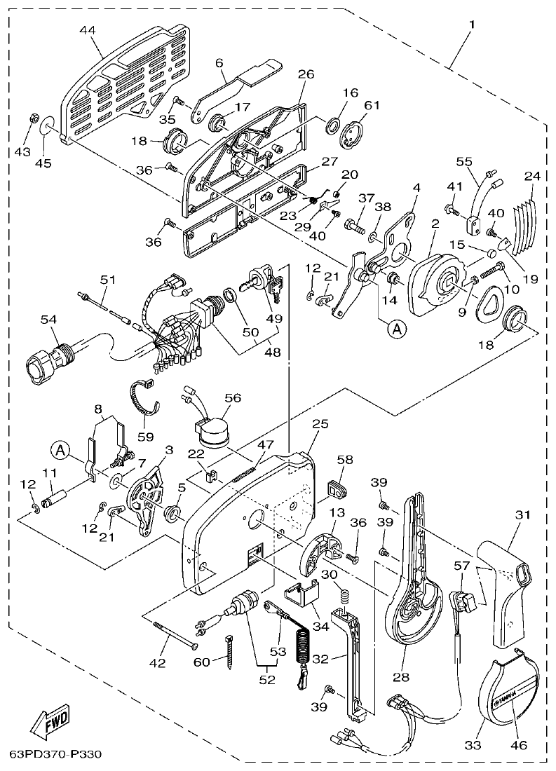
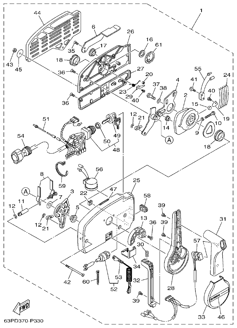
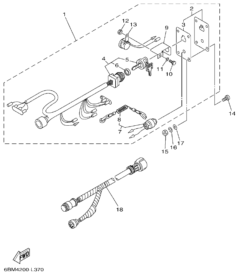
Yamaha F250HET, FL250HET REMOTE CONTROL ASSY 1 parts diagram
Fig. 39 — REMOTE CONTROL ASSY 1
61 items · 11 available products
Yamaha F250HET, FL250HET REMOTE CONTROL ASSY 2 parts diagram
Fig. 40 — REMOTE CONTROL ASSY 2
63 items · 2 available products
Yamaha F250HET, FL250HET REMOTE CONTROL ASSY 3 parts diagram
Fig. 41 — REMOTE CONTROL ASSY 3
73 items · 5 available products
Yamaha F250HET, FL250HET SWITCH & PANEL parts diagram
Fig. 42 — SWITCH & PANEL
18 items · 3 available products
Yamaha F250HET, FL250HET OPTIONAL PARTS 1 parts diagram
Fig. 43 — OPTIONAL PARTS 1
15 items · 7 available products
Yamaha F250HET, FL250HET OPTIONAL PARTS 2 parts diagram
Fig. 44 — OPTIONAL PARTS 2
3 items · 2 available products
Yamaha F250HET, FL250HET OPTIONAL PARTS 3 parts diagram
Fig. 45 — OPTIONAL PARTS 3
19 items · 2 available products
Yamaha F250HET, FL250HET OPTIONAL PARTS 4 parts diagram
Fig. 46 — OPTIONAL PARTS 4
9 items
Yamaha F250HET, FL250HET OPTIONAL PARTS 5 parts diagram
Fig. 47 — OPTIONAL PARTS 5
11 items
Yamaha F250HET, FL250HET OPTIONAL PARTS 6 parts diagram
Fig. 48 — OPTIONAL PARTS 6
4 items
Yamaha F250HET, FL250HET OPTIONAL PARTS 7 parts diagram
Fig. 49 — OPTIONAL PARTS 7
6 items · 1 available products
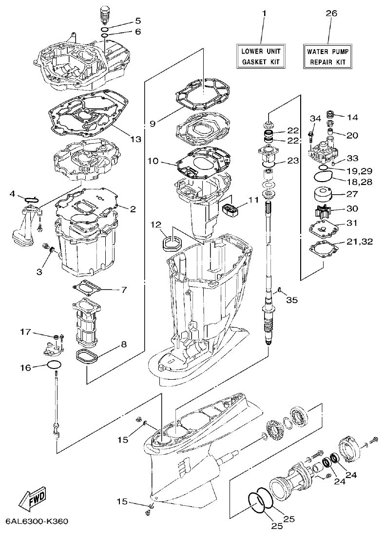
Yamaha F250HET, FL250HET REPAIR KIT 1 parts diagram
Fig. 50 — REPAIR KIT 1
24 items · 14 available products
Yamaha F250HET, FL250HET REPAIR KIT 2 parts diagram
Fig. 51 — REPAIR KIT 2
35 items · 12 available products
Yamaha F250HET, FL250HET SCHEDULED SERVICE PARTS parts diagram
Fig. 1 — SCHEDULED SERVICE PARTS
20 items · 15 available products
Yamaha F250HET, FL250HET TOP COWLING parts diagram
Fig. 2 — TOP COWLING
23 items · 7 available products
Yamaha F250HET, FL250HET CYLINDER & CRANKCASE 1 parts diagram
Fig. 3 — CYLINDER & CRANKCASE 1
63 items · 15 available products
Yamaha F250HET, FL250HET CRANKSHAFT & PISTON parts diagram
Fig. 4 — CRANKSHAFT & PISTON
26 items · 17 available products
Yamaha F250HET, FL250HET CYLINDER & CRANKCASE 2 parts diagram
Fig. 5 — CYLINDER & CRANKCASE 2
47 items · 11 available products
Yamaha F250HET, FL250HET CYLINDER & CRANKCASE 3 parts diagram
Fig. 6 — CYLINDER & CRANKCASE 3
21 items · 9 available products
Yamaha F250HET, FL250HET VALVE parts diagram
Fig. 7 — VALVE
63 items · 36 available products
Yamaha F250HET, FL250HET INTAKE 1 parts diagram
Fig. 8 — INTAKE 1
32 items · 7 available products
Yamaha F250HET, FL250HET INTAKE 2 parts diagram
Fig. 9 — INTAKE 2
37 items · 3 available products
Yamaha F250HET, FL250HET THROTTLE BODY ASSY 1 parts diagram
Fig. 10 — THROTTLE BODY ASSY 1
25 items · 4 available products
Yamaha F250HET, FL250HET THROTTLE BODY ASSY 2 parts diagram
Fig. 11 — THROTTLE BODY ASSY 2
22 items · 3 available products
Yamaha F250HET, FL250HET THROTTLE BODY ASSY 3 parts diagram
Fig. 12 — THROTTLE BODY ASSY 3
11 items · 3 available products
Yamaha F250HET, FL250HET FUEL INJECTION PUMP 1 parts diagram
Fig. 13 — FUEL INJECTION PUMP 1
39 items · 13 available products
Yamaha F250HET, FL250HET FUEL INJECTION PUMP 2 parts diagram
Fig. 14 — FUEL INJECTION PUMP 2
16 items
Yamaha F250HET, FL250HET FUEL 1 parts diagram
Fig. 15 — FUEL 1
26 items · 3 available products
Yamaha F250HET, FL250HET FUEL 2 parts diagram
Fig. 16 — FUEL 2
5 items · 2 available products
Yamaha F250HET, FL250HET GENERATOR parts diagram
Fig. 17 — GENERATOR
22 items · 4 available products
Yamaha F250HET, FL250HET ELECTRICAL 1 parts diagram
Fig. 18 — ELECTRICAL 1
11 items · 2 available products
Yamaha F250HET, FL250HET ELECTRICAL 2 parts diagram
Fig. 19 — ELECTRICAL 2
19 items · 2 available products
Yamaha F250HET, FL250HET ELECTRICAL 3 parts diagram
Fig. 20 — ELECTRICAL 3
48 items · 8 available products
Yamaha F250HET, FL250HET ELECTRICAL 4 parts diagram
Fig. 21 — ELECTRICAL 4
25 items · 5 available products
Yamaha F250HET, FL250HET STARTING MOTOR parts diagram
Fig. 22 — STARTING MOTOR
28 items · 7 available products
Yamaha F250HET, FL250HET BOTTOM COWLING 1 parts diagram
Fig. 23 — BOTTOM COWLING 1
61 items · 9 available products
Yamaha F250HET, FL250HET BOTTOM COWLING 2 parts diagram
Fig. 24 — BOTTOM COWLING 2
20 items · 5 available products
Yamaha F250HET, FL250HET CONTROL parts diagram
Fig. 25 — CONTROL
43 items · 9 available products
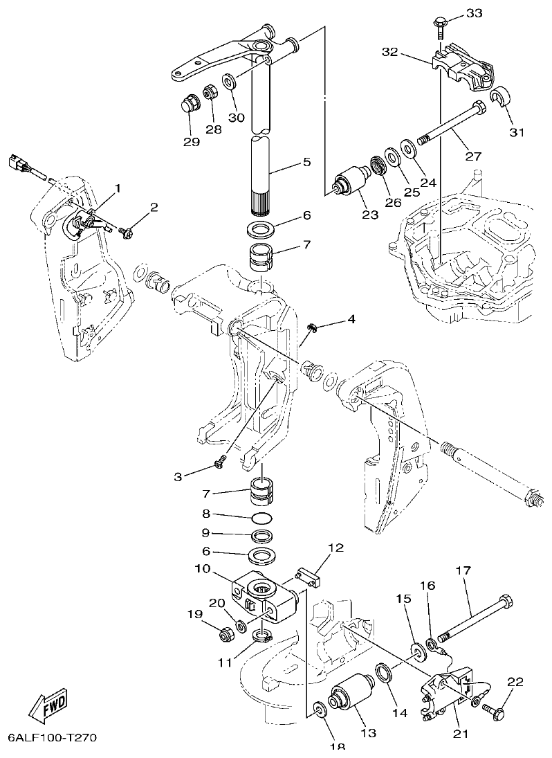
Yamaha F250HET, FL250HET BRACKET 1 parts diagram
Fig. 26 — BRACKET 1
47 items · 10 available products
Yamaha F250HET, FL250HET BRACKET 2 parts diagram
Fig. 27 — BRACKET 2
33 items · 8 available products
Yamaha F250HET, FL250HET POWER TRIM & TILT ASSY 1 parts diagram
Fig. 28 — POWER TRIM & TILT ASSY 1
84 items · 32 available products
Yamaha F250HET, FL250HET POWER TRIM & TILT ASSY 2 parts diagram
Fig. 29 — POWER TRIM & TILT ASSY 2
12 items · 5 available products
Yamaha F250HET, FL250HET UPPER CASING parts diagram
Fig. 30 — UPPER CASING
56 items · 19 available products
Yamaha F250HET, FL250HET OIL PAN parts diagram
Fig. 31 — OIL PAN
22 items · 10 available products
Yamaha F250HET, FL250HET LOWER CASING & DRIVE 1 parts diagram
Fig. 32 — LOWER CASING & DRIVE 1
95 items · 53 available products
Yamaha F250HET, FL250HET LOWER CASING & DRIVE 2 parts diagram
Fig. 33 — LOWER CASING & DRIVE 2
30 items · 14 available products
Yamaha F250HET, FL250HET LOWER CASING & DRIVE 3 parts diagram
Fig. 34 — LOWER CASING & DRIVE 3
102 items · 55 available products
Yamaha F250HET, FL250HET LOWER CASING & DRIVE 4 parts diagram
Fig. 35 — LOWER CASING & DRIVE 4
28 items · 14 available products
Yamaha F250HET, FL250HET STEERING GUIDE ATTACHMENT 1 parts diagram
Fig. 36 — STEERING GUIDE ATTACHMENT 1
9 items · 2 available products
Yamaha F250HET, FL250HET STEERING GUIDE ATTACHMENT 2 parts diagram
Fig. 37 — STEERING GUIDE ATTACHMENT 2
11 items · 2 available products
Yamaha F250HET, FL250HET REMOTE CONTROL BOX parts diagram
Fig. 38 — REMOTE CONTROL BOX
9 items
Yamaha F250HET, FL250HET REMOTE CONTROL ASSY 1 parts diagram
Fig. 39 — REMOTE CONTROL ASSY 1
61 items · 12 available products
Yamaha F250HET, FL250HET REMOTE CONTROL ASSY 2 parts diagram
Fig. 40 — REMOTE CONTROL ASSY 2
63 items · 2 available products
Yamaha F250HET, FL250HET REMOTE CONTROL ASSY 3 parts diagram
Fig. 41 — REMOTE CONTROL ASSY 3
73 items · 5 available products
Yamaha F250HET, FL250HET SWITCH & PANEL parts diagram
Fig. 42 — SWITCH & PANEL
18 items · 4 available products
Yamaha F250HET, FL250HET OPTIONAL PARTS 1 parts diagram
Fig. 43 — OPTIONAL PARTS 1
6 items
Yamaha F250HET, FL250HET OPTIONAL PARTS 2 parts diagram
Fig. 44 — OPTIONAL PARTS 2
11 items · 8 available products
Yamaha F250HET, FL250HET OPTIONAL PARTS 3 parts diagram
Fig. 45 — OPTIONAL PARTS 3
8 items · 4 available products
Yamaha F250HET, FL250HET OPTIONAL PARTS 4 parts diagram
Fig. 46 — OPTIONAL PARTS 4
20 items · 3 available products
Yamaha F250HET, FL250HET OPTIONAL PARTS 5 parts diagram
Fig. 47 — OPTIONAL PARTS 5
9 items
Yamaha F250HET, FL250HET OPTIONAL PARTS 6 parts diagram
Fig. 48 — OPTIONAL PARTS 6
11 items
Yamaha F250HET, FL250HET OPTIONAL PARTS 7 parts diagram
Fig. 49 — OPTIONAL PARTS 7
4 items
Yamaha F250HET, FL250HET OPTIONAL PARTS 8 parts diagram
Fig. 50 — OPTIONAL PARTS 8
6 items · 1 available products
Yamaha F250HET, FL250HET REPAIR KIT 1 parts diagram
Fig. 51 — REPAIR KIT 1
24 items · 14 available products
Yamaha F250HET, FL250HET REPAIR KIT 2 parts diagram
Fig. 52 — REPAIR KIT 2
35 items · 14 available products
Yamaha F250HET, FL250HET SCHEDULED SERVICE PARTS parts diagram
Fig. 1 — SCHEDULED SERVICE PARTS
20 items · 15 available products
Yamaha F250HET, FL250HET TOP COWLING parts diagram
Fig. 2 — TOP COWLING
23 items · 1 available products
Yamaha F250HET, FL250HET CYLINDER & CRANKCASE 1 parts diagram
Fig. 3 — CYLINDER & CRANKCASE 1
62 items · 13 available products
Yamaha F250HET, FL250HET CRANKSHAFT & PISTON parts diagram
Fig. 4 — CRANKSHAFT & PISTON
26 items · 17 available products
Yamaha F250HET, FL250HET CYLINDER & CRANKCASE 2 parts diagram
Fig. 5 — CYLINDER & CRANKCASE 2
47 items · 7 available products
Yamaha F250HET, FL250HET CYLINDER & CRANKCASE 3 parts diagram
Fig. 6 — CYLINDER & CRANKCASE 3
21 items · 9 available products
Yamaha F250HET, FL250HET VALVE parts diagram
Fig. 7 — VALVE
63 items · 36 available products
Yamaha F250HET, FL250HET INTAKE 1 parts diagram
Fig. 8 — INTAKE 1
32 items · 6 available products
Yamaha F250HET, FL250HET INTAKE 2 parts diagram
Fig. 9 — INTAKE 2
37 items · 3 available products
Yamaha F250HET, FL250HET THROTTLE BODY ASSY 1 parts diagram
Fig. 10 — THROTTLE BODY ASSY 1
25 items · 4 available products
Yamaha F250HET, FL250HET THROTTLE BODY ASSY 2 parts diagram
Fig. 11 — THROTTLE BODY ASSY 2
22 items · 3 available products
Yamaha F250HET, FL250HET THROTTLE BODY ASSY 3 parts diagram
Fig. 12 — THROTTLE BODY ASSY 3
11 items · 3 available products
Yamaha F250HET, FL250HET FUEL INJECTION PUMP 1 parts diagram
Fig. 13 — FUEL INJECTION PUMP 1
39 items · 14 available products
Yamaha F250HET, FL250HET FUEL INJECTION PUMP 2 parts diagram
Fig. 14 — FUEL INJECTION PUMP 2
17 items
Yamaha F250HET, FL250HET FUEL 1 parts diagram
Fig. 15 — FUEL 1
26 items · 2 available products
Yamaha F250HET, FL250HET FUEL 2 parts diagram
Fig. 16 — FUEL 2
5 items · 2 available products
Yamaha F250HET, FL250HET GENERATOR parts diagram
Fig. 17 — GENERATOR
24 items · 3 available products
Yamaha F250HET, FL250HET ELECTRICAL 1 parts diagram
Fig. 18 — ELECTRICAL 1
11 items · 2 available products
Yamaha F250HET, FL250HET ELECTRICAL 2 parts diagram
Fig. 19 — ELECTRICAL 2
22 items · 3 available products
Yamaha F250HET, FL250HET ELECTRICAL 3 parts diagram
Fig. 20 — ELECTRICAL 3
47 items · 6 available products
Yamaha F250HET, FL250HET ELECTRICAL 4 parts diagram
Fig. 21 — ELECTRICAL 4
22 items · 3 available products
Yamaha F250HET, FL250HET STARTING MOTOR parts diagram
Fig. 22 — STARTING MOTOR
28 items · 4 available products
Yamaha F250HET, FL250HET BOTTOM COWLING 1 parts diagram
Fig. 23 — BOTTOM COWLING 1
61 items · 4 available products
Yamaha F250HET, FL250HET BOTTOM COWLING 2 parts diagram
Fig. 24 — BOTTOM COWLING 2
20 items · 5 available products
Yamaha F250HET, FL250HET CONTROL parts diagram
Fig. 25 — CONTROL
43 items · 8 available products
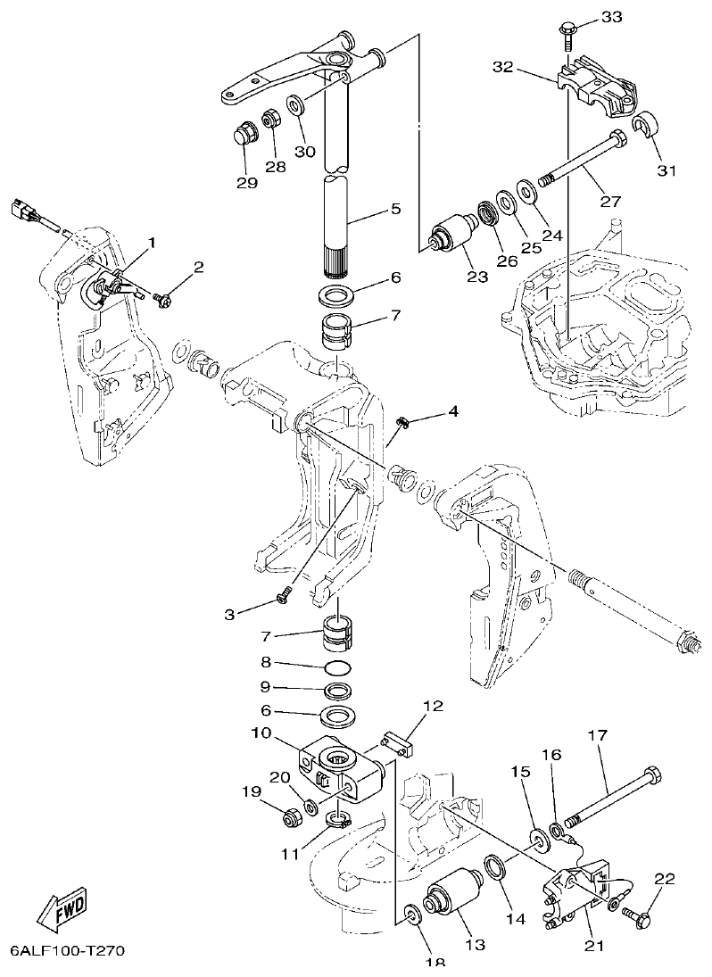
Yamaha F250HET, FL250HET BRACKET 1 parts diagram
Fig. 26 — BRACKET 1
47 items · 9 available products
Yamaha F250HET, FL250HET BRACKET 2 parts diagram
Fig. 27 — BRACKET 2
32 items · 7 available products
Yamaha F250HET, FL250HET POWER TRIM & TILT ASSY 1 parts diagram
Fig. 28 — POWER TRIM & TILT ASSY 1
74 items · 30 available products
Yamaha F250HET, FL250HET POWER TRIM & TILT ASSY 2 parts diagram
Fig. 29 — POWER TRIM & TILT ASSY 2
19 items · 11 available products
Yamaha F250HET, FL250HET UPPER CASING parts diagram
Fig. 30 — UPPER CASING
56 items · 14 available products
Yamaha F250HET, FL250HET OIL PAN parts diagram
Fig. 31 — OIL PAN
22 items · 9 available products
Yamaha F250HET, FL250HET LOWER CASING & DRIVE 1 parts diagram
Fig. 32 — LOWER CASING & DRIVE 1
95 items · 49 available products
Yamaha F250HET, FL250HET LOWER CASING & DRIVE 2 parts diagram
Fig. 33 — LOWER CASING & DRIVE 2
30 items · 12 available products
Yamaha F250HET, FL250HET LOWER CASING & DRIVE 3 parts diagram
Fig. 34 — LOWER CASING & DRIVE 3
102 items · 51 available products
Yamaha F250HET, FL250HET LOWER CASING & DRIVE 4 parts diagram
Fig. 35 — LOWER CASING & DRIVE 4
28 items · 12 available products
Yamaha F250HET, FL250HET STEERING GUIDE ATTACHMENT 1 parts diagram
Fig. 36 — STEERING GUIDE ATTACHMENT 1
9 items · 2 available products
Yamaha F250HET, FL250HET STEERING GUIDE ATTACHMENT 2 parts diagram
Fig. 37 — STEERING GUIDE ATTACHMENT 2
11 items · 1 available products
Yamaha F250HET, FL250HET REMOTE CONTROL BOX parts diagram
Fig. 38 — REMOTE CONTROL BOX
9 items
Yamaha F250HET, FL250HET REMOTE CONTROL ASSY 1 parts diagram
Fig. 39 — REMOTE CONTROL ASSY 1
61 items · 11 available products
Yamaha F250HET, FL250HET REMOTE CONTROL ASSY 2 parts diagram
Fig. 40 — REMOTE CONTROL ASSY 2
63 items · 2 available products
Yamaha F250HET, FL250HET REMOTE CONTROL ASSY 3 parts diagram
Fig. 41 — REMOTE CONTROL ASSY 3
73 items · 5 available products
Yamaha F250HET, FL250HET SWITCH & PANEL parts diagram
Fig. 42 — SWITCH & PANEL
18 items · 3 available products
Yamaha F250HET, FL250HET OPTIONAL PARTS 1 parts diagram
Fig. 43 — OPTIONAL PARTS 1
15 items · 7 available products
Yamaha F250HET, FL250HET OPTIONAL PARTS 2 parts diagram
Fig. 44 — OPTIONAL PARTS 2
3 items · 2 available products
Yamaha F250HET, FL250HET OPTIONAL PARTS 3 parts diagram
Fig. 45 — OPTIONAL PARTS 3
19 items · 2 available products
Yamaha F250HET, FL250HET OPTIONAL PARTS 4 parts diagram
Fig. 46 — OPTIONAL PARTS 4
9 items
Yamaha F250HET, FL250HET OPTIONAL PARTS 5 parts diagram
Fig. 47 — OPTIONAL PARTS 5
11 items
Yamaha F250HET, FL250HET OPTIONAL PARTS 6 parts diagram
Fig. 48 — OPTIONAL PARTS 6
4 items
Yamaha F250HET, FL250HET OPTIONAL PARTS 7 parts diagram
Fig. 49 — OPTIONAL PARTS 7
6 items · 1 available products
Yamaha F250HET, FL250HET REPAIR KIT 1 parts diagram
Fig. 50 — REPAIR KIT 1
24 items · 11 available products
Yamaha F250HET, FL250HET REPAIR KIT 2 parts diagram
Fig. 51 — REPAIR KIT 2
35 items · 10 available products