Catalogs / Yamaha / Outboard

Yamaha F300FST, FL300FST, F300FST2, FL300FST2 Parts Catalog

Browse 53 catalog sections for Yamaha F300FST, FL300FST, F300FST2, FL300FST2. Open a section to view the parts diagram, reference numbers and available products.

Yamaha F300FST, FL300FST, F300FST2, FL300FST2 SCHEDULED SERVICE PARTS parts diagram
Fig. 1 — SCHEDULED SERVICE PARTS
20 items · 17 available products
Yamaha F300FST, FL300FST, F300FST2, FL300FST2 TOP COWLING parts diagram
Fig. 2 — TOP COWLING
29 items · 8 available products
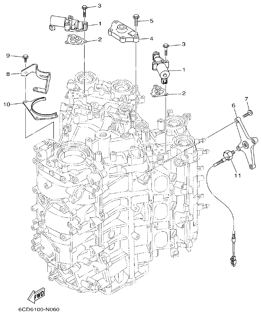
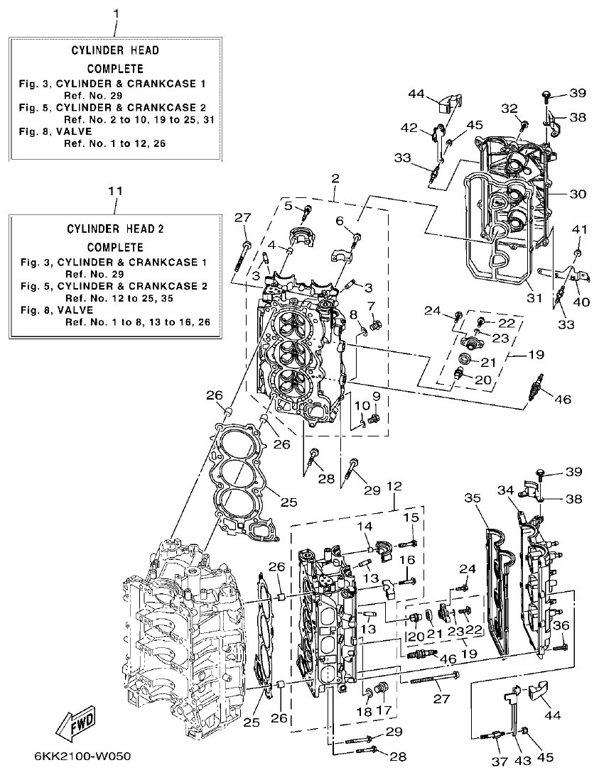
Yamaha F300FST, FL300FST, F300FST2, FL300FST2 CYLINDER & CRANKCASE 1 parts diagram
Fig. 3 — CYLINDER & CRANKCASE 1
45 items · 13 available products
Yamaha F300FST, FL300FST, F300FST2, FL300FST2 CRANKSHAFT & PISTON parts diagram
Fig. 4 — CRANKSHAFT & PISTON
25 items · 23 available products
Yamaha F300FST, FL300FST, F300FST2, FL300FST2 CYLINDER & CRANKCASE 2 parts diagram
Fig. 5 — CYLINDER & CRANKCASE 2
46 items · 11 available products
Yamaha F300FST, FL300FST, F300FST2, FL300FST2 CYLINDER & CRANKCASE 3 parts diagram
Fig. 6 — CYLINDER & CRANKCASE 3
11 items · 3 available products
Yamaha F300FST, FL300FST, F300FST2, FL300FST2 CYLINDER & CRANKCASE 4 parts diagram
Fig. 7 — CYLINDER & CRANKCASE 4
17 items · 2 available products
Yamaha F300FST, FL300FST, F300FST2, FL300FST2 VALVE parts diagram
Fig. 8 — VALVE
66 items · 40 available products
Yamaha F300FST, FL300FST, F300FST2, FL300FST2 INTAKE 1 parts diagram
Fig. 9 — INTAKE 1
24 items · 3 available products
Yamaha F300FST, FL300FST, F300FST2, FL300FST2 INTAKE 2 parts diagram
Fig. 10 — INTAKE 2
35 items · 3 available products
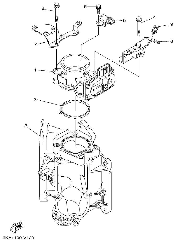
Yamaha F300FST, FL300FST, F300FST2, FL300FST2 THROTTLE BODY ASSY 1 parts diagram
Fig. 11 — THROTTLE BODY ASSY 1
9 items · 1 available products
Yamaha F300FST, FL300FST, F300FST2, FL300FST2 THROTTLE BODY ASSY 2 parts diagram
Fig. 12 — THROTTLE BODY ASSY 2
9 items · 1 available products
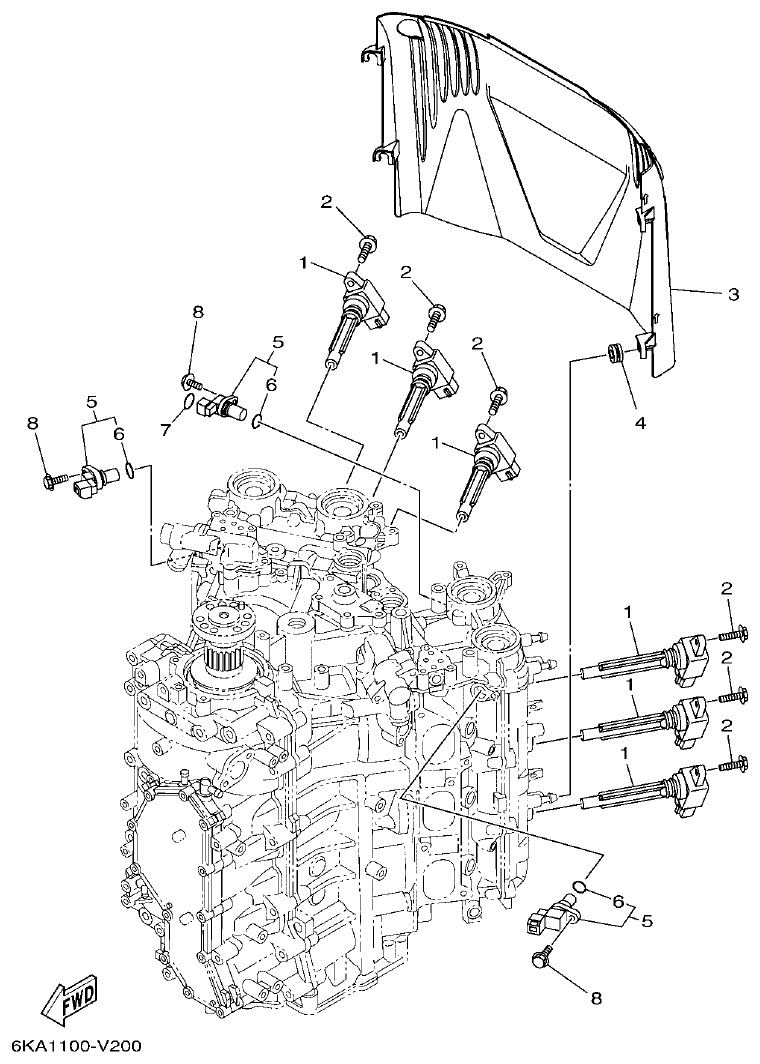
Yamaha F300FST, FL300FST, F300FST2, FL300FST2 FUEL INJECTION PUMP 1 parts diagram
Fig. 13 — FUEL INJECTION PUMP 1
39 items · 14 available products
Yamaha F300FST, FL300FST, F300FST2, FL300FST2 FUEL INJECTION PUMP 2 parts diagram
Fig. 14 — FUEL INJECTION PUMP 2
17 items · 3 available products
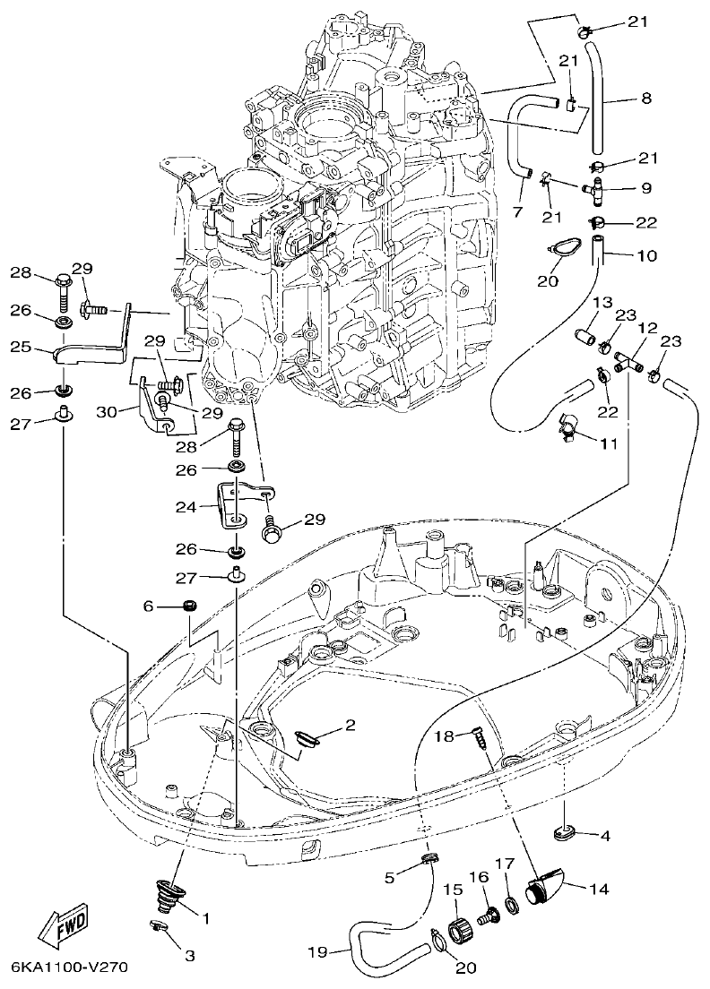
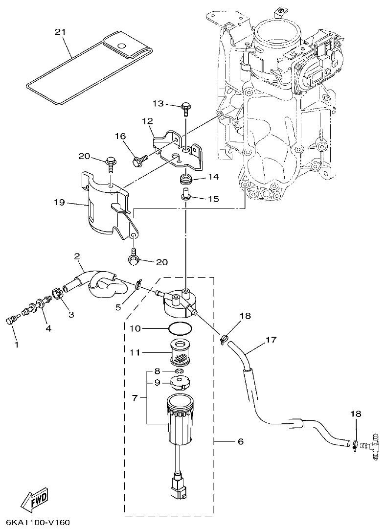
Yamaha F300FST, FL300FST, F300FST2, FL300FST2 FUEL 1 parts diagram
Fig. 15 — FUEL 1
22 items · 5 available products
Yamaha F300FST, FL300FST, F300FST2, FL300FST2 FUEL 2 parts diagram
Fig. 16 — FUEL 2
6 items · 2 available products
Yamaha F300FST, FL300FST, F300FST2, FL300FST2 GENERATOR parts diagram
Fig. 17 — GENERATOR
20 items · 4 available products
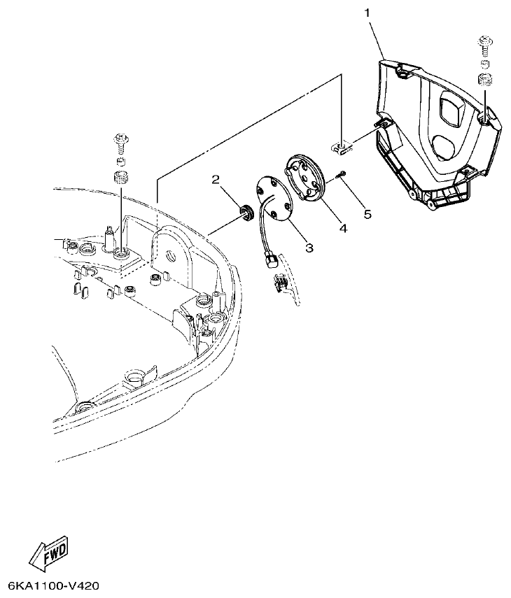
Yamaha F300FST, FL300FST, F300FST2, FL300FST2 ELECTRICAL 1 parts diagram
Fig. 18 — ELECTRICAL 1
34 items · 4 available products
Yamaha F300FST, FL300FST, F300FST2, FL300FST2 ELECTRICAL 2 parts diagram
Fig. 19 — ELECTRICAL 2
8 items · 2 available products
Yamaha F300FST, FL300FST, F300FST2, FL300FST2 ELECTRICAL 3 parts diagram
Fig. 20 — ELECTRICAL 3
42 items · 7 available products
Yamaha F300FST, FL300FST, F300FST2, FL300FST2 ELECTRICAL 4 parts diagram
Fig. 21 — ELECTRICAL 4
31 items · 6 available products
Yamaha F300FST, FL300FST, F300FST2, FL300FST2 ELECTRICAL 5 parts diagram
Fig. 22 — ELECTRICAL 5
13 items · 2 available products
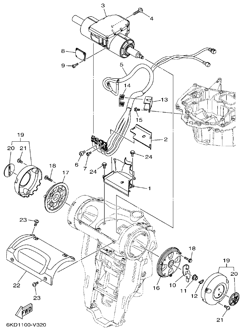
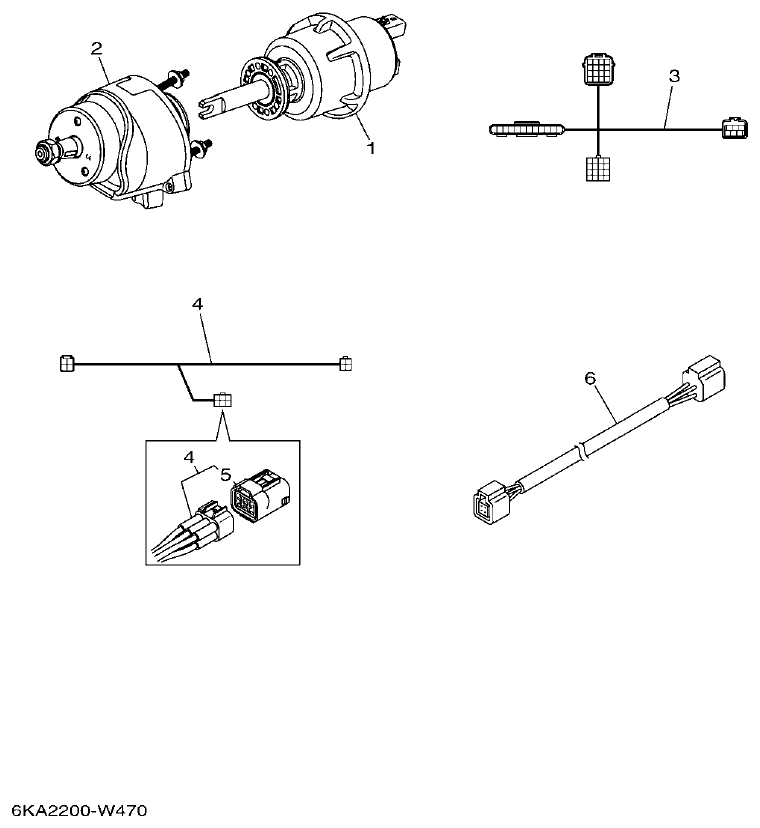
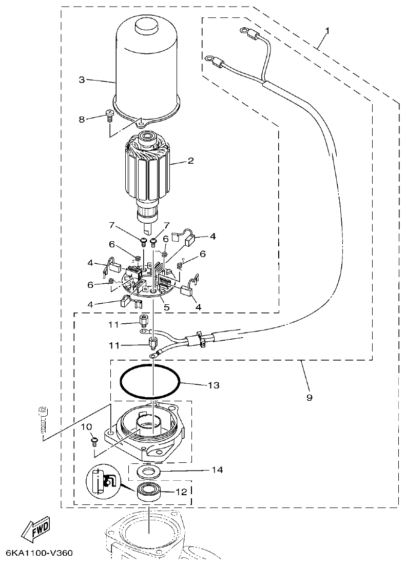
Yamaha F300FST, FL300FST, F300FST2, FL300FST2 STARTING MOTOR parts diagram
Fig. 23 — STARTING MOTOR
24 items · 5 available products
Yamaha F300FST, FL300FST, F300FST2, FL300FST2 BOTTOM COWLING 1 parts diagram
Fig. 24 — BOTTOM COWLING 1
35 items · 8 available products
Yamaha F300FST, FL300FST, F300FST2, FL300FST2 BOTTOM COWLING 2 parts diagram
Fig. 25 — BOTTOM COWLING 2
30 items · 5 available products
Yamaha F300FST, FL300FST, F300FST2, FL300FST2 BOTTOM COWLING 3 parts diagram
Fig. 26 — BOTTOM COWLING 3
17 items
Yamaha F300FST, FL300FST, F300FST2, FL300FST2 BOTTOM COWLING 4 parts diagram
Fig. 27 — BOTTOM COWLING 4
11 items
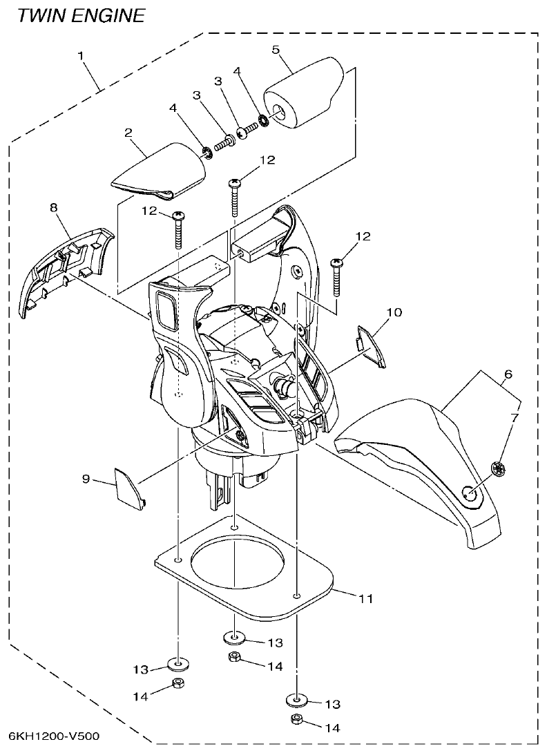
Yamaha F300FST, FL300FST, F300FST2, FL300FST2 CONTROL parts diagram
Fig. 28 — CONTROL
28 items · 2 available products
Yamaha F300FST, FL300FST, F300FST2, FL300FST2 BRACKET 1 parts diagram
Fig. 29 — BRACKET 1
29 items · 5 available products
Yamaha F300FST, FL300FST, F300FST2, FL300FST2 BRACKET 2 parts diagram
Fig. 30 — BRACKET 2
22 items · 5 available products
Yamaha F300FST, FL300FST, F300FST2, FL300FST2 BRACKET 3 parts diagram
Fig. 31 — BRACKET 3
24 items · 3 available products
Yamaha F300FST, FL300FST, F300FST2, FL300FST2 BRACKET 4 parts diagram
Fig. 32 — BRACKET 4
31 items · 8 available products
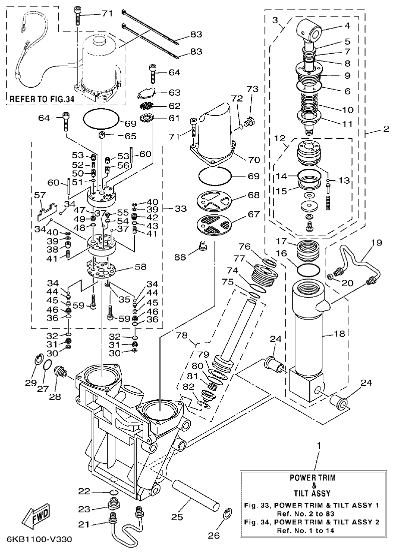
Yamaha F300FST, FL300FST, F300FST2, FL300FST2 POWER TRIM & TILT ASSY 1 parts diagram
Fig. 33 — POWER TRIM & TILT ASSY 1
83 items · 30 available products
Yamaha F300FST, FL300FST, F300FST2, FL300FST2 POWER TRIM & TILT ASSY 2 parts diagram
Fig. 34 — POWER TRIM & TILT ASSY 2
14 items · 4 available products
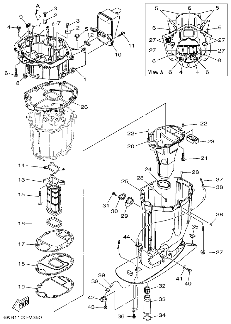
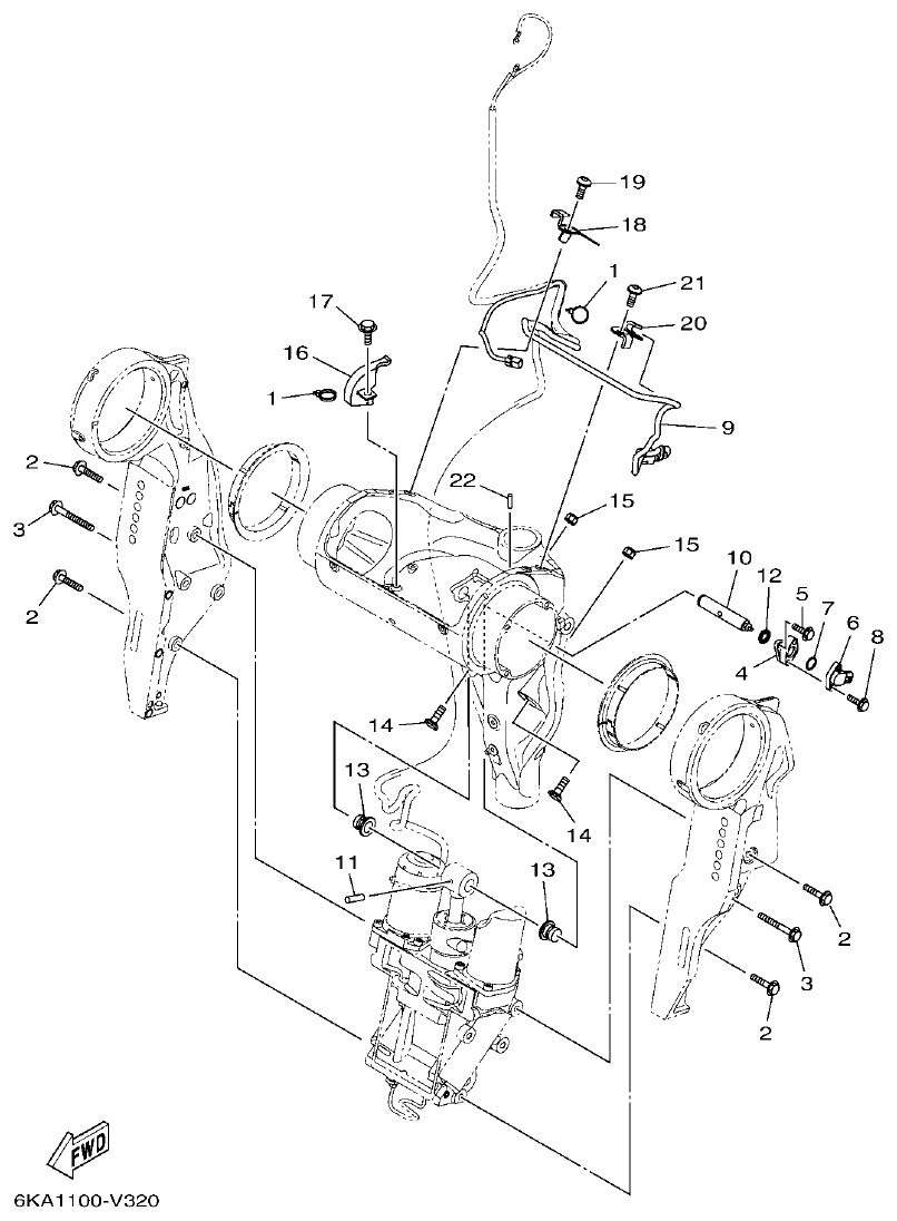
Yamaha F300FST, FL300FST, F300FST2, FL300FST2 UPPER CASING parts diagram
Fig. 35 — UPPER CASING
44 items · 15 available products
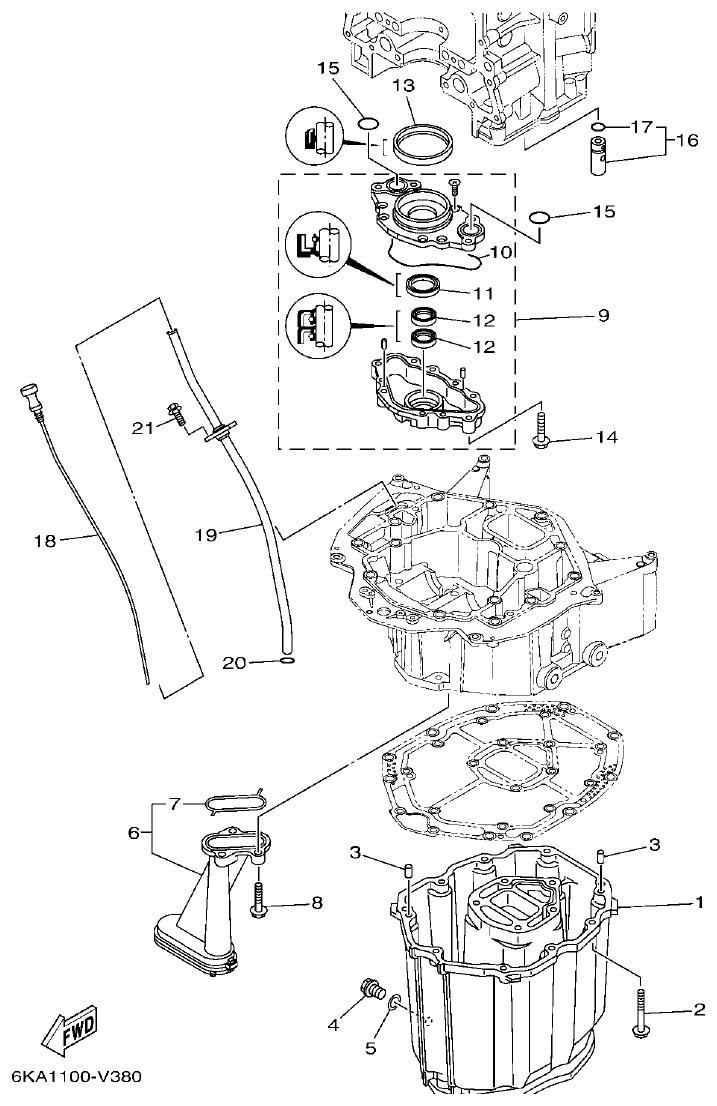
Yamaha F300FST, FL300FST, F300FST2, FL300FST2 OIL PAN parts diagram
Fig. 36 — OIL PAN
21 items · 9 available products
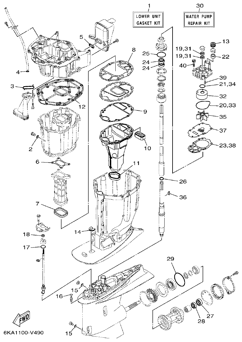
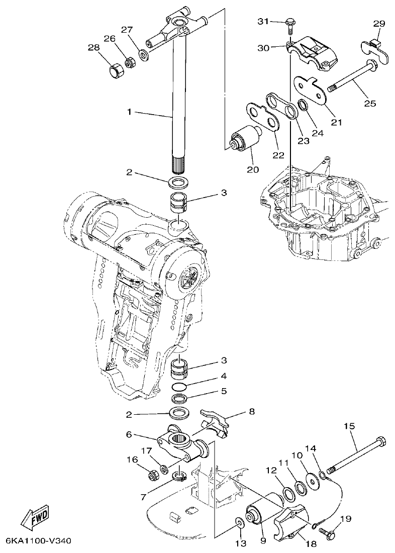
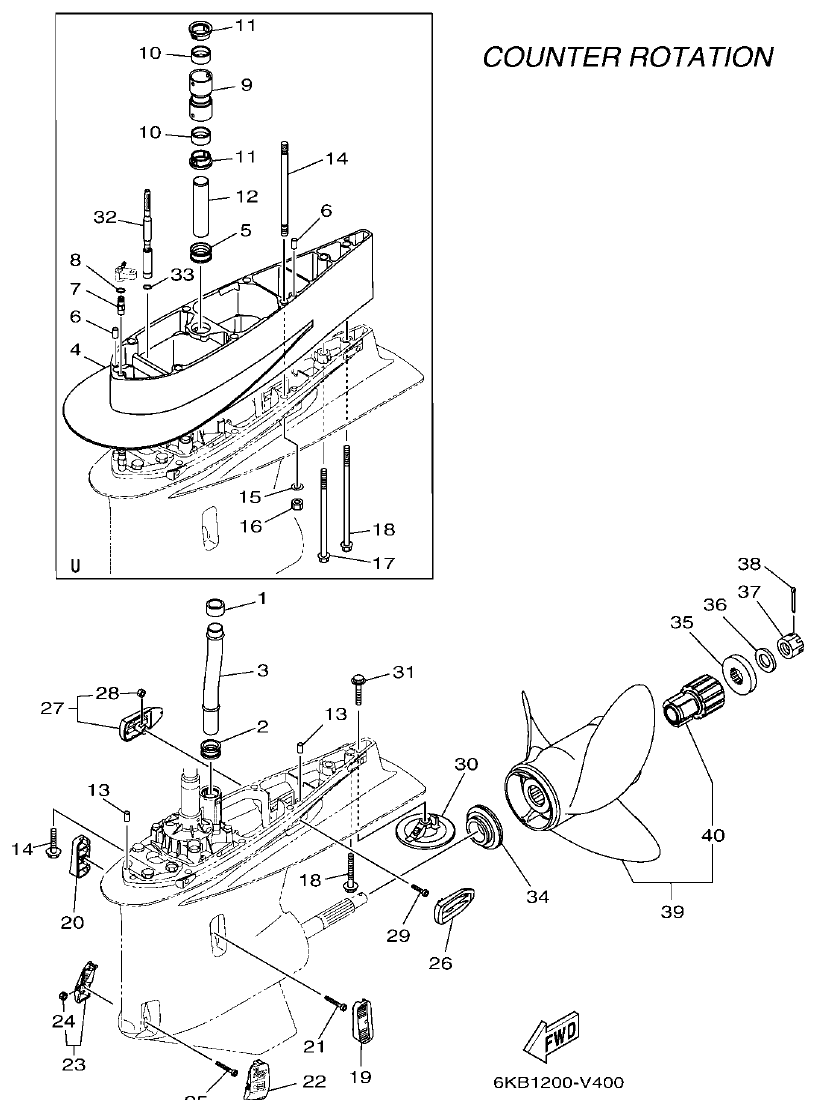
Yamaha F300FST, FL300FST, F300FST2, FL300FST2 LOWER CASING & DRIVE 1 parts diagram
Fig. 37 — LOWER CASING & DRIVE 1
108 items · 59 available products
Yamaha F300FST, FL300FST, F300FST2, FL300FST2 LOWER CASING & DRIVE 2 parts diagram
Fig. 38 — LOWER CASING & DRIVE 2
45 items · 23 available products
Yamaha F300FST, FL300FST, F300FST2, FL300FST2 LOWER CASING & DRIVE 3 parts diagram
Fig. 39 — LOWER CASING & DRIVE 3
105 items · 60 available products
Yamaha F300FST, FL300FST, F300FST2, FL300FST2 LOWER CASING & DRIVE 4 parts diagram
Fig. 40 — LOWER CASING & DRIVE 4
45 items · 23 available products
Yamaha F300FST, FL300FST, F300FST2, FL300FST2 DEC 1 (SINGLE) parts diagram
Fig. 41 — DEC 1 (SINGLE)
13 items
Yamaha F300FST, FL300FST, F300FST2, FL300FST2 DEC 2 (SINGLE) parts diagram
Fig. 42 — DEC 2 (SINGLE)
10 items · 1 available products
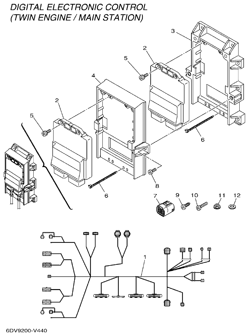
Yamaha F300FST, FL300FST, F300FST2, FL300FST2 DEC 3 (TWIN) parts diagram
Fig. 43 — DEC 3 (TWIN)
15 items
Yamaha F300FST, FL300FST, F300FST2, FL300FST2 DEC 4 (TWIN) parts diagram
Fig. 44 — DEC 4 (TWIN)
12 items · 1 available products
Yamaha F300FST, FL300FST, F300FST2, FL300FST2 OPTIONAL PARTS 1 parts diagram
Fig. 45 — OPTIONAL PARTS 1
1 items
Yamaha F300FST, FL300FST, F300FST2, FL300FST2 OPTIONAL PARTS 2 parts diagram
Fig. 46 — OPTIONAL PARTS 2
5 items
Yamaha F300FST, FL300FST, F300FST2, FL300FST2 OPTIONAL PARTS 3 parts diagram
Fig. 47 — OPTIONAL PARTS 3
6 items · 3 available products
Yamaha F300FST, FL300FST, F300FST2, FL300FST2 OPTIONAL PARTS 4 parts diagram
Fig. 48 — OPTIONAL PARTS 4
16 items · 7 available products
Yamaha F300FST, FL300FST, F300FST2, FL300FST2 OPTIONAL PARTS 5 parts diagram
Fig. 49 — OPTIONAL PARTS 5
8 items · 3 available products
Yamaha F300FST, FL300FST, F300FST2, FL300FST2 OPTIONAL PARTS 6 parts diagram
Fig. 50 — OPTIONAL PARTS 6
14 items · 4 available products
Yamaha F300FST, FL300FST, F300FST2, FL300FST2 OPTIONAL PARTS 7 parts diagram
Fig. 51 — OPTIONAL PARTS 7
4 items · 1 available products
Yamaha F300FST, FL300FST, F300FST2, FL300FST2 REPAIR KIT 1 parts diagram
Fig. 52 — REPAIR KIT 1
19 items · 11 available products
Yamaha F300FST, FL300FST, F300FST2, FL300FST2 REPAIR KIT 2 parts diagram
Fig. 53 — REPAIR KIT 2
40 items · 16 available products