Catalogs / Yamaha / Outboard

Yamaha F40H, F50H, F60F Parts Catalog

Browse 37 catalog sections for Yamaha F40H, F50H, F60F. Open a section to view the parts diagram, reference numbers and available products.

Yamaha F40H, F50H, F60F SCHEDULED SERVICE PARTS parts diagram
Fig. 1 — SCHEDULED SERVICE PARTS
19 items · 12 available products
Yamaha F40H, F50H, F60F TOP COWLING parts diagram
Fig. 2 — TOP COWLING
24 items
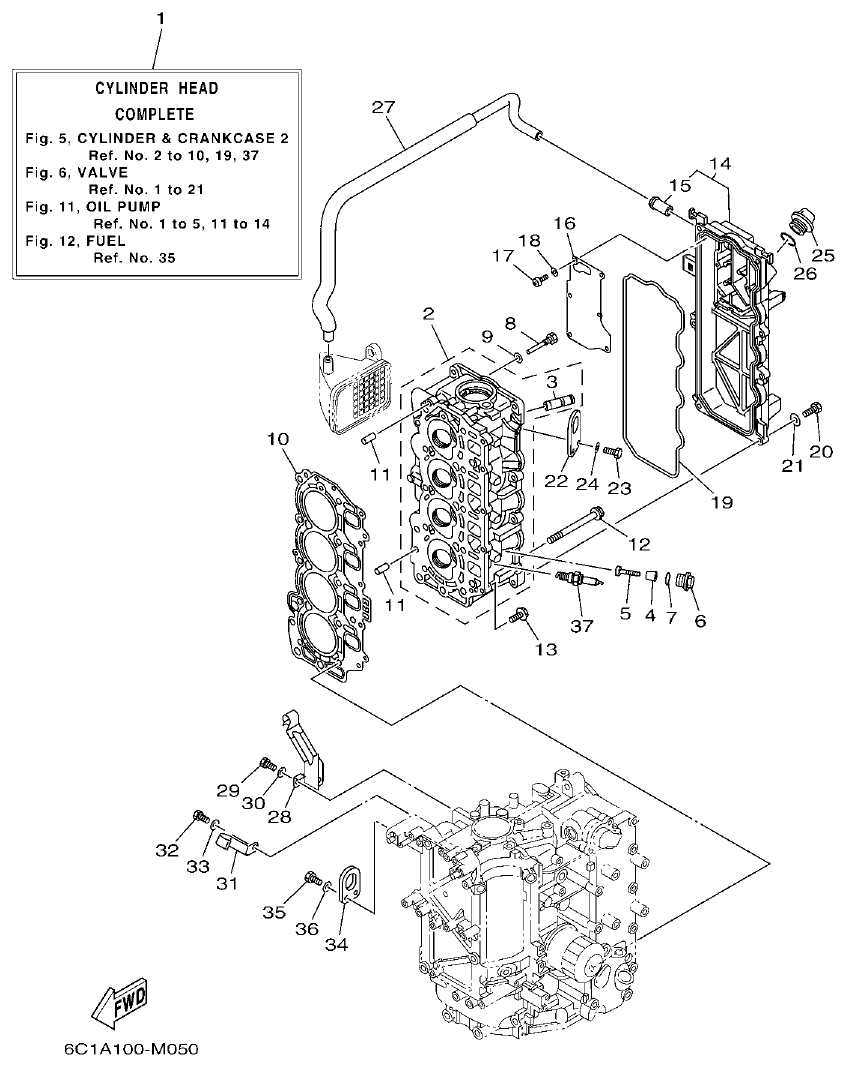
Yamaha F40H, F50H, F60F CYLINDER & CRANKCASE 1 parts diagram
Fig. 3 — CYLINDER & CRANKCASE 1
31 items · 4 available products
Yamaha F40H, F50H, F60F CRANKSHAFT & PISTON parts diagram
Fig. 4 — CRANKSHAFT & PISTON
21 items · 8 available products
Yamaha F40H, F50H, F60F CYLINDER & CRANKCASE 2 parts diagram
Fig. 5 — CYLINDER & CRANKCASE 2
37 items · 4 available products
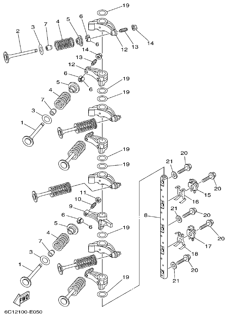
Yamaha F40H, F50H, F60F VALVE parts diagram
Fig. 6 — VALVE
21 items · 4 available products
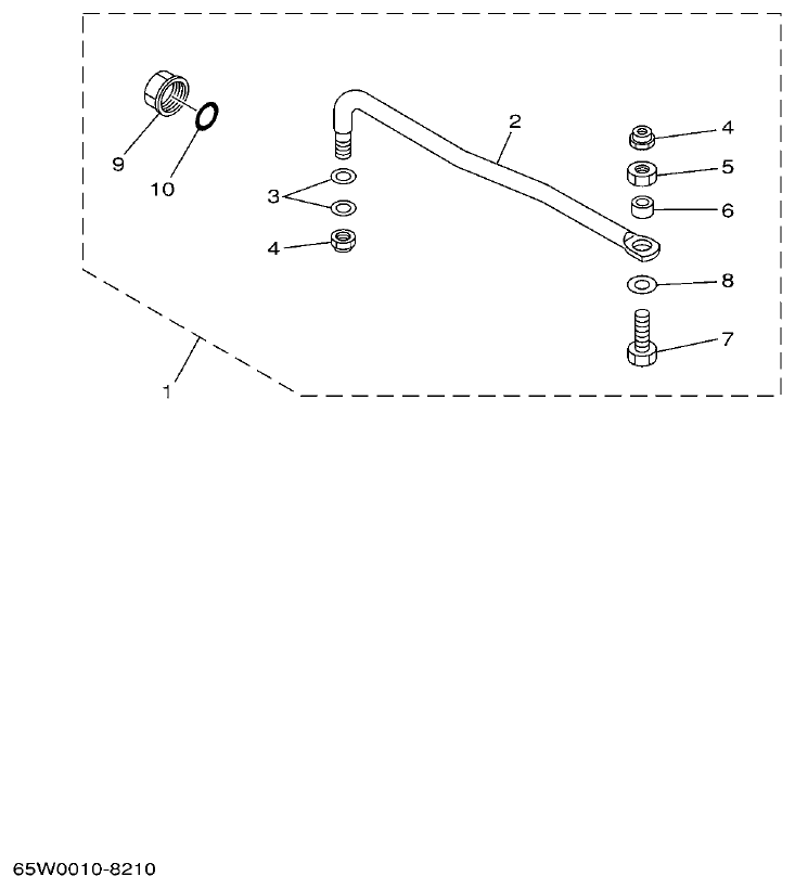
Yamaha F40H, F50H, F60F INTAKE 1 parts diagram
Fig. 7 — INTAKE 1
18 items · 3 available products
Yamaha F40H, F50H, F60F INTAKE 2 parts diagram
Fig. 8 — INTAKE 2
26 items · 1 available products
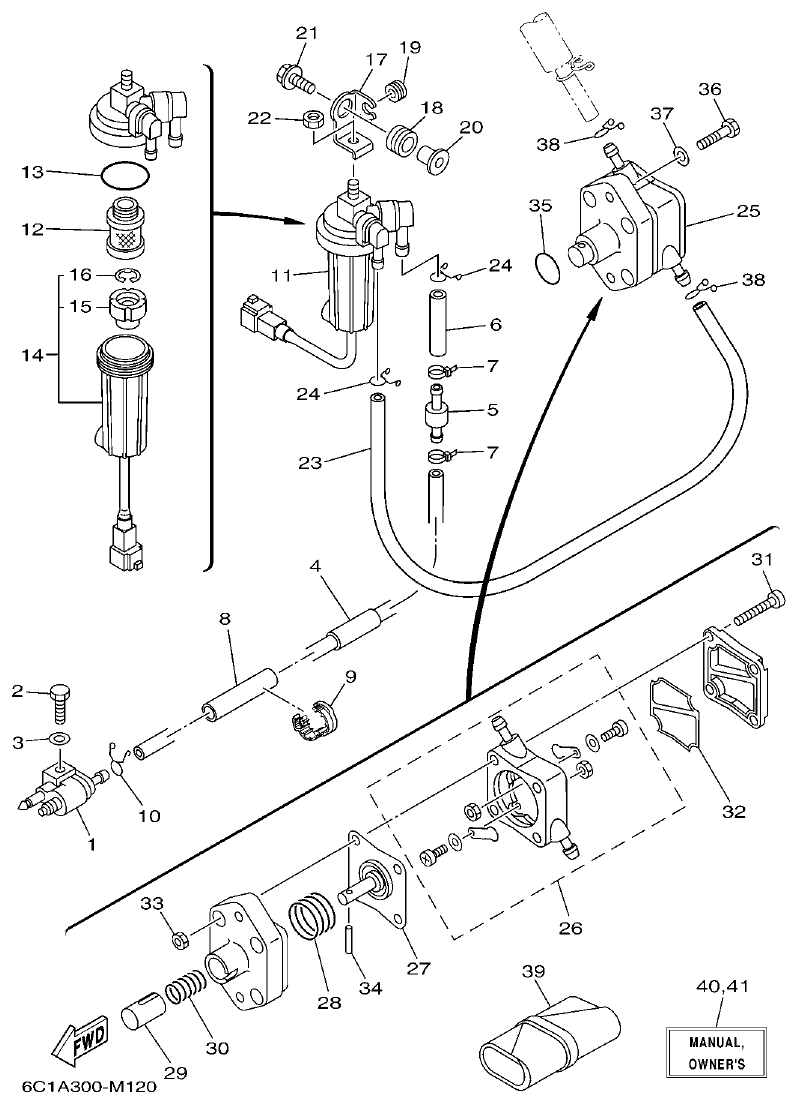
Yamaha F40H, F50H, F60F FUEL INJECTION PUMP 1 parts diagram
Fig. 9 — FUEL INJECTION PUMP 1
27 items · 8 available products
Yamaha F40H, F50H, F60F FUEL INJECTION PUMP 2 parts diagram
Fig. 10 — FUEL INJECTION PUMP 2
24 items
Yamaha F40H, F50H, F60F OIL PUMP parts diagram
Fig. 11 — OIL PUMP
14 items · 1 available products
Yamaha F40H, F50H, F60F FUEL parts diagram
Fig. 12 — FUEL
51 items · 4 available products
Yamaha F40H, F50H, F60F GENERATOR parts diagram
Fig. 13 — GENERATOR
27 items
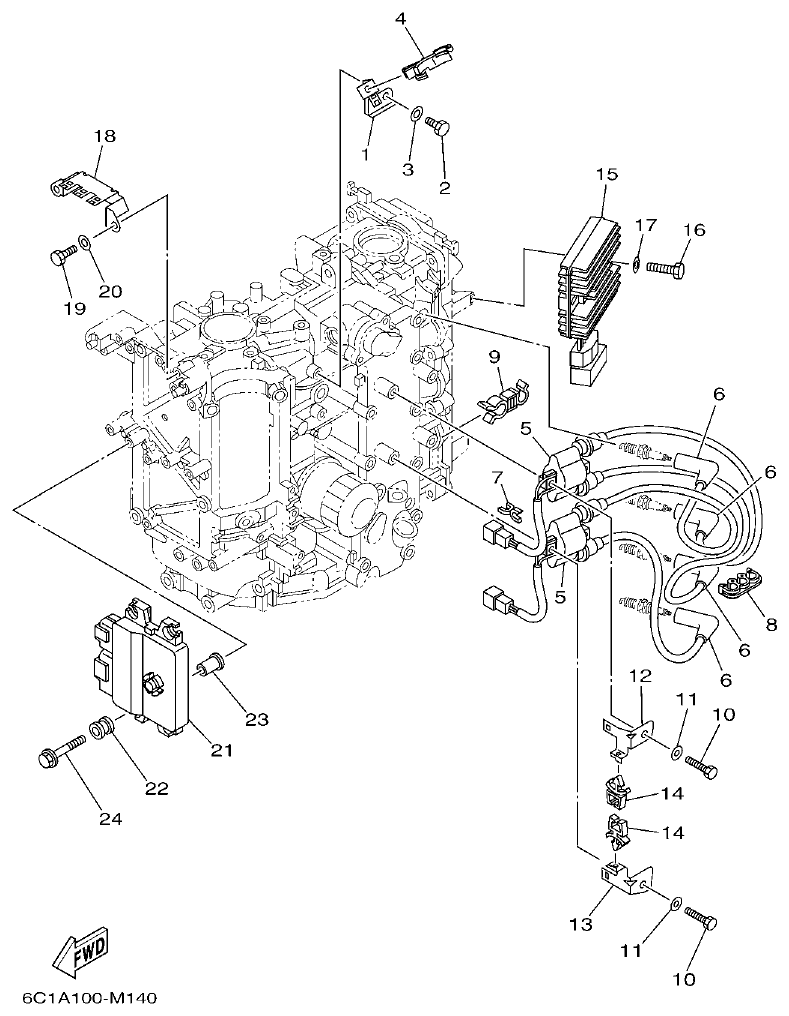
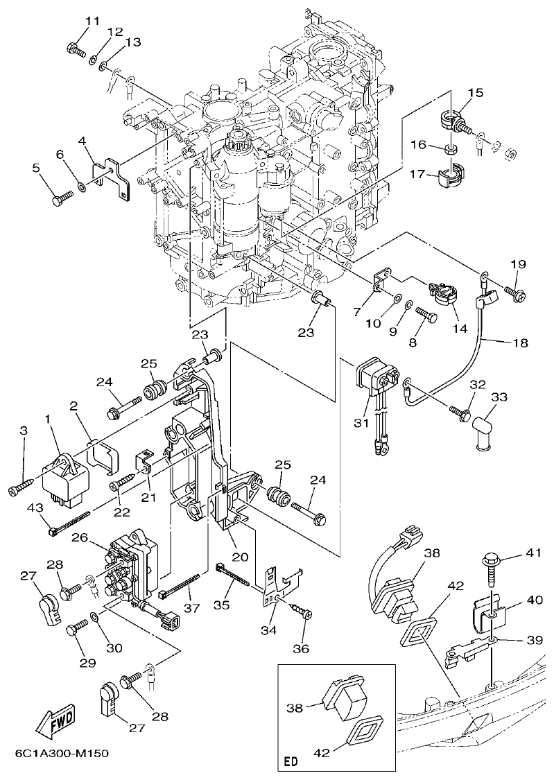
Yamaha F40H, F50H, F60F ELECTRICAL 1 parts diagram
Fig. 14 — ELECTRICAL 1
26 items · 2 available products
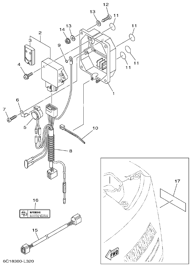
Yamaha F40H, F50H, F60F ELECTRICAL 2 parts diagram
Fig. 15 — ELECTRICAL 2
44 items · 4 available products
Yamaha F40H, F50H, F60F ELECTRICAL 3 parts diagram
Fig. 16 — ELECTRICAL 3
36 items · 1 available products
Yamaha F40H, F50H, F60F ELECTRICAL 4 parts diagram
Fig. 17 — ELECTRICAL 4
19 items
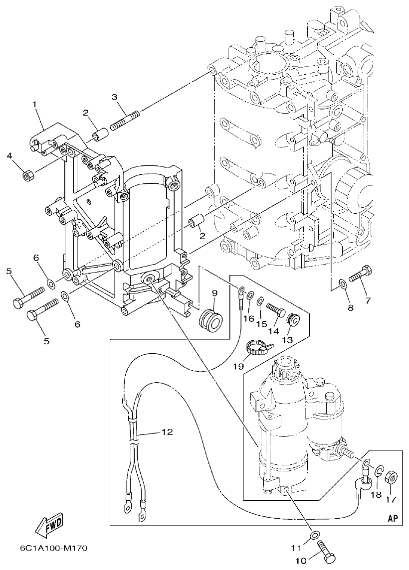
Yamaha F40H, F50H, F60F STARTING MOTOR parts diagram
Fig. 18 — STARTING MOTOR
26 items · 4 available products
Yamaha F40H, F50H, F60F BOTTOM COWLING 1 parts diagram
Fig. 19 — BOTTOM COWLING 1
43 items · 3 available products
Yamaha F40H, F50H, F60F BOTTOM COWLING 2 parts diagram
Fig. 20 — BOTTOM COWLING 2
22 items · 2 available products
Yamaha F40H, F50H, F60F CONTROL parts diagram
Fig. 21 — CONTROL
37 items · 4 available products
Yamaha F40H, F50H, F60F BRACKET 1 parts diagram
Fig. 22 — BRACKET 1
48 items · 5 available products
Yamaha F40H, F50H, F60F BRACKET 2 parts diagram
Fig. 23 — BRACKET 2
44 items · 4 available products
Yamaha F40H, F50H, F60F BRACKET 3 parts diagram
Fig. 24 — BRACKET 3
35 items · 1 available products
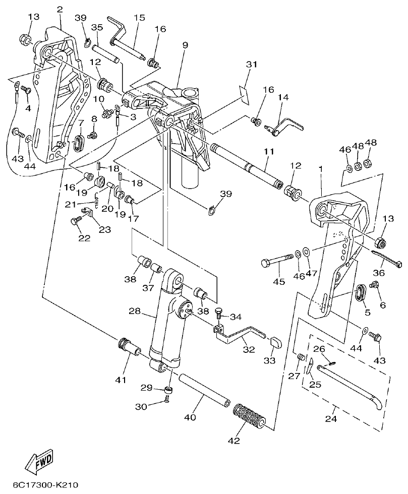
Yamaha F40H, F50H, F60F POWER TRIM & TILT ASSY 1 parts diagram
Fig. 25 — POWER TRIM & TILT ASSY 1
62 items · 7 available products
Yamaha F40H, F50H, F60F POWER TRIM & TILT ASSY 2 parts diagram
Fig. 26 — POWER TRIM & TILT ASSY 2
12 items · 2 available products
Yamaha F40H, F50H, F60F UPPER CASING parts diagram
Fig. 27 — UPPER CASING
23 items · 1 available products
Yamaha F40H, F50H, F60F OIL PAN parts diagram
Fig. 28 — OIL PAN
14 items · 1 available products
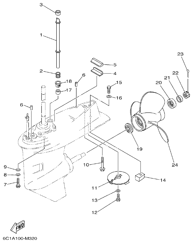
Yamaha F40H, F50H, F60F LOWER CASING & DRIVE 1 parts diagram
Fig. 29 — LOWER CASING & DRIVE 1
79 items · 39 available products
Yamaha F40H, F50H, F60F LOWER CASING & DRIVE 2 parts diagram
Fig. 30 — LOWER CASING & DRIVE 2
44 items · 12 available products
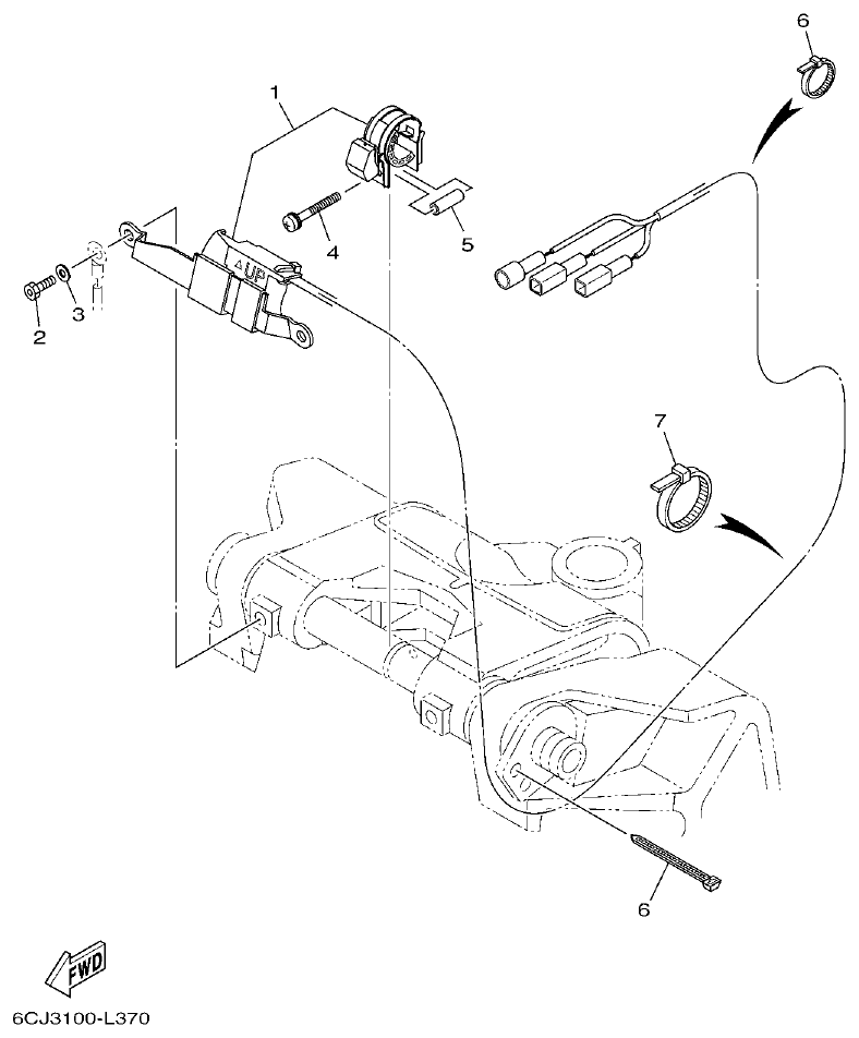
Yamaha F40H, F50H, F60F FUEL TANK parts diagram
Fig. 31 — FUEL TANK
7 items
Yamaha F40H, F50H, F60F STEERING GUIDE parts diagram
Fig. 32 — STEERING GUIDE
10 items · 1 available products
Yamaha F40H, F50H, F60F OPTIONAL PARTS 1 parts diagram
Fig. 33 — OPTIONAL PARTS 1
18 items · 1 available products
Yamaha F40H, F50H, F60F OPTIONAL PARTS 2 parts diagram
Fig. 34 — OPTIONAL PARTS 2
7 items
Yamaha F40H, F50H, F60F OPTIONAL PARTS 3 parts diagram
Fig. 35 — OPTIONAL PARTS 3
10 items
Yamaha F40H, F50H, F60F REPAIR KIT 1 parts diagram
Fig. 36 — REPAIR KIT 1
15 items · 2 available products
Yamaha F40H, F50H, F60F REPAIR KIT 2 parts diagram
Fig. 37 — REPAIR KIT 2
34 items · 8 available products