Catalogs / Yamaha / Outboard

Yamaha F50F, F60C Parts Catalog

Browse 37 catalog sections for Yamaha F50F, F60C. Open a section to view the parts diagram, reference numbers and available products.

Yamaha F50F, F60C TOP COWLING parts diagram
Fig. 1 — TOP COWLING
19 items
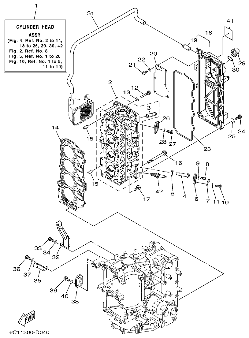
Yamaha F50F, F60C CYLINDER & CRANKCASE 1 parts diagram
Fig. 2 — CYLINDER & CRANKCASE 1
31 items · 4 available products
Yamaha F50F, F60C CRANKSHAFT & PISTON parts diagram
Fig. 3 — CRANKSHAFT & PISTON
21 items · 3 available products
Yamaha F50F, F60C CYLINDER & CRANKCASE 2 parts diagram
Fig. 4 — CYLINDER & CRANKCASE 2
42 items · 4 available products
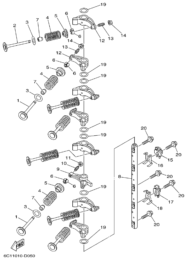
Yamaha F50F, F60C VALVE parts diagram
Fig. 5 — VALVE
20 items · 3 available products
Yamaha F50F, F60C INTAKE 1 parts diagram
Fig. 6 — INTAKE 1
18 items · 3 available products
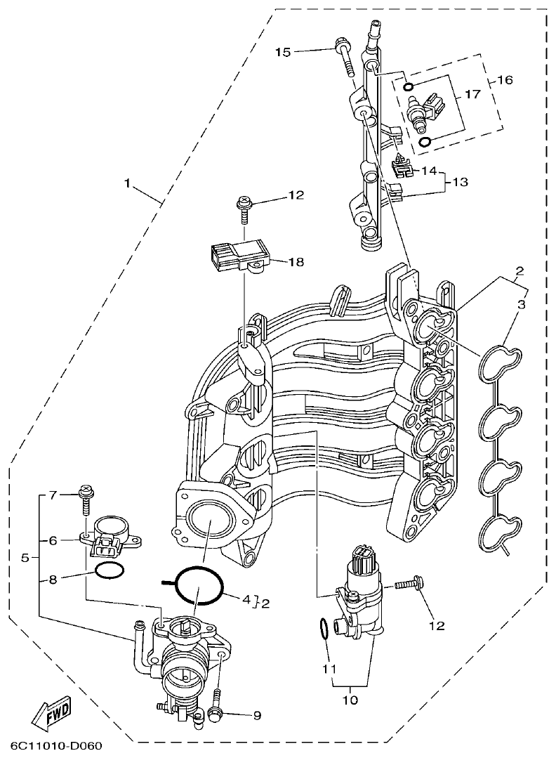
Yamaha F50F, F60C INTAKE 2 parts diagram
Fig. 7 — INTAKE 2
24 items · 1 available products
Yamaha F50F, F60C FUEL INJECTION PUMP 1 parts diagram
Fig. 8 — FUEL INJECTION PUMP 1
27 items · 6 available products
Yamaha F50F, F60C FUEL INJECTION PUMP 2 parts diagram
Fig. 9 — FUEL INJECTION PUMP 2
25 items
Yamaha F50F, F60C OIL PUMP parts diagram
Fig. 10 — OIL PUMP
19 items · 2 available products
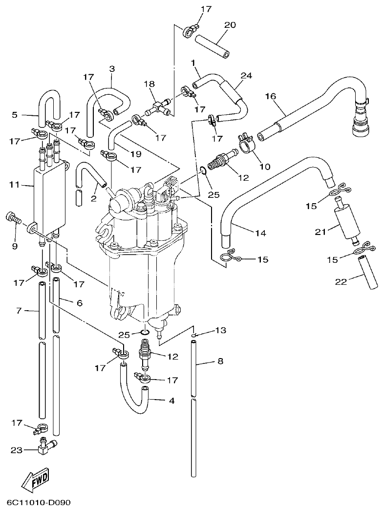
Yamaha F50F, F60C FUEL parts diagram
Fig. 11 — FUEL
47 items · 3 available products
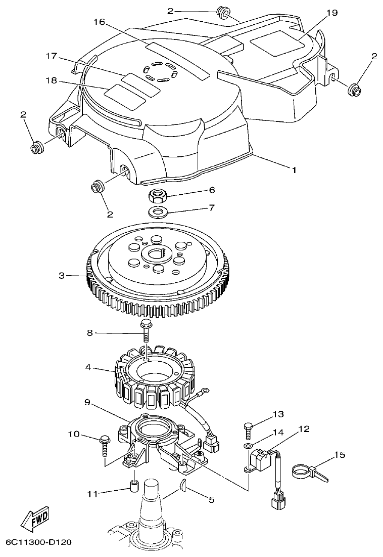
Yamaha F50F, F60C GENERATOR parts diagram
Fig. 12 — GENERATOR
19 items
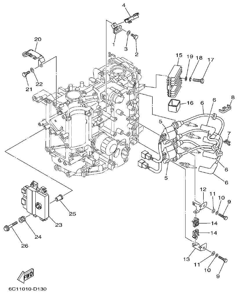
Yamaha F50F, F60C ELECTRICAL 1 parts diagram
Fig. 13 — ELECTRICAL 1
28 items · 1 available products
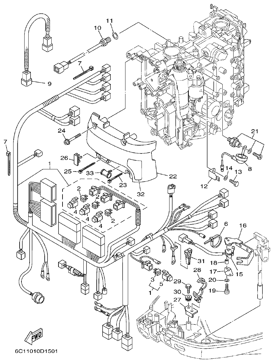
Yamaha F50F, F60C ELECTRICAL 2 parts diagram
Fig. 14 — ELECTRICAL 2
47 items · 4 available products
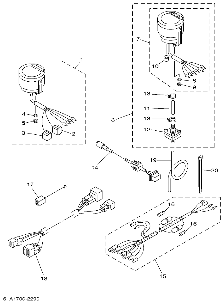
Yamaha F50F, F60C ELECTRICAL 3 parts diagram
Fig. 15 — ELECTRICAL 3
34 items
Yamaha F50F, F60C ELECTRICAL 4 parts diagram
Fig. 16 — ELECTRICAL 4
14 items
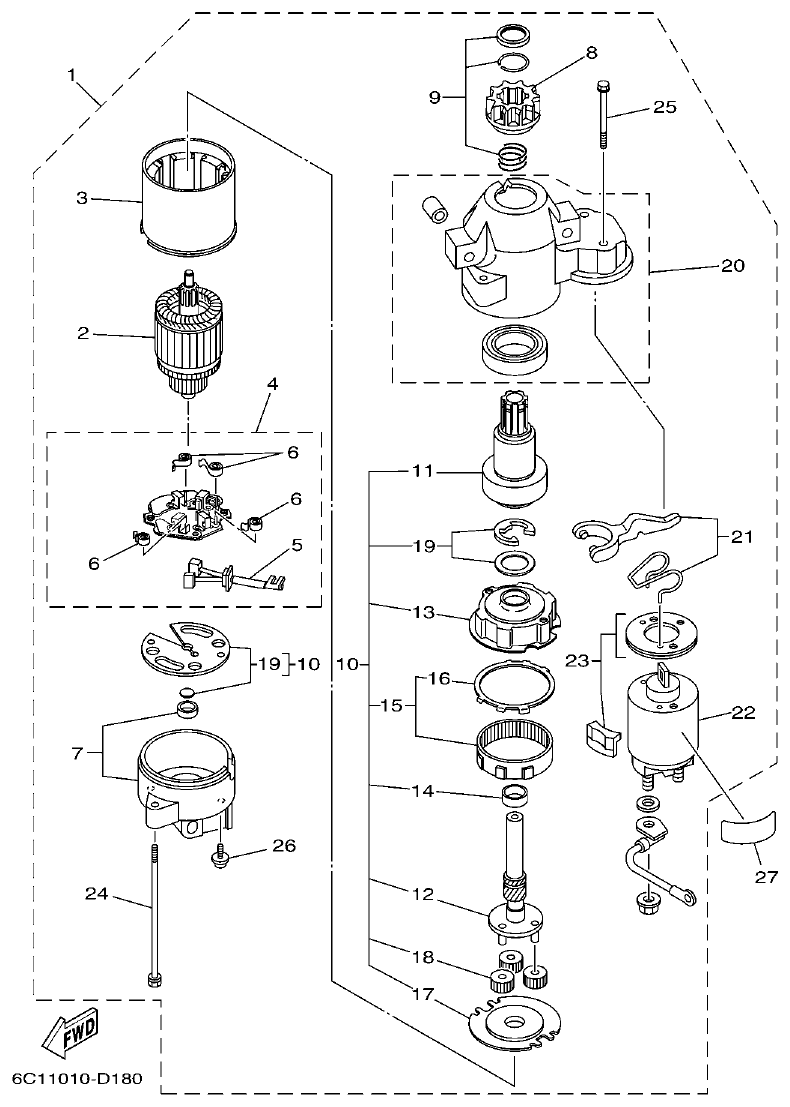
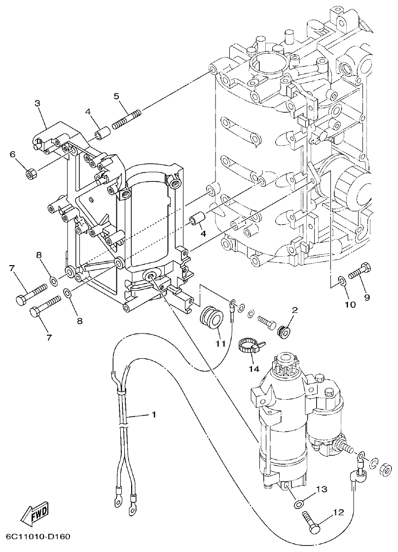
Yamaha F50F, F60C STARTING MOTOR parts diagram
Fig. 17 — STARTING MOTOR
27 items · 3 available products
Yamaha F50F, F60C BOTTOM COWLING 1 parts diagram
Fig. 18 — BOTTOM COWLING 1
46 items · 1 available products
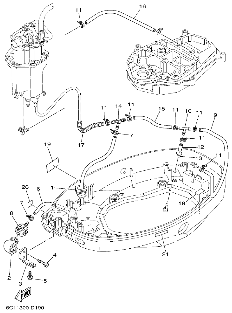
Yamaha F50F, F60C BOTTOM COWLING 2 parts diagram
Fig. 19 — BOTTOM COWLING 2
21 items · 1 available products
Yamaha F50F, F60C CONTROL parts diagram
Fig. 20 — CONTROL
39 items · 4 available products
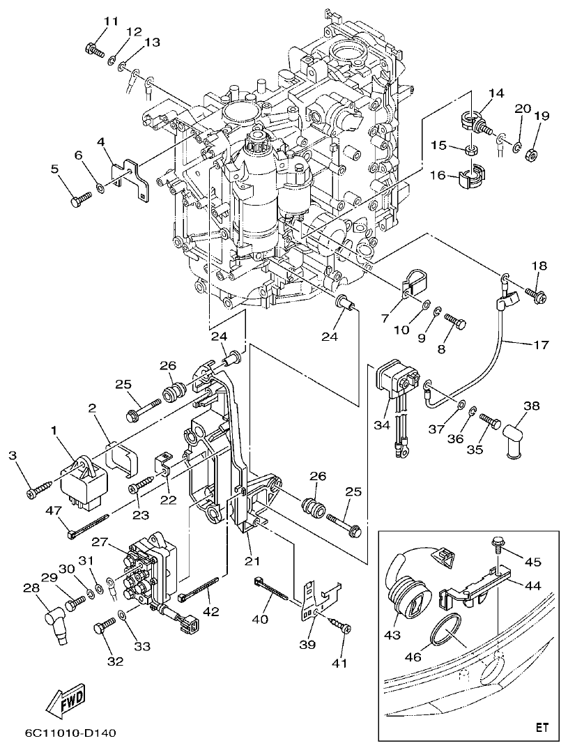
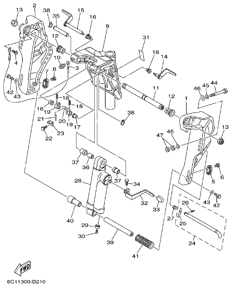
Yamaha F50F, F60C BRACKET 1 parts diagram
Fig. 21 — BRACKET 1
47 items · 5 available products
Yamaha F50F, F60C BRACKET 2 parts diagram
Fig. 22 — BRACKET 2
44 items · 4 available products
Yamaha F50F, F60C BRACKET 3 parts diagram
Fig. 23 — BRACKET 3
36 items · 1 available products
Yamaha F50F, F60C POWER TRIM & TILT ASSY 1 parts diagram
Fig. 24 — POWER TRIM & TILT ASSY 1
66 items · 3 available products
Yamaha F50F, F60C POWER TRIM & TILT ASSY 2 parts diagram
Fig. 25 — POWER TRIM & TILT ASSY 2
12 items · 1 available products
Yamaha F50F, F60C UPPER CASING parts diagram
Fig. 26 — UPPER CASING
27 items · 1 available products
Yamaha F50F, F60C OIL PAN parts diagram
Fig. 27 — OIL PAN
15 items · 1 available products
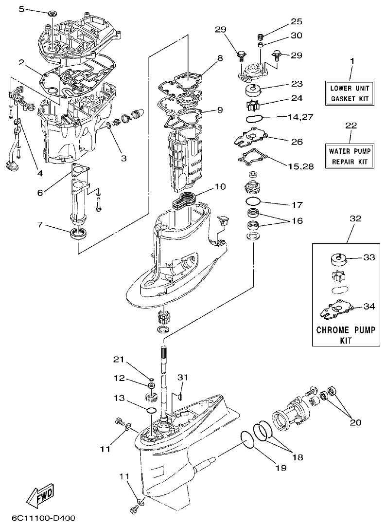
Yamaha F50F, F60C LOWER CASING & DRIVE 1 parts diagram
Fig. 28 — LOWER CASING & DRIVE 1
80 items · 38 available products
Yamaha F50F, F60C LOWER CASING & DRIVE 2 parts diagram
Fig. 29 — LOWER CASING & DRIVE 2
44 items · 6 available products
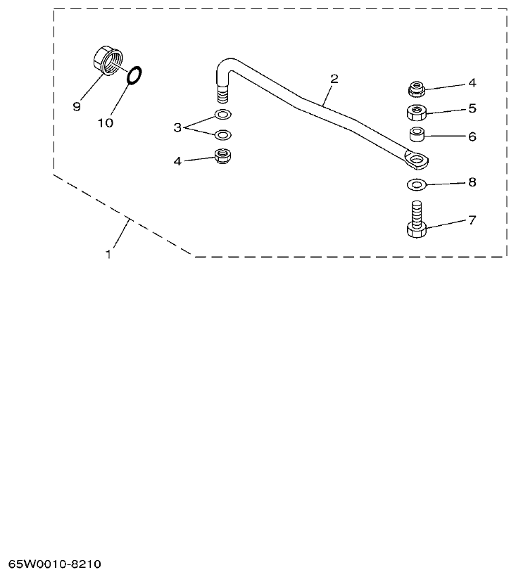
Yamaha F50F, F60C FUEL TANK parts diagram
Fig. 30 — FUEL TANK
7 items
Yamaha F50F, F60C STEERING GUIDE parts diagram
Fig. 31 — STEERING GUIDE
10 items · 1 available products
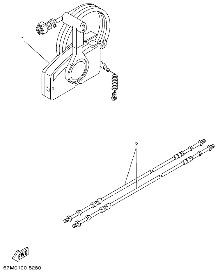
Yamaha F50F, F60C REMOTE CONTROL BOX parts diagram
Fig. 32 — REMOTE CONTROL BOX
5 items
Yamaha F50F, F60C REMOTE CONTROL ASSY parts diagram
Fig. 33 — REMOTE CONTROL ASSY
62 items · 12 available products
Yamaha F50F, F60C METER parts diagram
Fig. 34 — METER
20 items · 1 available products
Yamaha F50F, F60C OPTIONAL PARTS parts diagram
Fig. 35 — OPTIONAL PARTS
10 items
Yamaha F50F, F60C REPAIR KIT 1 parts diagram
Fig. 36 — REPAIR KIT 1
15 items · 3 available products
Yamaha F50F, F60C REPAIR KIT 2 parts diagram
Fig. 37 — REPAIR KIT 2
34 items · 8 available products