Catalogs / Yamaha / Outboard

Yamaha FT50JET, FT60GET Parts Catalog

Browse 36 catalog sections for Yamaha FT50JET, FT60GET. Open a section to view the parts diagram, reference numbers and available products.

Yamaha FT50JET, FT60GET SCHEDULED SERVICE PARTS parts diagram
Fig. 1 — SCHEDULED SERVICE PARTS
17 items · 10 available products
Yamaha FT50JET, FT60GET TOP COWLING parts diagram
Fig. 2 — TOP COWLING
21 items
Yamaha FT50JET, FT60GET CYLINDER & CRANKCASE 1 parts diagram
Fig. 3 — CYLINDER & CRANKCASE 1
31 items · 4 available products
Yamaha FT50JET, FT60GET CRANKSHAFT & PISTON parts diagram
Fig. 4 — CRANKSHAFT & PISTON
21 items · 8 available products
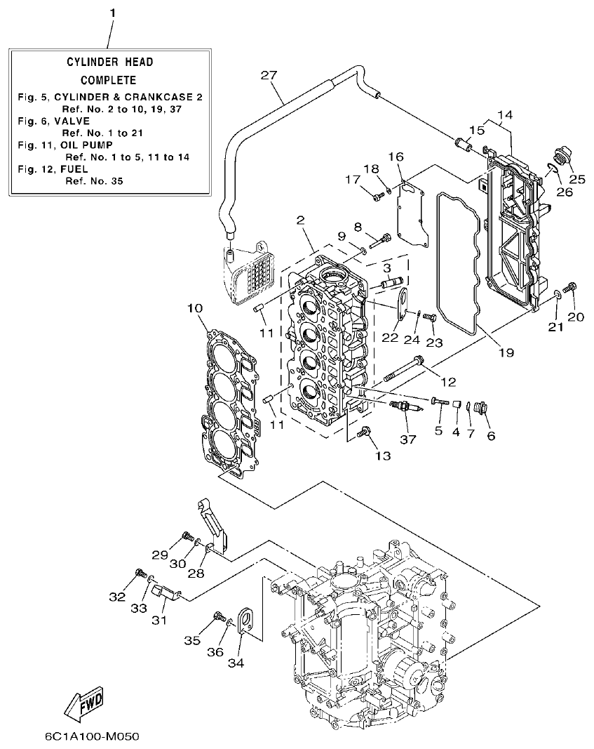
Yamaha FT50JET, FT60GET CYLINDER & CRANKCASE 2 parts diagram
Fig. 5 — CYLINDER & CRANKCASE 2
37 items · 4 available products
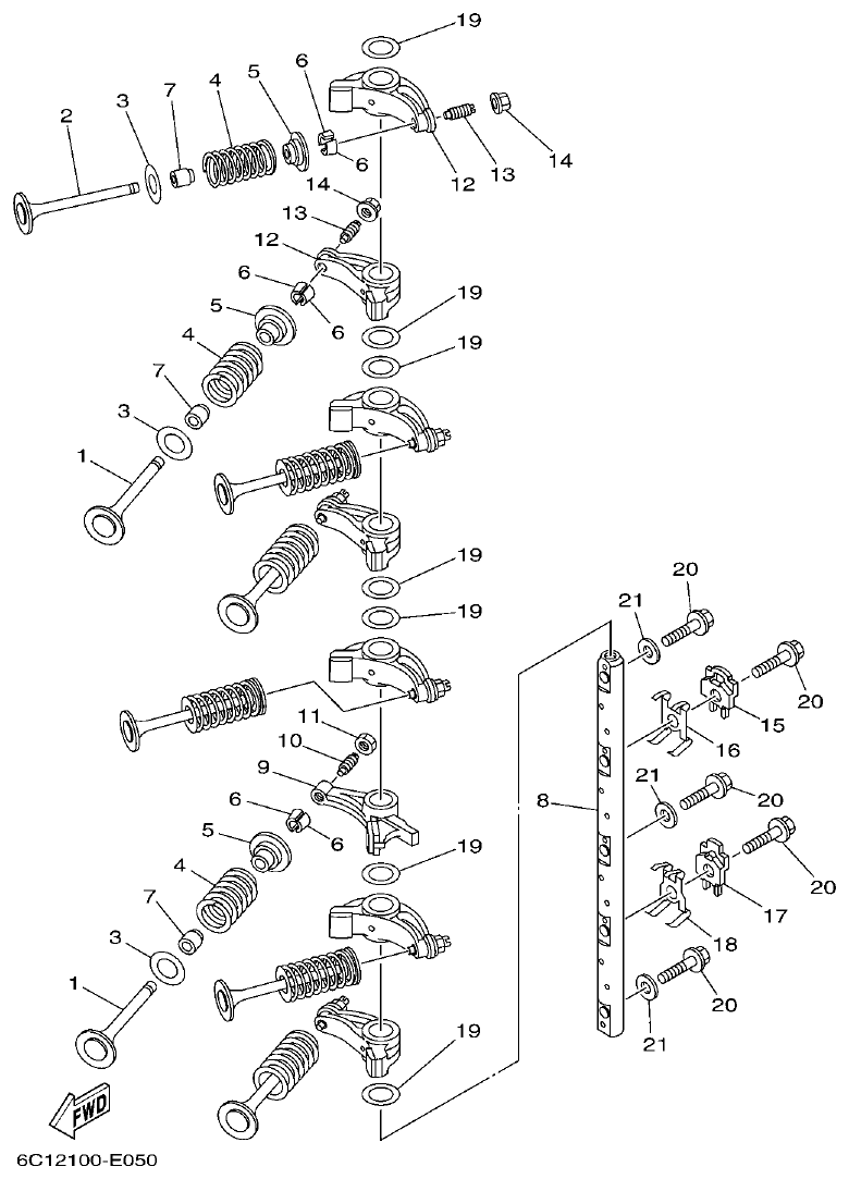
Yamaha FT50JET, FT60GET VALVE parts diagram
Fig. 6 — VALVE
21 items · 4 available products
Yamaha FT50JET, FT60GET INTAKE 1 parts diagram
Fig. 7 — INTAKE 1
18 items · 3 available products
Yamaha FT50JET, FT60GET INTAKE 2 parts diagram
Fig. 8 — INTAKE 2
25 items · 1 available products
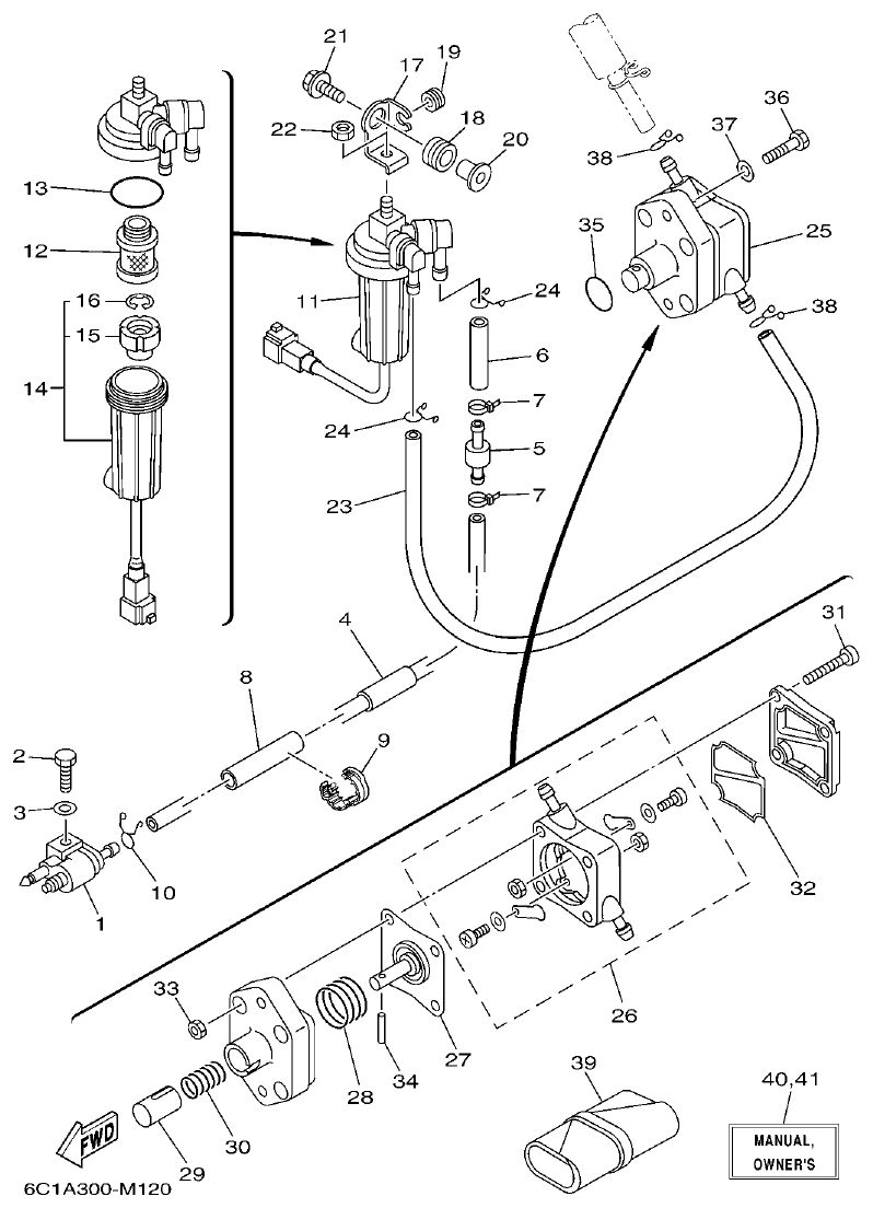
Yamaha FT50JET, FT60GET FUEL INJECTION PUMP 1 parts diagram
Fig. 9 — FUEL INJECTION PUMP 1
27 items · 8 available products
Yamaha FT50JET, FT60GET FUEL INJECTION PUMP 2 parts diagram
Fig. 10 — FUEL INJECTION PUMP 2
24 items
Yamaha FT50JET, FT60GET OIL PUMP parts diagram
Fig. 11 — OIL PUMP
14 items · 1 available products
Yamaha FT50JET, FT60GET FUEL parts diagram
Fig. 12 — FUEL
51 items · 4 available products
Yamaha FT50JET, FT60GET GENERATOR parts diagram
Fig. 13 — GENERATOR
27 items
Yamaha FT50JET, FT60GET ELECTRICAL 1 parts diagram
Fig. 14 — ELECTRICAL 1
25 items · 2 available products
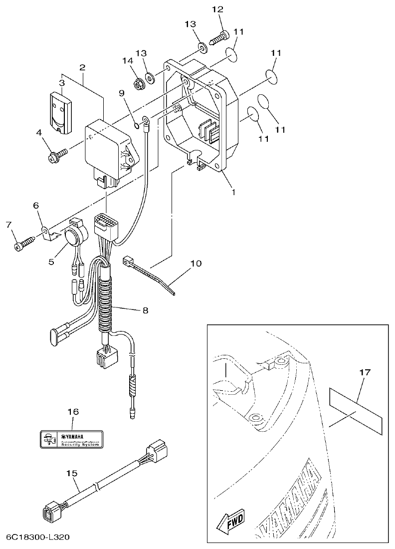
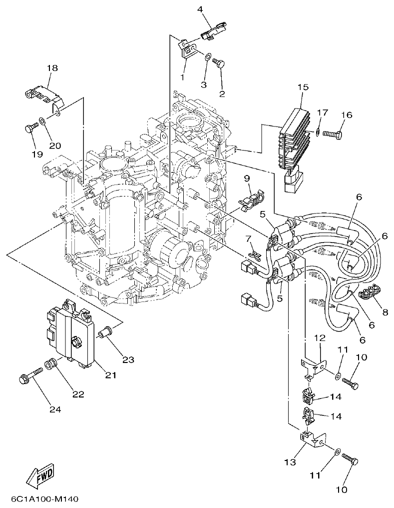
Yamaha FT50JET, FT60GET ELECTRICAL 2 parts diagram
Fig. 15 — ELECTRICAL 2
43 items · 4 available products
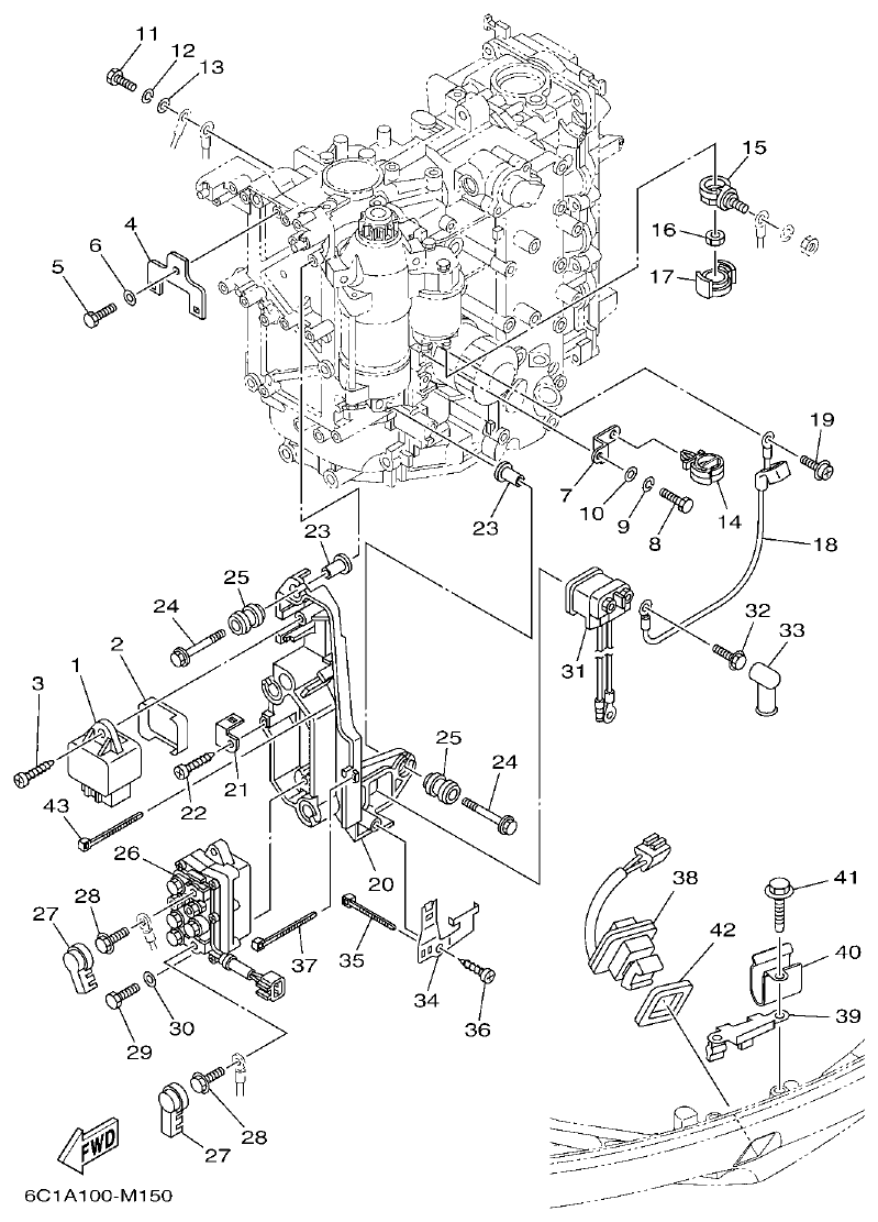
Yamaha FT50JET, FT60GET ELECTRICAL 3 parts diagram
Fig. 16 — ELECTRICAL 3
35 items · 1 available products
Yamaha FT50JET, FT60GET ELECTRICAL 4 parts diagram
Fig. 17 — ELECTRICAL 4
19 items
Yamaha FT50JET, FT60GET ELECTRICAL 5 parts diagram
Fig. 18 — ELECTRICAL 5
6 items
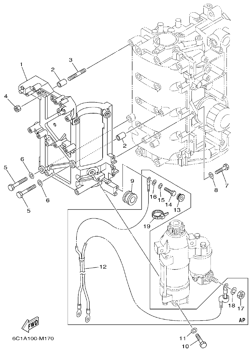
Yamaha FT50JET, FT60GET STARTING MOTOR parts diagram
Fig. 19 — STARTING MOTOR
26 items · 4 available products
Yamaha FT50JET, FT60GET BOTTOM COWLING 1 parts diagram
Fig. 20 — BOTTOM COWLING 1
43 items · 3 available products
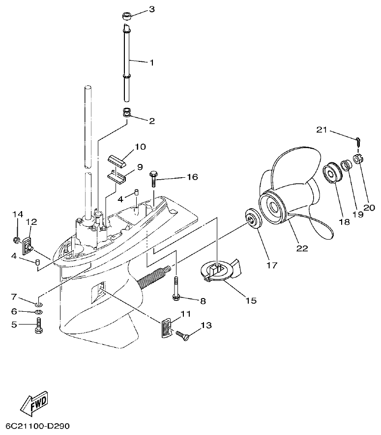
Yamaha FT50JET, FT60GET BOTTOM COWLING 2 parts diagram
Fig. 21 — BOTTOM COWLING 2
22 items · 2 available products
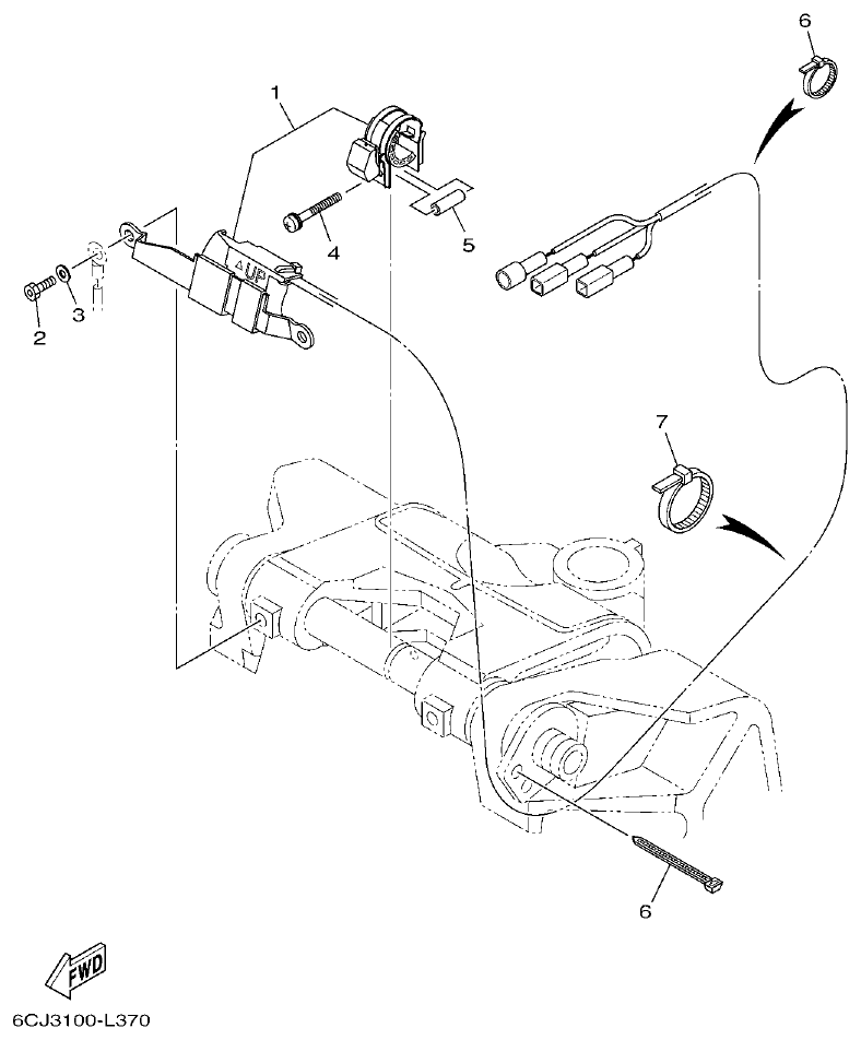
Yamaha FT50JET, FT60GET CONTROL parts diagram
Fig. 22 — CONTROL
38 items · 4 available products
Yamaha FT50JET, FT60GET BRACKET 1 parts diagram
Fig. 23 — BRACKET 1
44 items · 4 available products
Yamaha FT50JET, FT60GET BRACKET 2 parts diagram
Fig. 24 — BRACKET 2
37 items
Yamaha FT50JET, FT60GET POWER TRIM & TILT ASSY 1 parts diagram
Fig. 25 — POWER TRIM & TILT ASSY 1
62 items · 7 available products
Yamaha FT50JET, FT60GET POWER TRIM & TILT ASSY 2 parts diagram
Fig. 26 — POWER TRIM & TILT ASSY 2
12 items · 2 available products
Yamaha FT50JET, FT60GET UPPER CASING parts diagram
Fig. 27 — UPPER CASING
31 items · 1 available products
Yamaha FT50JET, FT60GET OIL PAN parts diagram
Fig. 28 — OIL PAN
14 items · 1 available products
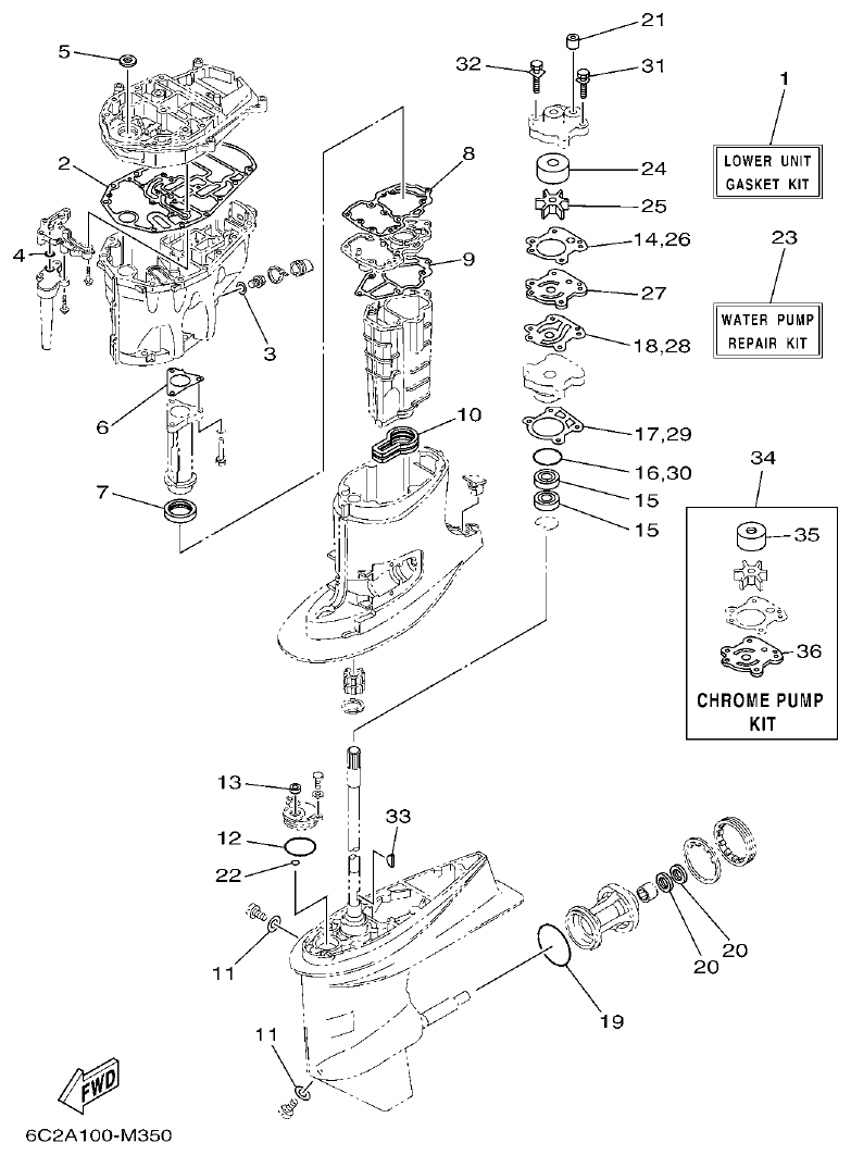
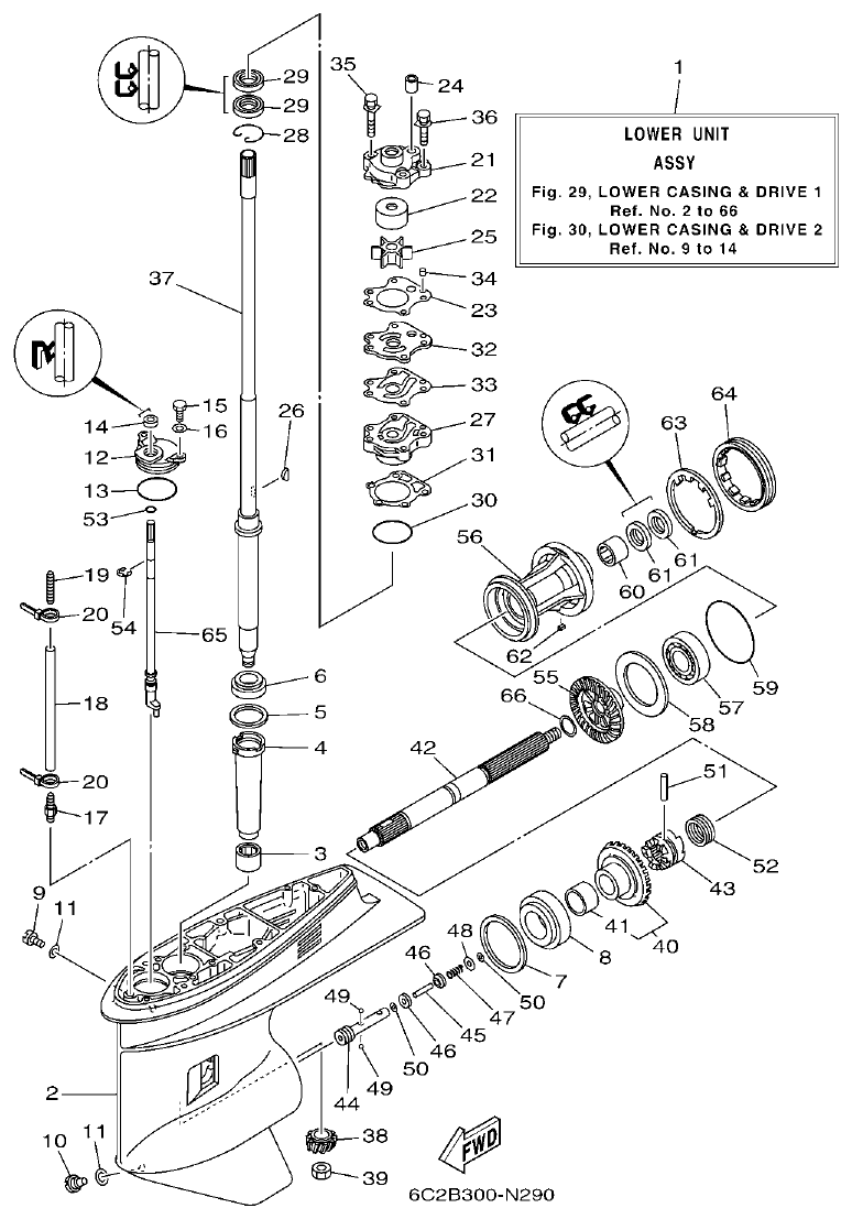
Yamaha FT50JET, FT60GET LOWER CASING & DRIVE 1 parts diagram
Fig. 29 — LOWER CASING & DRIVE 1
81 items · 26 available products
Yamaha FT50JET, FT60GET LOWER CASING & DRIVE 2 parts diagram
Fig. 30 — LOWER CASING & DRIVE 2
24 items · 7 available products
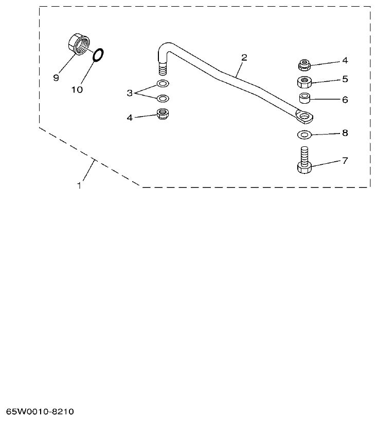
Yamaha FT50JET, FT60GET FUEL TANK parts diagram
Fig. 31 — FUEL TANK
7 items
Yamaha FT50JET, FT60GET STEERING GUIDE parts diagram
Fig. 32 — STEERING GUIDE
10 items · 1 available products
Yamaha FT50JET, FT60GET OPTIONAL PARTS 1 parts diagram
Fig. 33 — OPTIONAL PARTS 1
18 items · 1 available products
Yamaha FT50JET, FT60GET OPTIONAL PARTS 2 parts diagram
Fig. 34 — OPTIONAL PARTS 2
7 items
Yamaha FT50JET, FT60GET REPAIR KIT 1 parts diagram
Fig. 35 — REPAIR KIT 1
15 items · 2 available products
Yamaha FT50JET, FT60GET REPAIR KIT 2 parts diagram
Fig. 36 — REPAIR KIT 2
36 items · 6 available products