Catalogs / Yamaha / Outboard

Yamaha FT60B Parts Catalog

Browse 68 catalog sections for Yamaha FT60B. Open a section to view the parts diagram, reference numbers and available products.

Yamaha FT60B TOP COWLING parts diagram
Fig. 1 — TOP COWLING
16 items
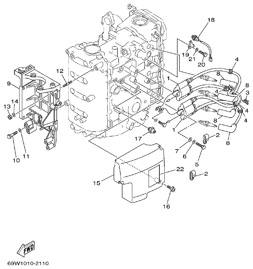
Yamaha FT60B CYLINDER. CRANKCASE 1 parts diagram
Fig. 2 — CYLINDER. CRANKCASE 1
33 items · 4 available products
Yamaha FT60B CRANKSHAFT. PISTON parts diagram
Fig. 3 — CRANKSHAFT. PISTON
21 items · 1 available products
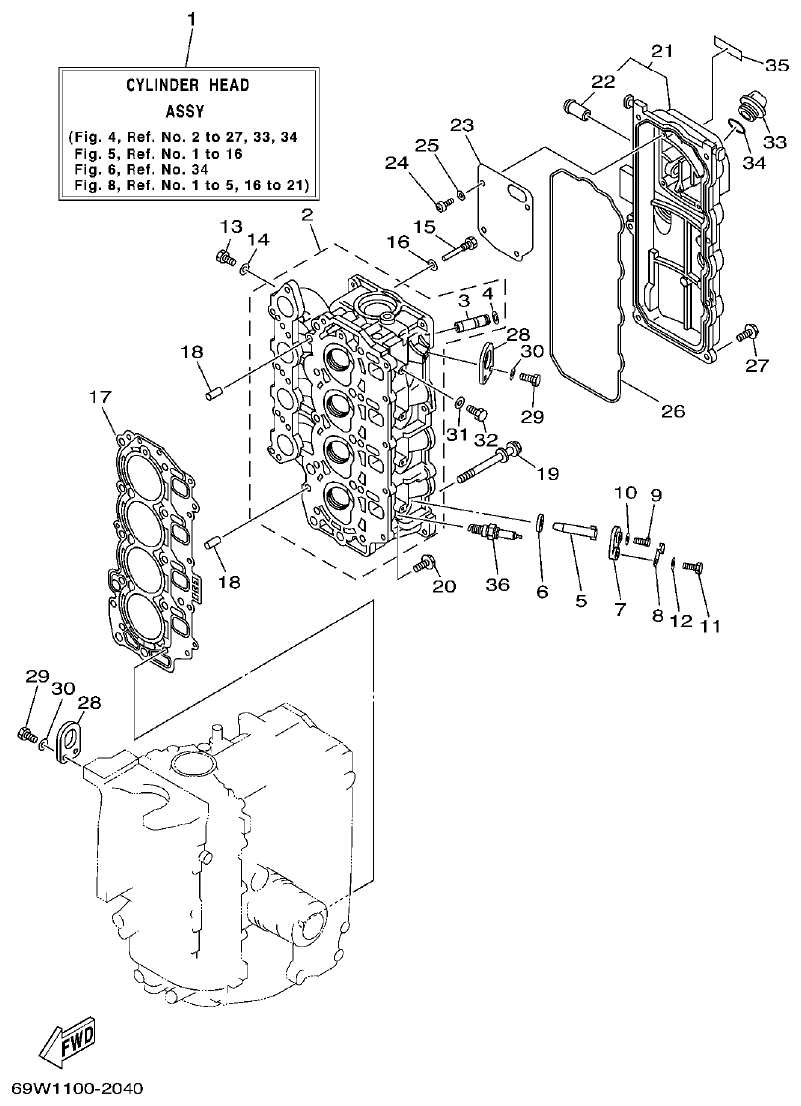
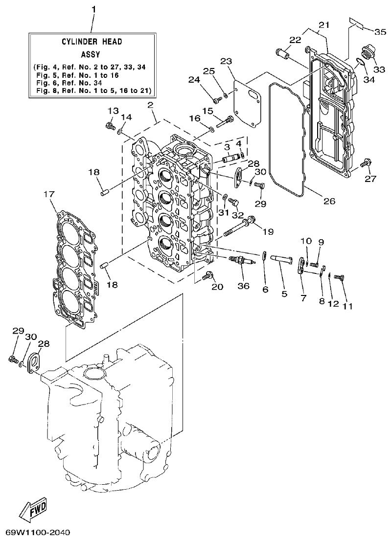
Yamaha FT60B CYLINDER. CRANKCASE 2 parts diagram
Fig. 4 — CYLINDER. CRANKCASE 2
37 items · 3 available products
Yamaha FT60B VALVE parts diagram
Fig. 5 — VALVE
16 items · 3 available products
Yamaha FT60B INTAKE parts diagram
Fig. 6 — INTAKE
44 items
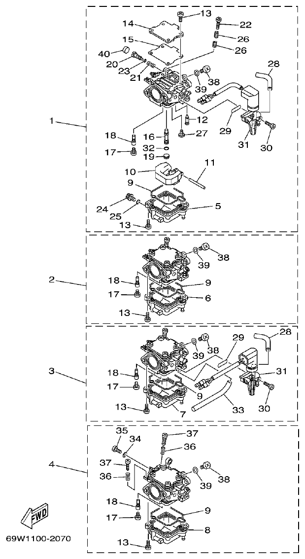
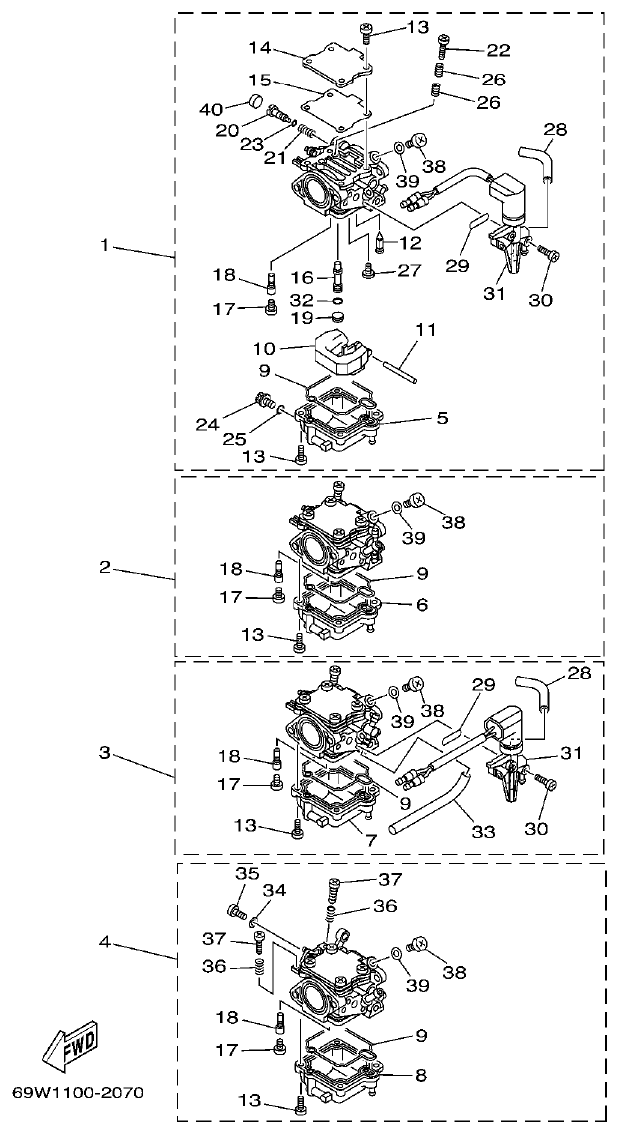
Yamaha FT60B CARBURETOR parts diagram
Fig. 7 — CARBURETOR
46 items · 6 available products
Yamaha FT60B OIL PUMP parts diagram
Fig. 8 — OIL PUMP
21 items · 1 available products
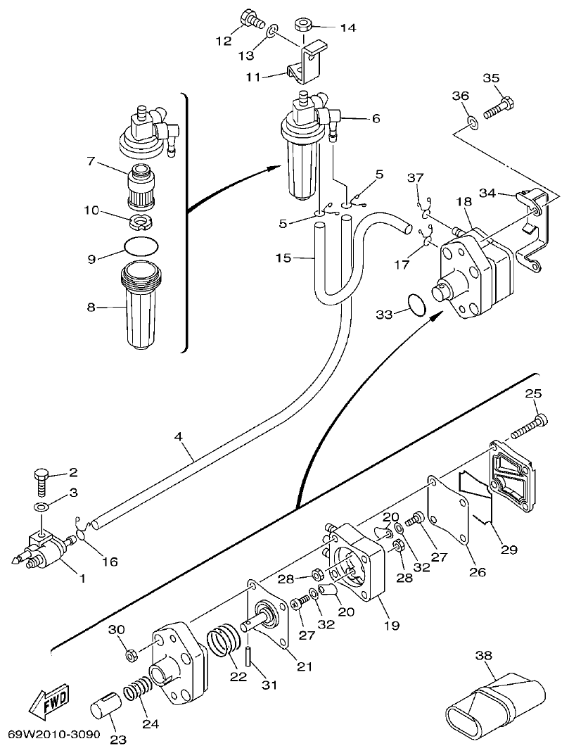
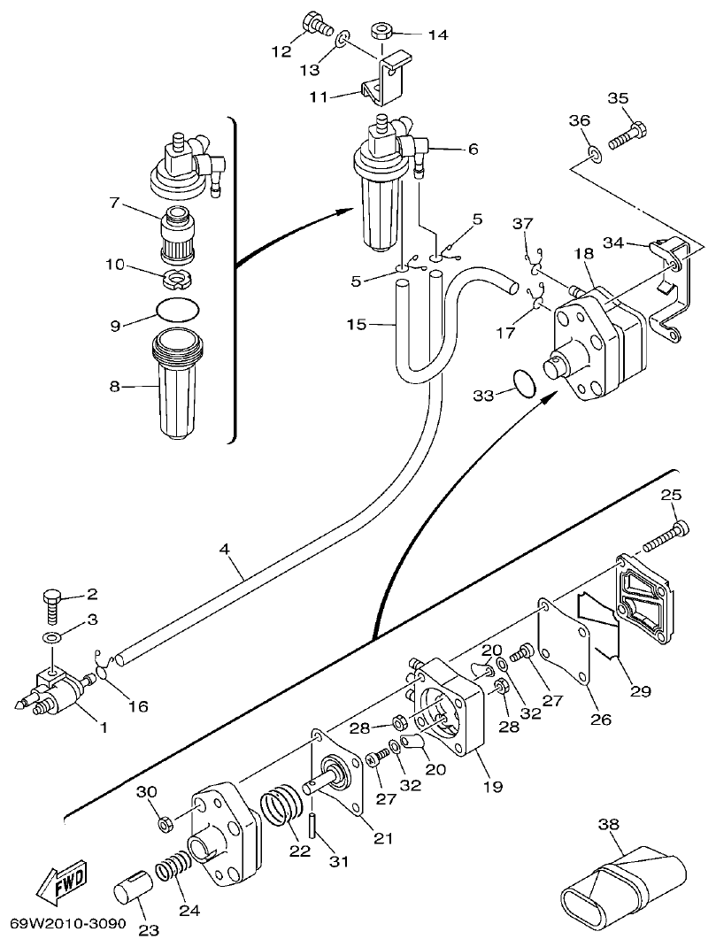
Yamaha FT60B FUEL 1 parts diagram
Fig. 9 — FUEL 1
38 items · 4 available products
Yamaha FT60B FUEL 2 parts diagram
Fig. 10 — FUEL 2
9 items · 1 available products
Yamaha FT60B GENERATOR parts diagram
Fig. 11 — GENERATOR
23 items
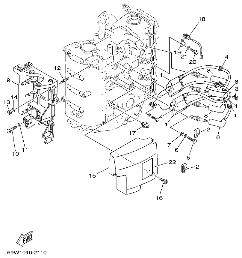
Yamaha FT60B ELECTRICAL 1 parts diagram
Fig. 12 — ELECTRICAL 1
22 items
Yamaha FT60B ELECTRICAL 2 parts diagram
Fig. 13 — ELECTRICAL 2
41 items · 3 available products
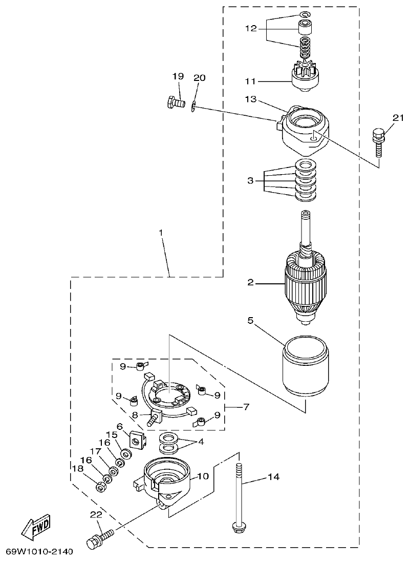
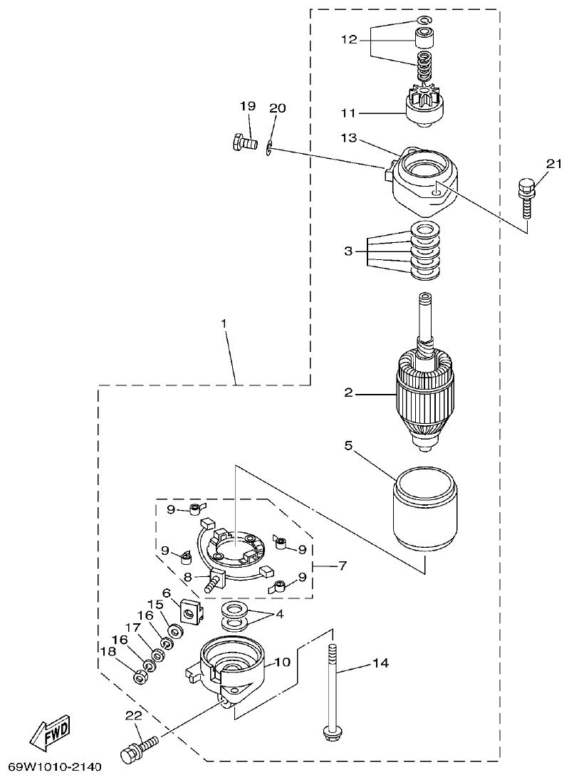
Yamaha FT60B STARTING MOTOR parts diagram
Fig. 14 — STARTING MOTOR
22 items · 6 available products
Yamaha FT60B BOTTOM COWLING parts diagram
Fig. 15 — BOTTOM COWLING
52 items · 1 available products
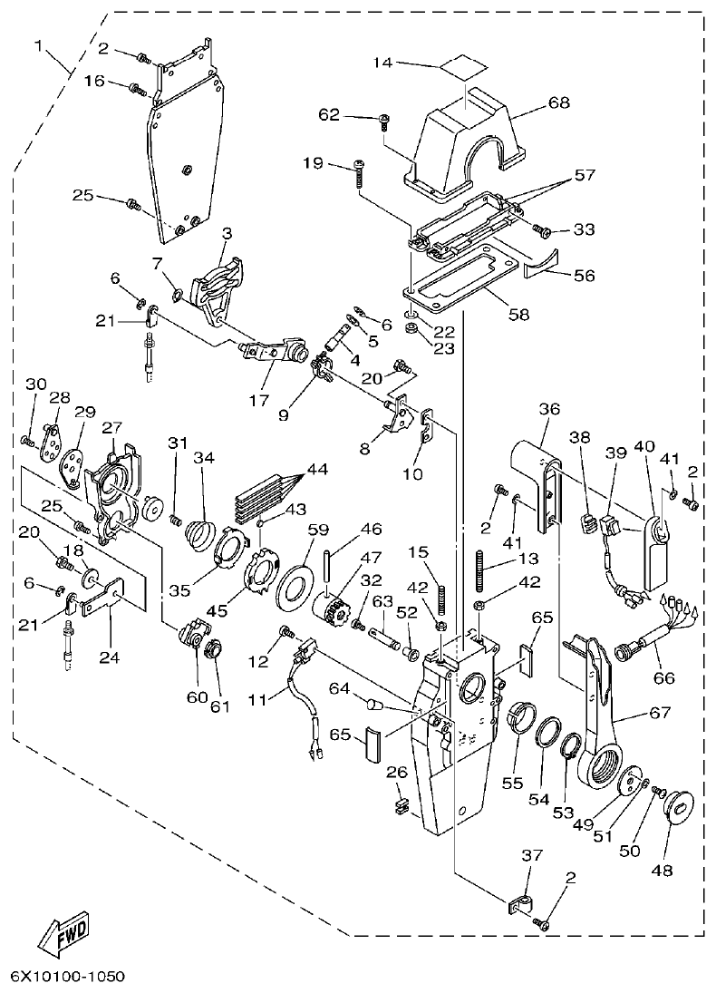
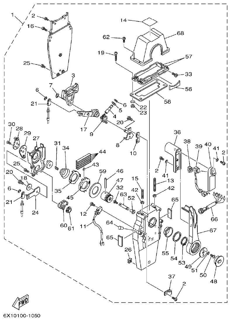
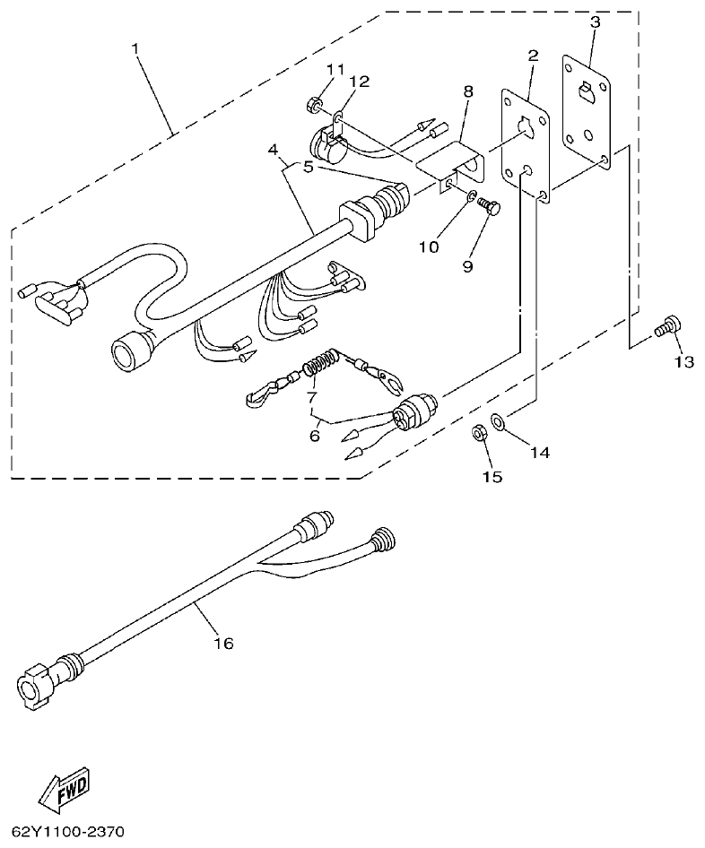
Yamaha FT60B CONTROL parts diagram
Fig. 16 — CONTROL
37 items · 2 available products
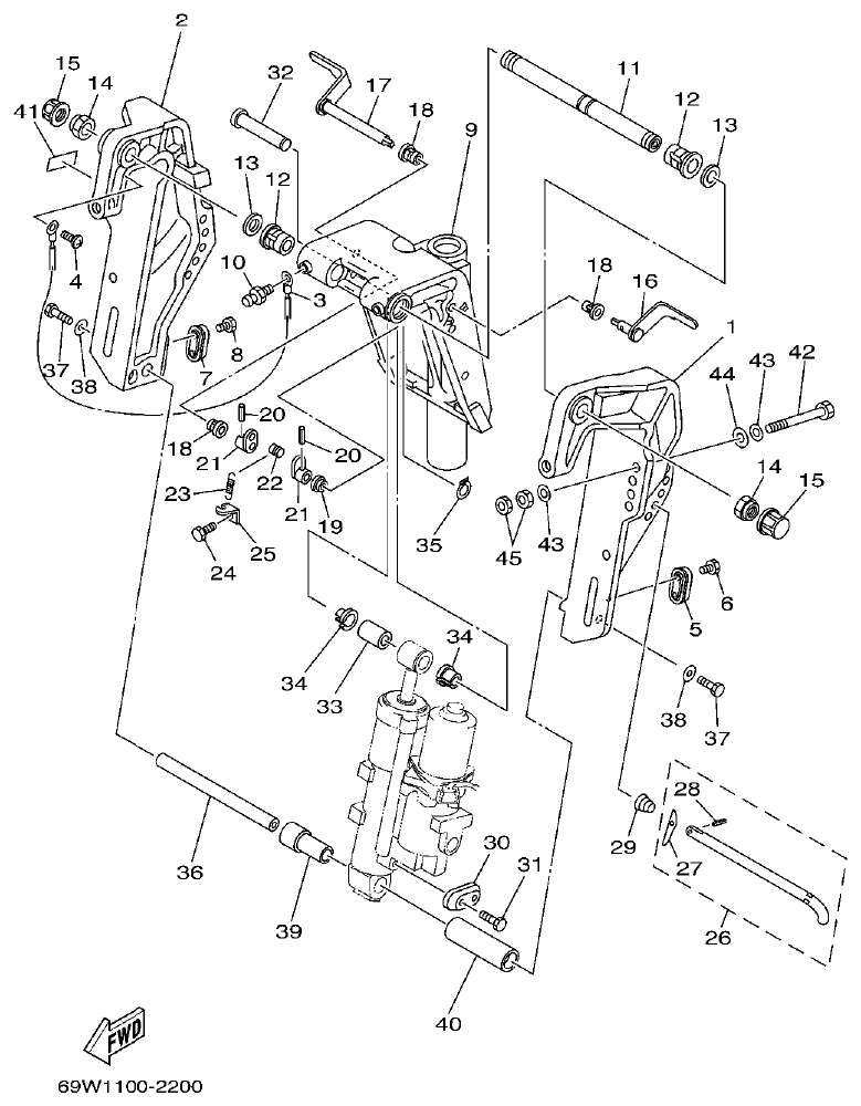
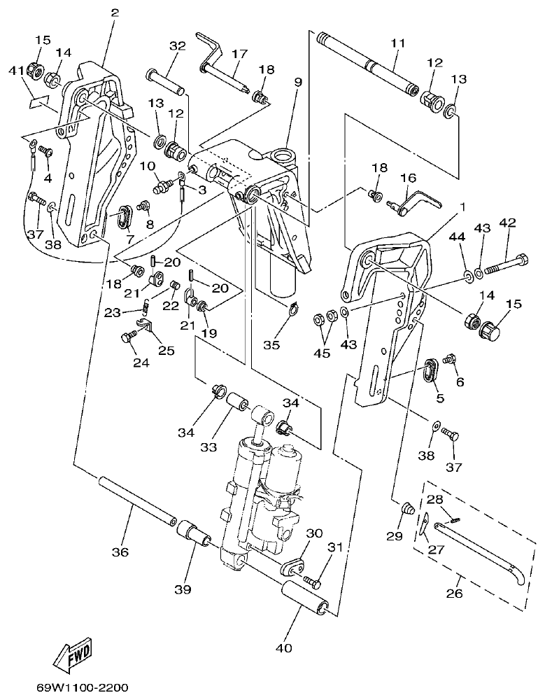
Yamaha FT60B BRACKET 1 parts diagram
Fig. 17 — BRACKET 1
45 items · 7 available products
Yamaha FT60B BRACKET 2 parts diagram
Fig. 18 — BRACKET 2
44 items · 1 available products
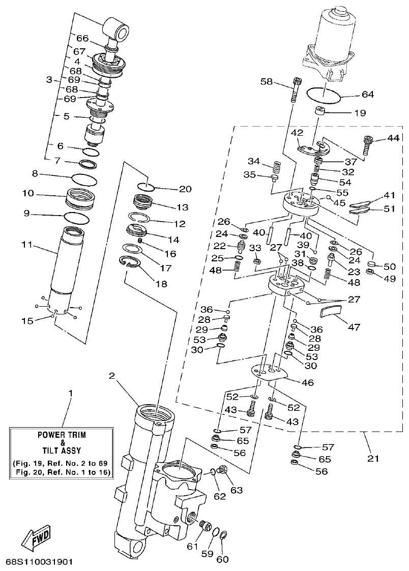
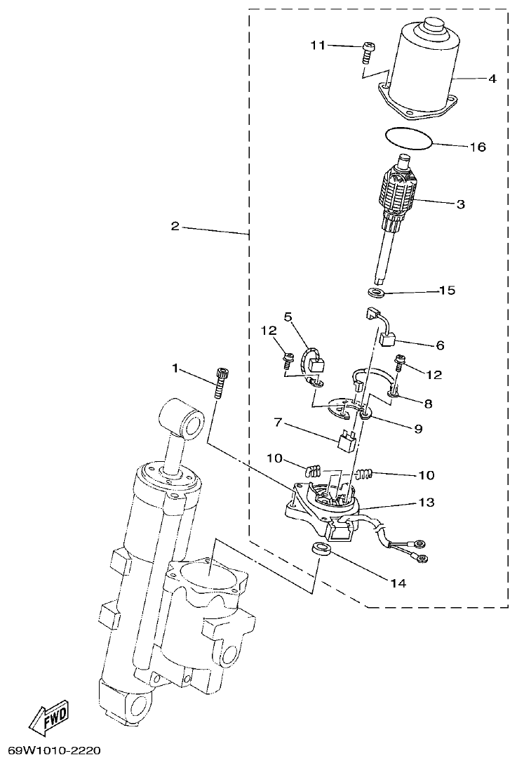
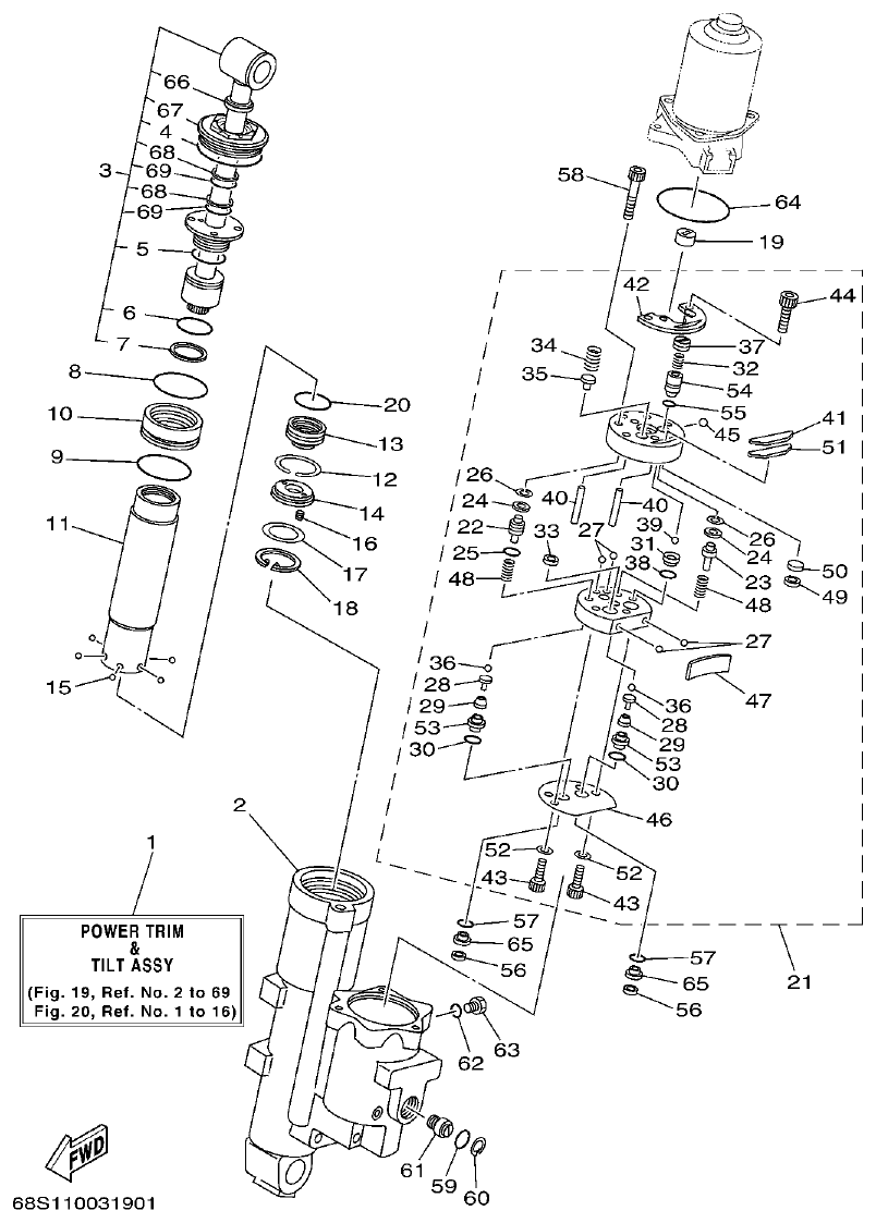
Yamaha FT60B POWER TRIM & TILT ASSY 1 parts diagram
Fig. 19 — POWER TRIM & TILT ASSY 1
69 items · 8 available products
Yamaha FT60B POWER TRIM & TILT ASSY 2 parts diagram
Fig. 20 — POWER TRIM & TILT ASSY 2
16 items · 3 available products
Yamaha FT60B UPPER CASING parts diagram
Fig. 21 — UPPER CASING
42 items · 1 available products
Yamaha FT60B OIL PAN parts diagram
Fig. 22 — OIL PAN
18 items
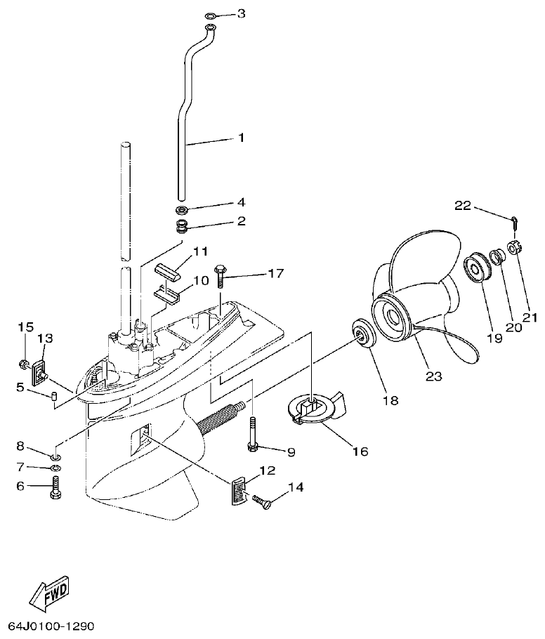
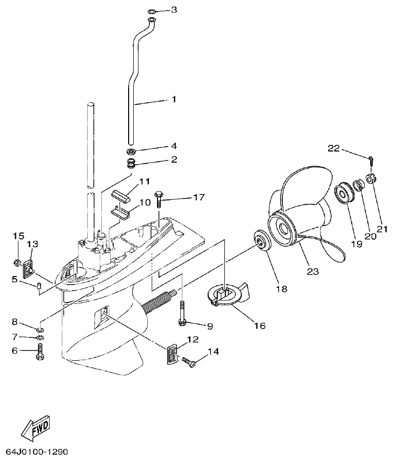
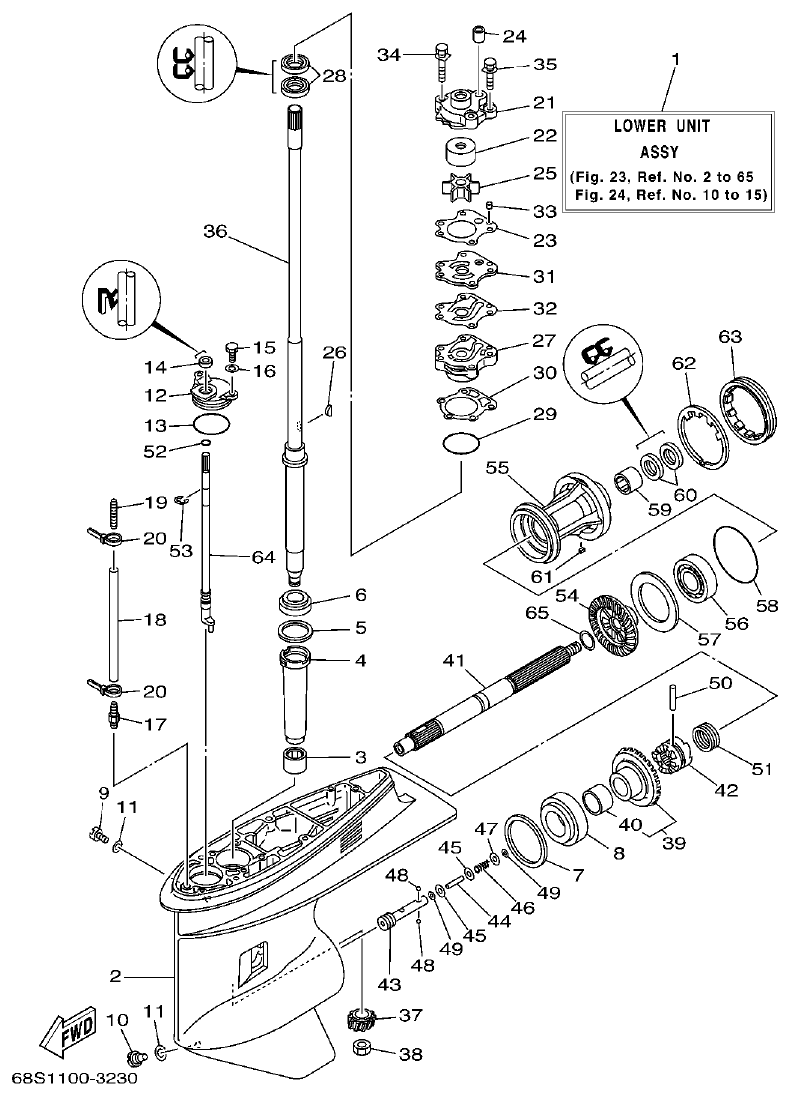
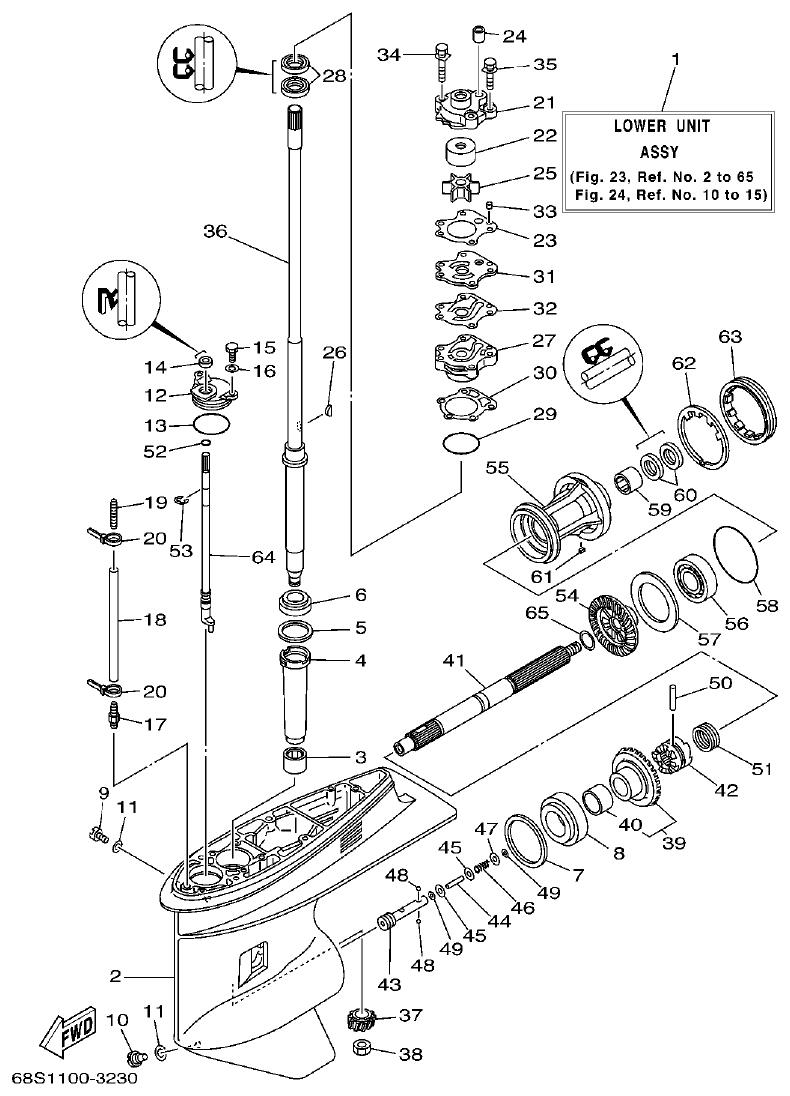
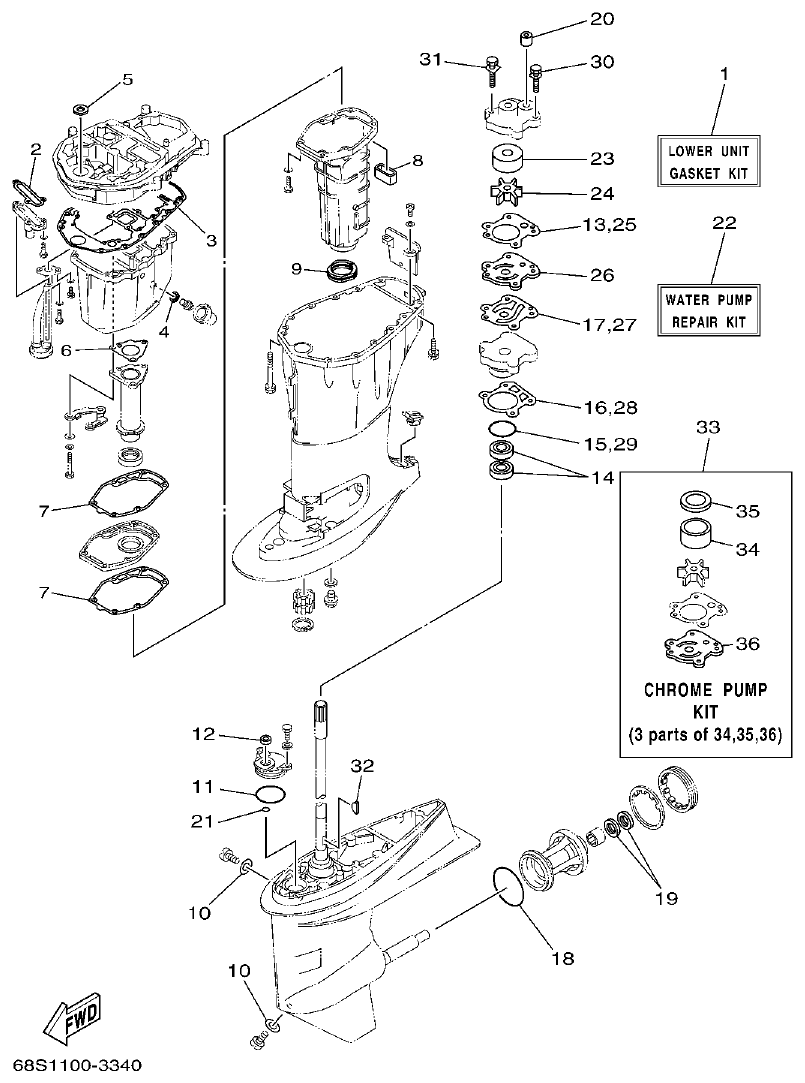
Yamaha FT60B LOWER CASING. DRIVE 1 parts diagram
Fig. 23 — LOWER CASING. DRIVE 1
80 items · 13 available products
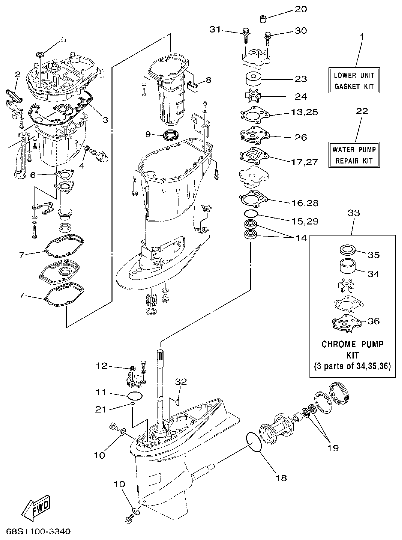
Yamaha FT60B LOWER CASING. DRIVE 2 parts diagram
Fig. 24 — LOWER CASING. DRIVE 2
25 items · 6 available products
Yamaha FT60B FUEL TANK parts diagram
Fig. 25 — FUEL TANK
16 items · 2 available products
Yamaha FT60B STEERING GUIDE parts diagram
Fig. 26 — STEERING GUIDE
10 items · 1 available products
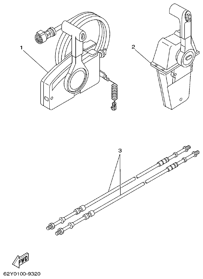
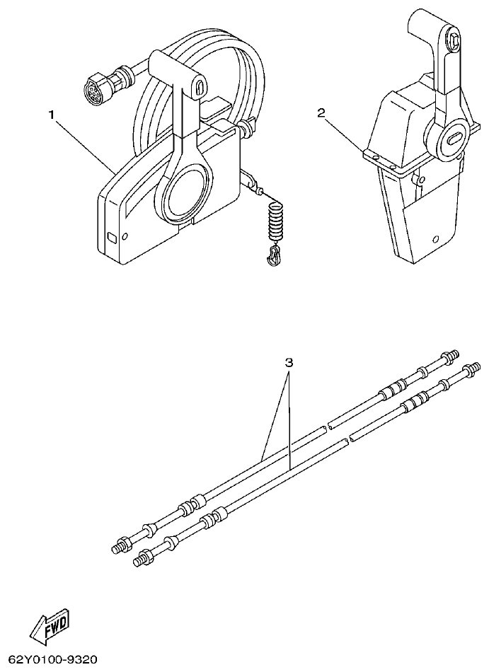
Yamaha FT60B REMOTE CONTROL BOX parts diagram
Fig. 27 — REMOTE CONTROL BOX
6 items
Yamaha FT60B REMOTE CONTROL ASSY 1 parts diagram
Fig. 28 — REMOTE CONTROL ASSY 1
62 items · 12 available products
Yamaha FT60B REMOTE CONTROL ASSY 2 parts diagram
Fig. 29 — REMOTE CONTROL ASSY 2
68 items · 1 available products
Yamaha FT60B METER parts diagram
Fig. 30 — METER
23 items · 1 available products
Yamaha FT60B SWITCH. PANEL parts diagram
Fig. 31 — SWITCH. PANEL
16 items · 2 available products
Yamaha FT60B REPAIR KIT 1 parts diagram
Fig. 32 — REPAIR KIT 1
21 items · 1 available products
Yamaha FT60B REPAIR KIT 2 parts diagram
Fig. 33 — REPAIR KIT 2
15 items · 6 available products
Yamaha FT60B REPAIR KIT 3 parts diagram
Fig. 34 — REPAIR KIT 3
36 items · 5 available products
Yamaha FT60B TOP COWLING parts diagram
Fig. 1 — TOP COWLING
16 items
Yamaha FT60B CYLINDER. CRANKCASE 1 parts diagram
Fig. 2 — CYLINDER. CRANKCASE 1
33 items · 4 available products
Yamaha FT60B CRANKSHAFT. PISTON parts diagram
Fig. 3 — CRANKSHAFT. PISTON
21 items · 1 available products
Yamaha FT60B CYLINDER. CRANKCASE 2 parts diagram
Fig. 4 — CYLINDER. CRANKCASE 2
37 items · 3 available products
Yamaha FT60B VALVE parts diagram
Fig. 5 — VALVE
16 items · 3 available products
Yamaha FT60B INTAKE parts diagram
Fig. 6 — INTAKE
44 items
Yamaha FT60B CARBURETOR parts diagram
Fig. 7 — CARBURETOR
46 items · 6 available products
Yamaha FT60B OIL PUMP parts diagram
Fig. 8 — OIL PUMP
21 items · 1 available products
Yamaha FT60B FUEL 1 parts diagram
Fig. 9 — FUEL 1
38 items · 4 available products
Yamaha FT60B FUEL 2 parts diagram
Fig. 10 — FUEL 2
9 items · 1 available products
Yamaha FT60B GENERATOR parts diagram
Fig. 11 — GENERATOR
23 items
Yamaha FT60B ELECTRICAL 1 parts diagram
Fig. 12 — ELECTRICAL 1
22 items
Yamaha FT60B ELECTRICAL 2 parts diagram
Fig. 13 — ELECTRICAL 2
41 items · 3 available products
Yamaha FT60B STARTING MOTOR parts diagram
Fig. 14 — STARTING MOTOR
22 items · 6 available products
Yamaha FT60B BOTTOM COWLING parts diagram
Fig. 15 — BOTTOM COWLING
52 items · 1 available products
Yamaha FT60B CONTROL parts diagram
Fig. 16 — CONTROL
37 items · 2 available products
Yamaha FT60B BRACKET 1 parts diagram
Fig. 17 — BRACKET 1
45 items · 7 available products
Yamaha FT60B BRACKET 2 parts diagram
Fig. 18 — BRACKET 2
44 items · 1 available products
Yamaha FT60B POWER TRIM & TILT ASSY 1 parts diagram
Fig. 19 — POWER TRIM & TILT ASSY 1
69 items · 8 available products
Yamaha FT60B POWER TRIM & TILT ASSY 2 parts diagram
Fig. 20 — POWER TRIM & TILT ASSY 2
16 items · 3 available products
Yamaha FT60B UPPER CASING parts diagram
Fig. 21 — UPPER CASING
42 items · 1 available products
Yamaha FT60B OIL PAN parts diagram
Fig. 22 — OIL PAN
18 items
Yamaha FT60B LOWER CASING. DRIVE 1 parts diagram
Fig. 23 — LOWER CASING. DRIVE 1
80 items · 13 available products
Yamaha FT60B LOWER CASING. DRIVE 2 parts diagram
Fig. 24 — LOWER CASING. DRIVE 2
25 items · 6 available products
Yamaha FT60B FUEL TANK parts diagram
Fig. 25 — FUEL TANK
16 items · 2 available products
Yamaha FT60B STEERING GUIDE parts diagram
Fig. 26 — STEERING GUIDE
10 items · 1 available products
Yamaha FT60B REMOTE CONTROL BOX parts diagram
Fig. 27 — REMOTE CONTROL BOX
6 items
Yamaha FT60B REMOTE CONTROL ASSY 1 parts diagram
Fig. 28 — REMOTE CONTROL ASSY 1
62 items · 12 available products
Yamaha FT60B REMOTE CONTROL ASSY 2 parts diagram
Fig. 29 — REMOTE CONTROL ASSY 2
68 items · 1 available products
Yamaha FT60B METER parts diagram
Fig. 30 — METER
23 items · 1 available products
Yamaha FT60B SWITCH. PANEL parts diagram
Fig. 31 — SWITCH. PANEL
16 items · 2 available products
Yamaha FT60B REPAIR KIT 1 parts diagram
Fig. 32 — REPAIR KIT 1
21 items · 1 available products
Yamaha FT60B REPAIR KIT 2 parts diagram
Fig. 33 — REPAIR KIT 2
15 items · 6 available products
Yamaha FT60B REPAIR KIT 3 parts diagram
Fig. 34 — REPAIR KIT 3
36 items · 5 available products