Catalogs / Yamaha / Water Vehicle
Yamaha F1G1 Parts Catalog
Browse 32 catalog sections for Yamaha F1G1. Open a section to view the parts diagram, reference numbers and available products.
Fig. 1 — CYLINDER. CRANKCASE 1
37 items
· 1 available products
Fig. 2 — CYLINDER. CRANKCASE 2
33 items
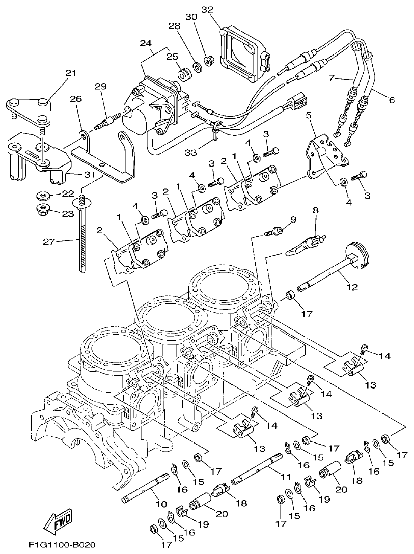
Fig. 3 — CRANKSHAFT. PISTON
31 items
· 5 available products
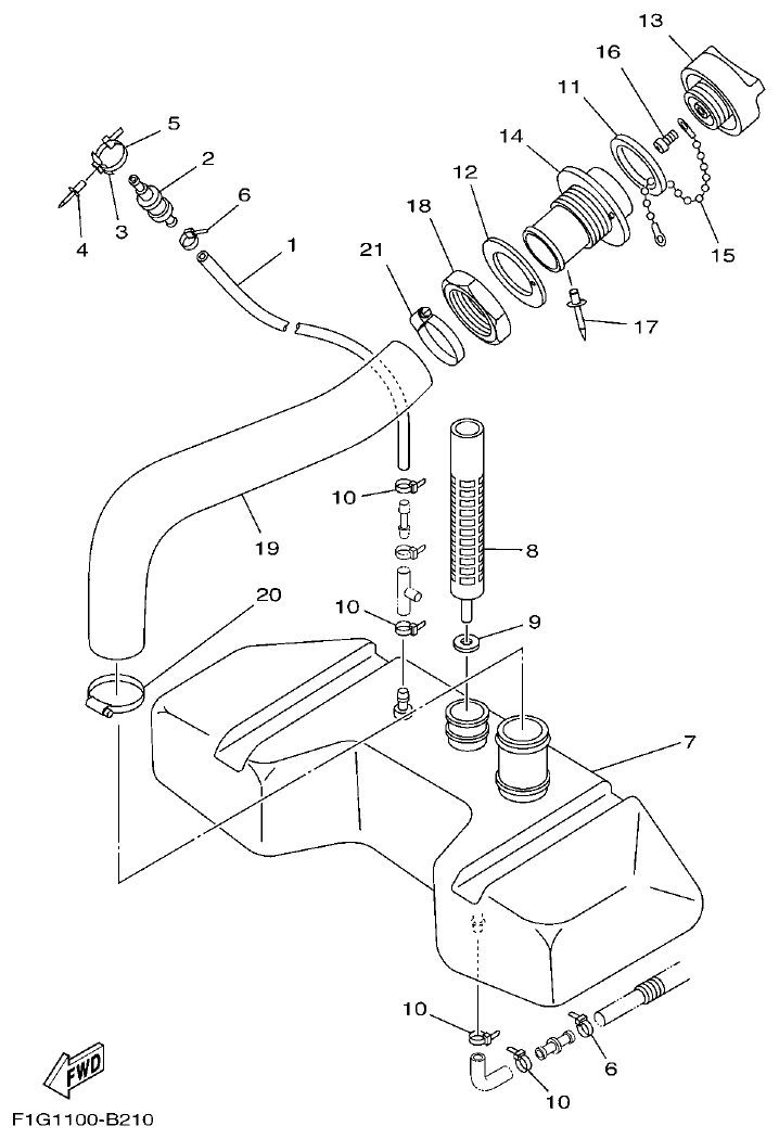
Fig. 4 — INTAKE
38 items
Fig. 5 — INJECTION PUMP
22 items
Fig. 6 — OIL PUMP
37 items
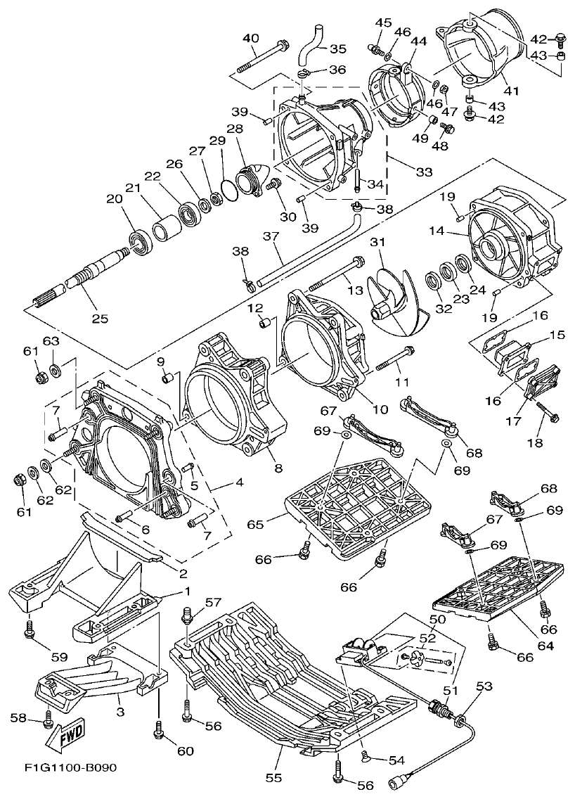
Fig. 7 — EXHAUST 1
77 items
Fig. 8 — EXHAUST 2
40 items
· 2 available products
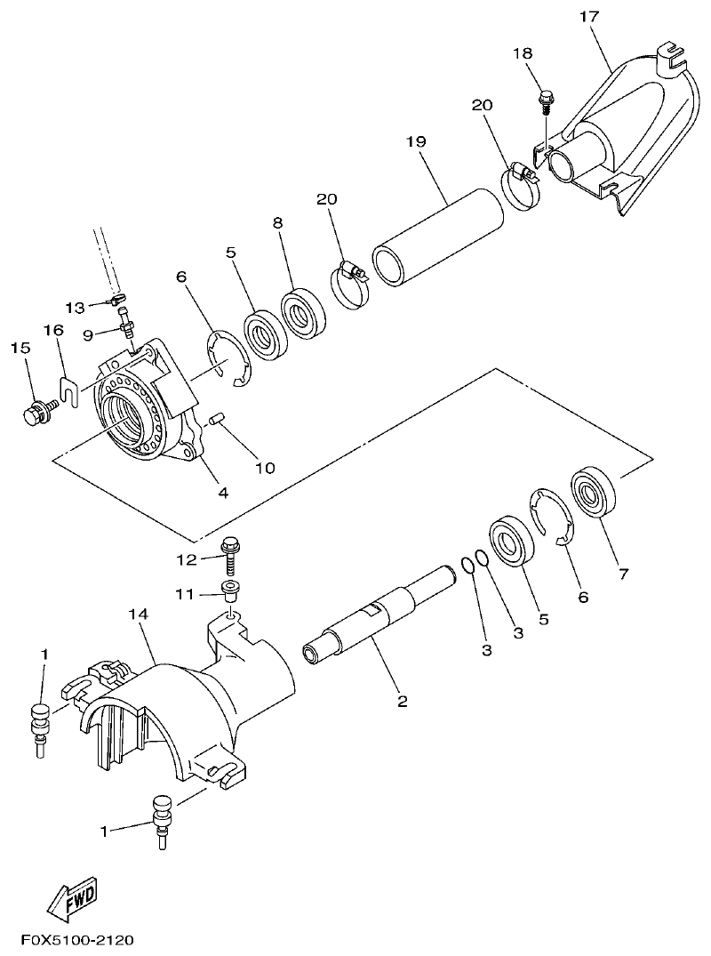
Fig. 9 — JET UNIT 1
69 items
· 6 available products
Fig. 10 — JET UNIT 2
21 items
· 2 available products
Fig. 11 — GENERATOR
24 items
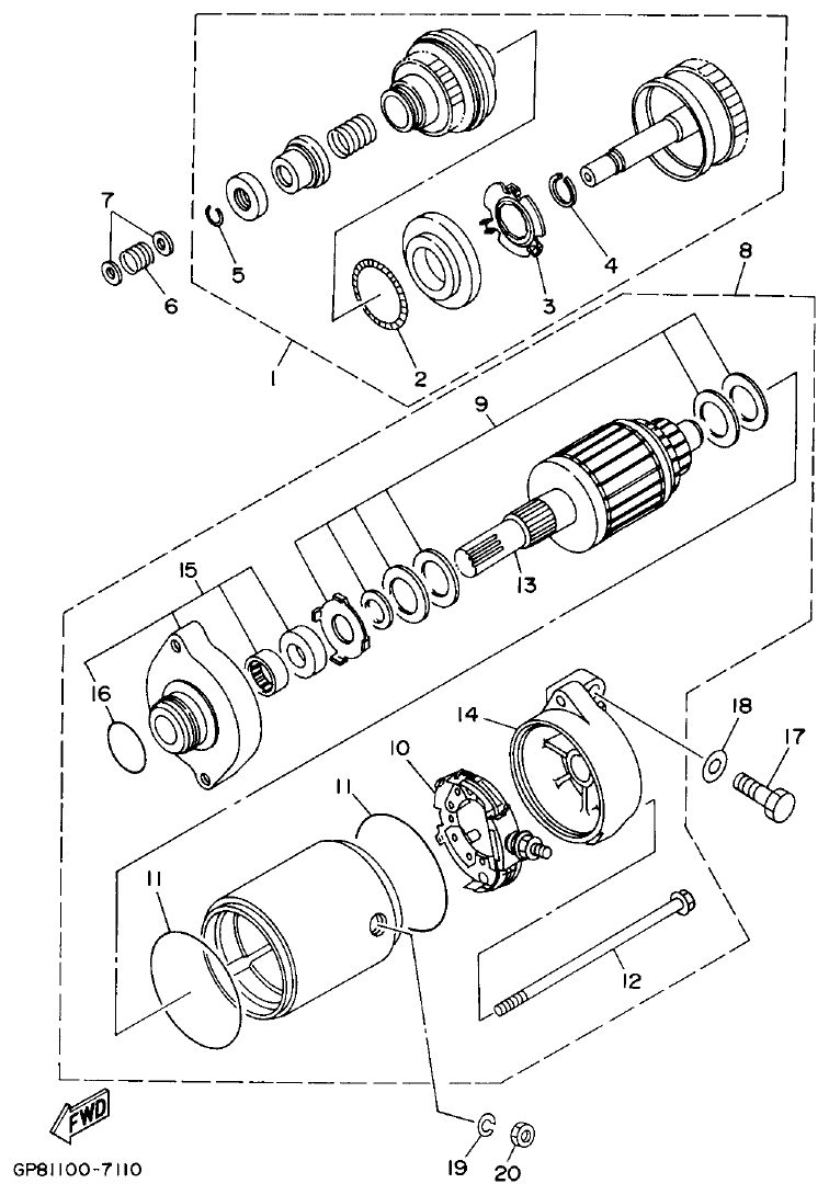
Fig. 12 — STARTING MOTOR
20 items
· 5 available products
Fig. 13 — ELECTRICAL 1
66 items
· 5 available products
Fig. 14 — ELECTRICAL 2
57 items
· 1 available products
Fig. 15 — ENGINE HATCH 1
14 items
Fig. 16 — ENGINE HATCH 2
39 items
· 2 available products
Fig. 17 — HULL. DECK
30 items
· 3 available products
Fig. 18 — GUNWALE. MAT
24 items
· 1 available products
Fig. 19 — VENTILATION
12 items
Fig. 20 — SEAT. UNDER LOCKER
17 items
Fig. 21 — OIL TANK
21 items
· 1 available products
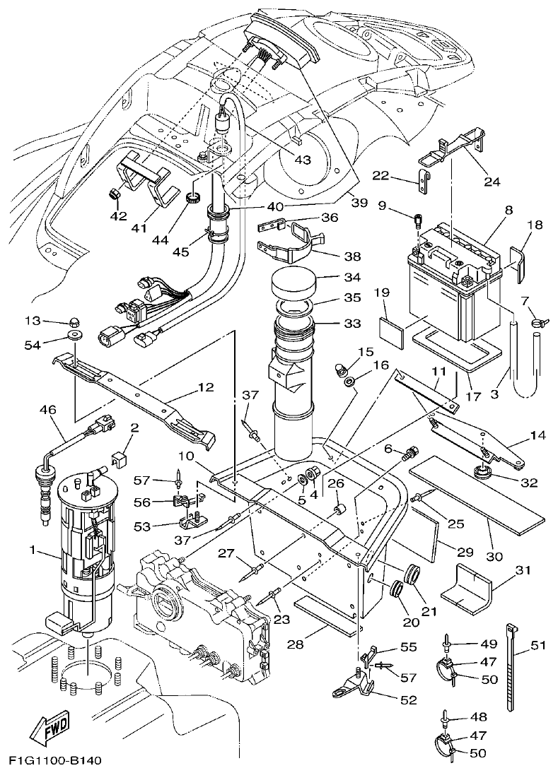
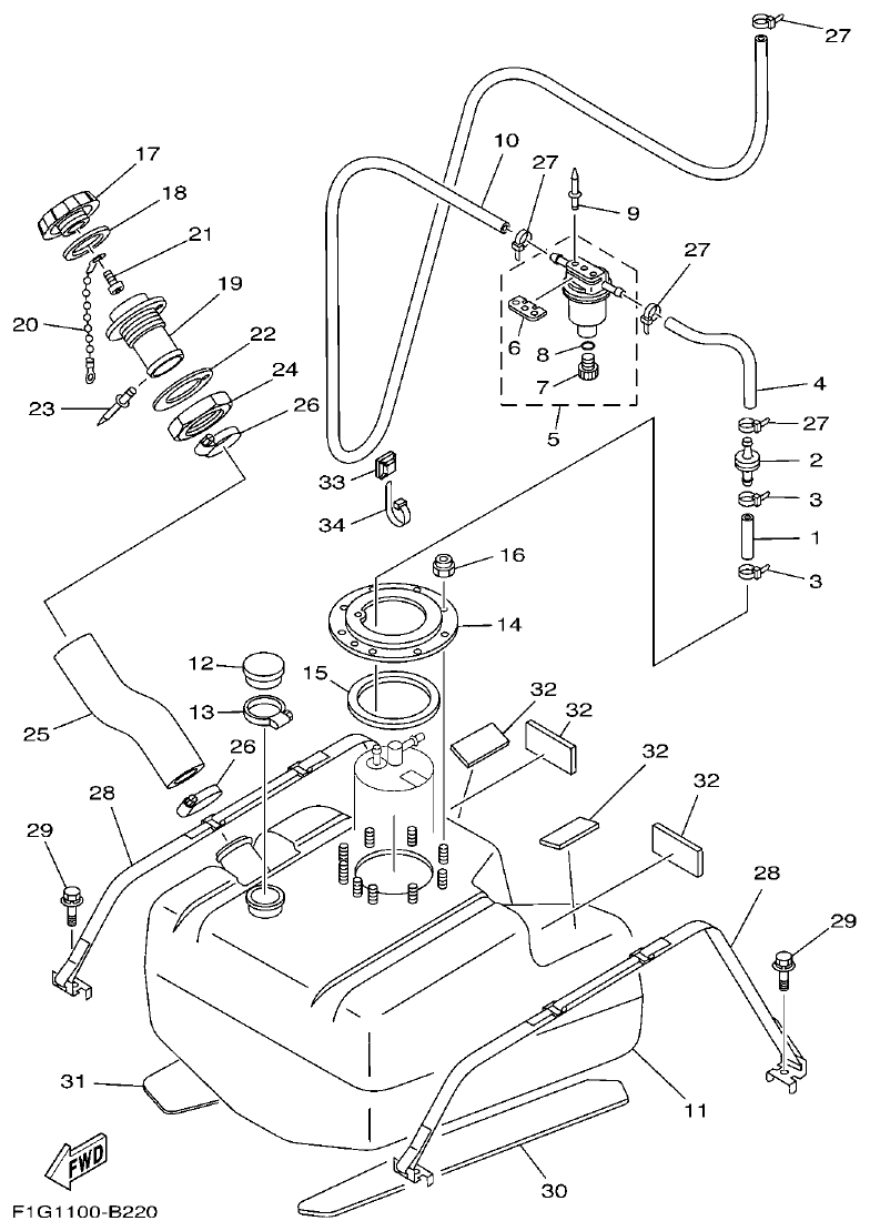
Fig. 22 — FUEL TANK
34 items
· 6 available products
Fig. 23 — BILGE PUMP
22 items
Fig. 24 — EXHAUST 3
21 items
· 1 available products
Fig. 25 — CONTROL CABLE
42 items
· 1 available products
Fig. 26 — STEERING 1
48 items
· 5 available products
Fig. 27 — STEERING 2
4 items
Fig. 28 — GRAPHICS
14 items
Fig. 29 — IMPORTANT LABELS
12 items
Fig. 30 — IMPORTANT LABELS 2
15 items
Fig. 31 — IMPORTANT LABELS 3
8 items
Fig. 32 — REPAIR KIT 1
27 items
· 1 available products