Catalogs / Yamaha / Water Vehicle

Yamaha F2WB Parts Catalog

Browse 39 catalog sections for Yamaha F2WB. Open a section to view the parts diagram, reference numbers and available products.

Yamaha F2WB CYLINDER 1 parts diagram
Fig. 1 — CYLINDER 1
10 items · 3 available products
Yamaha F2WB CYLINDER 2 parts diagram
Fig. 2 — CYLINDER 2
18 items · 4 available products
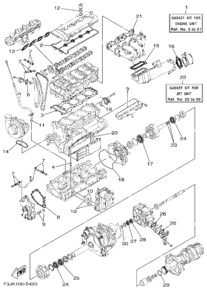
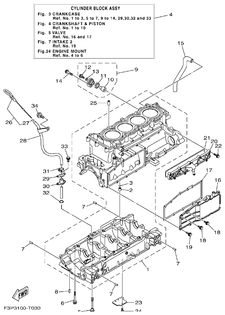
Yamaha F2WB CRANKCASE parts diagram
Fig. 3 — CRANKCASE
34 items · 8 available products
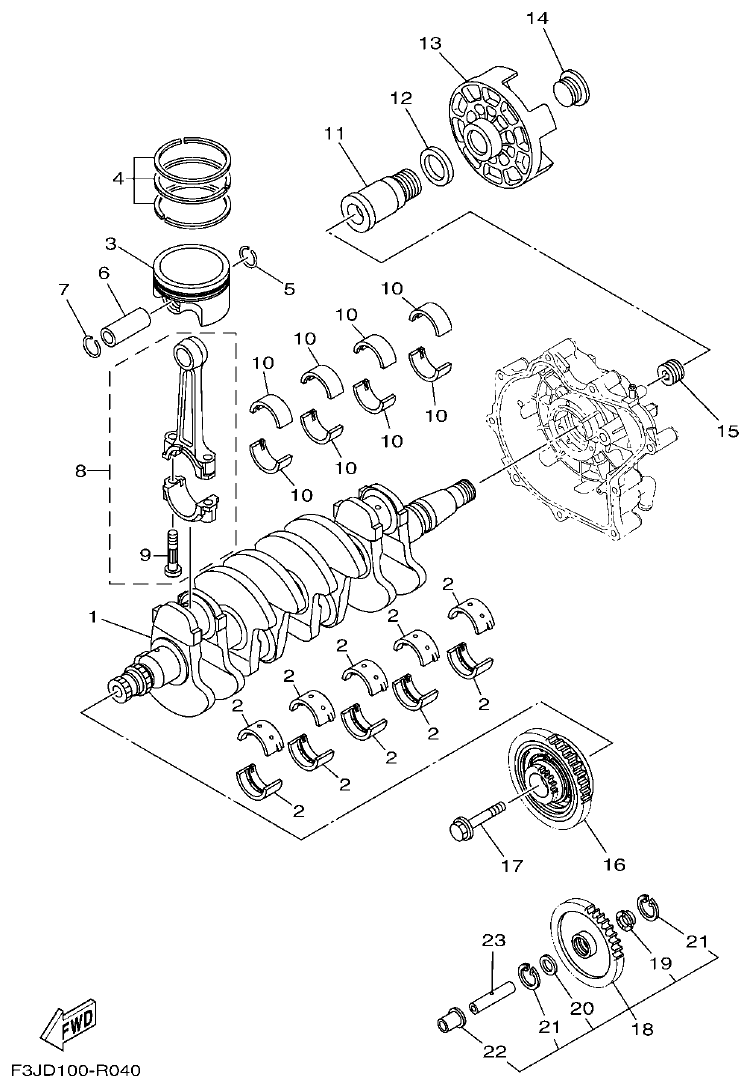
Yamaha F2WB CRANKSHAFT & PISTON parts diagram
Fig. 4 — CRANKSHAFT & PISTON
30 items · 21 available products
Yamaha F2WB VALVE parts diagram
Fig. 5 — VALVE
47 items · 36 available products
Yamaha F2WB INTAKE 1 parts diagram
Fig. 6 — INTAKE 1
27 items · 12 available products
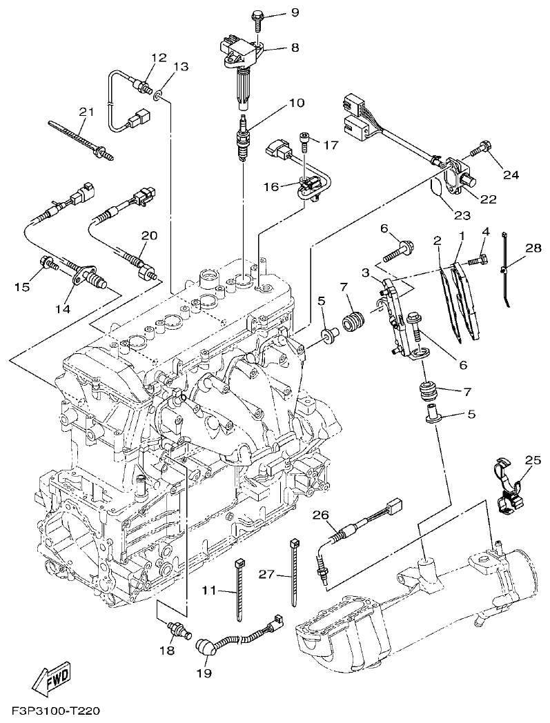
Yamaha F2WB INTAKE 2 parts diagram
Fig. 7 — INTAKE 2
26 items · 2 available products
Yamaha F2WB INTAKE 3 parts diagram
Fig. 8 — INTAKE 3
13 items
Yamaha F2WB OIL PUMP parts diagram
Fig. 9 — OIL PUMP
10 items · 3 available products
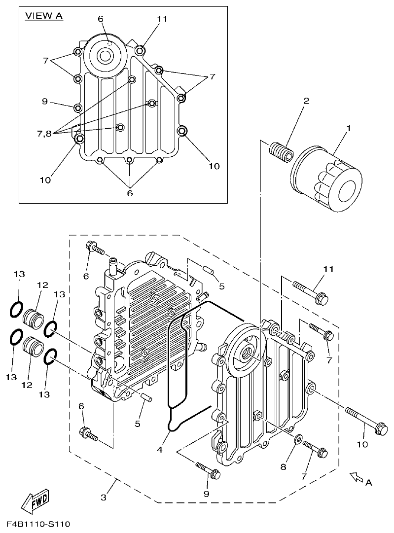
Yamaha F2WB OIL PAN parts diagram
Fig. 10 — OIL PAN
12 items · 1 available products
Yamaha F2WB OIL COOLER parts diagram
Fig. 11 — OIL COOLER
13 items · 3 available products
Yamaha F2WB BREATHER OIL parts diagram
Fig. 12 — BREATHER OIL
8 items · 1 available products
Yamaha F2WB EXHAUST 1 parts diagram
Fig. 13 — EXHAUST 1
20 items · 4 available products
Yamaha F2WB EXHAUST 2 parts diagram
Fig. 14 — EXHAUST 2
44 items · 7 available products
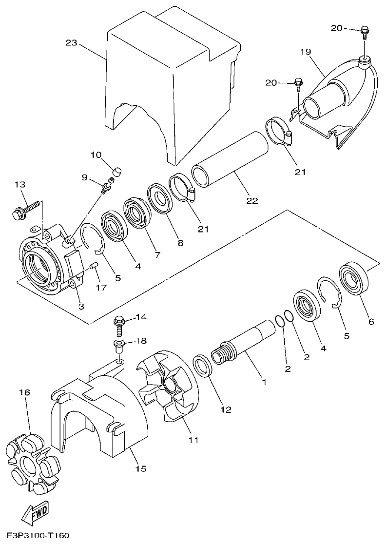
Yamaha F2WB JET UNIT 1 parts diagram
Fig. 15 — JET UNIT 1
42 items · 9 available products
Yamaha F2WB JET UNIT 2 parts diagram
Fig. 16 — JET UNIT 2
23 items · 7 available products
Yamaha F2WB JET UNIT 3 parts diagram
Fig. 17 — JET UNIT 3
14 items · 5 available products
Yamaha F2WB JET UNIT 4 parts diagram
Fig. 18 — JET UNIT 4
35 items · 3 available products
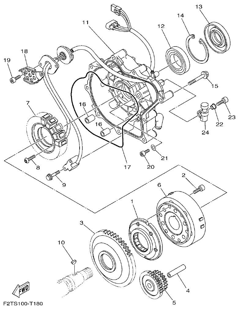
Yamaha F2WB GENERATOR parts diagram
Fig. 19 — GENERATOR
24 items · 7 available products
Yamaha F2WB STARTING MOTOR parts diagram
Fig. 20 — STARTING MOTOR
17 items · 6 available products
Yamaha F2WB ELECTRICAL 1 parts diagram
Fig. 21 — ELECTRICAL 1
37 items · 10 available products
Yamaha F2WB ELECTRICAL 2 parts diagram
Fig. 22 — ELECTRICAL 2
28 items · 3 available products
Yamaha F2WB ELECTRICAL 3 parts diagram
Fig. 23 — ELECTRICAL 3
38 items · 5 available products
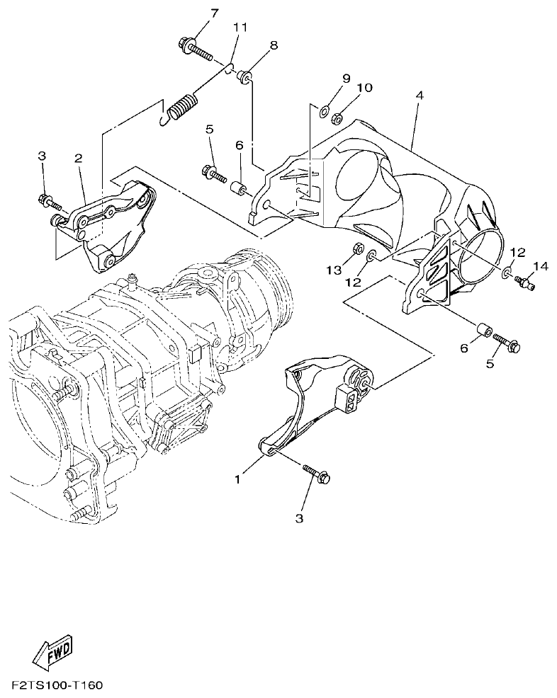
Yamaha F2WB ENGINE MOUNT parts diagram
Fig. 24 — ENGINE MOUNT
22 items · 1 available products
Yamaha F2WB ENGINE HATCH 1 parts diagram
Fig. 25 — ENGINE HATCH 1
40 items · 6 available products
Yamaha F2WB ENGINE HATCH 2 parts diagram
Fig. 26 — ENGINE HATCH 2
45 items · 12 available products
Yamaha F2WB HULL & DECK parts diagram
Fig. 27 — HULL & DECK
56 items · 10 available products
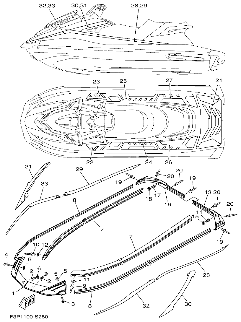
Yamaha F2WB GUNWALE & MAT parts diagram
Fig. 28 — GUNWALE & MAT
40 items · 8 available products
Yamaha F2WB VENTILATION parts diagram
Fig. 29 — VENTILATION
8 items · 1 available products
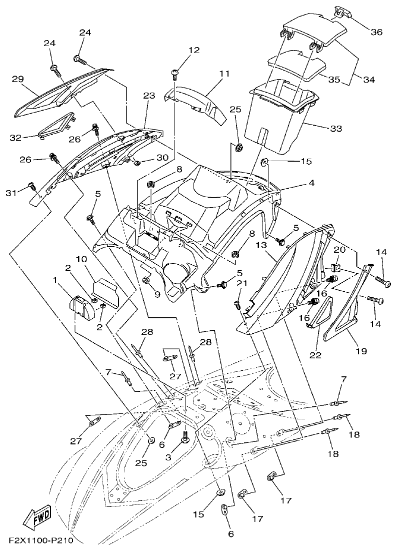
Yamaha F2WB SEAT & UNDER LOCKER parts diagram
Fig. 30 — SEAT & UNDER LOCKER
37 items · 6 available products
Yamaha F2WB FUEL TANK parts diagram
Fig. 31 — FUEL TANK
45 items · 8 available products
Yamaha F2WB EXHAUST 3 parts diagram
Fig. 32 — EXHAUST 3
26 items · 8 available products
Yamaha F2WB CONTROL CABLE parts diagram
Fig. 33 — CONTROL CABLE
16 items · 5 available products
Yamaha F2WB STEERING 1 parts diagram
Fig. 34 — STEERING 1
15 items · 4 available products
Yamaha F2WB STEERING 2 parts diagram
Fig. 35 — STEERING 2
26 items · 6 available products
Yamaha F2WB STEERING 3 parts diagram
Fig. 36 — STEERING 3
7 items
Yamaha F2WB GRAPHICS parts diagram
Fig. 37 — GRAPHICS
48 items · 1 available products
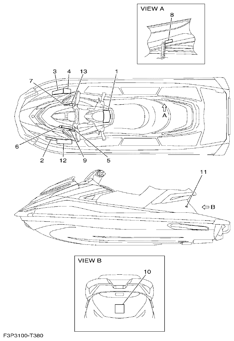
Yamaha F2WB IMPORTANT LABELS parts diagram
Fig. 38 — IMPORTANT LABELS
13 items · 1 available products
Yamaha F2WB REPAIR KIT 1 parts diagram
Fig. 39 — REPAIR KIT 1
30 items · 14 available products