Catalogs / Yamaha / Water Vehicle

Yamaha F3JK Parts Catalog

Browse 42 catalog sections for Yamaha F3JK. Open a section to view the parts diagram, reference numbers and available products.

Yamaha F3JK CYLINDER 1 parts diagram
Fig. 1 — CYLINDER 1
10 items · 3 available products
Yamaha F3JK CYLINDER 2 parts diagram
Fig. 2 — CYLINDER 2
19 items · 4 available products
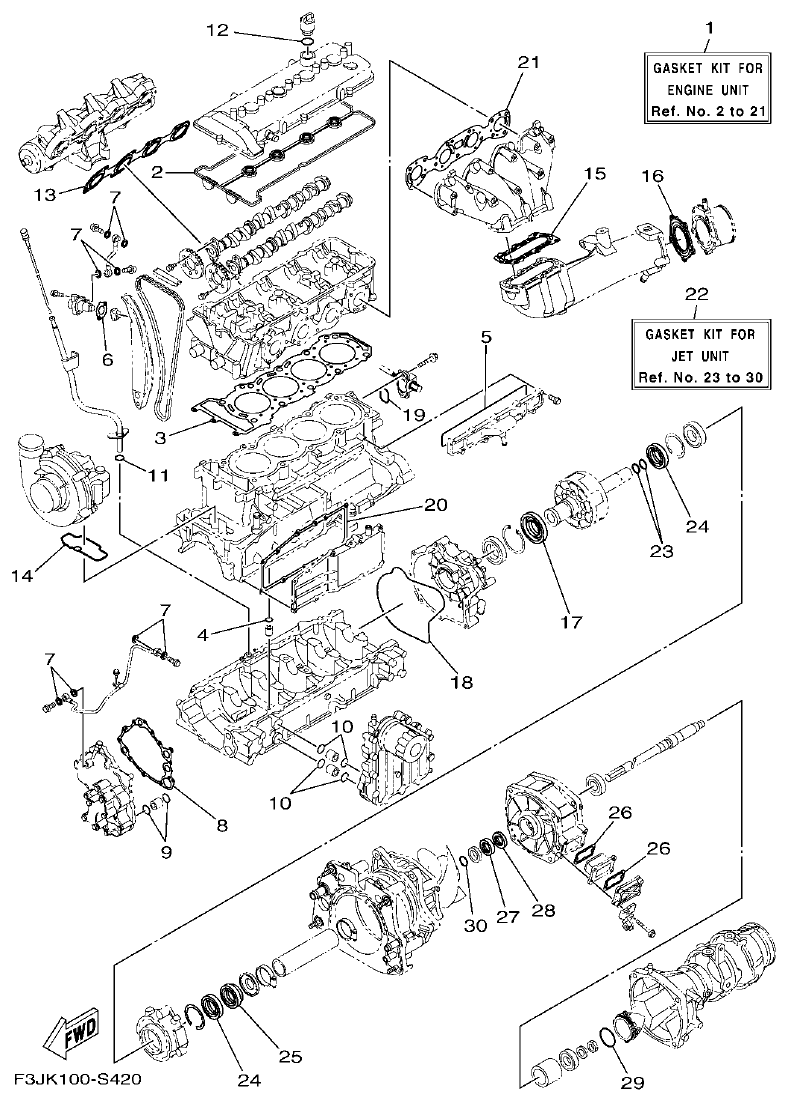
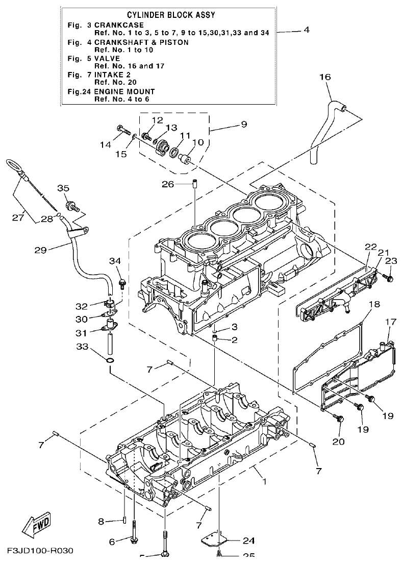
Yamaha F3JK CRANKCASE parts diagram
Fig. 3 — CRANKCASE
35 items · 8 available products
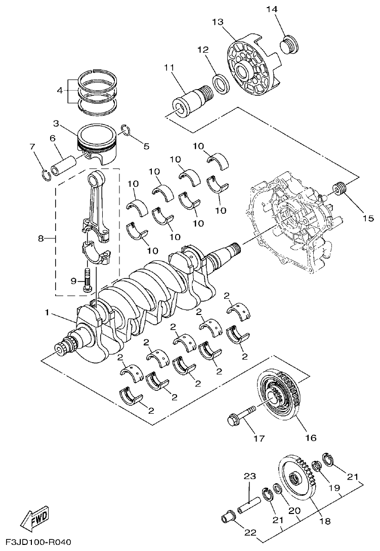
Yamaha F3JK CRANKSHAFT & PISTON parts diagram
Fig. 4 — CRANKSHAFT & PISTON
30 items · 20 available products
Yamaha F3JK VALVE parts diagram
Fig. 5 — VALVE
47 items · 36 available products
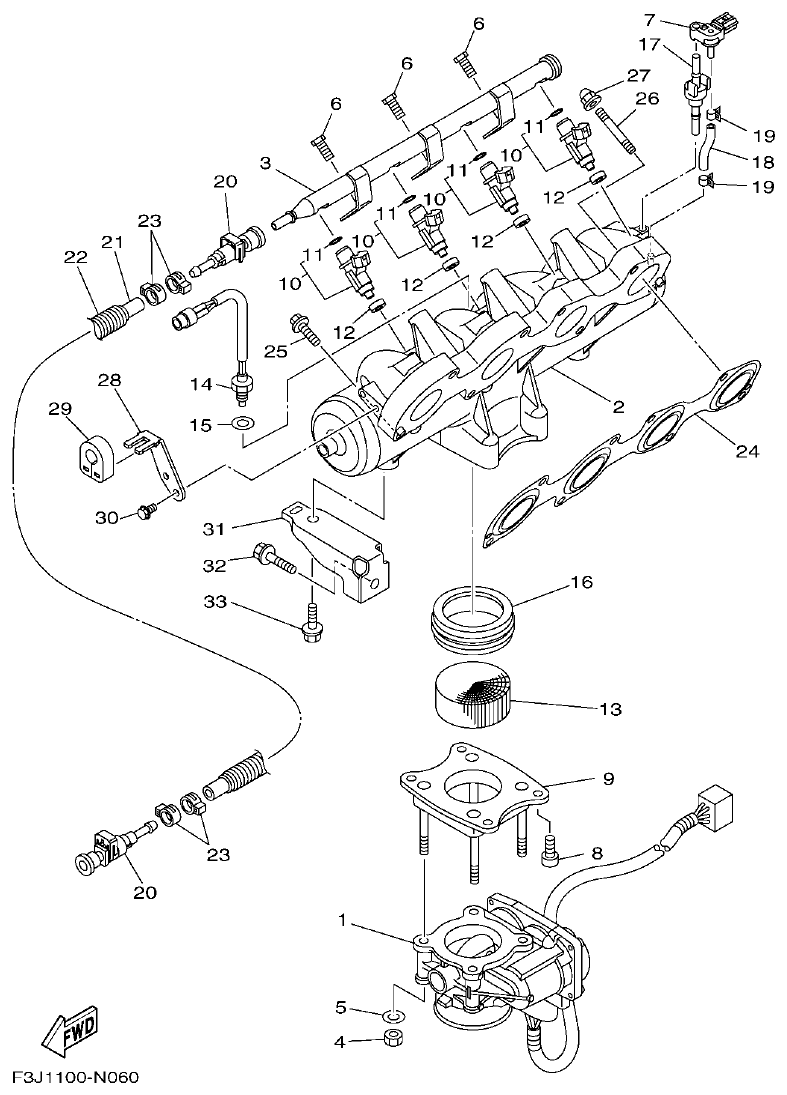
Yamaha F3JK INTAKE 1 parts diagram
Fig. 6 — INTAKE 1
33 items · 12 available products
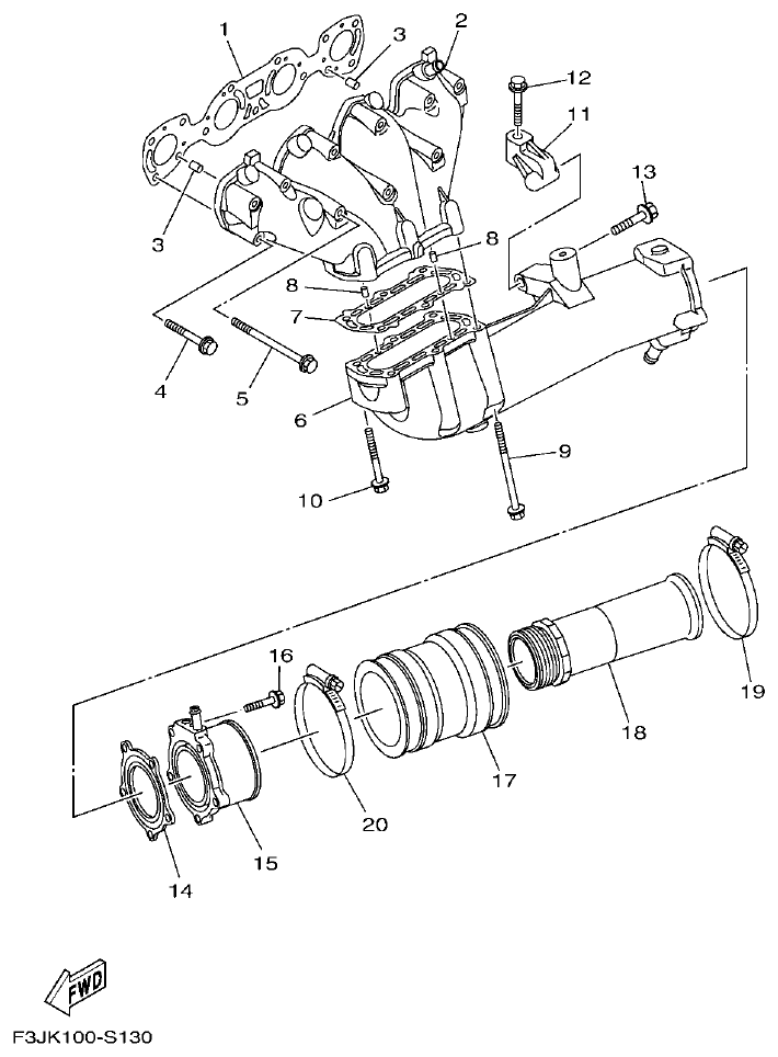
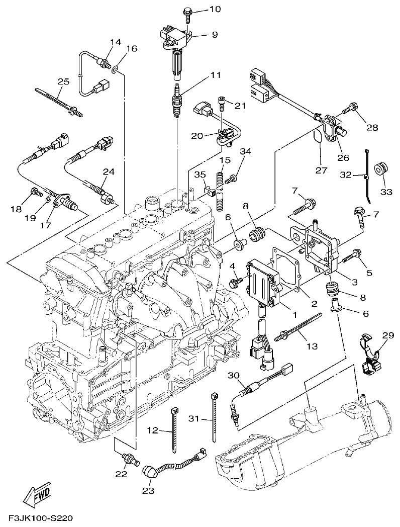
Yamaha F3JK INTAKE 2 parts diagram
Fig. 7 — INTAKE 2
27 items · 2 available products
Yamaha F3JK INTAKE 3 parts diagram
Fig. 8 — INTAKE 3
12 items
Yamaha F3JK OIL PUMP parts diagram
Fig. 9 — OIL PUMP
10 items · 3 available products
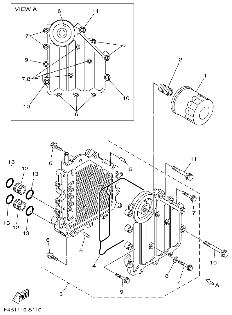
Yamaha F3JK OIL PAN parts diagram
Fig. 10 — OIL PAN
12 items · 1 available products
Yamaha F3JK OIL COOLER parts diagram
Fig. 11 — OIL COOLER
13 items · 3 available products
Yamaha F3JK BREATHER OIL parts diagram
Fig. 12 — BREATHER OIL
8 items · 1 available products
Yamaha F3JK EXHAUST 1 parts diagram
Fig. 13 — EXHAUST 1
20 items · 5 available products
Yamaha F3JK EXHAUST 2 parts diagram
Fig. 14 — EXHAUST 2
45 items · 5 available products
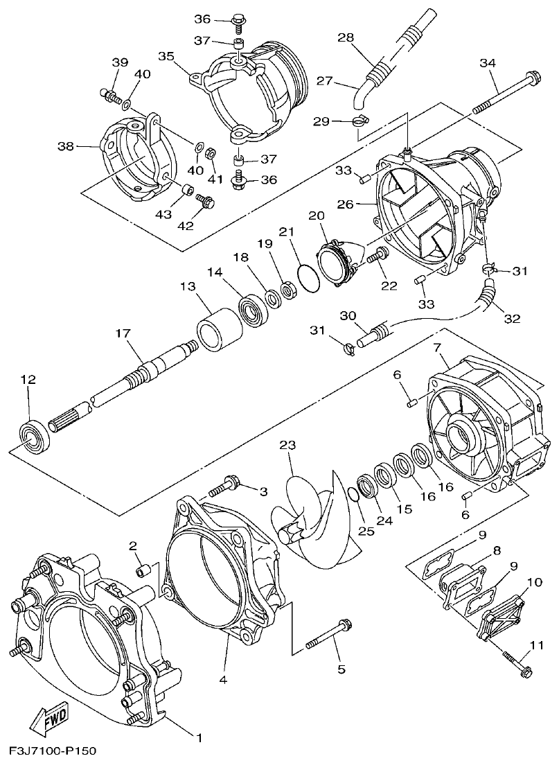
Yamaha F3JK JET UNIT 1 parts diagram
Fig. 15 — JET UNIT 1
43 items · 12 available products
Yamaha F3JK JET UNIT 2 parts diagram
Fig. 16 — JET UNIT 2
23 items · 5 available products
Yamaha F3JK JET UNIT 3 parts diagram
Fig. 17 — JET UNIT 3
14 items · 1 available products
Yamaha F3JK JET UNIT 4 parts diagram
Fig. 18 — JET UNIT 4
38 items · 3 available products
Yamaha F3JK GENERATOR parts diagram
Fig. 19 — GENERATOR
24 items · 7 available products
Yamaha F3JK STARTING MOTOR parts diagram
Fig. 20 — STARTING MOTOR
18 items · 6 available products
Yamaha F3JK ELECTRICAL 1 parts diagram
Fig. 21 — ELECTRICAL 1
35 items · 6 available products
Yamaha F3JK ELECTRICAL 2 parts diagram
Fig. 22 — ELECTRICAL 2
35 items · 4 available products
Yamaha F3JK ELECTRICAL 3 parts diagram
Fig. 23 — ELECTRICAL 3
33 items · 3 available products
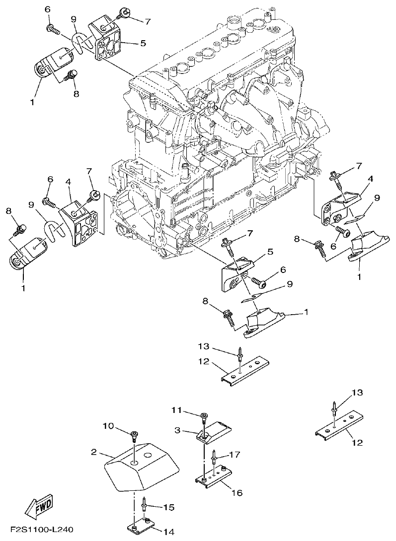
Yamaha F3JK ENGINE MOUNT parts diagram
Fig. 24 — ENGINE MOUNT
21 items · 1 available products
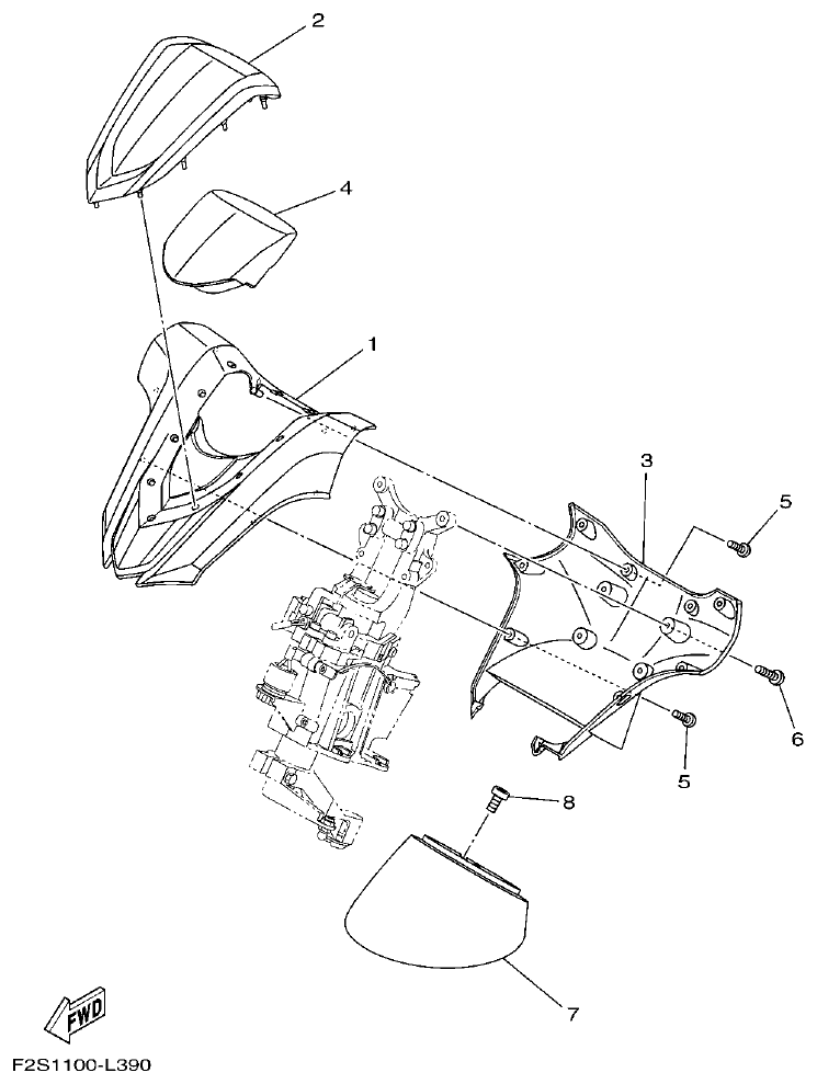
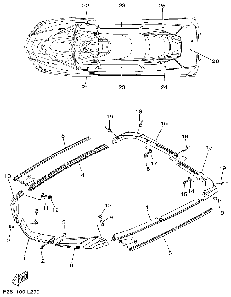
Yamaha F3JK ENGINE HATCH 1 parts diagram
Fig. 25 — ENGINE HATCH 1
50 items · 10 available products
Yamaha F3JK ENGINE HATCH 2 parts diagram
Fig. 26 — ENGINE HATCH 2
47 items · 6 available products
Yamaha F3JK HULL & DECK parts diagram
Fig. 27 — HULL & DECK
29 items · 4 available products
Yamaha F3JK HULL & DECK 2 parts diagram
Fig. 28 — HULL & DECK 2
25 items · 6 available products
Yamaha F3JK GUNWALE & MAT parts diagram
Fig. 29 — GUNWALE & MAT
26 items · 14 available products
Yamaha F3JK VENTILATION parts diagram
Fig. 30 — VENTILATION
8 items
Yamaha F3JK SEAT & UNDER LOCKER parts diagram
Fig. 31 — SEAT & UNDER LOCKER
27 items · 4 available products
Yamaha F3JK SEAT & UNDER LOCKER 2 parts diagram
Fig. 32 — SEAT & UNDER LOCKER 2
36 items · 4 available products
Yamaha F3JK FUEL TANK parts diagram
Fig. 33 — FUEL TANK
42 items · 9 available products
Yamaha F3JK BILGE PUMP parts diagram
Fig. 34 — BILGE PUMP
26 items
Yamaha F3JK EXHAUST 3 parts diagram
Fig. 35 — EXHAUST 3
26 items · 8 available products
Yamaha F3JK CONTROL CABLE parts diagram
Fig. 36 — CONTROL CABLE
25 items · 5 available products
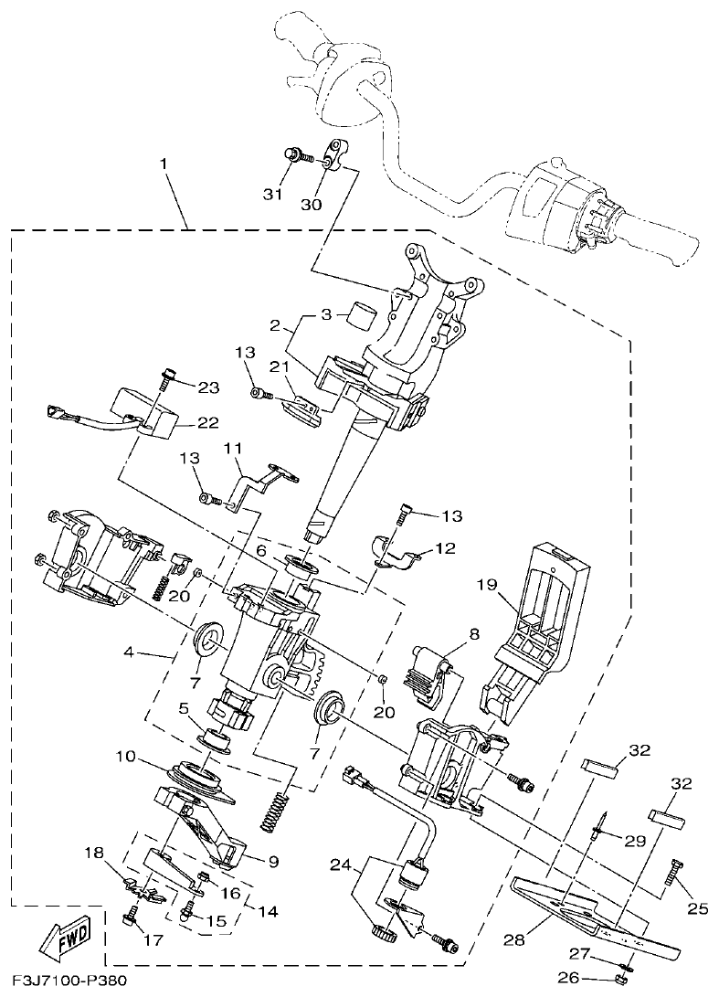
Yamaha F3JK STEERING 1 parts diagram
Fig. 37 — STEERING 1
16 items · 3 available products
Yamaha F3JK STEERING 2 parts diagram
Fig. 38 — STEERING 2
32 items · 2 available products
Yamaha F3JK STEERING 3 parts diagram
Fig. 39 — STEERING 3
8 items · 2 available products
Yamaha F3JK GRAPHICS parts diagram
Fig. 40 — GRAPHICS
27 items · 1 available products
Yamaha F3JK IMPORTANT LABELS parts diagram
Fig. 41 — IMPORTANT LABELS
12 items · 1 available products
Yamaha F3JK REPAIR KIT 1 parts diagram
Fig. 42 — REPAIR KIT 1
30 items · 14 available products