Catalogs / Yamaha / Water Vehicle

Yamaha FC1800A-U Parts Catalog

Browse 42 catalog sections for Yamaha FC1800A-U. Open a section to view the parts diagram, reference numbers and available products.

Yamaha FC1800A-U CYLINDER 1 parts diagram
Fig. 1 — CYLINDER 1
10 items · 3 available products
Yamaha FC1800A-U CYLINDER 2 parts diagram
Fig. 2 — CYLINDER 2
18 items · 4 available products
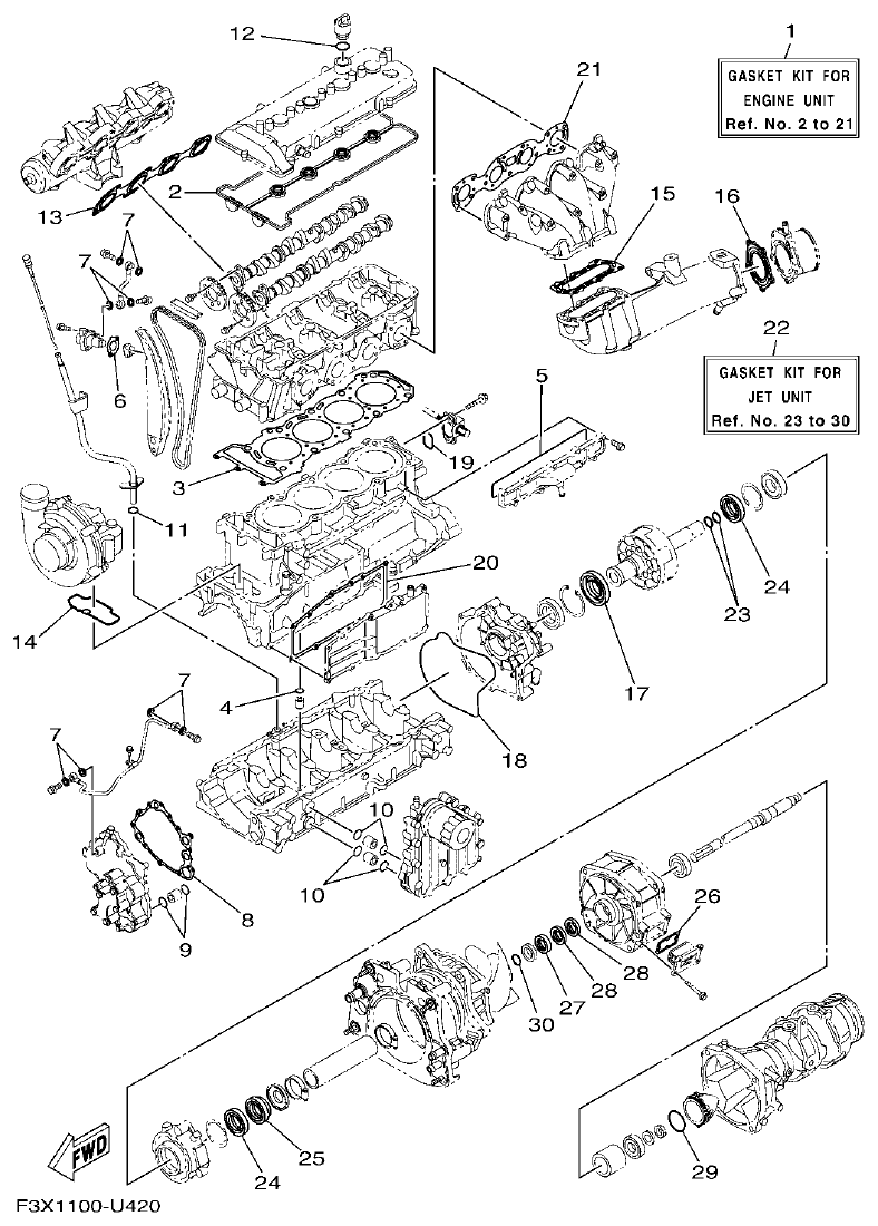
Yamaha FC1800A-U CRANKCASE parts diagram
Fig. 3 — CRANKCASE
35 items · 8 available products
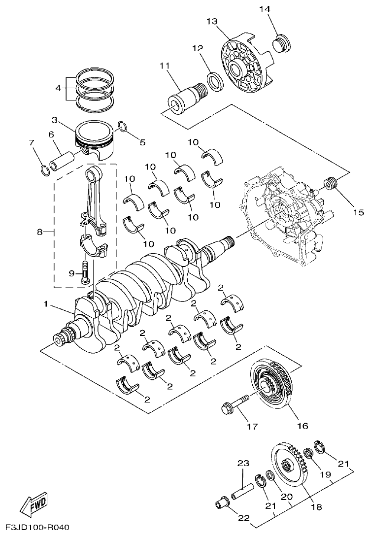
Yamaha FC1800A-U CRANKSHAFT & PISTON parts diagram
Fig. 4 — CRANKSHAFT & PISTON
30 items · 21 available products
Yamaha FC1800A-U VALVE parts diagram
Fig. 5 — VALVE
47 items · 36 available products
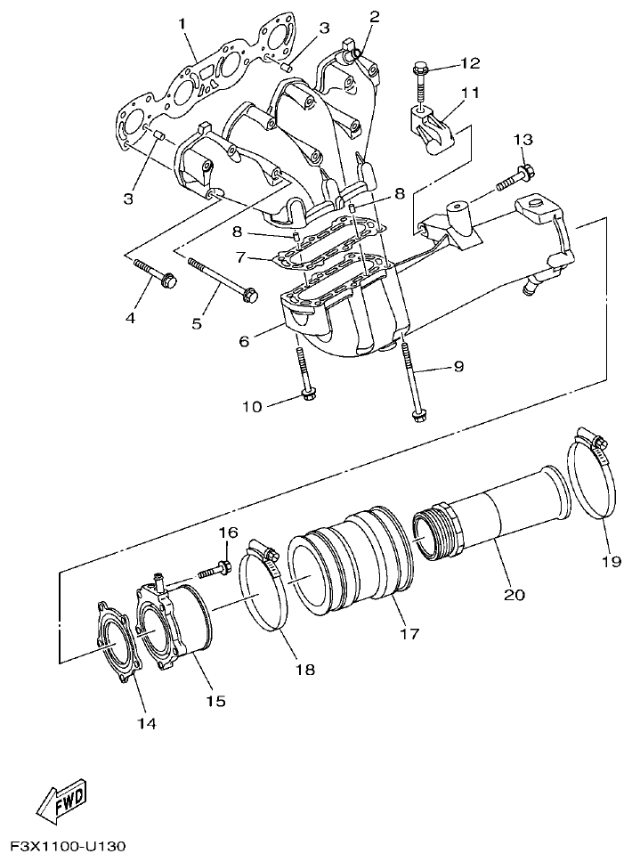
Yamaha FC1800A-U INTAKE 1 parts diagram
Fig. 6 — INTAKE 1
27 items · 12 available products
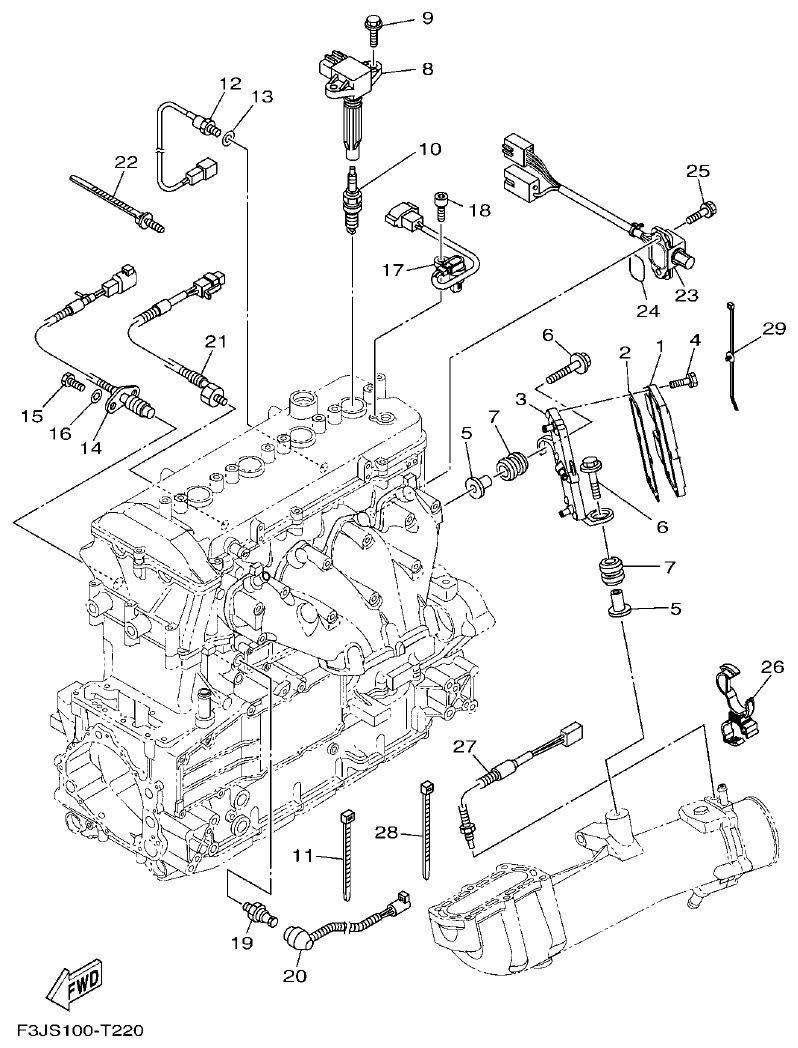
Yamaha FC1800A-U INTAKE 2 parts diagram
Fig. 7 — INTAKE 2
26 items · 3 available products
Yamaha FC1800A-U INTAKE 3 parts diagram
Fig. 8 — INTAKE 3
12 items
Yamaha FC1800A-U OIL PUMP parts diagram
Fig. 9 — OIL PUMP
10 items · 3 available products
Yamaha FC1800A-U OIL PAN parts diagram
Fig. 10 — OIL PAN
12 items · 1 available products
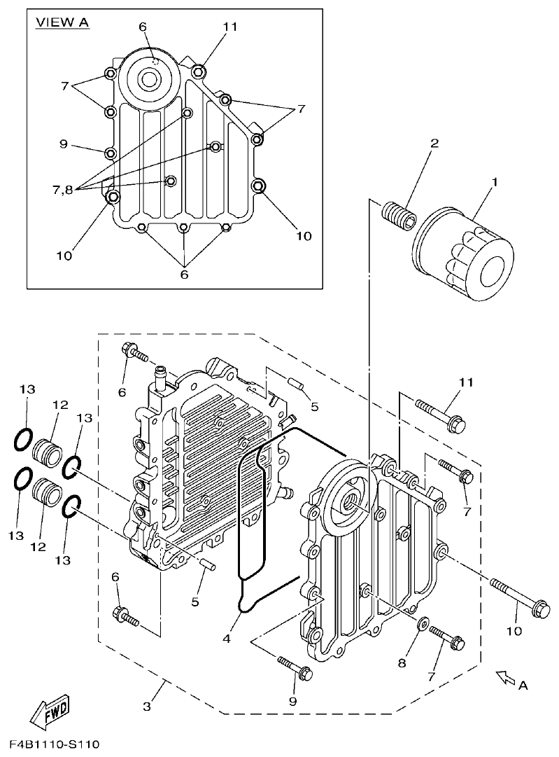
Yamaha FC1800A-U OIL COOLER parts diagram
Fig. 11 — OIL COOLER
13 items · 3 available products
Yamaha FC1800A-U BREATHER OIL parts diagram
Fig. 12 — BREATHER OIL
8 items · 1 available products
Yamaha FC1800A-U EXHAUST 1 parts diagram
Fig. 13 — EXHAUST 1
20 items · 4 available products
Yamaha FC1800A-U EXHAUST 2 parts diagram
Fig. 14 — EXHAUST 2
43 items · 5 available products
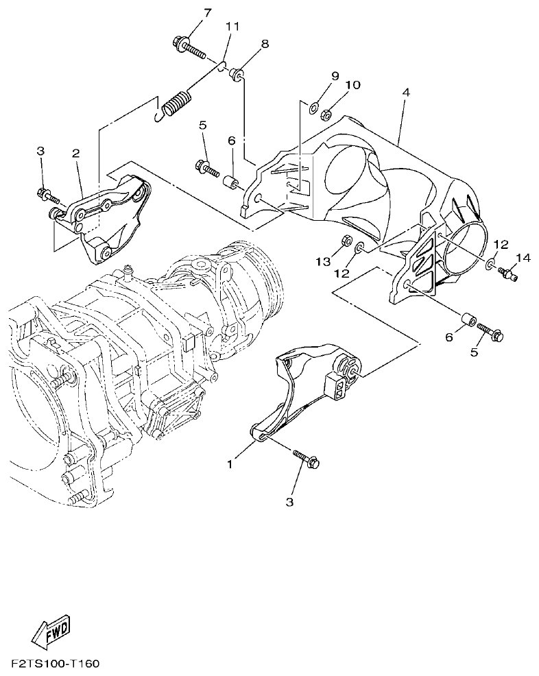
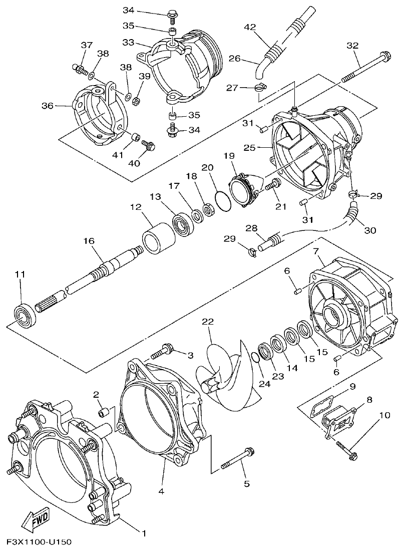
Yamaha FC1800A-U JET UNIT 1 parts diagram
Fig. 15 — JET UNIT 1
42 items · 11 available products
Yamaha FC1800A-U JET UNIT 2 parts diagram
Fig. 16 — JET UNIT 2
23 items · 7 available products
Yamaha FC1800A-U JET UNIT 3 parts diagram
Fig. 17 — JET UNIT 3
14 items · 5 available products
Yamaha FC1800A-U JET UNIT 4 parts diagram
Fig. 18 — JET UNIT 4
18 items · 3 available products
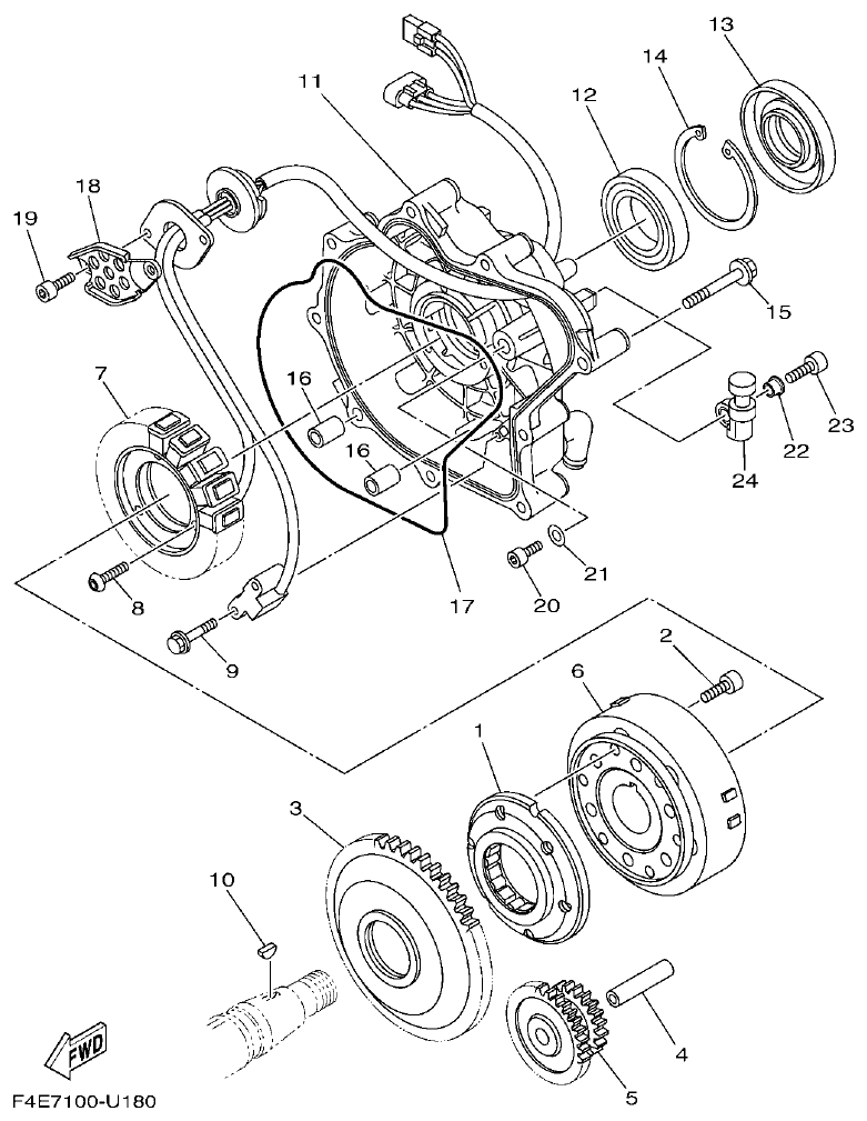
Yamaha FC1800A-U GENERATOR parts diagram
Fig. 19 — GENERATOR
24 items · 7 available products
Yamaha FC1800A-U STARTING MOTOR parts diagram
Fig. 20 — STARTING MOTOR
18 items · 6 available products
Yamaha FC1800A-U ELECTRICAL 1 parts diagram
Fig. 21 — ELECTRICAL 1
33 items · 9 available products
Yamaha FC1800A-U ELECTRICAL 2 parts diagram
Fig. 22 — ELECTRICAL 2
29 items · 3 available products
Yamaha FC1800A-U ELECTRICAL 3 parts diagram
Fig. 23 — ELECTRICAL 3
37 items · 4 available products
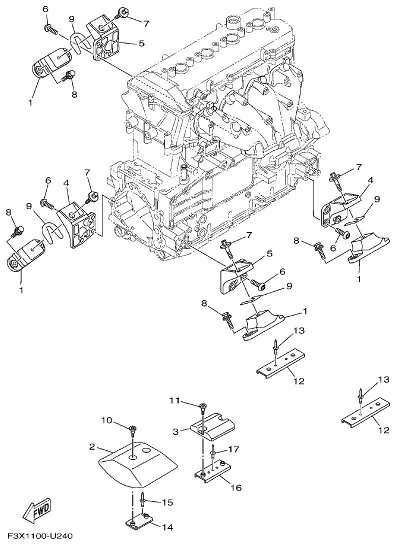
Yamaha FC1800A-U ENGINE MOUNT parts diagram
Fig. 24 — ENGINE MOUNT
21 items · 1 available products
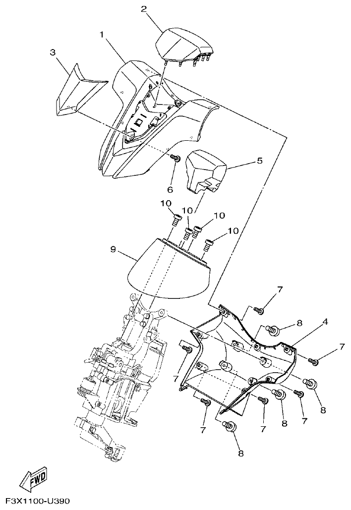
Yamaha FC1800A-U ENGINE HATCH 1 parts diagram
Fig. 25 — ENGINE HATCH 1
67 items · 17 available products
Yamaha FC1800A-U ENGINE HATCH 2 parts diagram
Fig. 26 — ENGINE HATCH 2
53 items · 13 available products
Yamaha FC1800A-U HULL & DECK parts diagram
Fig. 27 — HULL & DECK
30 items · 5 available products
Yamaha FC1800A-U HULL & DECK 2 parts diagram
Fig. 28 — HULL & DECK 2
32 items · 9 available products
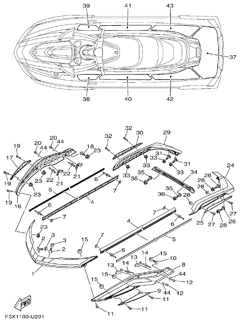
Yamaha FC1800A-U GUNWALE & MAT parts diagram
Fig. 29 — GUNWALE & MAT
63 items · 14 available products
Yamaha FC1800A-U VENTILATION parts diagram
Fig. 30 — VENTILATION
8 items · 1 available products
Yamaha FC1800A-U SEAT & UNDER LOCKER parts diagram
Fig. 31 — SEAT & UNDER LOCKER
27 items · 3 available products
Yamaha FC1800A-U SEAT & UNDER LOCKER 2 parts diagram
Fig. 32 — SEAT & UNDER LOCKER 2
34 items · 10 available products
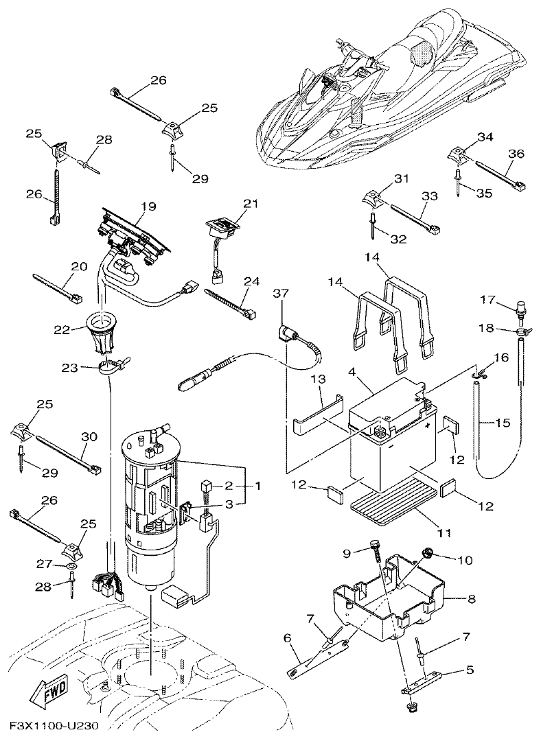
Yamaha FC1800A-U FUEL TANK parts diagram
Fig. 33 — FUEL TANK
44 items · 8 available products
Yamaha FC1800A-U BILGE PUMP parts diagram
Fig. 34 — BILGE PUMP
20 items
Yamaha FC1800A-U EXHAUST 3 parts diagram
Fig. 35 — EXHAUST 3
21 items · 8 available products
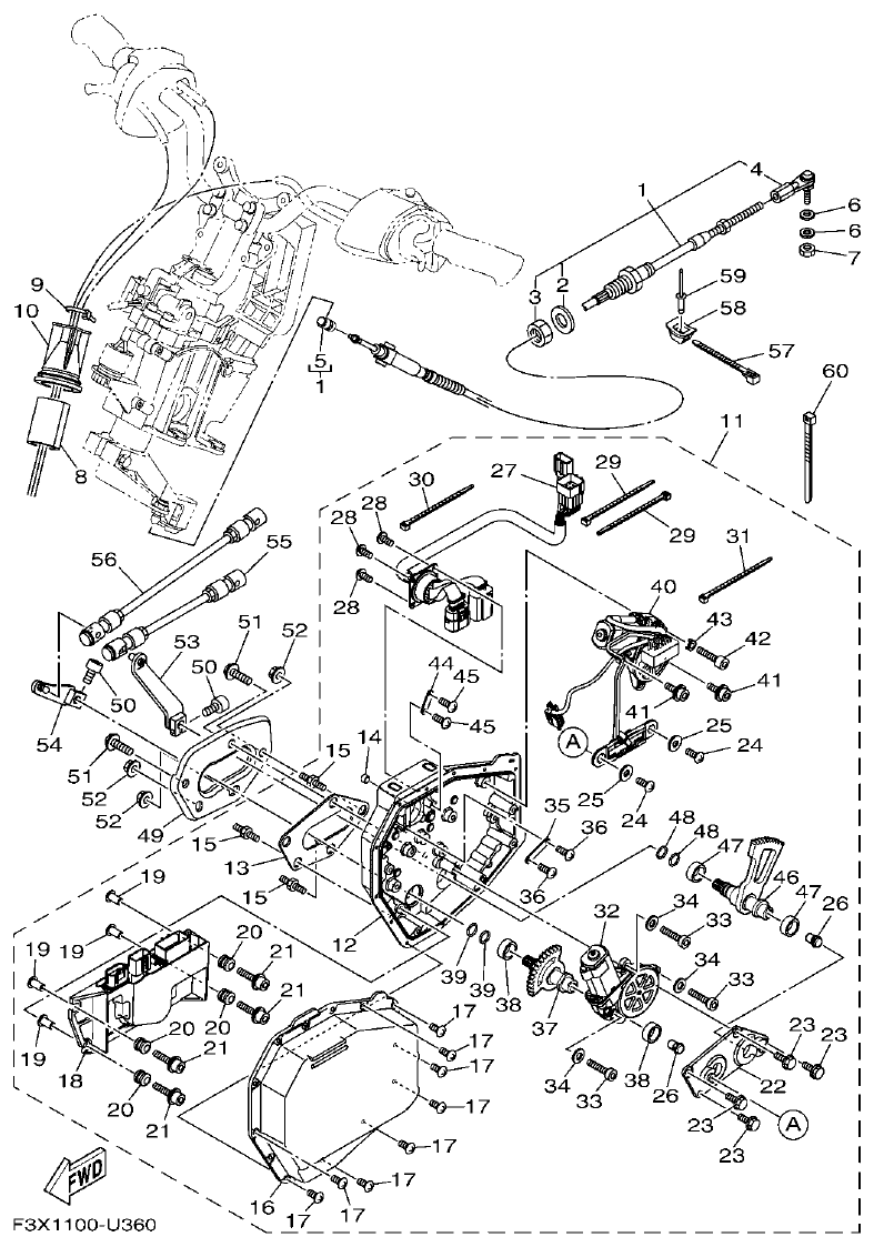
Yamaha FC1800A-U CONTROL CABLE parts diagram
Fig. 36 — CONTROL CABLE
60 items · 7 available products
Yamaha FC1800A-U STEERING 1 parts diagram
Fig. 37 — STEERING 1
16 items · 4 available products
Yamaha FC1800A-U STEERING 2 parts diagram
Fig. 38 — STEERING 2
31 items · 3 available products
Yamaha FC1800A-U STEERING 3 parts diagram
Fig. 39 — STEERING 3
11 items · 2 available products
Yamaha FC1800A-U GRAPHICS parts diagram
Fig. 40 — GRAPHICS
23 items · 3 available products
Yamaha FC1800A-U IMPORTANT LABELS parts diagram
Fig. 41 — IMPORTANT LABELS
15 items · 2 available products
Yamaha FC1800A-U REPAIR KIT 1 parts diagram
Fig. 42 — REPAIR KIT 1
30 items · 14 available products