Catalogs / Yamaha / Water Vehicle

Yamaha FX11 Parts Catalog

Browse 35 catalog sections for Yamaha FX11. Open a section to view the parts diagram, reference numbers and available products.

Yamaha FX11 CYLINDER parts diagram
Fig. 1 — CYLINDER
37 items · 4 available products
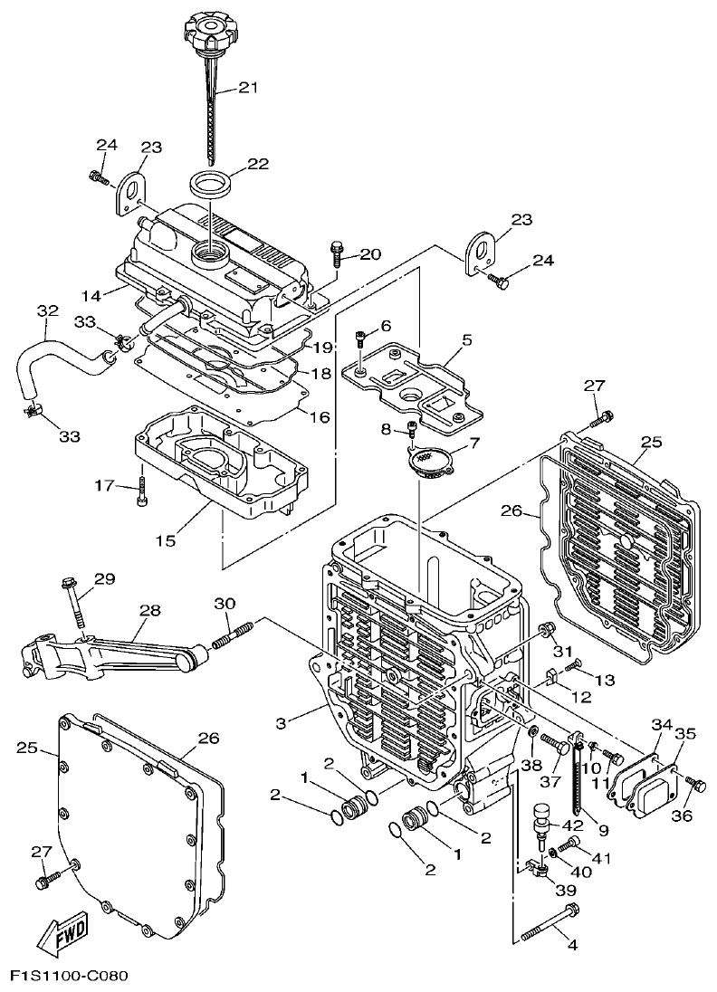
Yamaha FX11 CRANKCASE parts diagram
Fig. 2 — CRANKCASE
38 items · 3 available products
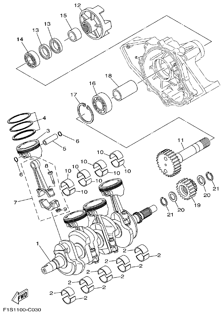
Yamaha FX11 CRANKSHAFT & PISTON parts diagram
Fig. 3 — CRANKSHAFT & PISTON
28 items · 13 available products
Yamaha FX11 VALVE parts diagram
Fig. 4 — VALVE
52 items · 28 available products
Yamaha FX11 INTAKE parts diagram
Fig. 5 — INTAKE
41 items · 2 available products
Yamaha FX11 INJECTION PUMP parts diagram
Fig. 6 — INJECTION PUMP
31 items · 1 available products
Yamaha FX11 OIL PUMP parts diagram
Fig. 7 — OIL PUMP
36 items · 1 available products
Yamaha FX11 OIL COOLER parts diagram
Fig. 8 — OIL COOLER
42 items · 3 available products
Yamaha FX11 EXHAUST 1 parts diagram
Fig. 9 — EXHAUST 1
52 items · 5 available products
Yamaha FX11 EXHAUST 2 parts diagram
Fig. 10 — EXHAUST 2
65 items · 7 available products
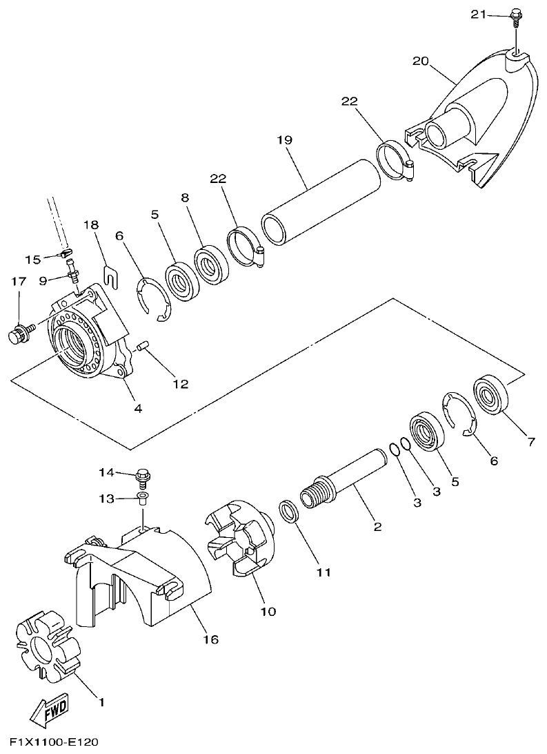
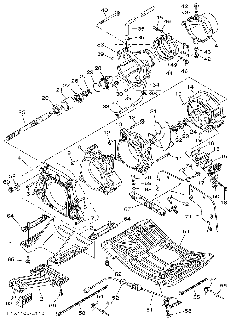
Yamaha FX11 JET UNIT 1 parts diagram
Fig. 11 — JET UNIT 1
75 items · 4 available products
Yamaha FX11 JET UNIT 2 parts diagram
Fig. 12 — JET UNIT 2
22 items · 2 available products
Yamaha FX11 JET UNIT 3 parts diagram
Fig. 13 — JET UNIT 3
24 items · 1 available products
Yamaha FX11 GENERATOR parts diagram
Fig. 14 — GENERATOR
22 items
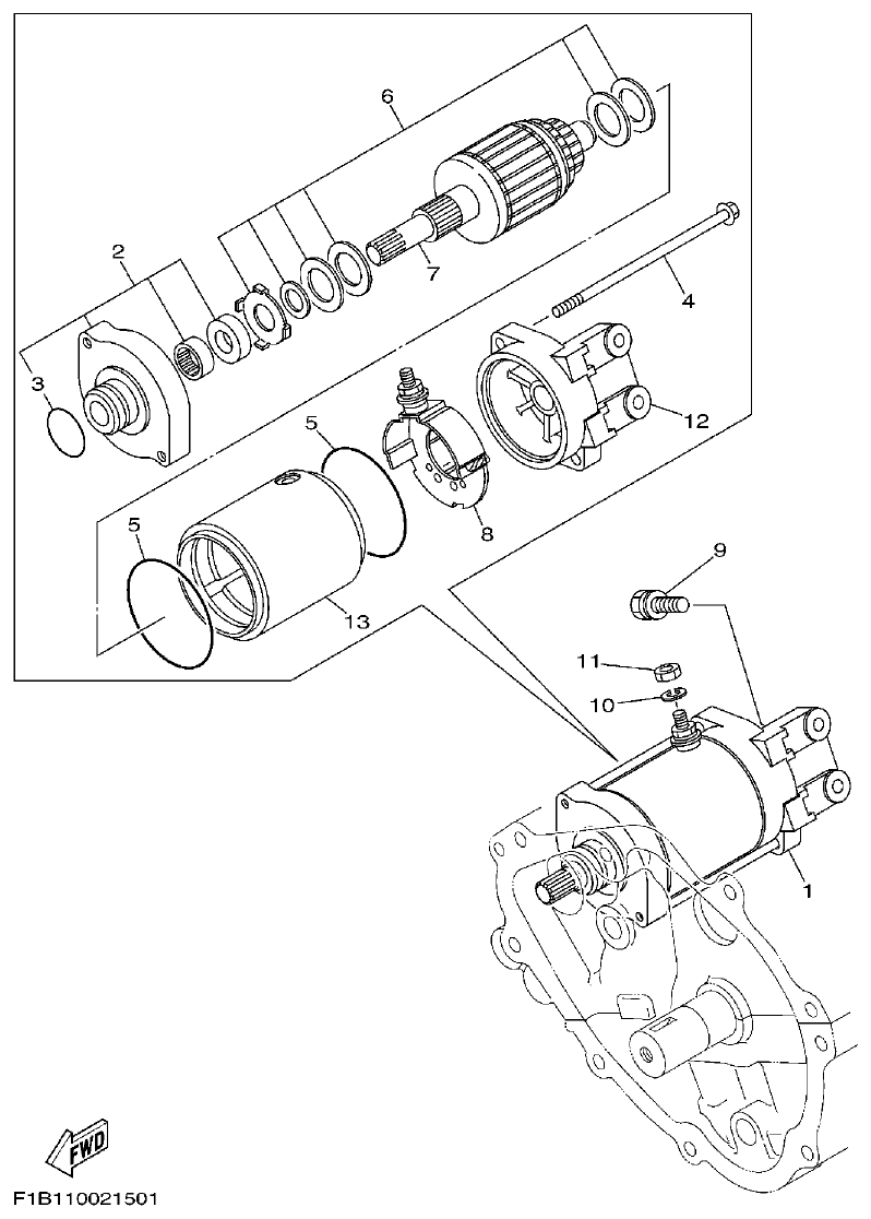
Yamaha FX11 STARTING MOTOR parts diagram
Fig. 15 — STARTING MOTOR
13 items · 2 available products
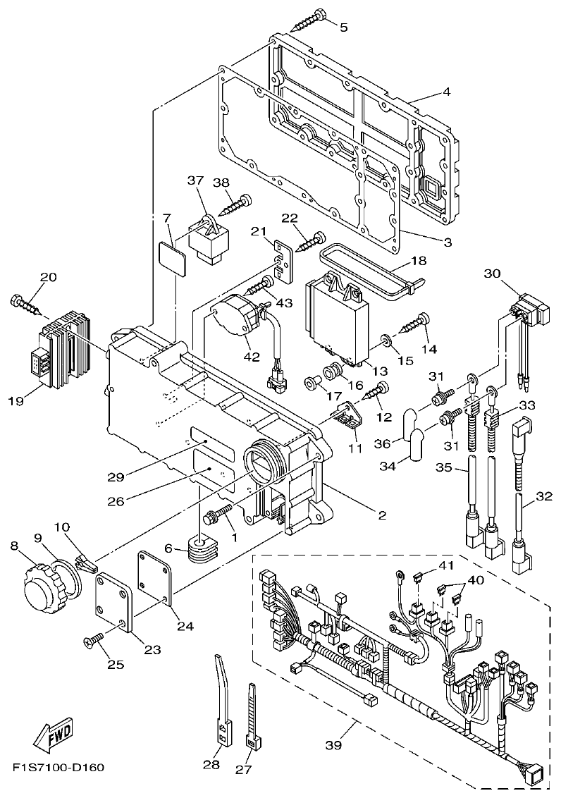
Yamaha FX11 ELECTRICAL 1 parts diagram
Fig. 16 — ELECTRICAL 1
43 items · 4 available products
Yamaha FX11 ELECTRICAL 2 parts diagram
Fig. 17 — ELECTRICAL 2
26 items · 2 available products
Yamaha FX11 ELECTRICAL 3 parts diagram
Fig. 18 — ELECTRICAL 3
23 items · 4 available products
Yamaha FX11 ENGINE HATCH 1 parts diagram
Fig. 19 — ENGINE HATCH 1
79 items · 2 available products
Yamaha FX11 ENGINE HATCH 2 parts diagram
Fig. 20 — ENGINE HATCH 2
49 items
Yamaha FX11 HULL & DECK parts diagram
Fig. 21 — HULL & DECK
52 items · 6 available products
Yamaha FX11 GUNWALE & MAT parts diagram
Fig. 22 — GUNWALE & MAT
42 items · 3 available products
Yamaha FX11 VENTILATION parts diagram
Fig. 23 — VENTILATION
6 items
Yamaha FX11 SEAT & UNDER LOCKER parts diagram
Fig. 24 — SEAT & UNDER LOCKER
60 items · 1 available products
Yamaha FX11 FUEL TANK parts diagram
Fig. 25 — FUEL TANK
53 items · 5 available products
Yamaha FX11 BILGE PUMP parts diagram
Fig. 26 — BILGE PUMP
29 items
Yamaha FX11 EXHAUST 3 parts diagram
Fig. 27 — EXHAUST 3
19 items · 2 available products
Yamaha FX11 CONTROL CABLE parts diagram
Fig. 28 — CONTROL CABLE
58 items · 3 available products
Yamaha FX11 STEERING 1 parts diagram
Fig. 29 — STEERING 1
44 items · 5 available products
Yamaha FX11 STEERING 2 parts diagram
Fig. 30 — STEERING 2
18 items
Yamaha FX11 GRAPHICS parts diagram
Fig. 31 — GRAPHICS
49 items · 2 available products
Yamaha FX11 IMPORTANT LABELS parts diagram
Fig. 32 — IMPORTANT LABELS
13 items
Yamaha FX11 IMPORTANT LABELS 2 parts diagram
Fig. 33 — IMPORTANT LABELS 2
23 items · 2 available products
Yamaha FX11 IMPORTANT LABELS 3 parts diagram
Fig. 34 — IMPORTANT LABELS 3
14 items · 1 available products
Yamaha FX11 REPAIR KIT 1 parts diagram
Fig. 35 — REPAIR KIT 1
21 items · 11 available products