Catalogs / Yamaha / Water Vehicle

Yamaha VX1050AV Parts Catalog

Browse 34 catalog sections for Yamaha VX1050AV. Open a section to view the parts diagram, reference numbers and available products.

Yamaha VX1050AV CYLINDER parts diagram
Fig. 1 — CYLINDER
20 items · 8 available products
Yamaha VX1050AV CRANKCASE parts diagram
Fig. 2 — CRANKCASE
30 items · 5 available products
Yamaha VX1050AV CRANKSHAFT & PISTON parts diagram
Fig. 3 — CRANKSHAFT & PISTON
46 items · 25 available products
Yamaha VX1050AV VALVE parts diagram
Fig. 4 — VALVE
46 items · 28 available products
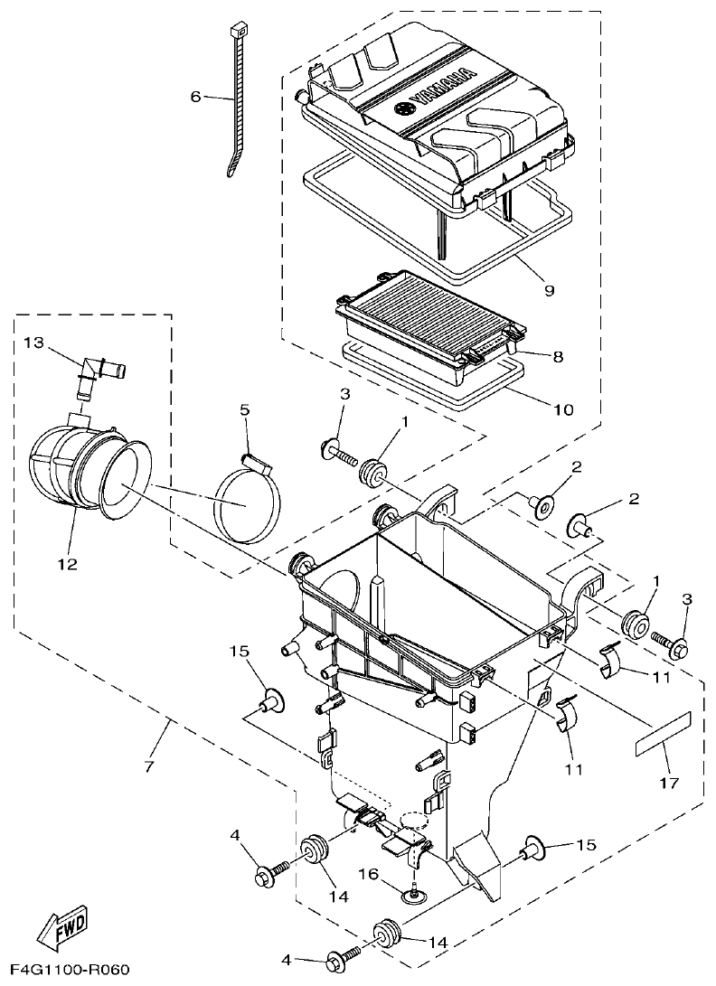
Yamaha VX1050AV INTAKE parts diagram
Fig. 5 — INTAKE
19 items · 9 available products
Yamaha VX1050AV INTAKE 2 parts diagram
Fig. 6 — INTAKE 2
17 items · 3 available products
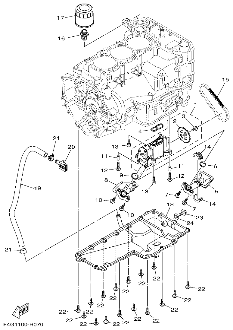
Yamaha VX1050AV OIL PUMP parts diagram
Fig. 7 — OIL PUMP
24 items · 4 available products
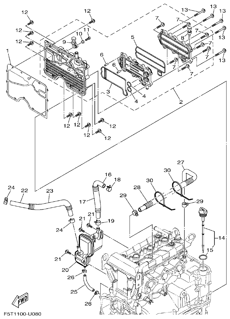
Yamaha VX1050AV OIL COOLER parts diagram
Fig. 8 — OIL COOLER
30 items · 3 available products
Yamaha VX1050AV EXHAUST 1 parts diagram
Fig. 9 — EXHAUST 1
16 items · 2 available products
Yamaha VX1050AV EXHAUST 2 parts diagram
Fig. 10 — EXHAUST 2
34 items · 4 available products
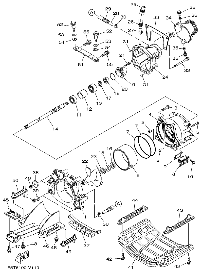
Yamaha VX1050AV JET UNIT 1 parts diagram
Fig. 11 — JET UNIT 1
55 items · 10 available products
Yamaha VX1050AV JET UNIT 2 parts diagram
Fig. 12 — JET UNIT 2
21 items · 7 available products
Yamaha VX1050AV JET UNIT 3 parts diagram
Fig. 13 — JET UNIT 3
14 items · 5 available products
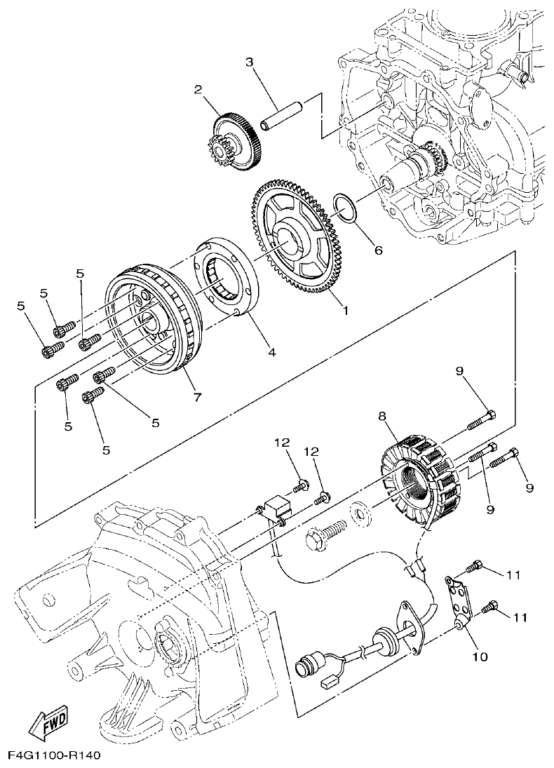
Yamaha VX1050AV GENERATOR parts diagram
Fig. 14 — GENERATOR
12 items · 5 available products
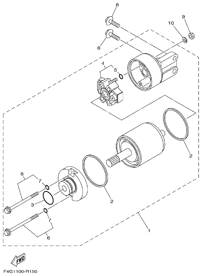
Yamaha VX1050AV STARTING MOTOR parts diagram
Fig. 15 — STARTING MOTOR
10 items · 4 available products
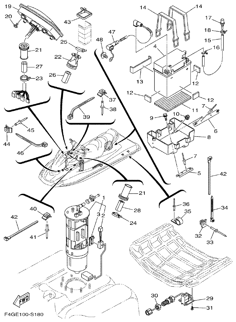
Yamaha VX1050AV ELECTRICAL 1 parts diagram
Fig. 16 — ELECTRICAL 1
30 items · 7 available products
Yamaha VX1050AV ELECTRICAL 2 parts diagram
Fig. 17 — ELECTRICAL 2
27 items · 5 available products
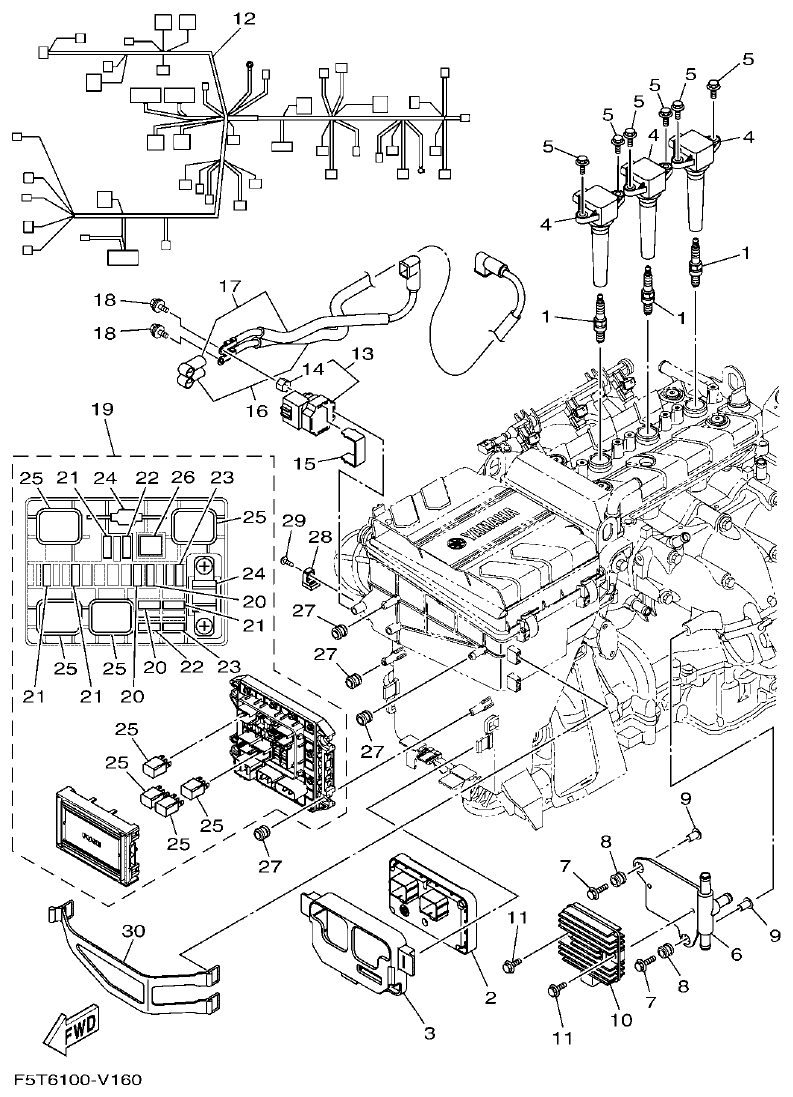
Yamaha VX1050AV ELECTRICAL 3 parts diagram
Fig. 18 — ELECTRICAL 3
48 items · 6 available products
Yamaha VX1050AV ENGINE MOUNT parts diagram
Fig. 19 — ENGINE MOUNT
18 items · 2 available products
Yamaha VX1050AV ENGINE HATCH 1 parts diagram
Fig. 20 — ENGINE HATCH 1
50 items · 7 available products
Yamaha VX1050AV ENGINE HATCH 2 parts diagram
Fig. 21 — ENGINE HATCH 2
44 items · 13 available products
Yamaha VX1050AV HULL & DECK parts diagram
Fig. 22 — HULL & DECK
52 items · 10 available products
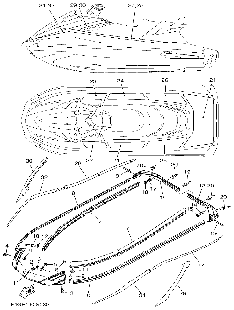
Yamaha VX1050AV GUNWALE & MAT parts diagram
Fig. 23 — GUNWALE & MAT
77 items · 15 available products
Yamaha VX1050AV VENTILATION parts diagram
Fig. 24 — VENTILATION
8 items · 1 available products
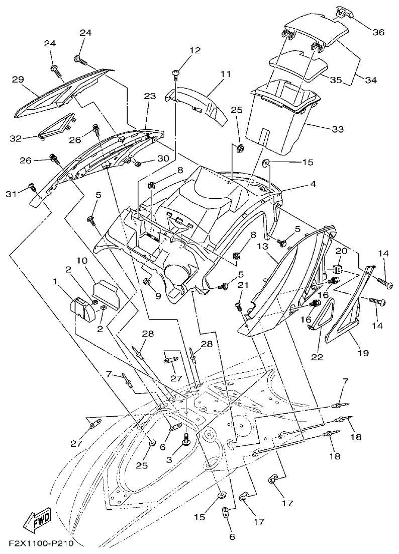
Yamaha VX1050AV SEAT & UNDER LOCKER parts diagram
Fig. 25 — SEAT & UNDER LOCKER
49 items · 6 available products
Yamaha VX1050AV FUEL TANK parts diagram
Fig. 26 — FUEL TANK
46 items · 7 available products
Yamaha VX1050AV EXHAUST 3 parts diagram
Fig. 27 — EXHAUST 3
25 items · 8 available products
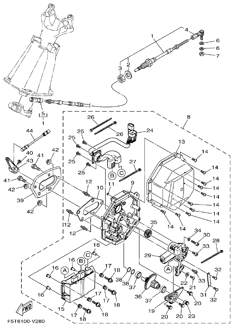
Yamaha VX1050AV CONTROL CABLE parts diagram
Fig. 28 — CONTROL CABLE
44 items · 6 available products
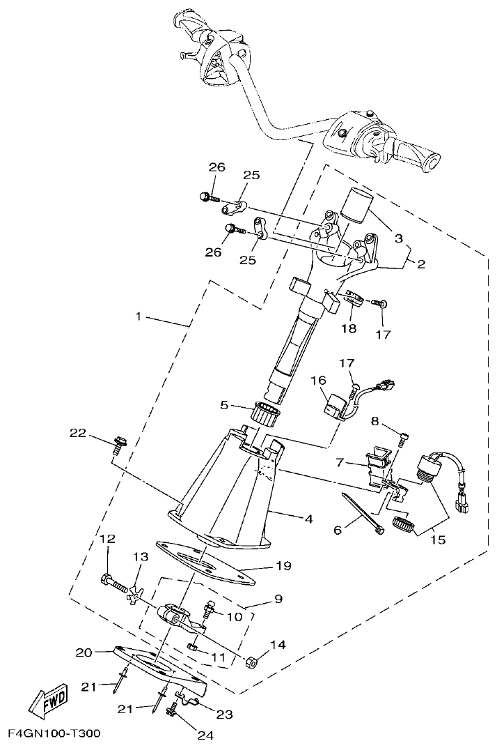
Yamaha VX1050AV STEERING 1 parts diagram
Fig. 29 — STEERING 1
14 items · 4 available products
Yamaha VX1050AV STEERING 2 parts diagram
Fig. 30 — STEERING 2
26 items · 6 available products
Yamaha VX1050AV STEERING 3 parts diagram
Fig. 31 — STEERING 3
9 items
Yamaha VX1050AV GRAPHICS parts diagram
Fig. 32 — GRAPHICS
43 items · 2 available products
Yamaha VX1050AV IMPORTANT LABELS parts diagram
Fig. 33 — IMPORTANT LABELS
11 items
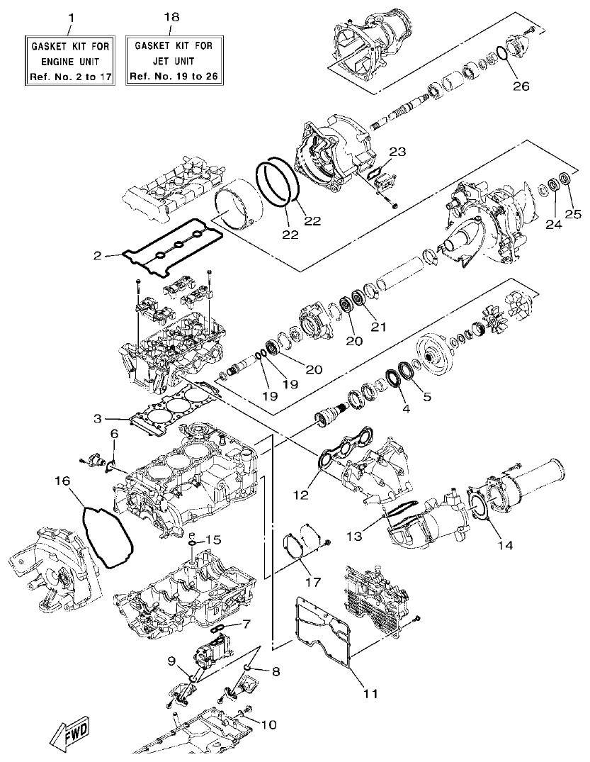
Yamaha VX1050AV REPAIR KIT 1 parts diagram
Fig. 34 — REPAIR KIT 1
26 items · 11 available products