Catalogs / Yamaha / Water Vehicle

Yamaha VX700-K-F2V1-2011(OMNMARKET-PUREWHITE) Parts Catalog

Browse 29 catalog sections for Yamaha VX700-K-F2V1-2011(OMNMARKET-PUREWHITE). Open a section to view the parts diagram, reference numbers and available products.

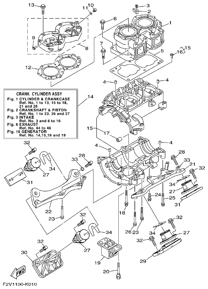
Yamaha VX700-K-F2V1-2011(OMNMARKET-PUREWHITE) CYLINDER & CRANKCASE parts diagram
Fig. 1 — CYLINDER & CRANKCASE
38 items · 8 available products
Yamaha VX700-K-F2V1-2011(OMNMARKET-PUREWHITE) CRANKSHAFT & PISTON parts diagram
Fig. 2 — CRANKSHAFT & PISTON
31 items · 13 available products
Yamaha VX700-K-F2V1-2011(OMNMARKET-PUREWHITE) INTAKE parts diagram
Fig. 3 — INTAKE
38 items · 9 available products
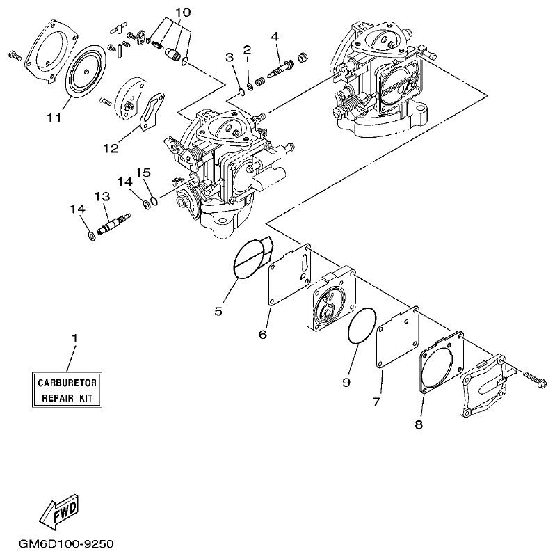
Yamaha VX700-K-F2V1-2011(OMNMARKET-PUREWHITE) CARBURETOR parts diagram
Fig. 4 — CARBURETOR
44 items · 19 available products
Yamaha VX700-K-F2V1-2011(OMNMARKET-PUREWHITE) OIL PUMP parts diagram
Fig. 5 — OIL PUMP
19 items · 2 available products
Yamaha VX700-K-F2V1-2011(OMNMARKET-PUREWHITE) EXHAUST 1 parts diagram
Fig. 6 — EXHAUST 1
59 items · 11 available products
Yamaha VX700-K-F2V1-2011(OMNMARKET-PUREWHITE) FUEL parts diagram
Fig. 7 — FUEL
23 items · 1 available products
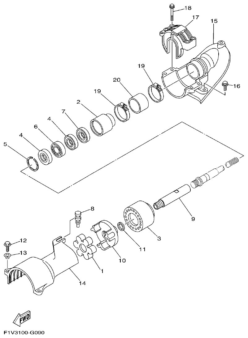
Yamaha VX700-K-F2V1-2011(OMNMARKET-PUREWHITE) JET UNIT 1 parts diagram
Fig. 8 — JET UNIT 1
55 items · 8 available products
Yamaha VX700-K-F2V1-2011(OMNMARKET-PUREWHITE) JET UNIT 2 parts diagram
Fig. 9 — JET UNIT 2
20 items · 4 available products
Yamaha VX700-K-F2V1-2011(OMNMARKET-PUREWHITE) GENERATOR parts diagram
Fig. 10 — GENERATOR
19 items · 5 available products
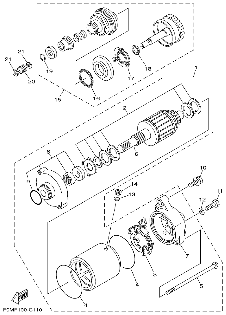
Yamaha VX700-K-F2V1-2011(OMNMARKET-PUREWHITE) STARTING MOTOR parts diagram
Fig. 11 — STARTING MOTOR
21 items · 7 available products
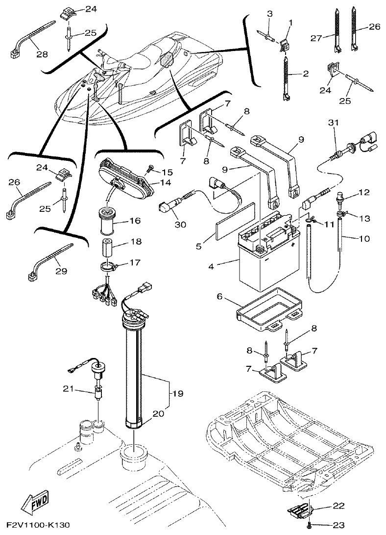
Yamaha VX700-K-F2V1-2011(OMNMARKET-PUREWHITE) ELECTRICAL 1 parts diagram
Fig. 12 — ELECTRICAL 1
43 items · 9 available products
Yamaha VX700-K-F2V1-2011(OMNMARKET-PUREWHITE) ELECTRICAL 2 parts diagram
Fig. 13 — ELECTRICAL 2
31 items · 4 available products
Yamaha VX700-K-F2V1-2011(OMNMARKET-PUREWHITE) ENGINE HATCH 1 parts diagram
Fig. 14 — ENGINE HATCH 1
24 items · 4 available products
Yamaha VX700-K-F2V1-2011(OMNMARKET-PUREWHITE) ENGINE HATCH 2 parts diagram
Fig. 15 — ENGINE HATCH 2
32 items · 7 available products
Yamaha VX700-K-F2V1-2011(OMNMARKET-PUREWHITE) HULL & DECK parts diagram
Fig. 16 — HULL & DECK
35 items · 6 available products
Yamaha VX700-K-F2V1-2011(OMNMARKET-PUREWHITE) GUNWALE & MAT parts diagram
Fig. 17 — GUNWALE & MAT
18 items · 4 available products
Yamaha VX700-K-F2V1-2011(OMNMARKET-PUREWHITE) VENTILATION parts diagram
Fig. 18 — VENTILATION
11 items
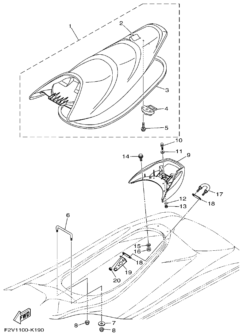
Yamaha VX700-K-F2V1-2011(OMNMARKET-PUREWHITE) SEAT & UNDER LOCKER parts diagram
Fig. 19 — SEAT & UNDER LOCKER
20 items · 2 available products
Yamaha VX700-K-F2V1-2011(OMNMARKET-PUREWHITE) OIL TANK parts diagram
Fig. 20 — OIL TANK
21 items
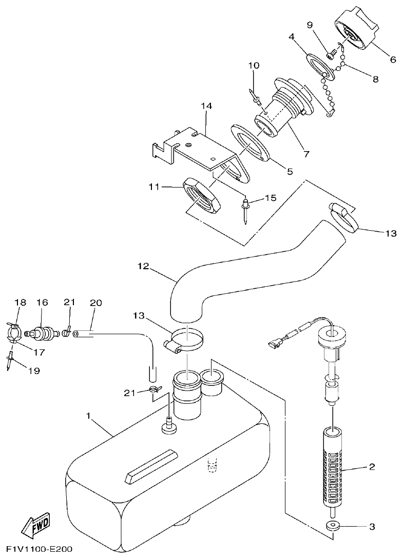
Yamaha VX700-K-F2V1-2011(OMNMARKET-PUREWHITE) FUEL TANK parts diagram
Fig. 21 — FUEL TANK
44 items · 9 available products
Yamaha VX700-K-F2V1-2011(OMNMARKET-PUREWHITE) EXHAUST 2 parts diagram
Fig. 22 — EXHAUST 2
22 items · 2 available products
Yamaha VX700-K-F2V1-2011(OMNMARKET-PUREWHITE) CONTROL CABLE parts diagram
Fig. 23 — CONTROL CABLE
15 items · 4 available products
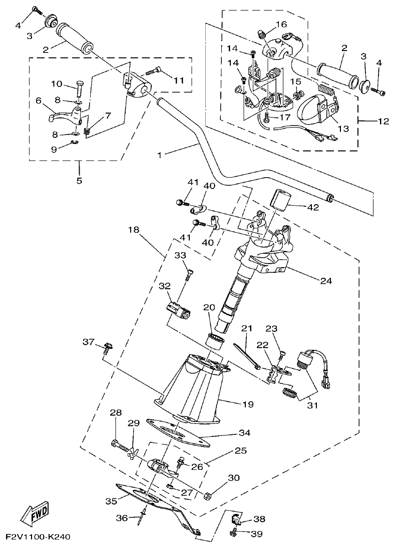
Yamaha VX700-K-F2V1-2011(OMNMARKET-PUREWHITE) STEERING 1 parts diagram
Fig. 24 — STEERING 1
42 items · 12 available products
Yamaha VX700-K-F2V1-2011(OMNMARKET-PUREWHITE) STEERING 2 parts diagram
Fig. 25 — STEERING 2
7 items · 1 available products
Yamaha VX700-K-F2V1-2011(OMNMARKET-PUREWHITE) GRAPHICS parts diagram
Fig. 26 — GRAPHICS
11 items
Yamaha VX700-K-F2V1-2011(OMNMARKET-PUREWHITE) IMPORTANT LABELS parts diagram
Fig. 27 — IMPORTANT LABELS
11 items · 1 available products
Yamaha VX700-K-F2V1-2011(OMNMARKET-PUREWHITE) REPAIR KIT 1 parts diagram
Fig. 28 — REPAIR KIT 1
26 items · 12 available products
Yamaha VX700-K-F2V1-2011(OMNMARKET-PUREWHITE) REPAIR KIT 2 parts diagram
Fig. 29 — REPAIR KIT 2
15 items · 13 available products