F115B’15
Section 37: OPTIONAL PARTS 1 (v2)
Model code: 6EK2
Parts list
Section 37
| Ref | Part No. / Description | Qty | Buy |
|---|---|---|---|
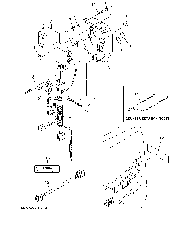
| 1 |
6Y8-86267-00
CASE COMPLETE 1 CARTER (ENS.) 1
|
1 | |
| 2 |
6Y8-86260-02
REMOTE CONTROL UNIT ASSY
FOR EUR
|
1 | |
| 2 |
6Y8-86260-12
REMOTE CONTROL UNIT ASSY
AP FOR USA/CAN
|
1 | |
| 3 |
6AA-86261-00
.XMTR. COMP.
FOR 6Y8-86260-02
|
2 | |
| 3 |
6AA-86261-22
.XMTR. COMP.
FOR 6Y8-86260-12
|
2 | |
| 4 |
97980-06216
SCREW, WITH WASHER VIS, AVEC RONDELLE
|
2 | |
| 5 |
6X4-83383-00
BUZZER RONFLEUR
|
1 | |
| 6 |
6X4-83386-00
STAY, BUZZER SUPPOR, RONFLEUR
|
1 | |
| 7 |
97780-60620
SCREW, TAPPING VIS, TETE BOMBEE
|
1 | |
| 8 |
6Y8-82509-10
WIRE, SUB LEAD
|
1 | |
| 9 |
93210-04279
O-RING JOINT TORIQUE
|
1 | |
| 10 |
90465-11M10
CLAMP BRIDE
|
1 | |
| 11 |
6Y8-8454G-00
PATCH 1 TAMPON 1
|
4 | |
| 12 |
90167-06M00
SCREW, TAPPING
UR
|
4 | |
| 12 |
97880-06035
SCREW, PAN HEAD
UR
|
4 | |
| 13 |
90201-06M30
WASHER, PLATE RONDELLE, PLATE
|
8 | |
| 14 |
95780-06300
NUT, FLANGE ECROU
|
4 | |
| 15 |
6Y8-82521-11
2FT PIGTAIL BUS FAISCEAU (L: 2FT.)
|
1 | |
| 16 |
6Y8-48277-00
STICKER 1
FOR EUR
|
1 | |
| 16 |
6Y8-48277-00
STICKER 1
AP FOR USA/CAN
|
4 | |
| 17 |
6Y8-48277-00
STICKER 1 ETIQUETTE 1
|
1 |