bf130a2

Choose a section to open the exploded parts diagram with live pricing. (v2)

Engine sections in this model
Fig. E-1 – CYLINDER HEAD COVER diagram
Fig. E-1 – CYLINDER HEAD COVER
Fig. E-10 – BALANCER SHAFT diagram
Fig. E-10 – BALANCER SHAFT
Fig. E-13 – TIMING BELT diagram
Fig. E-13 – TIMING BELT
Fig. E-13-10 – TIMING BELT COVER diagram
Fig. E-13-10 – TIMING BELT COVER
Fig. E-14 – INTAKE MANIFOLD diagram
Fig. E-14 – INTAKE MANIFOLD
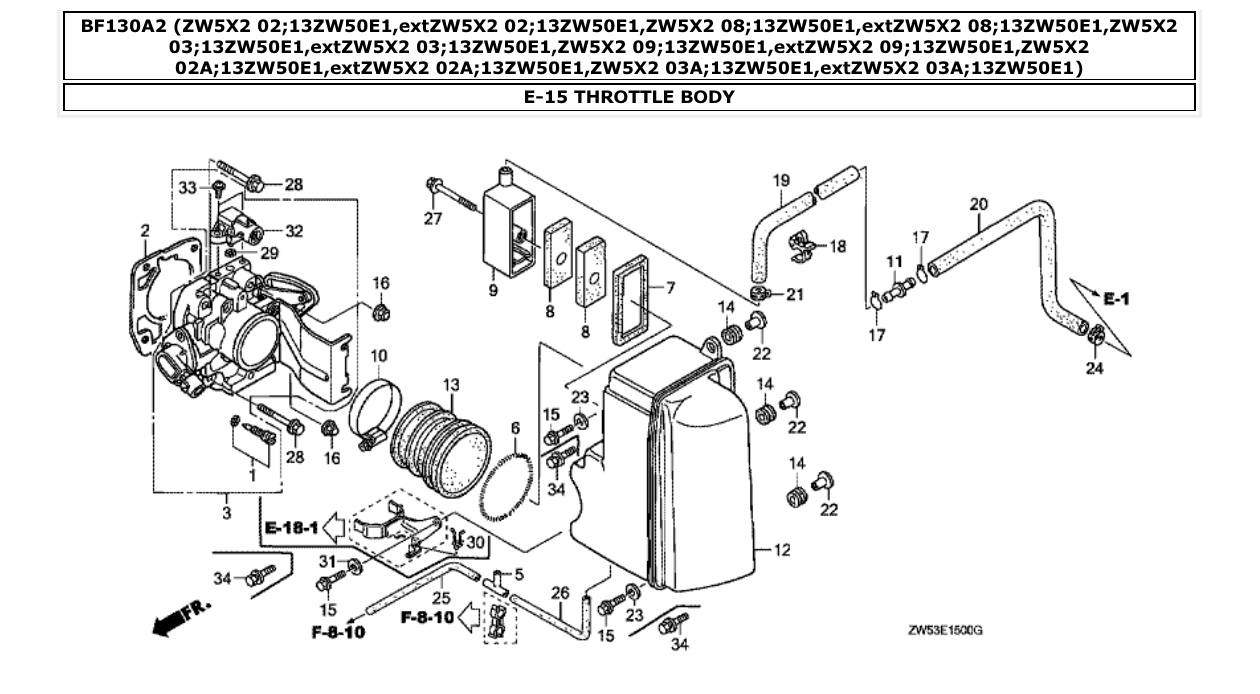
Fig. E-15 – THROTTLE BODY diagram
Fig. E-15 – THROTTLE BODY
Fig. E-18 – FUEL PUMP/FUEL PIPE diagram
Fig. E-18 – FUEL PUMP/FUEL PIPE
Fig. E-18-1 – WATER SEPARATOR/FUEL PIPE diagram
Fig. E-18-1 – WATER SEPARATOR/FUEL PIPE
Fig. E-18-10 – VAPOR SEPARATOR (1) diagram
Fig. E-18-10 – VAPOR SEPARATOR (1)
Fig. E-18-11 – VAPOR SEPARATOR (2) diagram
Fig. E-18-11 – VAPOR SEPARATOR (2)
Fig. E-19 – A.C. GENERATOR diagram
Fig. E-19 – A.C. GENERATOR
Fig. E-20 – IGNITION COIL/C.D.I. UNIT diagram
Fig. E-20 – IGNITION COIL/C.D.I. UNIT
Fig. E-21 – STARTER MOTOR diagram
Fig. E-21 – STARTER MOTOR
Fig. E-3 – CYLINDER BLOCK diagram
Fig. E-3 – CYLINDER BLOCK
Fig. E-4 – THERMOSTAT diagram
Fig. E-4 – THERMOSTAT
Fig. E-5 – OIL PUMP/EXHAUST PIPE diagram
Fig. E-5 – OIL PUMP/EXHAUST PIPE
Fig. E-6 – OIL PAN diagram
Fig. E-6 – OIL PAN
Fig. E-7 – CRANKSHAFT/PISTON diagram
Fig. E-7 – CRANKSHAFT/PISTON
Fig. E-9 – CAMSHAFT/CYLINDER HEAD diagram
Fig. E-9 – CAMSHAFT/CYLINDER HEAD
Fig. EOP-1 – GASKET KIT diagram
Fig. EOP-1 – GASKET KIT
Fig. F-10 – STERN BRACKET/SWIVEL CASE diagram
Fig. F-10 – STERN BRACKET/SWIVEL CASE
Fig. F-11 – POWER TRIM-TILT diagram
Fig. F-11 – POWER TRIM-TILT
Fig. F-12 – LABEL diagram
Fig. F-12 – LABEL
Fig. F-13 – TOOL diagram
Fig. F-13 – TOOL
Fig. F-14 – CONTROL PANEL diagram
Fig. F-14 – CONTROL PANEL
Fig. F-15 – REMOTE CONTROL (SIDE MOUNT) diagram
Fig. F-15 – REMOTE CONTROL (SIDE MOUNT)
Fig. F-2 – SHIFT SHAFT diagram
Fig. F-2 – SHIFT SHAFT
Fig. F-3 – GEAR CASE diagram
Fig. F-3 – GEAR CASE
Fig. F-3-10 – GEAR CASE ASSY. diagram
Fig. F-3-10 – GEAR CASE ASSY.
Fig. F-3-20 – EXTENSION CASE diagram
Fig. F-3-20 – EXTENSION CASE
Fig. F-4 – WATER PUMP/VERTICAL SHAFT diagram
Fig. F-4 – WATER PUMP/VERTICAL SHAFT
Fig. F-5 – PROPELLER SHAFT (1) diagram
Fig. F-5 – PROPELLER SHAFT (1)
Fig. F-6 – FUEL TANK diagram
Fig. F-6 – FUEL TANK
Fig. F-7 – CONTROL CABLE diagram
Fig. F-7 – CONTROL CABLE
Fig. F-7-10 – STARTER CABLE diagram
Fig. F-7-10 – STARTER CABLE
Fig. F-7-20 – CLAMP (HOSE SIDE) diagram
Fig. F-7-20 – CLAMP (HOSE SIDE)
Fig. F-7-30 – CLAMP (FUSE SIDE) diagram
Fig. F-7-30 – CLAMP (FUSE SIDE)
Fig. F-7-40 – SPEEDOMETER/TACHOMETER diagram
Fig. F-7-40 – SPEEDOMETER/TACHOMETER
Fig. F-8 – ENGINE COVER diagram
Fig. F-8 – ENGINE COVER
Fig. F-8-10 – UNDER CASE diagram
Fig. F-8-10 – UNDER CASE
Fig. F-9 – MOUNT CASE diagram
Fig. F-9 – MOUNT CASE
Fig. FOP-1 – WATER PUMP IMPELLER KIT diagram
Fig. FOP-1 – WATER PUMP IMPELLER KIT
Fig. FOP-1-1 – IMPELLER PUMP KIT (1) diagram
Fig. FOP-1-1 – IMPELLER PUMP KIT (1)
Fig. FOP-1-2 – IMPELLER PUMP KIT (2) diagram
Fig. FOP-1-2 – IMPELLER PUMP KIT (2)
Fig. FOP-2 – REMOTE CONTROL (TOP MOUNT SINGLE TYPE) (RIGHT) diagram
Fig. FOP-2 – REMOTE CONTROL (TOP MOUNT SINGLE TYPE) (RIGHT)
Fig. FOP-2-1 – REMOTE CONTROL (TOP MOUNT SINGLE TYPE) (LEFT) diagram
Fig. FOP-2-1 – REMOTE CONTROL (TOP MOUNT SINGLE TYPE) (LEFT)
Fig. FOP-2-2 – REMOTE CONTROL (TOP MOUNT DUAL TYPE) (RIGHT) diagram
Fig. FOP-2-2 – REMOTE CONTROL (TOP MOUNT DUAL TYPE) (RIGHT)
Fig. FOP-2-3 – REMOTE CONTROL (TOP MOUNT DUAL TYPE) (LEFT) diagram
Fig. FOP-2-3 – REMOTE CONTROL (TOP MOUNT DUAL TYPE) (LEFT)
Fig. FOP-2-4 – REMOTE CONTROL (FLUSH MOUNT TYPE) (RIGHT) diagram
Fig. FOP-2-4 – REMOTE CONTROL (FLUSH MOUNT TYPE) (RIGHT)
Fig. FOP-2-40 – INNER HOUSING diagram
Fig. FOP-2-40 – INNER HOUSING
Fig. FOP-2-5 – REMOTE CONTROL (FLUSH MOUNT TYPE) (LEFT) diagram
Fig. FOP-2-5 – REMOTE CONTROL (FLUSH MOUNT TYPE) (LEFT)
Fig. FOP-2-8 – REMOTE CONTROL (PANEL MOUNT) diagram
Fig. FOP-2-8 – REMOTE CONTROL (PANEL MOUNT)
Fig. FOP-3 – CABLE (SINGLE) diagram
Fig. FOP-3 – CABLE (SINGLE)
Fig. FOP-3-1 – CABLE (DUAL) diagram
Fig. FOP-3-1 – CABLE (DUAL)
Fig. FOP-4 – CONTROL PANEL/LIGHT SWITCH KIT diagram
Fig. FOP-4 – CONTROL PANEL/LIGHT SWITCH KIT
Fig. FOP-5 – METER KIT/METER HARNESS diagram
Fig. FOP-5 – METER KIT/METER HARNESS
Fig. FOP-5-1 – METER KIT (DIGITAL) diagram
Fig. FOP-5-1 – METER KIT (DIGITAL)
Fig. FOP-7 – BOLT KIT diagram
Fig. FOP-7 – BOLT KIT
Fig. FOP-8 – PROPELLER diagram
Fig. FOP-8 – PROPELLER