55BET’02
Choose a section to open the exploded parts diagram with live pricing. (v2)
Engine sections in this model
Fig. 1
– TOP COWLING
Fig. 10
– CONTROL
Fig. 11
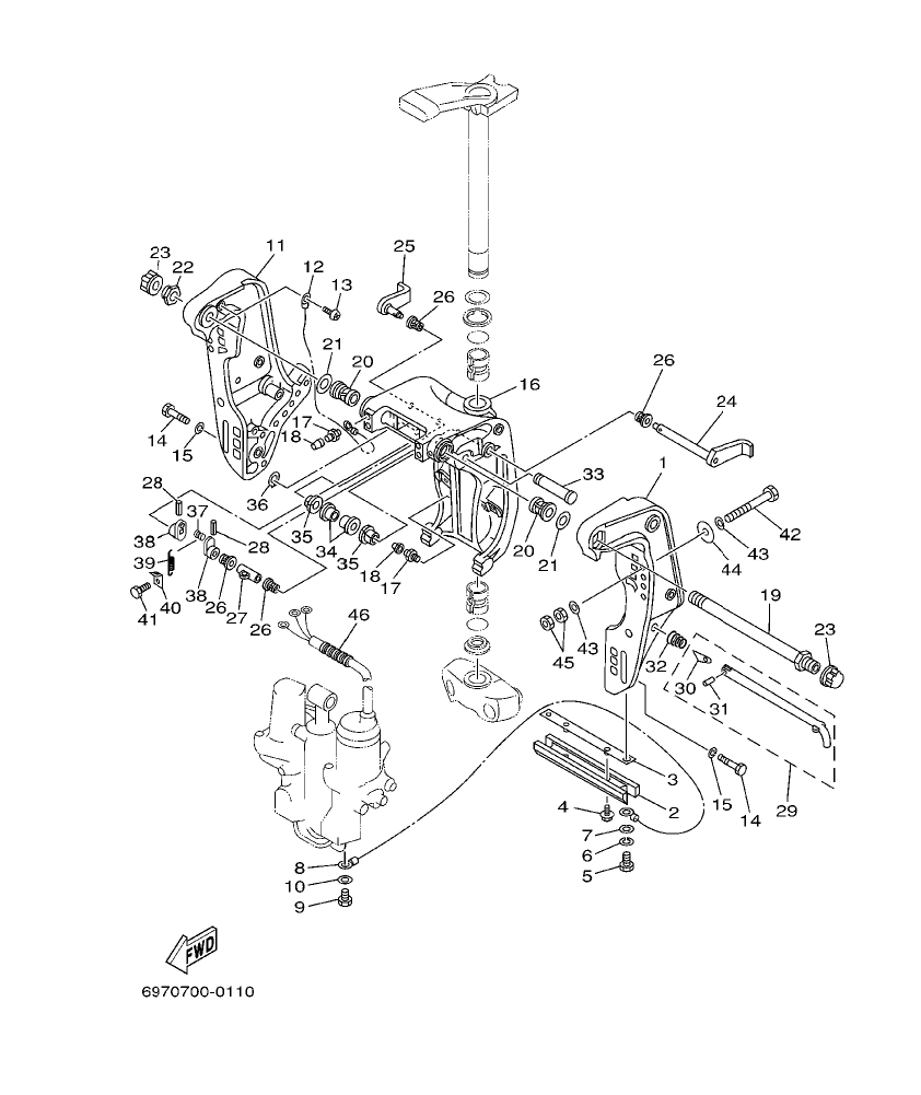
– BRACKET 1
Fig. 12
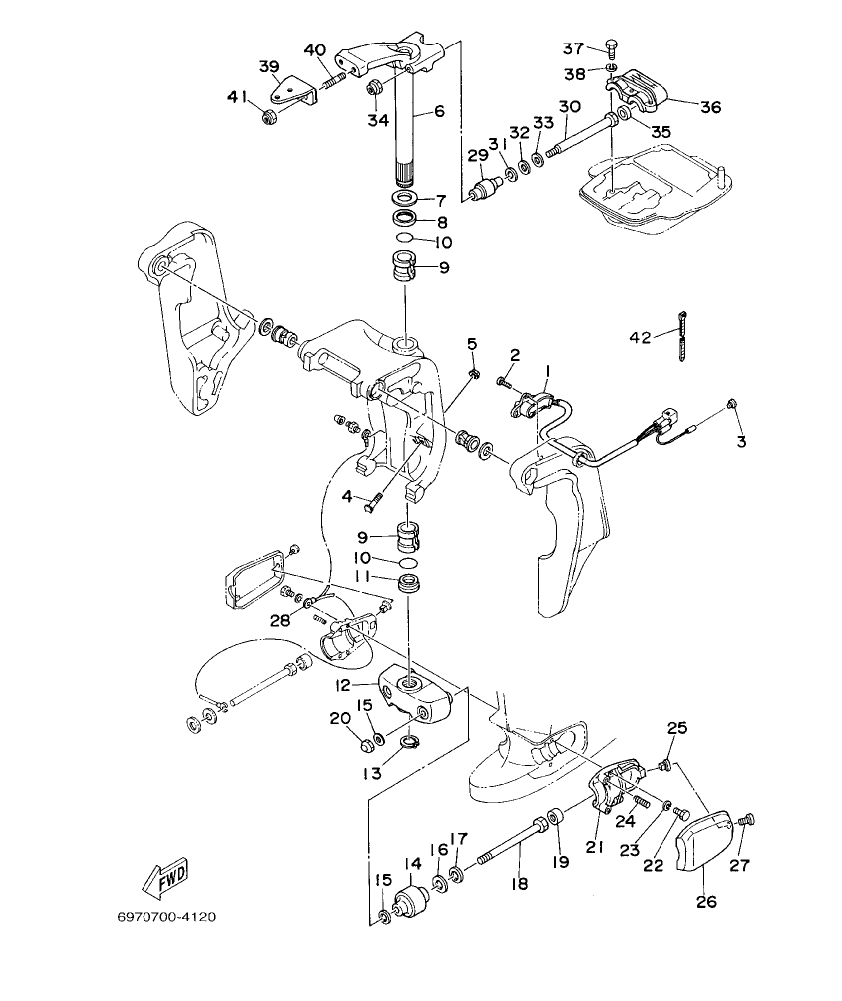
– BRACKET 2
Fig. 13
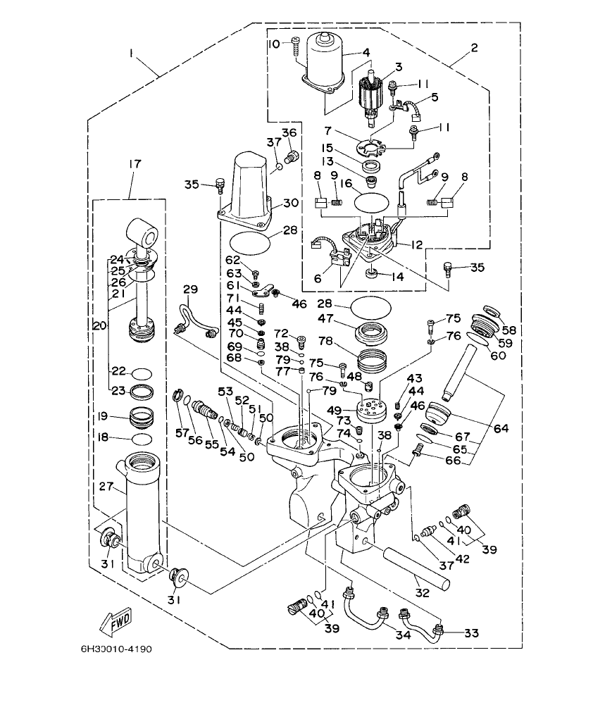
– POWER TRIM & TILT ASSY
Fig. 14
– UPPER CASING
Fig. 15
– LOWER CASING. DRIVE 1
Fig. 16
– LOWER CASING. DRIVE 2
Fig. 17
– FUEL TANK
Fig. 18
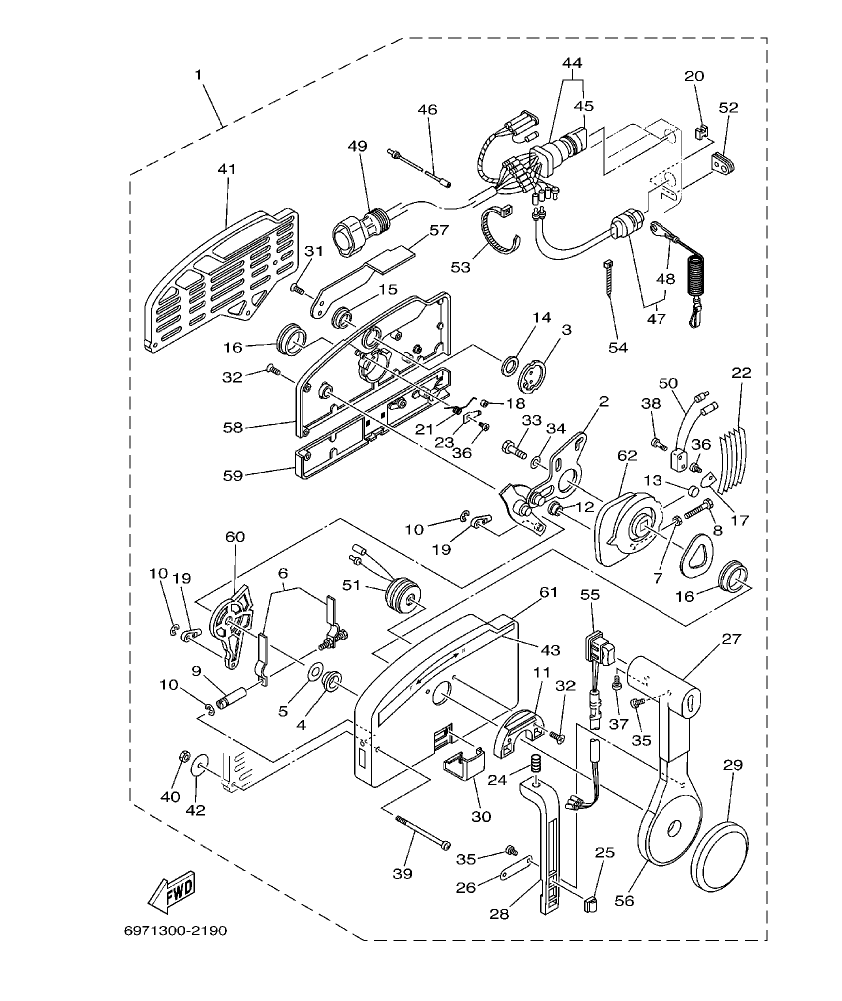
– REMOTE CONTROL BOX
Fig. 19
– REMOTE CONTROL ASSY
Fig. 2
– CYLINDER. CRANKCASE
Fig. 20
– METER
Fig. 21
– REPAIR KIT 1
Fig. 22
– REPAIR KIT 2
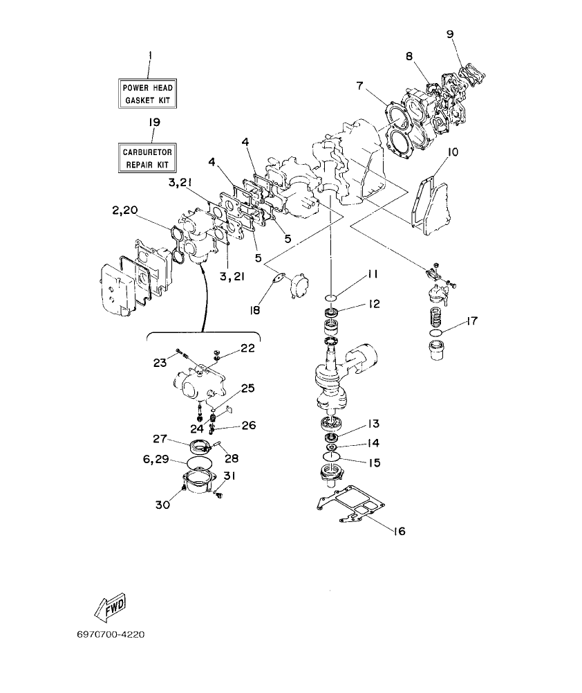
Fig. 3
– INTAKE
Fig. 4
– FUEL
Fig. 5
– GENERATOR
Fig. 6
– ELECTRICAL 1
Fig. 7
– ELECTRICAL 2
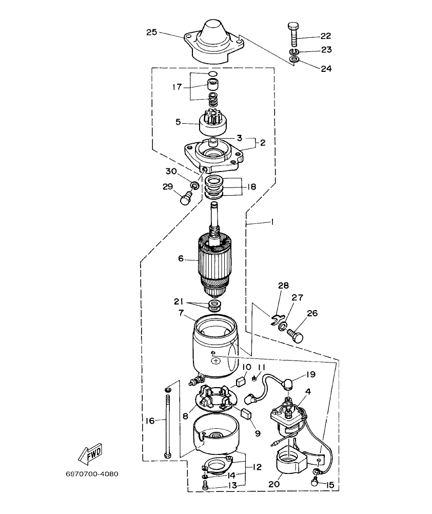
Fig. 8
– STARTING MOTOR
Fig. 9
– BOTTOM COWLING