Suzuki DF50
Choose a section to open the exploded parts diagram with live pricing. (v2)
Model code: DF50
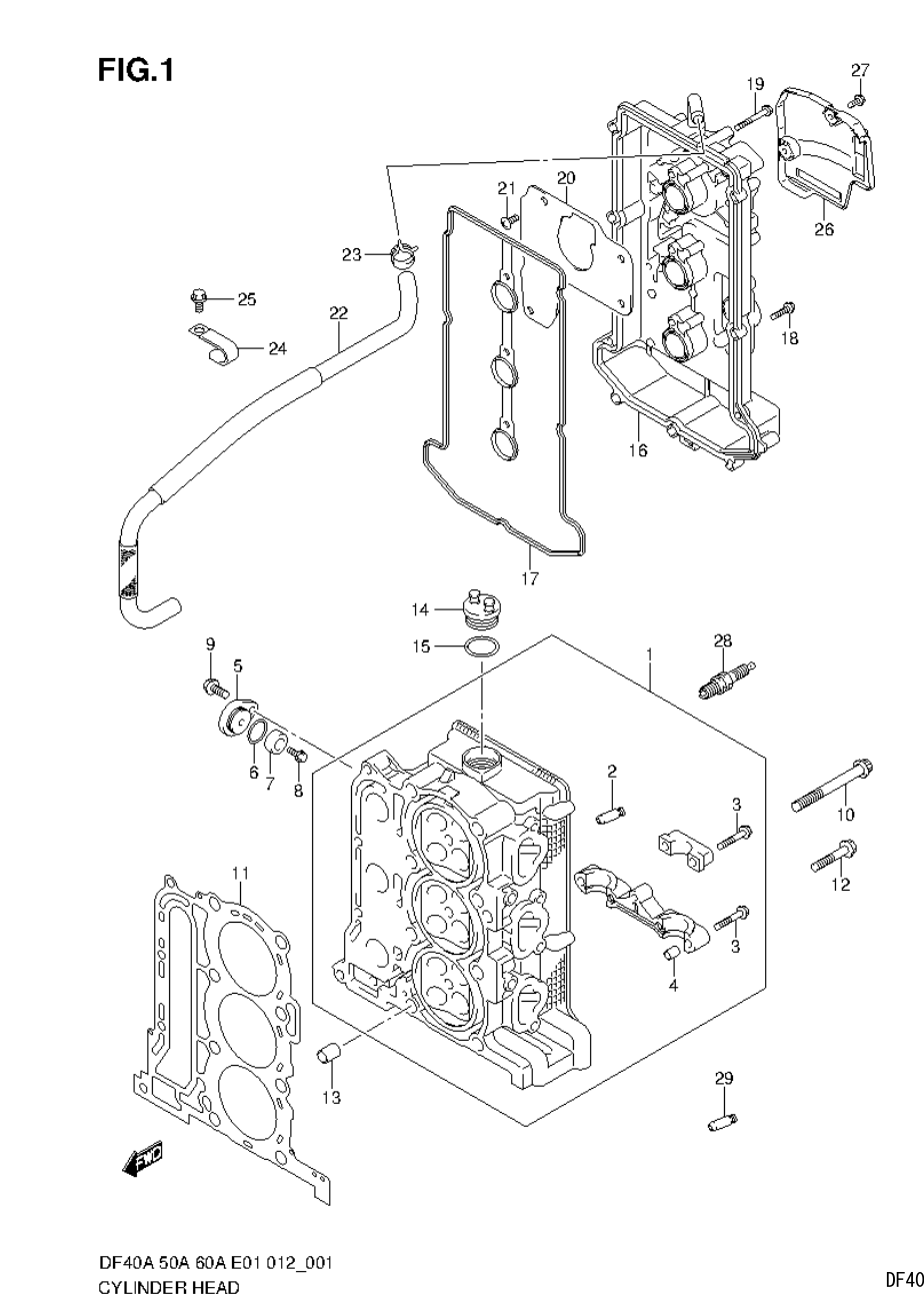
CYLINDER HEAD
CRANKSHAFT
CAMSHAFT
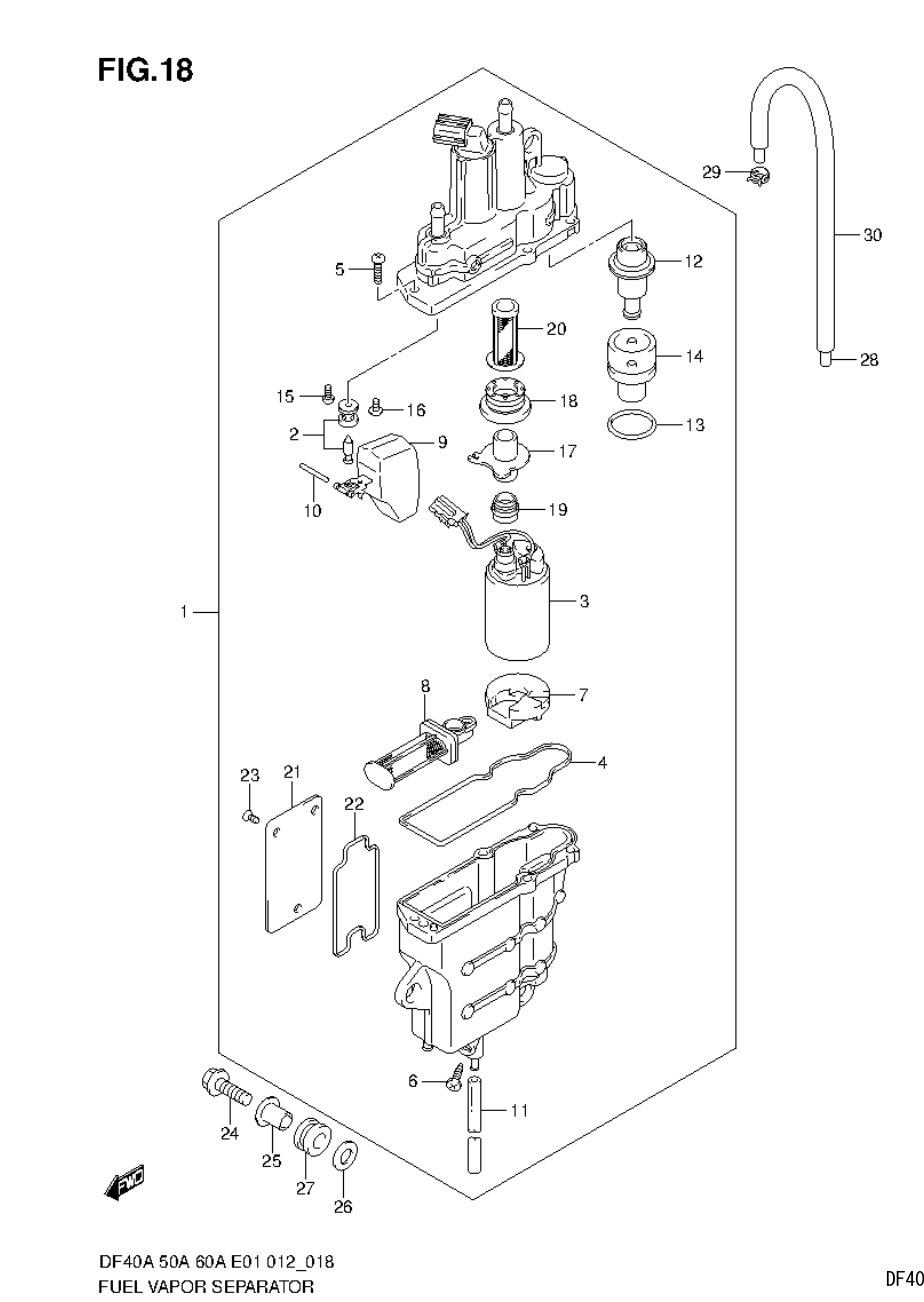
FUEL VAPOR SEPARATOR
FUEL PUMP
THERMOSTAT
OIL PAN
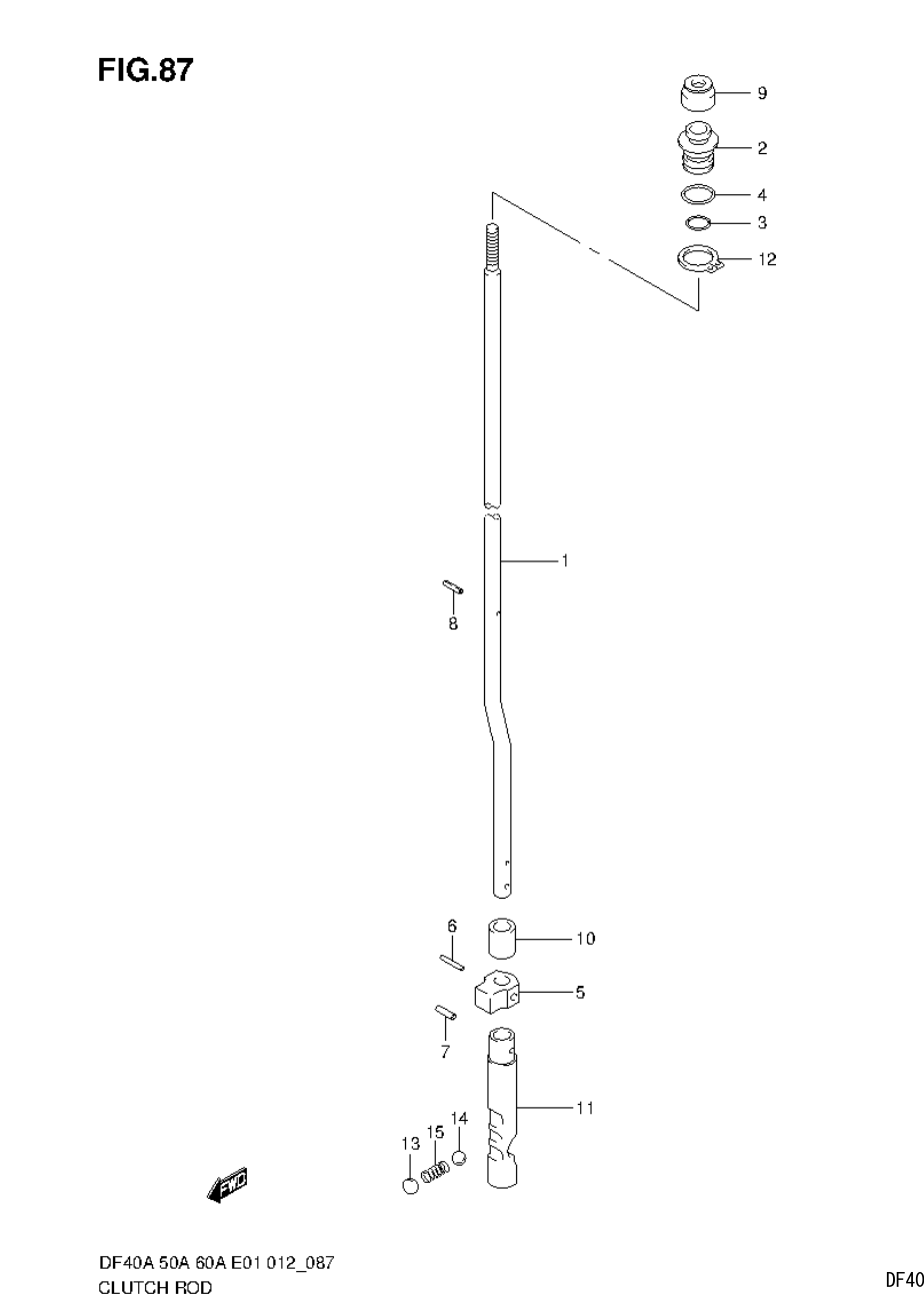
CLUTCH ROD
TRANSMISSION
STARTING MOTOR
MAGNETO
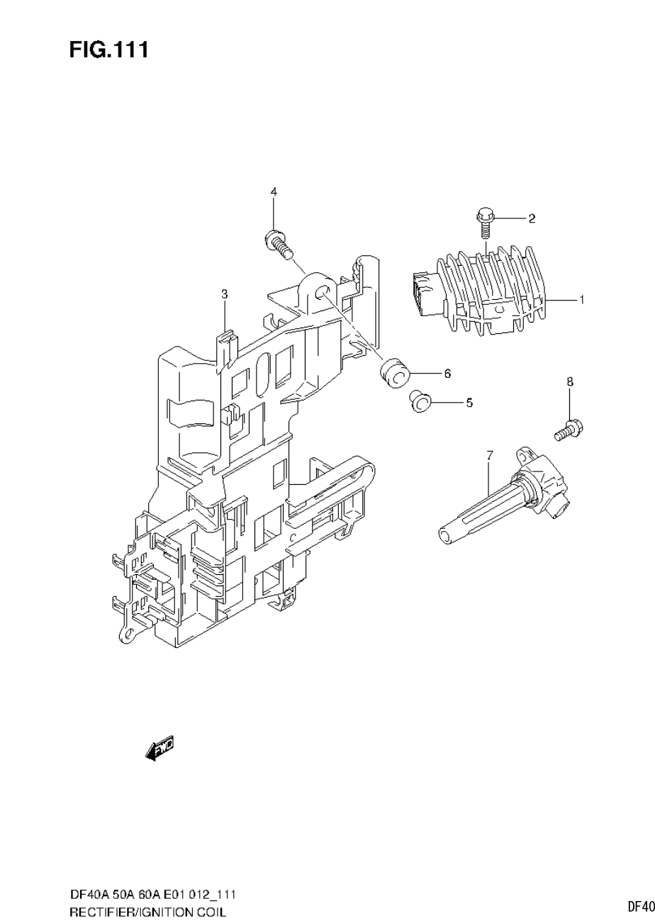
RECTIFIER / IGNITION COIL
SENSOR
HARNESS
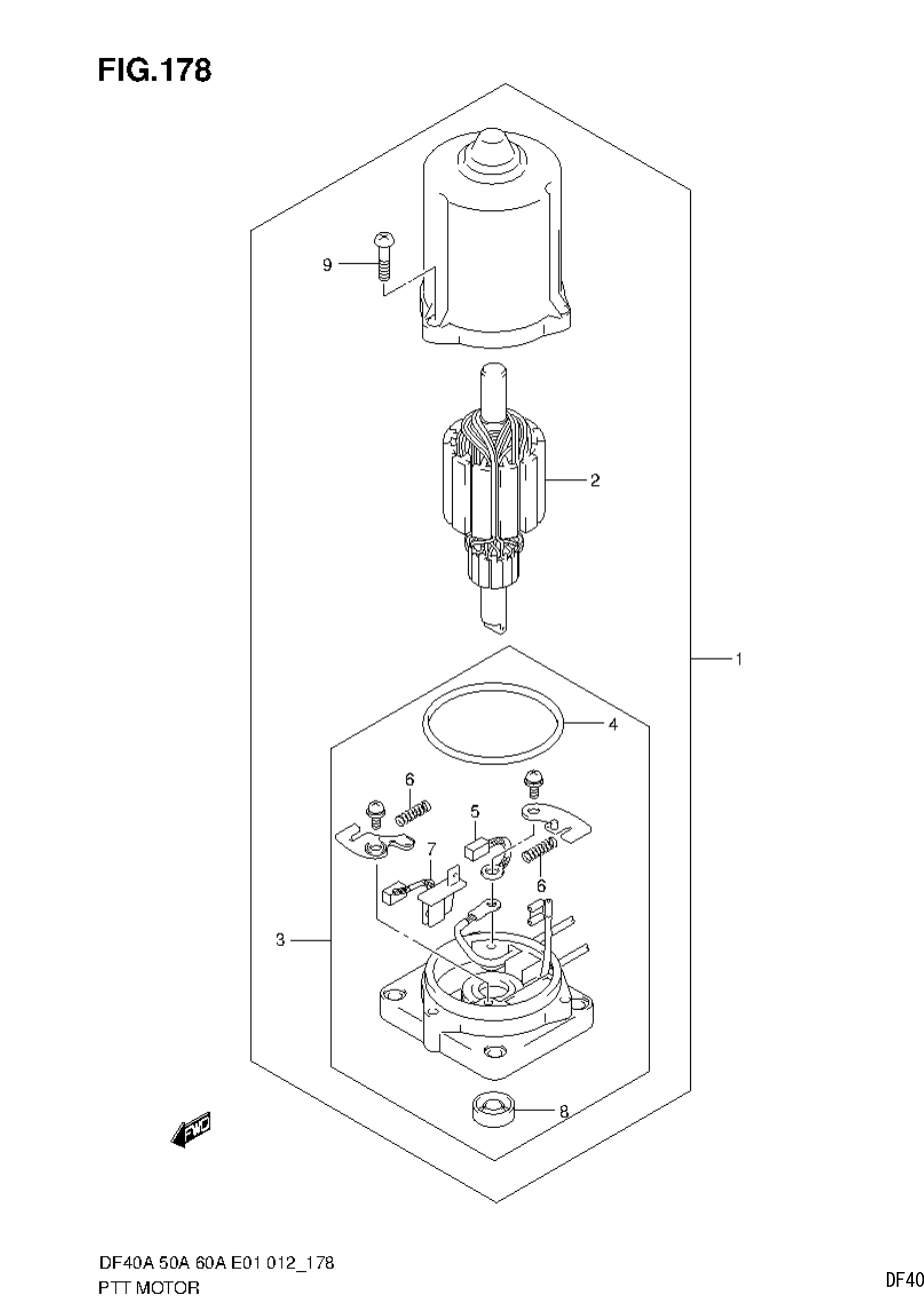
PTT MOTOR
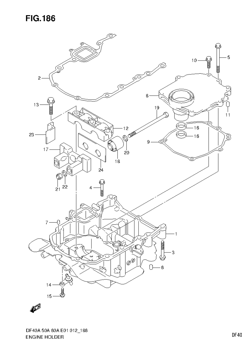
ENGINE HOLDER
DRIVE SHAFT HOUSING
TILLER HANDLE
WATER PRESSURE GAUGE SUB KIT
OPT:METER
OPT:SWITCH
OPT:REMOTE CONTROL ASSY SINGLE(1)
OPT:GASKET SET