EF5200
Choose a section to open the exploded parts diagram with live pricing. (v2)
Model code: 7VX4
Engine sections in this model
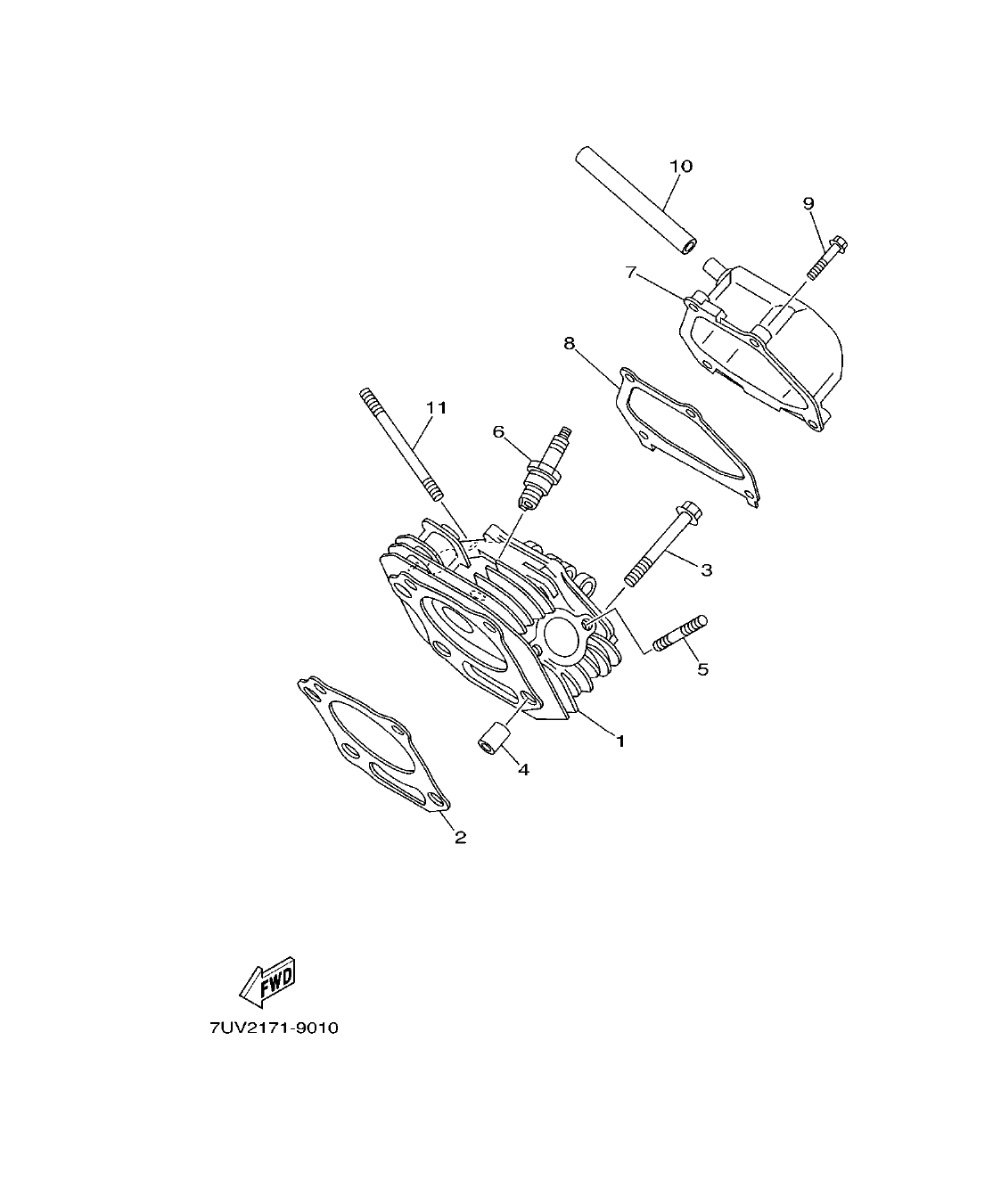
Fig. 1
β CYLINDER
Fig. 2
β CRANKSHAFT. PISTON
Fig. 3
β GOVERNOR
Fig. 4
β CAMSHAFT.VALVE
Fig. 5
β AIR SHROUD. STARTER
Fig. 6
β INTAKE
Fig. 7
β CARBURETOR
Fig. 8
β EXHAUST
Fig. 9
β CRANKCASE
Fig. 10
β FRAME
Fig. 11
β FRAME 2 (FOR EL. STRAT MODEL)
Fig. 12
β FUEL TANK
Fig. 13
β CARRIER (OPTIONAL PARTS)
Fig. 14
β MAGNETO
Fig. 15
β STARTING MOTOR (FOR EL. STRAT MODEL)
Fig. 16
β GENERATOR
Fig. 17
β CONTROL BOX 1
Fig. 18
β CONTROL BOX 2
Fig. 19
β CONTROL BOX 3
Fig. 20
β LABELS