F100BET

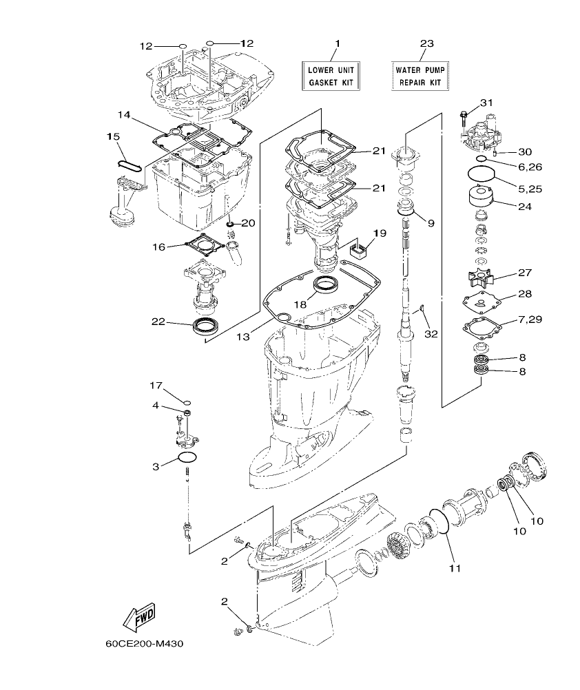
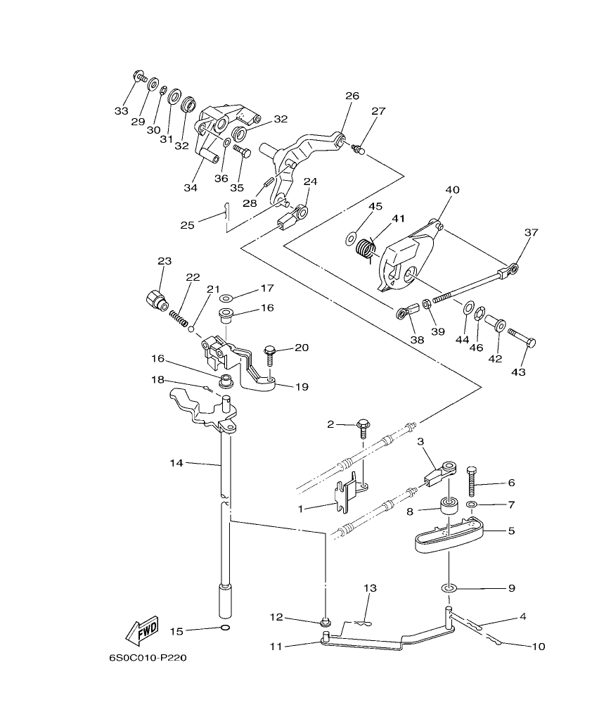
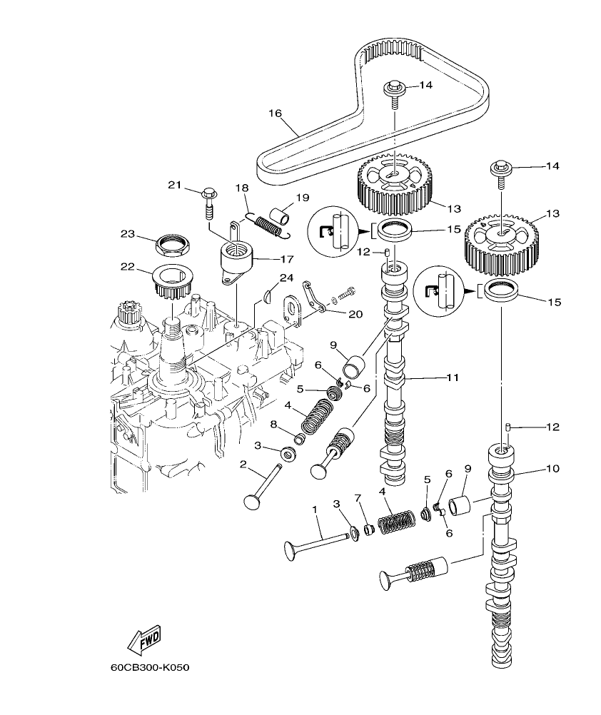
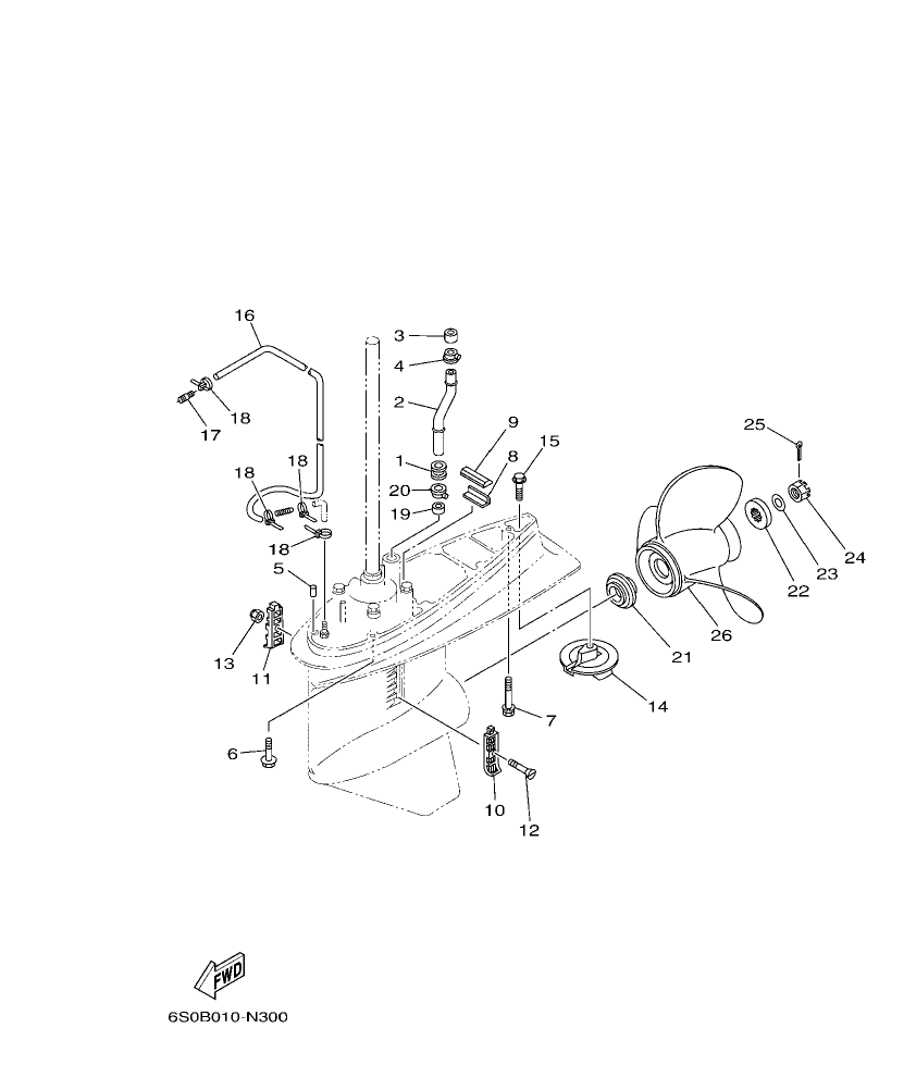
Choose a section to open the exploded parts diagram with live pricing. (v2)

Engine sections in this model