115BET’01
Section 10: ELECTRICAL 1 (v2)
Engine sections in this catalog
TOP COWLING
ELECTRICAL 1
ELECTRICAL 2
STARTING MOTOR
BOTTOM COWLING
CONTROL
BRACKET 1
BRACKET 2
POWER TRIM & TILT ASSY 1
POWER TRIM & TILT ASSY 2
UPPER CASING
CYLINDER. CRANKCASE 1
LOWER CASING. DRIVE 1
LOWER CASING. DRIVE 2
STEERING GUIDE
REMOTE CONTROL BOX
REMOTE CONTROL ASSY
REPAIR KIT 1
REPAIR KIT 2
CRANKSHAFT. PISTON
CYLINDER. CRANKCASE 2
INTAKE
CARBURETOR
FUEL 1
FUEL 2
GENERATOR
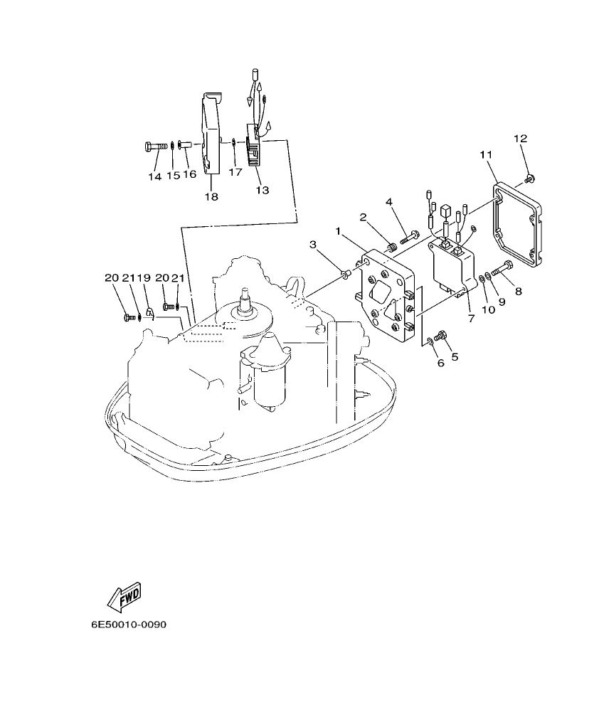
Diagram for section 10: ELECTRICAL 1.
| Ref | Part No. | Qty | Buy |
|---|---|---|---|
| 1 |
6N7–85542–01–1S
|
1 | Ask on WhatsApp |
| 2 |
6A0–82317–00
|
3 | Ask on WhatsApp |
| 3 |
624–42542–00
|
3 | Ask on WhatsApp |
| 4 |
90119–06M59
|
3 | Ask on WhatsApp |
| 5 |
97095–06012
|
1 | Ask on WhatsApp |
| 6 |
92995–06600
|
1 | Ask on WhatsApp |
| 7 |
6E5–85540–00
|
1 | Ask on WhatsApp |
| 8 |
97880–06040
|
2 | Ask on WhatsApp |
| 9 |
92990–06100
|
2 | Ask on WhatsApp |
| 10 |
92990–06600
|
2 | Ask on WhatsApp |
| 11 |
6N7–85537–00
|
1 | Ask on WhatsApp |
| 12 |
90159–06M11
|
4 | Ask on WhatsApp |
| 13 |
6H0–81960–00
|
1 | Ask on WhatsApp |
| 14 |
97013–06045
|
2 | Ask on WhatsApp |
| 15 |
92903–06600
|
2 | Ask on WhatsApp |
| 16 |
90387–06M77
|
2 | Ask on WhatsApp |
| 17 |
90201–06M05
|
2 | Ask on WhatsApp |
| 18 |
6E5–81961–00
|
1 | Ask on WhatsApp |
| 19 |
90465–06M86
|
1 | Ask on WhatsApp |
| 20 |
97095–06012
|
2 | Ask on WhatsApp |
| 21 |
92995–06600
|
2 | Ask on WhatsApp |