FT25FET
Section 12: ELECTRICAL 2 (v2)
Engine sections in this catalog
TOP COWLING
GENERATOR
ELECTRICAL 1
ELECTRICAL 2
ELECTRICAL 3
ELECTRICAL 4
ELECTRICAL 5
STARTING MOTOR
BOTTOM COWLING 1
BOTTOM COWLING 2
CONTROL
CYLINDER & CRANKCASE 1
BRACKET 1
BRACKET 2
POWER TRIM & TILT ASSY
UPPER CASING
OIL PAN
LOWER CASING & DRIVE 1
LOWER CASING & DRIVE 2
FUEL TANK
STEERING GUIDE
REMOTE CONTROL BOX
CRANKSHAFT & PISTON
REMOTE CONTROL ASSY
REPAIR KIT 1
REPAIR KIT 2
REPAIR KIT 3
CYLINDER & CRANKCASE 2
VALVE
INTAKE
CARBURETOR
OIL PUMP
FUEL
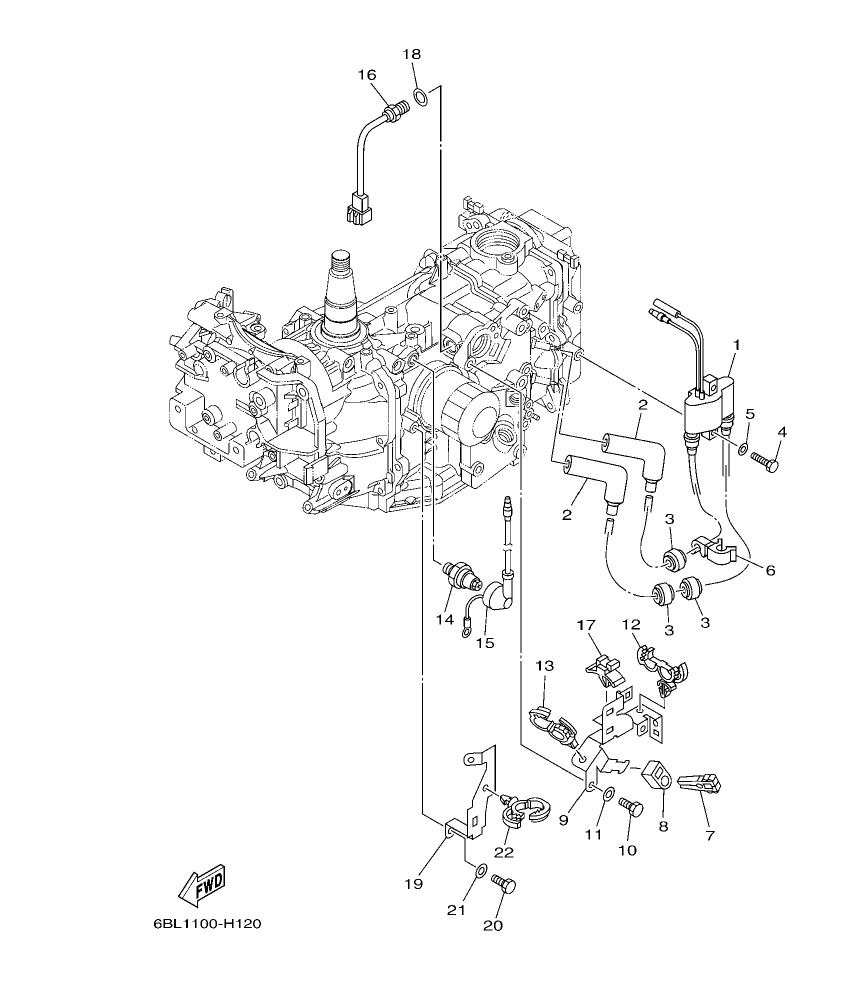
Diagram for section 12: ELECTRICAL 2.
| Ref | Part No. | Qty | Buy |
|---|---|---|---|
| 1 |
6F5β85570β13
IGNITION COIL ASSY
|
1 | Ask on WhatsApp |
| 2 |
6AHβ82370β00
PLUG CAP ASSY
|
2 | Ask on WhatsApp |
| 3 |
90480β25003
GROMMET
|
3 | Ask on WhatsApp |
| 4 |
97095β06025
BOLT
|
2 | Ask on WhatsApp |
| 5 |
92995β06600
WASHER
|
2 | Ask on WhatsApp |
| 6 |
90464β09018
CLAMP
|
1 | Ask on WhatsApp |
| 7 |
67Fβ2812Aβ00
PULLER, FUSE
|
1 | Ask on WhatsApp |
| 8 |
67Cβ82155β00
BAND
|
1 | Ask on WhatsApp |
| 9 |
6BLβ8339Xβ00
CLAMP, CORD
|
1 | Ask on WhatsApp |
| 10 |
97095β06016
BOLT
|
2 | Ask on WhatsApp |
| 11 |
92995β06600
WASHER
|
2 | Ask on WhatsApp |
| 12 |
90464β18246
CLAMP
|
1 | Ask on WhatsApp |
| 13 |
90464β20181
CLAMP
|
1 | Ask on WhatsApp |
| 14 |
64Jβ82504β00
OIL PRESSURE SWITCH ASSY
|
1 | Ask on WhatsApp |
| 15 |
68Vβ81315β00
LEAD WIRE ASSY
|
1 | Ask on WhatsApp |
| 16 |
6CJβ85790β00
THERMOSENSOR ASSY
|
1 | Ask on WhatsApp |
| 17 |
90464β09M47
CLAMP
|
1 | Ask on WhatsApp |
| 18 |
90430β14115
GASKET
|
1 | Ask on WhatsApp |
| 19 |
6BLβ82389β00
PLATE 2
|
1 | Ask on WhatsApp |
| 20 |
97095β06016
BOLT
|
2 | Ask on WhatsApp |
| 21 |
92995β06600
WASHER
|
2 | Ask on WhatsApp |
| 22 |
90464β20181
CLAMP
|
1 | Ask on WhatsApp |