bf10d1
Choose a section to open the exploded parts diagram with live pricing. (v2)
Engine sections in this model
RECOIL STARTER
TIMING BELT
CARBURETOR
SILENCER COVER
EXHAUST CHAMBER COVER
FUEL PUMP
FLYWHEEL
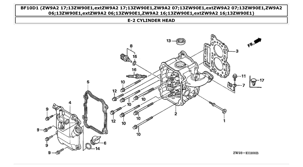
CYLINDER HEAD
IGNITION COIL
STARTER MOTOR
WIRE HARNESS
CRANKCASE COVER
OIL CASE
THERMOSTAT
OIL PUMP
PISTON/CONNECTING ROD
CAMSHAFT
WATER HOSE JOINT
STEERING HANDLE
STERN BRACKET
SWIVEL CASE
MARK
TOOL
GEAR CASE/EXTENSION CASE
GEAR CASE ASSY.
WATER PUMP/VERTICAL SHAFT (L SIZE)
PROPELLER SHAFT/PROPELLER
FUEL TANK (STANDARD)
REGULATOR/STARTER CABLE
ENGINE COVER
SHIFT SHAFT (HANDLE SPECIFICATION)
Fig. E-11
β RECOIL STARTER
Fig. E-13
β TIMING BELT
Fig. E-14
β CARBURETOR
Fig. E-14-20
β SILENCER COVER
Fig. E-16
β EXHAUST CHAMBER COVER
Fig. E-18
β FUEL PUMP
Fig. E-19
β FLYWHEEL
Fig. E-2
β CYLINDER HEAD
Fig. E-20
β IGNITION COIL
Fig. E-21
β STARTER MOTOR
Fig. E-23-20
β WIRE HARNESS
Fig. E-3
β CRANKCASE COVER
Fig. E-3-20
β OIL CASE
Fig. E-4
β THERMOSTAT
Fig. E-5
β OIL PUMP
Fig. E-7
β PISTON/CONNECTING ROD
Fig. E-9
β CAMSHAFT
Fig. EOP-1
β WATER HOSE JOINT
Fig. F-1
β STEERING HANDLE
Fig. F-10
β STERN BRACKET
Fig. F-11
β SWIVEL CASE
Fig. F-12
β MARK
Fig. F-13
β TOOL
Fig. F-3
β GEAR CASE/EXTENSION CASE
Fig. F-3-10
β GEAR CASE ASSY.
Fig. F-4
β WATER PUMP/VERTICAL SHAFT (L SIZE)
Fig. F-5
β PROPELLER SHAFT/PROPELLER
Fig. F-6
β FUEL TANK (STANDARD)
Fig. F-7
β REGULATOR/STARTER CABLE
Fig. F-8
β ENGINE COVER
Fig. F-8-10
β SHIFT SHAFT (HANDLE SPECIFICATION)