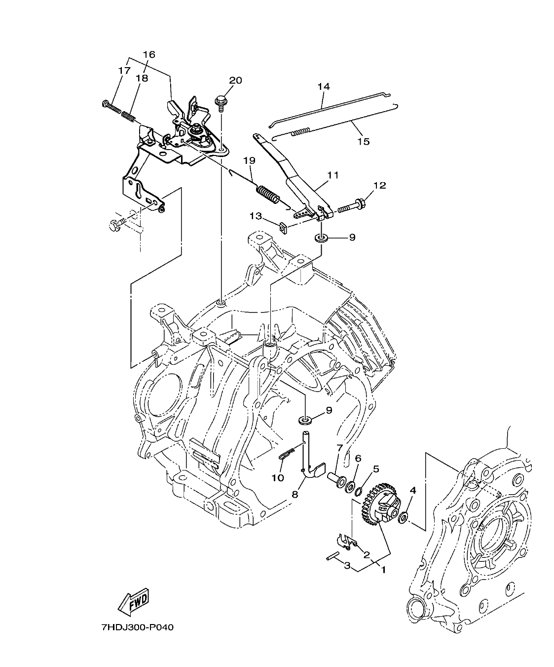
MX400AA6A0
Section 4: GOVERNOR (v2)
Model code: 7HP1
Parts list
Section 4
| Ref | Part No. / Description | Qty | Buy |
|---|---|---|---|
| 1 |
7CT-E1970-10
FLYWEIGHT SHAFT ASSY
|
1 | |
| 2 |
7CT-E1913-00
.WEIGHT
|
3 | |
| 3 |
7CT-E1914-00
.SHAFT, WEIGHT
|
3 | |
| 4 |
90201-06842
WASHER, PLATE
|
1 | |
| 5 |
93440-06826
CIRCLIP
|
1 | |
| 6 |
90201-067L0
WASHER, PLATE
|
1 | |
| 7 |
7CT-E1917-00
COLLAR
|
1 | |
| 8 |
7CT-E1922-00
FORK, GOVERNOR
|
1 | |
| 9 |
90201-08858
WASHER, PLATE
|
2 | |
| 10 |
90468-12801
CLIP
|
1 | |
| 11 |
7HC-E1924-10
ARM, GOVERNOR
|
1 | |
| 12 |
97522-06530
BOLT, WITH WASHER
|
1 | |
| 13 |
90173-06802
NUT, SQUARE
|
1 | |
| 14 |
7HC-E1928-00
ROD, LINK
|
1 | |
| 15 |
90506-04006
SPRING, TENSION
|
1 | |
| 16 |
7HC-G1240-00
THROTTLE LEVER COMP.
|
1 | |
| 17 |
98502-05030
.SCREW, PAN HEAD
|
1 | |
| 18 |
90501-090A8
.SPRING, COMPRESSION
|
1 | |
| 19 |
90506-14804
SPRING, TENSION
|
1 | |
| 20 |
95802-06012
BOLT, FLANGE
|
2 |