F60A
Section 12: ELECTRICAL 2 (v2)
Model code: 69W6
Parts list
Section 12
| Ref | Part No. / Description | Qty | Buy |
|---|---|---|---|
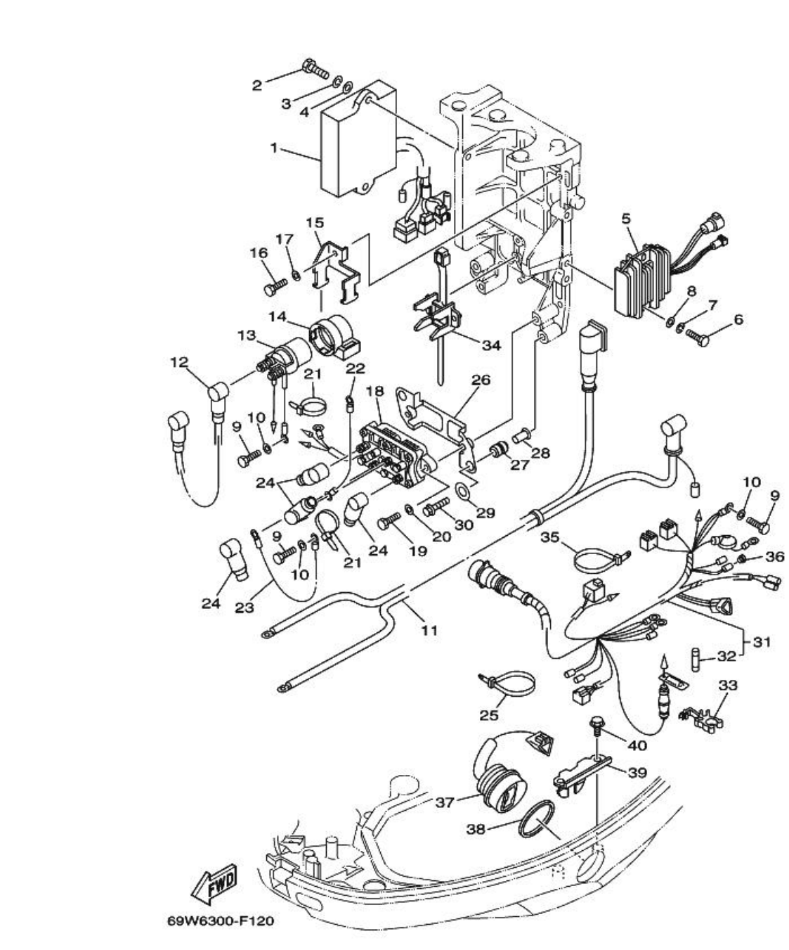
| 1 |
69W-85540-00
C.D.I. UNIT ASSY
|
1 | |
| 2 |
97095-06020
BOLT
|
2 | |
| 3 |
92995-06100
WASHER, SPRING
|
2 | |
| 4 |
92995-06600
WASHER
|
2 | |
| 5 |
64J-81960-00
RECTIFIER & REGULATOR ASSY
|
1 | |
| 6 |
97095-06025
BOLT
|
2 | |
| 7 |
92995-06100
WASHER, SPRING
|
2 | |
| 8 |
92995-06600
WASHER
|
2 | |
| 9 |
97095-06012
BOLT
|
3 | |
| 10 |
92995-06600
WASHER
|
3 | |
| 11 |
62Y-82105-00
WIRE HARNESS
|
1 | |
| 12 |
6E5-82117-01
WIRE, LEAD
|
1 | |
| 13 |
6G1-81941-10
STARTER RELAY ASSY
|
1 | |
| 14 |
6G1-81952-00
HOLDER, RELAY
|
1 | |
| 15 |
6L2-81945-00
PLATE, SWITCH FITTING
|
1 | |
| 16 |
97095-06014
BOLT
|
1 | |
| 17 |
92995-06600
WASHER
|
1 | |
| 18 |
6H1-81950-00
RELAY ASSY
|
1 | |
| 19 |
97095-06020
BOLT
|
2 | |
| 20 |
92995-06600
WASHER
|
2 | |
| 21 |
90465-13M11
CLAMP
|
2 | |
| 22 |
6H2-81949-01
WIRE, LEAD
|
1 | |
| 23 |
61A-81949-00
WIRE, LEAD
|
1 | |
| 24 |
682-82119-01
COVER, LEAD WIRE
|
4 | |
| 25 |
90465-13M24
CLAMP
|
1 | |
| 26 |
62Y-81948-00
BRACKET
|
1 | |
| 27 |
6A0-82317-00
DAMPER, IGNITION COIL
|
2 | |
| 27 |
A-DARK
BLUISH GRAY
|
1 | |
| 28 |
90387-06119
COLLAR
|
2 |
5.21 AED
Check price & stock on WhatsApp
|
| 29 |
90201-12M16
WASHER, PLATE
|
2 | |
| 30 |
95895-06025
BOLT, FLANGE
|
2 | |
| 31 |
69W-82590-00
WIRE HARNESS ASSY (10P)
|
1 | |
| 32 |
663-82151-00
. FUSE (12V-20A)
|
1 | |
| 33 |
6G5-82152-00
HOLDER, FUSE
|
1 | |
| 34 |
688-82594-00
CLAMP
|
1 |
8.19 AED
Check price & stock on WhatsApp
|
| 35 |
90465-13M24
CLAMP
|
1 | |
| 36 |
703-82119-00
COVER, LEAD WIRE
|
2 | |
| 37 |
63D-82563-10
TRIM & TILT SWITCH ASSY
|
1 | |
| 38 |
6E5-82587-00
GASKET
|
1 | |
| 39 |
62Y-83614-00
BRACKET
|
1 | |
| 40 |
90109-06M86
BOLT
|
2 |
5.96 AED
Check price & stock on WhatsApp
|