πŸŒ™ Ψ±Ω…ΨΆΨ§Ω† ΩƒΨ±ΩŠΩ… ✨
✨ Ramadan Working Hours: 9:00 AM – 3:00 PM ✨

YP20G

Section 4: CAMSHAFT & VALVE (v2)

Model code: Q9CB
Section 4 β€” CAMSHAFT & VALVE
YP20G
100%
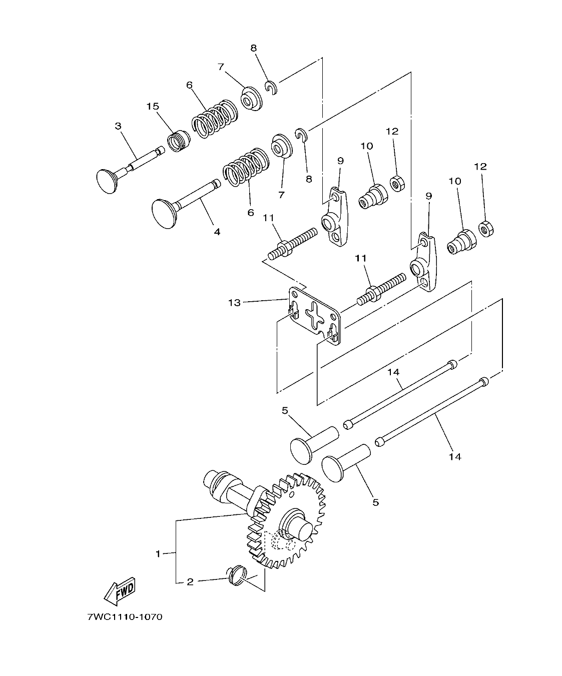
YP20G – section 4 CAMSHAFT & VALVE parts diagram
Diagram image Open full size
Parts list
Section 4
Ref Part No. / Description Qty Buy
1
7CN-E2170-00
CAMSHAFT ASSY 1
1
2
7CN-E2287-00
.SPRING, DECOMPRESSION
1
5
7CN-E2153-00
LIFTER, VALVE
2
6
90501-20800
SPRING, COMPRESSION
2
7
7CN-E2117-00
RETAINER, VALVE SPRING
2
8
7CN-E2118-00
COTTER, VALVE
2
9
7CN-E2151-00
ARM, VALVE ROCKER
2
10
7CN-E2165-00
PIVOT, ROCKER ARM
2
11
7CN-E2157-00
NUT, LOCK
2
12
7CN-E2158-00
NUT, LOCK
2
14
7CN-E2154-00
ROD, VALVE PUSH
2
15
7CN-E2119-00
SEAL, VALVE STEM
1