πŸŒ™ Ψ±Ω…ΨΆΨ§Ω† ΩƒΨ±ΩŠΩ… ✨
✨ Ramadan Working Hours: 9:00 AM – 3:00 PM ✨

YP20G

Section 13: ELECTRICAL 2 (v2)

Model code: Q9CB
Section 13 β€” ELECTRICAL 2
YP20G
100%
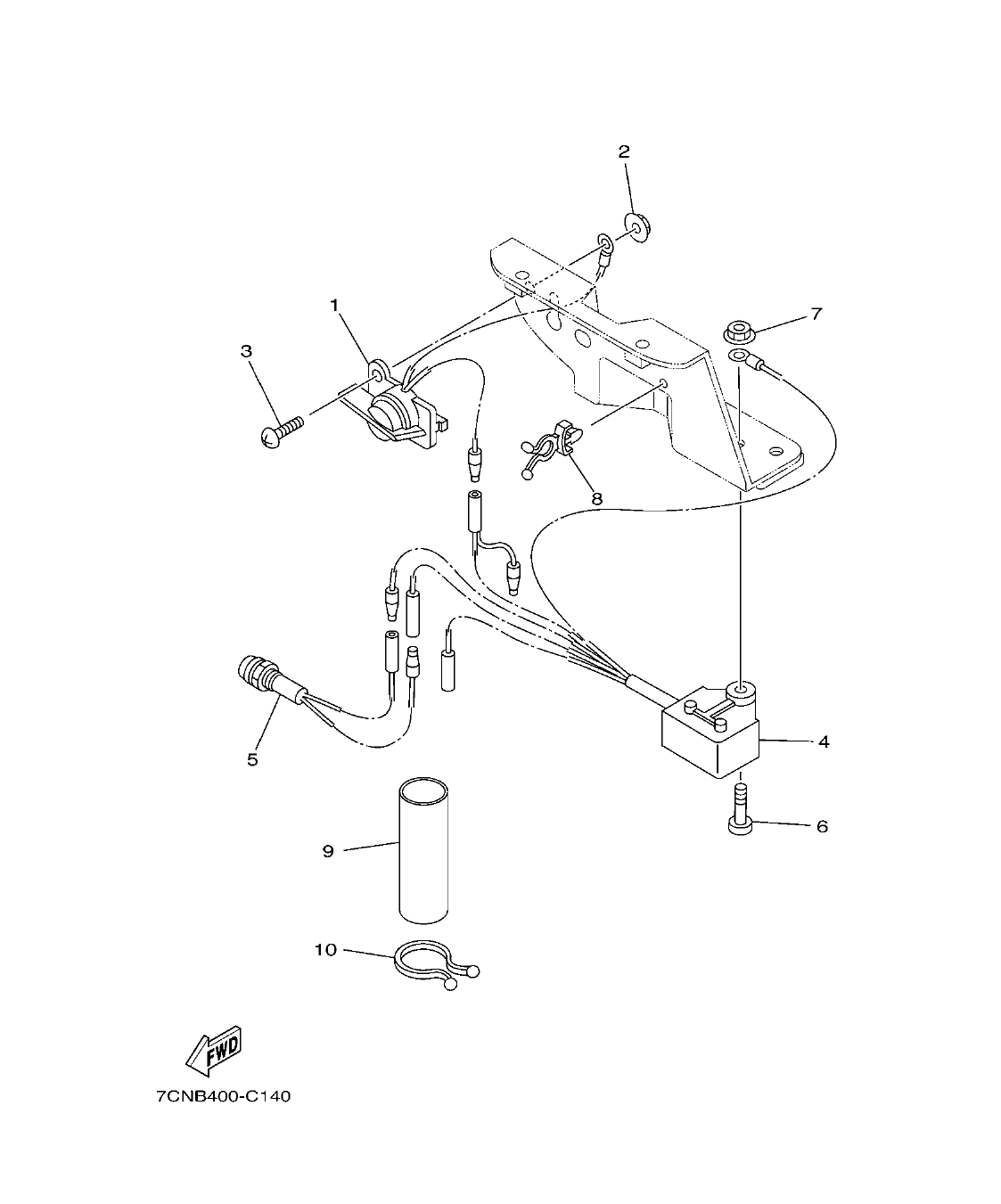
YP20G – section 13 ELECTRICAL 2 parts diagram
Diagram image Open full size
Parts list
Section 13
Ref Part No. / Description Qty Buy
1
7CN-H2550-00
ENGINE STOP SWITCH ASSY
1
2
95704-06500
NUT, FLANGE
1
3
98507-06014
SCREW, PAN HEAD
1
4
7CN-H5690-00
OIL WARNING UNIT
1
5
7CA-H5770-01
OIL PILOT LIGHT ASSY
1
6
98507-06020
SCREW, PAN HEAD
1
7
95704-06500
NUT, FLANGE
1
8
90464-07803
CLAMP
1
9
7CN-H2599-00
COVER, CONNECTER
1
10
90464-23800
CLAMP
1