πŸŒ™ Ψ±Ω…ΨΆΨ§Ω† ΩƒΨ±ΩŠΩ… ✨
✨ Ramadan Working Hours: 9:00 AM – 3:00 PM ✨

VX700-E

Section 28: REPAIR KIT 1 (v2)

Model code: F1V1
Section 28 β€” REPAIR KIT 1
VX700-E
100%
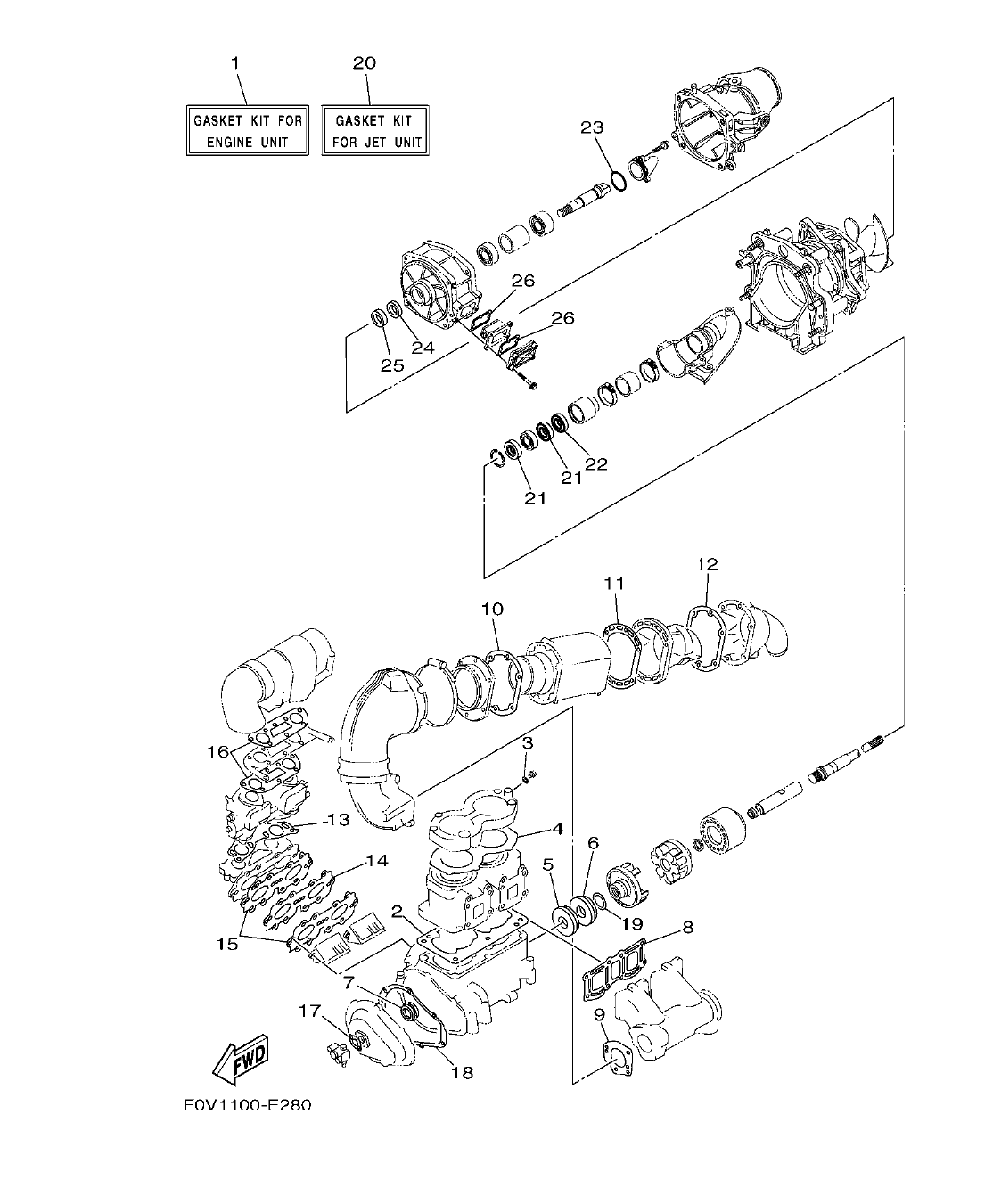
VX700-E – section 28 REPAIR KIT 1 parts diagram
Diagram image Open full size
Parts list
Section 28
Ref Part No. / Description Qty Buy
1
62T-W0001-02
GASKET KIT FOR ENGINE UNIT
1
2
6M6-11351-A2
.GASKET, CYLINDER
1
24.58 AED
πŸ”“ Unlock Discounts
Stock 370
3
90430-08020
.GASKET
1
4
62T-11181-00
.GASKET, CYLINDER HEAD 1
1
5
93102-36M33
.OIL SEAL
1
52.89 AED
πŸ”“ Unlock Discounts
Stock 132
6
93101-36M46
.OIL SEAL
1
39.48 AED
πŸ”“ Unlock Discounts
Stock 246
7
93103-32M01
.OIL SEAL
1
47.67 AED
πŸ”“ Unlock Discounts
Stock 265
8
62T-14613-00
.GASKET, EXHAUST PIPE
1
9
62T-14749-00
.GASKET, MUFFLER DAMPER 2
1
10
62T-41114-01
.GASKET, EXHAUST OUTER COVER
1
11
62T-41122-00
.GASKET, EXHAUST INNER COVER
1
12
62T-41124-00
.GASKET, EXHAUST OUTER COVER
1
13
62T-13556-00
.GASKET, MANIFOLD
1
26.82 AED
πŸ”“ Unlock Discounts
Stock 239
14
62T-13624-00
.PLATE,REED VALVE
1
15
62T-13566-00
.GASKET
2
18.62 AED
πŸ”“ Unlock Discounts
Stock 198
16
62T-13674-00
.GASKET, AIR COOLER COVER 1
2
10.43 AED
πŸ”“ Unlock Discounts
Stock 5
17
6R8-13116-A0
.GASKET, PUMP CASE
1
18
6M6-81365-A0
.GASKET, HOLE COVER
1
68.53 AED
πŸ”“ Unlock Discounts
Stock 131
19
62T-45127-00
.SEAL
1
20
6D3-W0001-20
GASKET KIT FOR JET UNIT
1
21
93101-25M55
.OIL SEAL
2
37.99 AED
πŸ”“ Unlock Discounts
Stock 279
22
93101-25M56
.OIL SEAL
1
65.55 AED
πŸ”“ Unlock Discounts
Stock 1 (Ask)
23
93210-464A3
.O-RING
1
6.70 AED
πŸ”“ Unlock Discounts
Stock 22
24
93101-21002
.OIL SEAL
1
20.11 AED
πŸ”“ Unlock Discounts
Stock 129
25
93101-21001
.OIL SEAL
1
58.10 AED
πŸ”“ Unlock Discounts
Stock 97
26
66V-42414-00
.O-RING
2
14.90 AED
πŸ”“ Unlock Discounts
Stock 11