πŸŒ™ Ψ±Ω…ΨΆΨ§Ω† ΩƒΨ±ΩŠΩ… ✨
✨ Ramadan Working Hours: 9:00 AM – 3:00 PM ✨

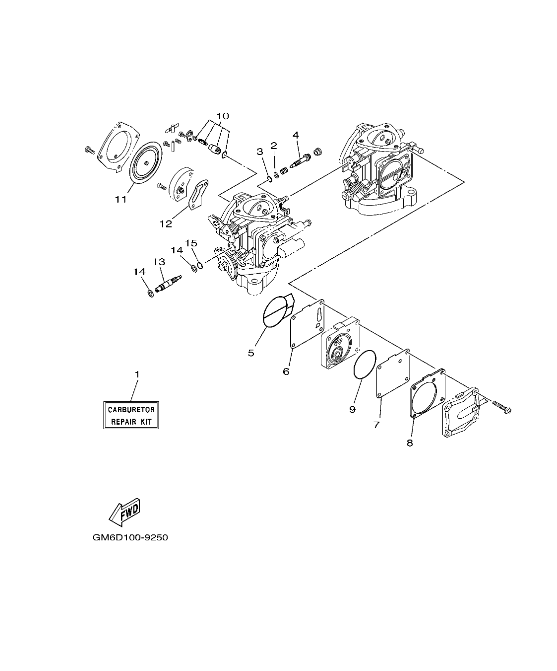
VX700-E

Section 29: REPAIR KIT 2 (v2)

Model code: F1V1
Section 29 β€” REPAIR KIT 2
VX700-E
100%
VX700-E – section 29 REPAIR KIT 2 parts diagram
Diagram image Open full size
Parts list
Section 29
Ref Part No. / Description Qty Buy
1
67E-W0093-00
CARBURETOR REPAIR KIT
1
2
812-14235-00
.WASHER, NEEDLE
4
3
812-14147-00
.O-RING
2
4
6K8-14946-10
.METERING NEEDLE
2
5
6K8-14564-00
.O-RING
2
16.39 AED
πŸ”“ Unlock Discounts
Stock 1 (Ask)
6
6K8-24411-20
.DIAPHRAGM
1
65.55 AED
πŸ”“ Unlock Discounts
Stock 156
7
6K8-24421-10
.VALVE, CHECK
1
65.55 AED
πŸ”“ Unlock Discounts
Stock 53
8
6K8-24431-20
.GASKET, FUEL PUMP 1
1
19.37 AED
πŸ”“ Unlock Discounts
Stock 19
9
6K8-14563-00
.O-RING
1
10
61X-14916-16
.NEEDLE
2
69.27 AED
πŸ”“ Unlock Discounts
Stock 282
11
6R7-14541-00
.DIAPHRAGM, PUMP
2
108.75 AED
πŸ”“ Unlock Discounts
Stock 213
12
6K8-14536-11
.GASKET
2
29.80 AED
πŸ”“ Unlock Discounts
Stock 1 (Ask)
13
65U-14923-10
.SCREW, PILOT
2
14
822-14235-00
.WASHER, NEEDLE
4
2.98 AED
πŸ”“ Unlock Discounts
Stock 4 (Ask)
15
583-14561-00
.O-RING
2
5.96 AED
πŸ”“ Unlock Discounts
Stock 9