F100BET

Section 9: CARBURETOR 2 (v2)

Engine sections in this catalog
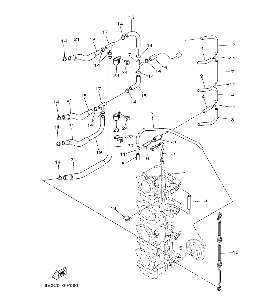
F100BET – section 9 CARBURETOR 2 parts diagram

Diagram for section 9: CARBURETOR 2.

Ref Part No. Qty Buy
1
67F–1412A–00
WIRE HARNESS ASSY
1 Ask on WhatsApp
2
67F–13183–00
VALVE, CHECK
1 Ask on WhatsApp
3
67F–14349–00
PIPE
1 Ask on WhatsApp
4
67F–14349–10
PIPE
2 Ask on WhatsApp
5
67F–14349–20
PIPE
2 Ask on WhatsApp
6
67F–14349–30
PIPE
2 Ask on WhatsApp
7
67F–14349–40
PIPE
1 Ask on WhatsApp
8
67F–14349–50
PIPE
1 Ask on WhatsApp
9
67F–14349–60
PIPE
2 Ask on WhatsApp
10
67F–14585–00
ROD, CHOKE
1 Ask on WhatsApp
11
67F–14189–00
CONNECTOR
4 Ask on WhatsApp
12
67F–14349–70
PIPE
1 Ask on WhatsApp
13
90465–11M59
CLAMP
1 Ask on WhatsApp
14
68F–24356–00
CLIP, PIPE 1
13 Ask on WhatsApp
15
60C–14294–00
HOSE
2 Ask on WhatsApp
16
60C–14298–00
PIPE
1 Ask on WhatsApp
17
688–24378–00
PIPE, JOINT 3
3 Ask on WhatsApp
18
90445–10M16
HOSE (L120)
2 Ask on WhatsApp
19
90445–10MG6
HOSE (L180)
1 Ask on WhatsApp
20
90445–10MG7
HOSE (L350)
1 Ask on WhatsApp
21
90445–16M07
HOSE (L80)
4 Ask on WhatsApp
22
90464–10M57
CLAMP
1 Ask on WhatsApp
23
90465–08M83
CLAMP
2 Ask on WhatsApp
24
97595–06512
BOLT, WITH WASHER
2 Ask on WhatsApp