200GETO’03
Section 12: ELECTRICAL 1 (v2)
Engine sections in this catalog
TOP COWLING
FUEL 2
GENERATOR
ELECTRICAL 1
ELECTRICAL 2
STARTING MOTOR
BOTTOM COWLING
CONTROL
BRACKET 1
BRACKET 2
POWER TRIM & TILT ASSY 1
CYLINDER. CRANKCASE 1
POWER TRIM & TILT ASSY 2
UPPER CASING
LOWER CASING. DRIVE 1
LOWER CASING. DRIVE 2
STEERING GUIDE
REMOTE CONTROL BOX
REMOTE CONTROL ASSY
METER
SWITCH. PANEL
REPAIR KIT 1
CRANKSHAFT. PISTON
REPAIR KIT 2
CYLINDER. CRANKCASE 2
INTAKE
CARBURETOR
OIL PUMP
OIL TANK
FUEL 1
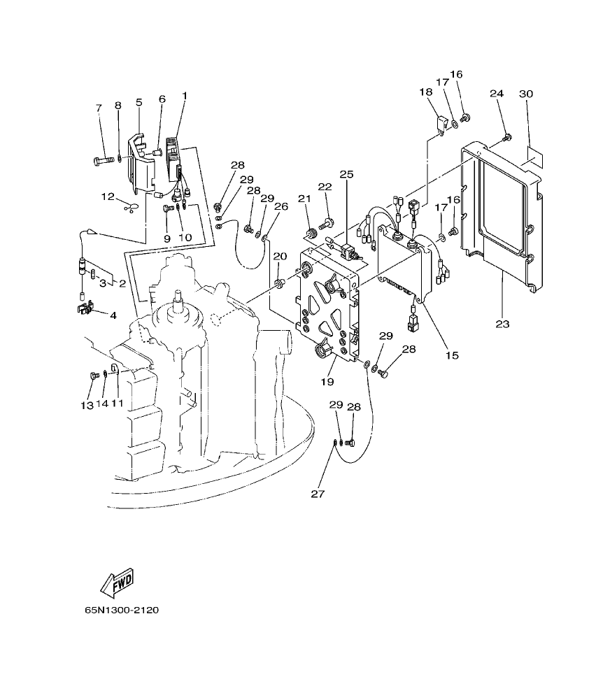
Diagram for section 12: ELECTRICAL 1.
| Ref | Part No. | Qty | Buy |
|---|---|---|---|
| 1 |
6R3-81960-10
RECTIFIER & REGULATOR ASSY
|
1 | Ask on WhatsApp |
| 2 |
6R3-82150-00
FUSE HOLDER ASSY
|
1 | Ask on WhatsApp |
| 3 |
705-82151-00
.FUSE (30A)
|
1 | Ask on WhatsApp |
| 4 |
6G5-82152-00
HOLDER, FUSE
|
1 | Ask on WhatsApp |
| 5 |
64D-81942-00
COVER
|
1 | Ask on WhatsApp |
| 6 |
90387-06M66
COLLAR
|
2 | Ask on WhatsApp |
| 7 |
97013-06055
BOLT
|
2 | Ask on WhatsApp |
| 8 |
92903-06600
WASHER, PLATE
|
2 | Ask on WhatsApp |
| 9 |
97095-06012
BOLT
|
1 | Ask on WhatsApp |
| 10 |
92995-06600
WASHER
|
1 | Ask on WhatsApp |
| 11 |
90465-06M88
CLAMP
|
1 | Ask on WhatsApp |
| 12 |
90464-15M11
CLAMP
|
1 | Ask on WhatsApp |
| 13 |
97095-06012
BOLT
|
1 | Ask on WhatsApp |
| 14 |
92995-06600
WASHER
|
1 | Ask on WhatsApp |
| 15 |
64E-85540-01
C.D.I. UNIT ASSY
|
1 | Ask on WhatsApp |
| 16 |
97880-06020
SCREW, PAN HEAD
|
4 | Ask on WhatsApp |
| 17 |
92990-06600
WASHER, PLATE
|
4 |
Price:
2.98 AED
In stock
(27 pcs)
|
| 18 |
90465-05M87
CLAMP
|
1 | Ask on WhatsApp |
| 19 |
6R3-85542-03-1S
BRACKET
|
1 | Ask on WhatsApp |
| 20 |
90387-06M03
COLLAR
|
3 | Ask on WhatsApp |
| 21 |
90480-09M12
GROMMET
|
3 | Ask on WhatsApp |
| 22 |
90119-06M61
BOLT, WITH WASHER
|
3 | Ask on WhatsApp |
| 23 |
64D-85537-00
COVER
|
1 | Ask on WhatsApp |
| 24 |
90159-06M11
SCREW, WITH WASHER
|
4 | Ask on WhatsApp |
| 25 |
6R3-8259E-00
SWITCH ASSY
|
1 | Ask on WhatsApp |
| 26 |
662-82519-00
WIRE, EARTH LEAD
|
1 |
Price:
16.39 AED
In stock
(3 pcs)
|
| 27 |
6R3-82519-00
WIRE, EARTH LEAD
|
1 | Ask on WhatsApp |