πŸŒ™ Ψ±Ω…ΨΆΨ§Ω† ΩƒΨ±ΩŠΩ… ✨
✨ Ramadan Working Hours: 9:00 AM – 3:00 PM ✨

FX1100-F

Section 3: CRANKSHAFT & PISTON (v2)

Model code: F1XF
Section 3 β€” CRANKSHAFT & PISTON
FX1100-F
100%
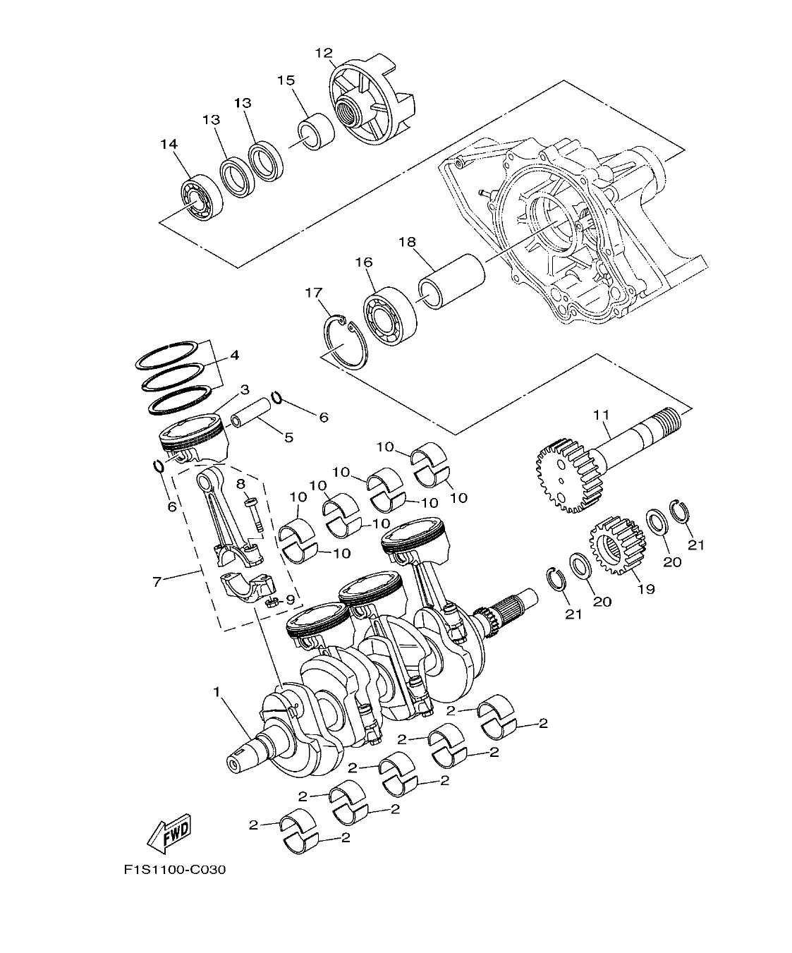
FX1100-F – section 3 CRANKSHAFT & PISTON parts diagram
Diagram image Open full size
Parts list
Section 3
Ref Part No. / Description Qty Buy
1
60E-11411-11
CRANKSHAFT
1
2
60E-11416-00
PLANE BEARING, CRANKSHAFT 1
UR BROWN
10
27.56 AED
πŸ”“ Unlock Discounts
Stock 3 (Ask)
2
60E-11416-10
PLANE BEARING, CRANKSHAFT 1
UR BLACK
10
26.82 AED
πŸ”“ Unlock Discounts
Stock 65
2
60E-11416-20
PLANE BEARING, CRANKSHAFT 1
UR BLUE
10
30.54 AED
πŸ”“ Unlock Discounts
Stock 26
2
60E-11416-30
PLANE BEARING, CRANKSHAFT 1
UR GREEN
10
28.31 AED
πŸ”“ Unlock Discounts
Stock 5
2
60E-11416-40
PLANE BEARING, CRANKSHAFT 1
UR YELLOW
10
3
6B6-11631-00-B0
PISTON (STD)
4
172.07 AED
πŸ”“ Unlock Discounts
Stock 20
4
6B6-11603-00
PISTON RING SET (STD)
4
5
4XV-11633-00
PIN, PISTON
4
27.56 AED
πŸ”“ Unlock Discounts
Stock 28
6
90468-12069
CLIP
8
3.72 AED
πŸ”“ Unlock Discounts
Stock 119
7
5PW-11650-00
CONNECTING ROD ASSY
4
8
5JW-11654-00
.BOLT, CONNECTING ROD
2
8.19 AED
πŸ”“ Unlock Discounts
Stock 96
9
90179-08327
.NUT
2
5.21 AED
πŸ”“ Unlock Discounts
Stock 48
10
60E-11656-10
PLANE BEARING, CONNECTING ROD
UR BLACK
8
29.80 AED
πŸ”“ Unlock Discounts
Stock 135
10
60E-11656-30
PLANE BEARING, CONNECTING ROD
UR GREEN
8
30.54 AED
πŸ”“ Unlock Discounts
Stock 39
10
60E-11656-20
PLANE BEARING, CONNECTING ROD
UR BLUE
8
30.54 AED
πŸ”“ Unlock Discounts
Stock 159
10
60E-11656-00
PLANE BEARING, CONNECTING ROD
UR BROWN
8
29.80 AED
πŸ”“ Unlock Discounts
Stock 304
11
6B6-17572-00
SHAFT, TRANSFER
1
12
66E-45813-10-94
FLANGE, COUPLING
1
13
93101-35004
OIL SEAL
2
59.59 AED
πŸ”“ Unlock Discounts
Stock 4 (Ask)
14
93306-07801
BEARING
1
58.85 AED
πŸ”“ Unlock Discounts
Stock 17
15
6B6-11478-00
COLLAR
1
16
93306-30610
BEARING
1
17
99009-72500
CIRCLIP
1
18
6B6-17585-00
COLLAR, GEAR
1
19
6B6-17586-00
GEAR, TRANSFER DRIVE
1
20
90209-25008
WASHER
2
21
93440-28062
CIRCLIP
2
5.21 AED
πŸ”“ Unlock Discounts
Stock 39