FX1100-F
Section 6: INJECTION PUMP (v2)
Model code: F1XF
Parts list
Section 6
| Ref | Part No. / Description | Qty | Buy |
|---|---|---|---|
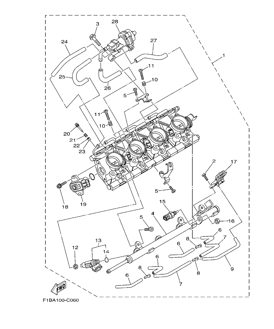
| 1 |
60E-13750-21
THROTTLE BODY ASSY
|
1 | |
| 2 |
68V-81147-00
.SCREW 3
|
2 | |
| 3 |
63P-14446-00
.BOLT
|
2 | |
| 4 |
60E-12880-11
.DELIVERY PIPE
|
1 | |
| 5 |
60E-14216-00
.SCREW
|
7 | |
| 6 |
5FL-14987-10
.HOSE
|
4 | |
| 7 |
5FL-14349-10
.PIPE
|
2 | |
| 8 |
4N0-14251-00
.NIPPLE
|
3 | |
| 9 |
5PW-14396-00
.PIPE
|
1 | |
| 10 |
3KW-14932-00
.SPRING, THROTTLE 2
|
7 | |
| 11 |
69J-14321-00
.SCREW, THROTTLE
|
4 | |
| 12 |
90430-09002
.GASKET
|
4 |
16.39 AED
Check price & stock on WhatsApp
|
| 13 |
60E-13761-10
.INJECTOR ASSY
|
4 | |
| 14 |
60E-14147-00
..O-RING
|
1 | |
| 15 |
65L-85886-00
.THERMOSENSOR
|
1 | |
| 16 |
60E-14358-00
.NUT
|
1 | |
| 17 |
60E-82380-10
.SENSOR, PRESSURE
|
1 | |
| 18 |
68V-81145-01
.SCREW 1
|
2 | |
| 19 |
60E-85885-10
.THROTTLE SENSOR ASSY
|
1 | |
| 20 |
4BH-14923-00
.SCREW, PILOT
|
4 | |
| 21 |
4BH-14134-00
.SPRING, AIR ADJUSTING
|
4 | |
| 22 |
3L5-14962-00
.WASHER
|
4 | |
| 23 |
3H1-14147-00
.O-RING
|
4 | |
| 24 |
60E-13545-00
.HOSE 1
|
1 | |
| 25 |
60E-13546-00
.HOSE 2
|
1 | |
| 26 |
60E-13547-00
.HOSE 3
|
1 | |
| 27 |
60E-13548-00
.HOSE, AIR 4
|
1 | |
| 28 |
60E-13660-00
.BY-PASS VALVE MOTOR ASSY
|
1 |