πŸŒ™ Ψ±Ω…ΨΆΨ§Ω† ΩƒΨ±ΩŠΩ… ✨
✨ Ramadan Working Hours: 9:00 AM – 3:00 PM ✨

F250HET'21

Section 16: FUEL 2 COMBUSTIBLE 2 (v2)

Model code: 6FJ5
Section 16 β€” FUEL 2 COMBUSTIBLE 2
F250HET'21
100%
F250HET'21 – section 16 FUEL 2 COMBUSTIBLE 2 parts diagram
Diagram image Open full size
Parts list
Section 16
Ref Part No. / Description Qty Buy
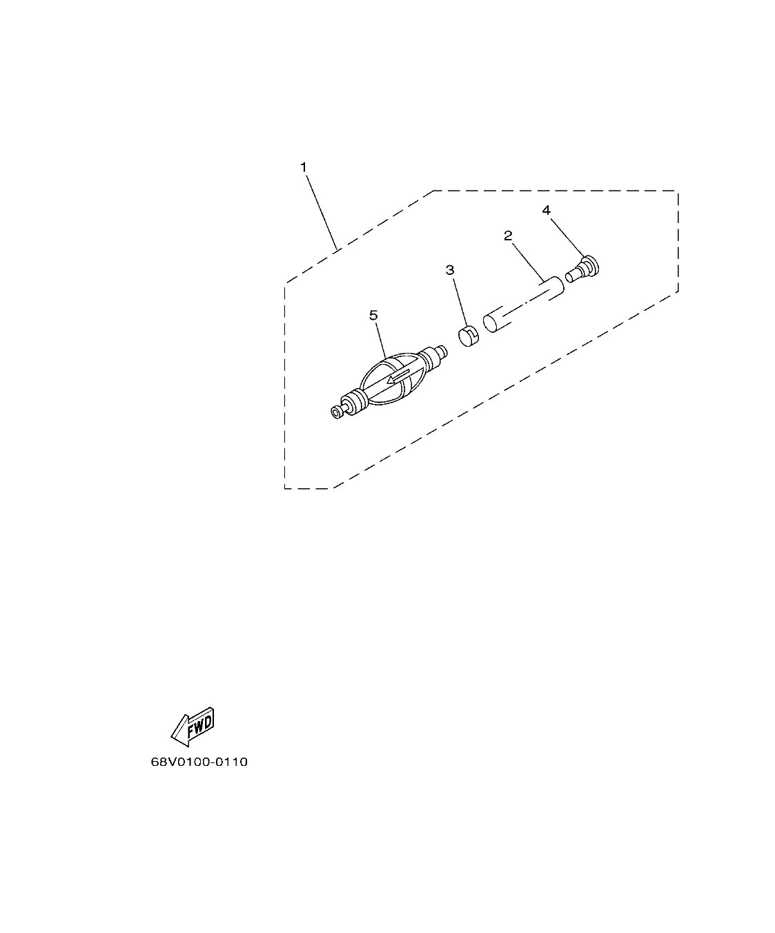
1
6Y2-24307-51
FUEL PIPE COMP. 2 1
AP
1
2
90445-13M01
.HOSE (L2050) 1
1
3
6E5-24351-51
.BAND 1 1
1
4
90480-06M19
.GROMMET 1
1
5
6Y2-24360-60
.PRIMER PUMP ASSY 1
1
169.83 AED
πŸ”“ Unlock Discounts
Stock 19