πŸŒ™ Ψ±Ω…ΨΆΨ§Ω† ΩƒΨ±ΩŠΩ… ✨
✨ Ramadan Working Hours: 9:00 AM – 3:00 PM ✨

F250HET'21

Section 19: ELECTRICAL 2 EQUIPO ELECTRICO 2 (v2)

Model code: 6FJ5
Section 19 β€” ELECTRICAL 2 EQUIPO ELECTRICO 2
F250HET'21
100%
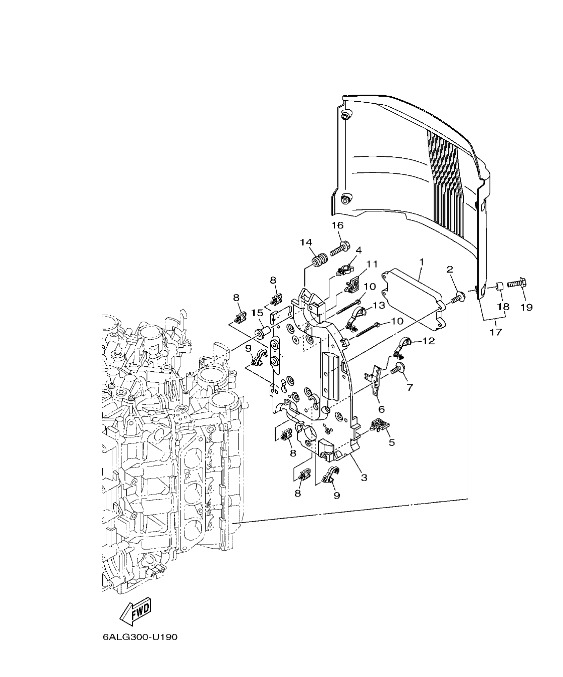
F250HET'21 – section 19 ELECTRICAL 2 EQUIPO ELECTRICO 2 parts diagram
Diagram image Open full size
Parts list
Section 19
Ref Part No. / Description Qty Buy
1
6FJ-8591A-00
ENGINE CONTROL UNIT ASSY 1
1
2
97E95-06520
BOLT, HEXAGON W/W DEEP RECESS 4
4
3
6P2-82316-01
BRACKET, IGNITION COIL 1
1
4
90464-19M45
CLAMP 1
1
5
90464-23199
CLAMP 1
1
6
6P2-81845-10
PLATE 1
1
7
97E95-06516
BOLT, HEXAGON W/W DEEP RECESS 1
1
8
90464-08004
CLAMP 4
4
5.21 AED
πŸ”“ Unlock Discounts
Stock 2 (Ask)
9
90464-13249
CLAMP 2
2
2.98 AED
πŸ”“ Unlock Discounts
Stock 3 (Ask)
10
90465-14M66
CLAMP 2
2
11
90464-23199
CLAMP 1
1
12
90464-12183
CLAMP 1
1
13
90464-12183
CLAMP 1
1
14
6A0-82317-01
DAMPER, IGNITION COIL 4
4
15
90387-06119
COLLAR 4
4
5.21 AED
πŸ”“ Unlock Discounts
Stock 2 (Ask)
16
90119-06289
BOLT, WITH WASHER 4
4
5.21 AED
πŸ”“ Unlock Discounts
Stock 1 (Ask)
17
6P2-82314-20
COVER, IGNITION COIL 1
1
18
90387-06044
.COLLAR 4
4
19
90119-06M92
BOLT, WITH WASHER 4
4