πŸŒ™ Ψ±Ω…ΨΆΨ§Ω† ΩƒΨ±ΩŠΩ… ✨
✨ Ramadan Working Hours: 9:00 AM – 3:00 PM ✨

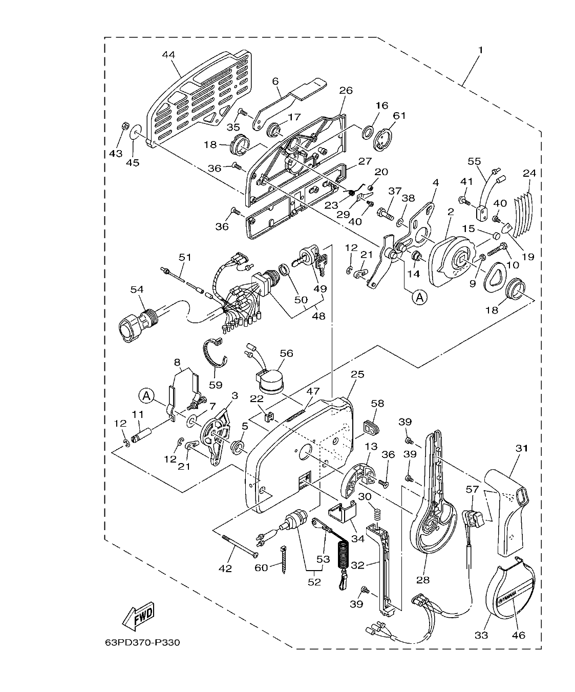
F250HET'21

Section 39: REMOTE CONTROL ASSY 1 CONTROL REMOTO COMPL 1 (v2)

Model code: 6FJ5
Section 39 β€” REMOTE CONTROL ASSY 1 CONTROL REMOTO COMPL 1
F250HET'21
100%
F250HET'21 – section 39 REMOTE CONTROL ASSY 1 CONTROL REMOTO COMPL 1 parts diagram
Diagram image Open full size
Parts list
Section 39
Ref Part No. / Description Qty Buy
18
703-48236-00
.BUSHING
1
2.98 AED
πŸ”“ Unlock Discounts
Stock 5
21
703-48345-01
.CABLE END, REMOTE CONTROL
2
20.86 AED
πŸ”“ Unlock Discounts
Stock 338
26
703-48212-10
.BACK PLATE
1
27
703-48213-10
.BACK PLATE
2
39
703-48128-10
.SCREW
2
41
703-48129-00
.SCREW
3