πŸŒ™ Ψ±Ω…ΨΆΨ§Ω† ΩƒΨ±ΩŠΩ… ✨
✨ Ramadan Working Hours: 9:00 AM – 3:00 PM ✨

FL250HET'21

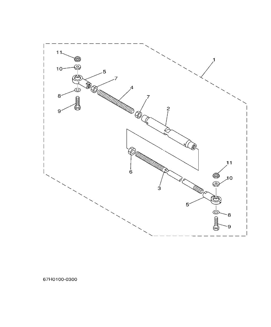
Section 37: STEERING GUIDE ATTACHMENT 2 ADITAMENTO GUIA DE GOBIERNO 2 (v2)

Model code: 6FK5
Section 37 β€” STEERING GUIDE ATTACHMENT 2 ADITAMENTO GUIA DE GOBIERNO 2
FL250HET'21
100%
FL250HET'21 – section 37 STEERING GUIDE ATTACHMENT 2 ADITAMENTO GUIA DE GOBIERNO 2 parts diagram
Diagram image Open full size
Parts list
Section 37
Ref Part No. / Description Qty Buy
1
6E5-61301-01
TWIN KIT (L:600-800MM)
AP EXCEPT FOR NME
1
1,899.24 AED
πŸ”“ Unlock Discounts
Stock 286
2
6E5-61313-00
.ADJUSTER
1
3
6E5-61311-11
.TIE BAR
1
4
6E5-61315-00
.TIE BAR
1
5
6E5-61303-01
.STEERING AXLE COMP.
2
925.89 AED
πŸ”“ Unlock Discounts
Stock 7
6
90170-14M06
.NUT
1
7
95380-14700
.NUT
2
8
90201-10M76
.WASHER, PLATE
2
9
90101-09M70
.BOLT
2
10
90170-09M05
.NUT
2
11
90185-09M01
.NUT, SELF-LOCKING
2
11.92 AED
πŸ”“ Unlock Discounts
Stock 13