πŸŒ™ Ψ±Ω…ΨΆΨ§Ω† ΩƒΨ±ΩŠΩ… ✨
✨ Ramadan Working Hours: 9:00 AM – 3:00 PM ✨

F200BET'19

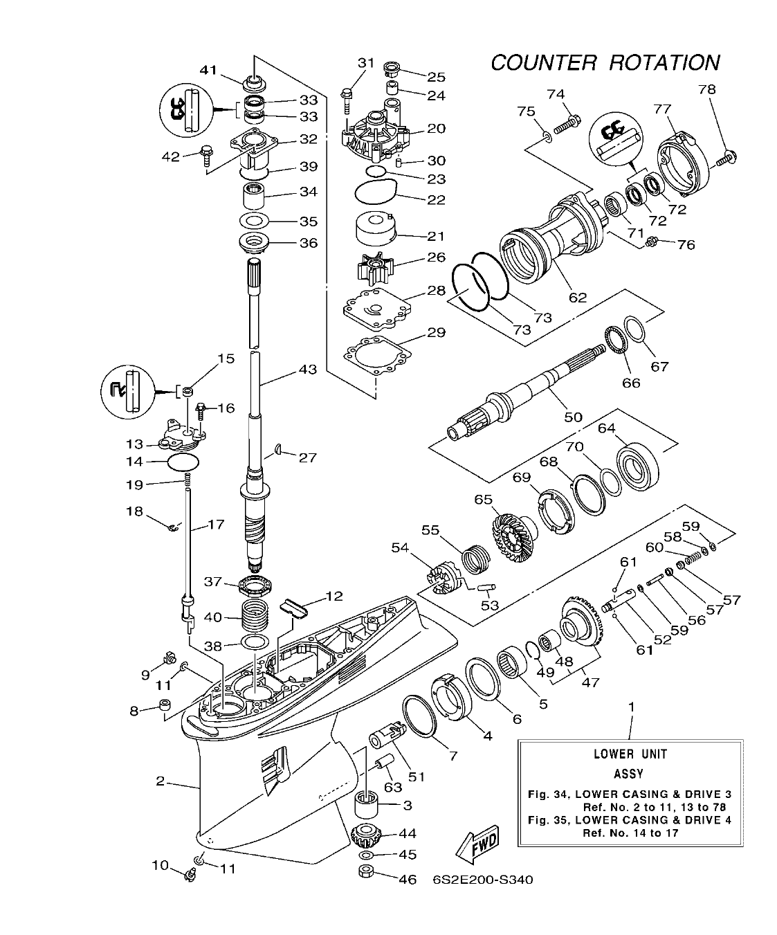
Section 34: LOWER CASING & DRIVE 3 IMPULSOR E INFERIOR 3 (v2)

Model code: 6S1F
Section 34 β€” LOWER CASING & DRIVE 3 IMPULSOR E INFERIOR 3
F200BET'19
100%
F200BET'19 – section 34 LOWER CASING & DRIVE 3 IMPULSOR E INFERIOR 3 parts diagram
Diagram image Open full size
Parts list
Section 34
Ref Part No. / Description Qty Buy
4
61B-45538-01
SPACER
1
8
663-44366-00
DAMPER, WATER SEAL
2
24
6E5-44365-00
DAMPER, WATER SEAL
1
56
6H1-45668-00
SHAFT, FREE
1
5.96 AED
πŸ”“ Unlock Discounts
Stock 2 (Ask)