πŸŒ™ Ψ±Ω…ΨΆΨ§Ω† ΩƒΨ±ΩŠΩ… ✨
✨ Ramadan Working Hours: 9:00 AM – 3:00 PM ✨

F200BET'19

Section 53: REPAIR KIT 1 ESTUCHE REPARATION 1 (v2)

Model code: 6S1F
Section 53 β€” REPAIR KIT 1 ESTUCHE REPARATION 1
F200BET'19
100%
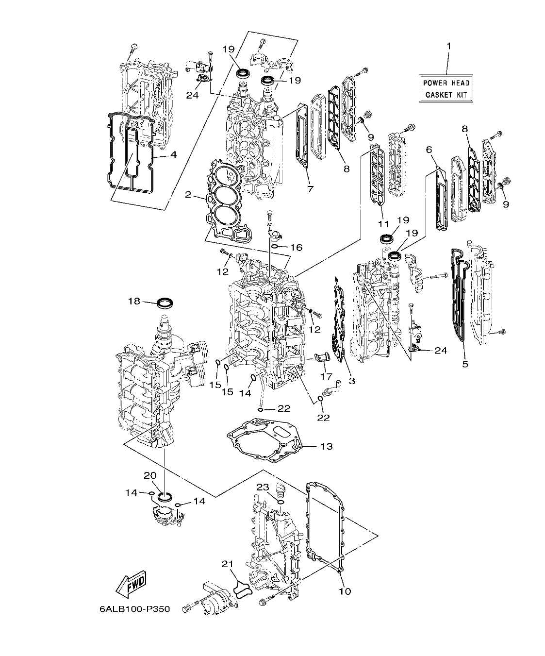
F200BET'19 – section 53 REPAIR KIT 1 ESTUCHE REPARATION 1 parts diagram
Diagram image Open full size
Parts list
Section 53
Ref Part No. / Description Qty Buy
1
6P2-W0001-04
POWER HEAD GASKET KIT
1
2,376.91 AED
πŸ”“ Unlock Discounts
Stock 45
2
6P2-11181-00
.GASKET, CYLINDER HEAD 1
1
584.73 AED
πŸ”“ Unlock Discounts
Stock 188
3
6P2-11182-00
.GASKET, CYLINDER HEAD 2
1
414.90 AED
πŸ”“ Unlock Discounts
Stock 171
4
6P2-11193-00
.GASKET, HEAD COVER 1
1
117.69 AED
πŸ”“ Unlock Discounts
Stock 4 (Ask)
5
6P2-11194-00
.GASKET, HEAD COVER 2
1
116.95 AED
πŸ”“ Unlock Discounts
Stock 6
6
6P2-41112-00
.GASKET, EXHAUST INNER COVER
1
46.18 AED
πŸ”“ Unlock Discounts
Stock 92
7
6P2-41122-00
.GASKET, EXHAUST INNER COVER
1
38.73 AED
πŸ”“ Unlock Discounts
Stock 80
8
6P2-41114-00
.GASKET, EXHAUST OUTER COVER
2
30.54 AED
πŸ”“ Unlock Discounts
Stock 189
9
90201-186F1
.WASHER, PLATE
2
10
69J-15451-01
.GASKET, CRANKCASE COVER 1
1
11
6P2-1131B-00
.GASKET, COVER
1
49.16 AED
πŸ”“ Unlock Discounts
Stock 84
12
90430-05002
.GASKET
2
4.47 AED
πŸ”“ Unlock Discounts
Stock 3 (Ask)
13
69J-11351-12
.GASKET, CYLINDER
1
418.62 AED
πŸ”“ Unlock Discounts
Stock 98
14
93210-25552
.O-RING
3
9.68 AED
πŸ”“ Unlock Discounts
Stock 124
15
93210-19MJ1
.O-RING
2
8.94 AED
πŸ”“ Unlock Discounts
Stock 81
16
93210-25647
.O-RING
1
4.47 AED
πŸ”“ Unlock Discounts
Stock 1 (Ask)
17
69J-14664-00
.GROMMET, WATER SHUT
2
18
93102-63004
.OIL SEAL
1
124.40 AED
πŸ”“ Unlock Discounts
Stock 104
19
93102-38008
.OIL SEAL
4
58.85 AED
πŸ”“ Unlock Discounts
Stock 940
20
69J-11355-00
.SEAL, CYLINDER 1
1
62.57 AED
πŸ”“ Unlock Discounts
Stock 95
21
6P2-13477-00
.GASKET
1
19.37 AED
πŸ”“ Unlock Discounts
Stock 20
22
93210-19MJ3
.O-RING
2
18.62 AED
πŸ”“ Unlock Discounts
Stock 21
23
93210-24M79
.O-RING
1
24
6CB-1242F-00
.GASKET, FILTER
2
18.62 AED
πŸ”“ Unlock Discounts
Stock 184