πŸŒ™ Ψ±Ω…ΨΆΨ§Ω† ΩƒΨ±ΩŠΩ… ✨
✨ Ramadan Working Hours: 9:00 AM – 3:00 PM ✨

F200BET'19

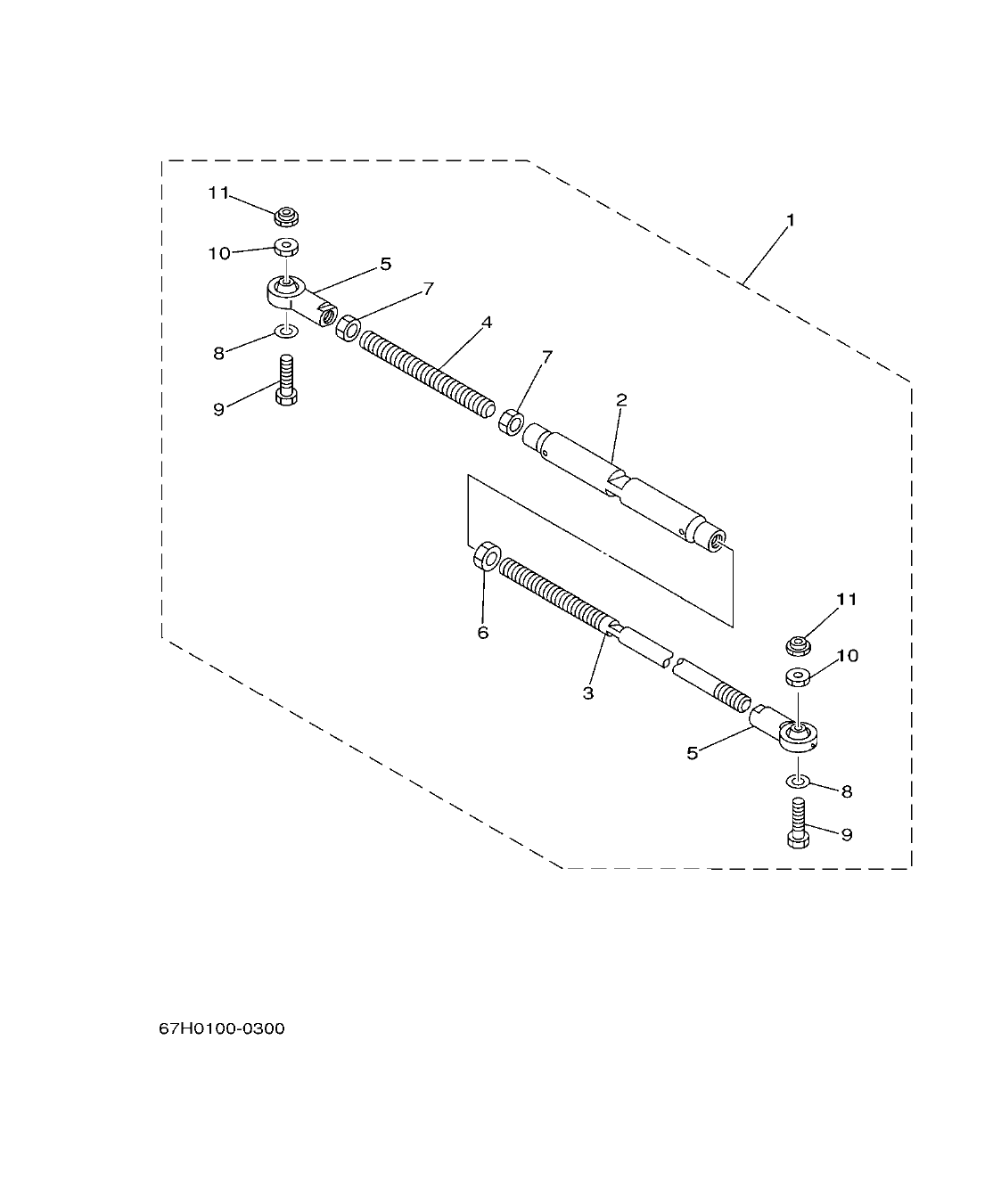
Section 37: STEERING GUIDE ATTACHMENT 2 ADITAMENTO GUIA DE GOBIERNO 2 (v2)

Model code: 6S1F
Section 37 β€” STEERING GUIDE ATTACHMENT 2 ADITAMENTO GUIA DE GOBIERNO 2
F200BET'19
100%
F200BET'19 – section 37 STEERING GUIDE ATTACHMENT 2 ADITAMENTO GUIA DE GOBIERNO 2 parts diagram
Diagram image Open full size
Parts list
Section 37
Ref Part No. / Description Qty Buy