LF350CA-2011
Section 26: CONTROL (v2)
Engine sections in this catalog
TOP COWLING
THROTTLE BODY ASSY 1
THROTTLE BODY ASSY 2
FUEL INJECTION PUMP 1
FUEL INJECTION PUMP 2
FUEL 1
FUEL 2
GENERATOR
ELECTRICAL 1
ELECTRICAL 2
ELECTRICAL 3
CYLINDER & CRANKCASE 1
ELECTRICAL 4
ELECTRICAL 5
STARTING MOTOR
BOTTOM COWLING 1
BOTTOM COWLING 2
BOTTOM COWLING 3
CONTROL
BRACKET 1
BRACKET 2
POWER TRIM & TILT ASSY 1
CRANKSHAFT & PISTON
POWER TRIM & TILT ASSY 2
UPPER CASING
OIL PAN
LOWER CASING & DRIVE 1
LOWER CASING & DRIVE 2
OPTIONAL PARTS
REPAIR KIT 1
REPAIR KIT 2
CYLINDER & CRANKCASE 2
CYLINDER & CRANKCASE 3
CYLINDER & CRANKCASE 4
VALVE
INTAKE 1
INTAKE 2
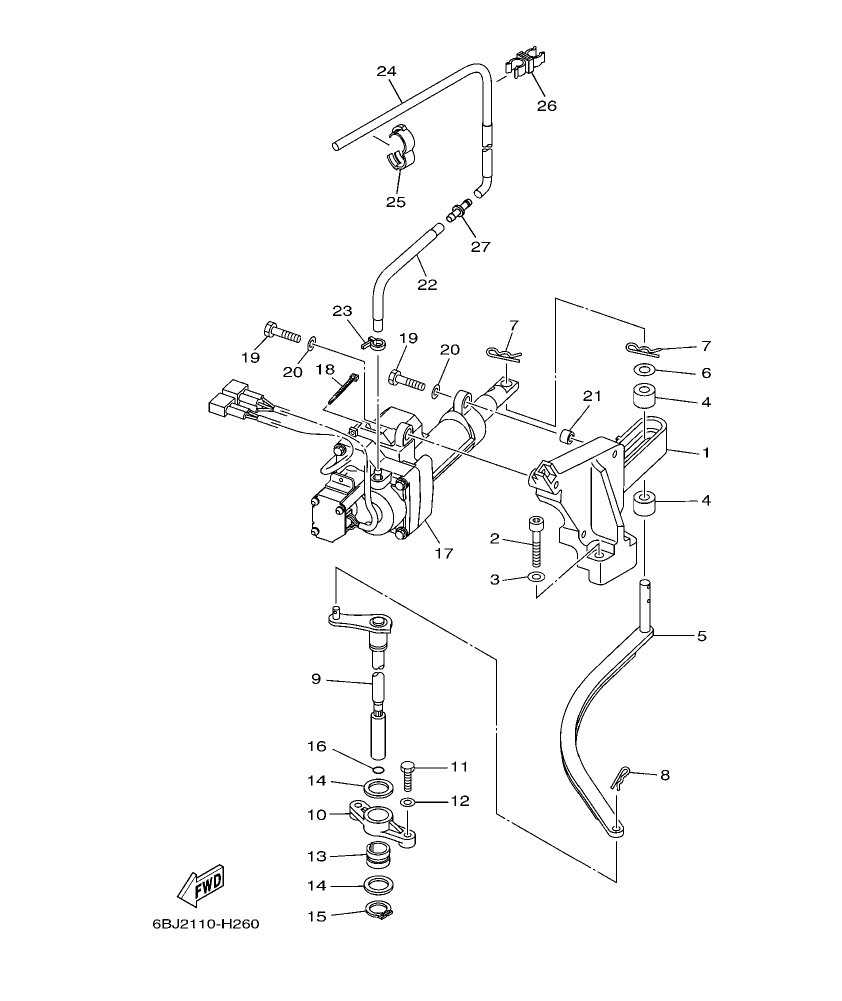
Diagram for section 26: CONTROL.
| Ref | Part No. | Qty | Buy |
|---|---|---|---|
| 2 |
6AW-44176-00
BRACKET
|
1 | Ask on WhatsApp |
| 3 |
90110-08085
BOLT, HEXAGON SOCKET HEAD
|
2 | Ask on WhatsApp |
| 4 |
92990-08600
WASHER, PLATE
|
2 |
Price:
2.98 AED
In stock
(32 pcs)
|
| 5 |
6AW-44122-00
BUSHING, SHIFT ROD LEVER
|
2 | Ask on WhatsApp |
| 6 |
6AW-44121-00
LEVER, SHIFT ROD
|
1 | Ask on WhatsApp |
| 7 |
90201-11008
WASHER, PLATE
|
1 |
Price:
22.35 AED
In stock
(8 pcs)
|
| 8 |
90468-180A0
CLIP
|
2 | Ask on WhatsApp |
| 9 |
90468-18008
CLIP
|
1 |
Price:
4.47 AED
In stock
(35 pcs)
|
| 10 |
6AW-44120-00
HANDLE GEAR SHIFT ASSY
|
1 | Ask on WhatsApp |
| 12 |
6AW-44118-00
BRACKET
|
1 | Ask on WhatsApp |
| 13 |
97095-06025
BOLT
|
2 | Ask on WhatsApp |
| 14 |
92995-06600
WASHER
|
2 | Ask on WhatsApp |
| 15 |
90380-19001
BUSH, SOLID
|
1 |
Price:
6.70 AED
In stock
(8 pcs)
|
| 16 |
90202-19001
WASHER, PLATE
|
2 |
Price:
6.70 AED
In stock
(20 pcs)
|
| 17 |
93410-19088
CIRCLIP
|
1 |
Price:
8.94 AED
In stock
(8 pcs)
|
| 18 |
93210-09165
O-RING
|
1 | Ask on WhatsApp |
| 19 |
6AW-4820A-10
ACTUATOR UNIT
|
1 | Ask on WhatsApp |
| 20 |
90465-11M10
CLAMP
|
1 | Ask on WhatsApp |
| 21 |
97080-08030
BOLT
|
4 | Ask on WhatsApp |
| 22 |
92900-08600
WASHER
|
4 | Ask on WhatsApp |
| 23 |
90387-08M31
COLLAR
|
2 | Ask on WhatsApp |
| 24 |
6AW-24314-10
PIPE 4
|
1 | Ask on WhatsApp |
| 25 |
90465-11M10
CLAMP
|
1 | Ask on WhatsApp |
| 26 |
6AW-24314-00
PIPE 4
|
1 | Ask on WhatsApp |
| 27 |
90464-16001
CLAMP
|
1 | Ask on WhatsApp |
| 28 |
6G8-24376-00
PIPE, JOINT 1
|
1 | Ask on WhatsApp |
| 28 |
90464-10M59
CLAMP
|
1 | Ask on WhatsApp |