πŸŒ™ Ψ±Ω…ΨΆΨ§Ω† ΩƒΨ±ΩŠΩ… ✨
✨ Ramadan Working Hours: 9:00 AM – 3:00 PM ✨

F15B'04

Section 6: INTAKE ADMISION (v2)

Model code: 6D41
Section 6 β€” INTAKE ADMISION
F15B'04
100%
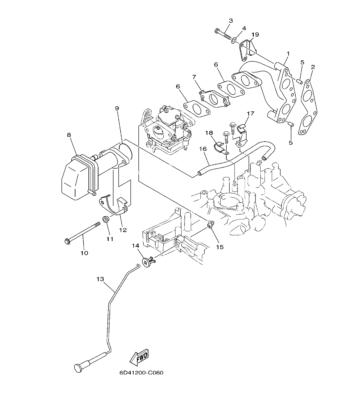
F15B'04 – section 6 INTAKE ADMISION parts diagram
Diagram image Open full size
Parts list
Section 6
Ref Part No. / Description Qty Buy
1
66M-13641-10-94
MANIFOLD 1 1
1
2
66M-13645-00
GASKET, MANIFOLD 1 1
1
3
97095-06040
BOLT 4
4
3.72 AED
πŸ”“ Unlock Discounts
Stock 5
4
92995-06600
WASHER 4
4
5
93606-12019
PIN, DOWEL 2
2
6.70 AED
πŸ”“ Unlock Discounts
Stock 292
6
66M-13646-00
GASKET, MANIFOLD 2 2
2
7
66M-14271-00
INSULATOR 1
1
8
66M-14440-00
SILENCER ASSY, INTAKE 1
1
9
93210-35M86
O-RING 1
1
3.72 AED
πŸ”“ Unlock Discounts
Stock 14
10
90119-06M76
BOLT, WITH WASHER 2
2
11
90387-06M79
COLLAR 2
2
12
66M-14477-00
PLATE 1
1
13
6D4-41271-00
KNOB, CHOKE 1
1
14
689-41273-00
GROMMET 1
1
6.70 AED
πŸ”“ Unlock Discounts
Stock 7
15
6J8-41262-00
JOINT, CHOKE LEVER 1
1
3.72 AED
πŸ”“ Unlock Discounts
Stock 1 (Ask)
16
66M-15373-00
PIPE, BREATHER 1
1
17
90465-08M82
CLAMP 1
1
18
90465-08M83
CLAMP 1
1
19
6D4-24566-00
BRACKET, FILTER 1
1