πŸŒ™ Ψ±Ω…ΨΆΨ§Ω† ΩƒΨ±ΩŠΩ… ✨
✨ Ramadan Working Hours: 9:00 AM – 3:00 PM ✨

F15B'04

Section 13: ELECTRICAL 2 EQUIPO ELECTRICO 2 (v2)

Model code: 6D41
Section 13 β€” ELECTRICAL 2 EQUIPO ELECTRICO 2
F15B'04
100%
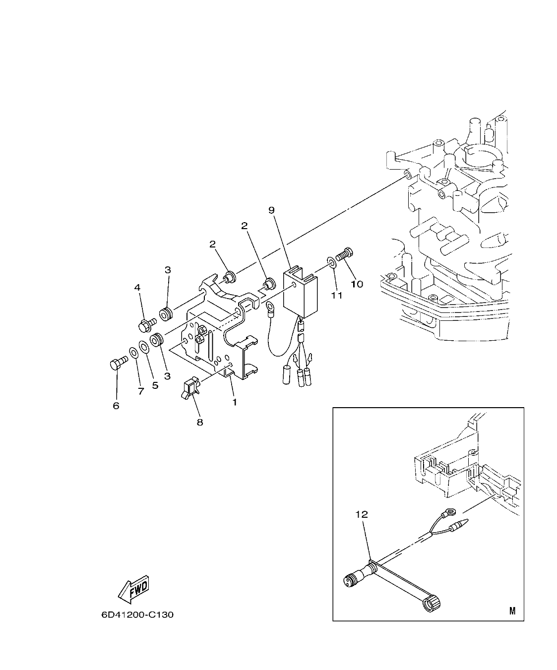
F15B'04 – section 13 ELECTRICAL 2 EQUIPO ELECTRICO 2 parts diagram
Diagram image Open full size
Parts list
Section 13
Ref Part No. / Description Qty Buy
1
66M-85542-00
BRACKET 1
1
2
90387-06M05
COLLAR 4
4
3
90480-13M24
GROMMET 4
4
4
95895-06020
BOLT, FLANGE 3
3
5
90201-06M05
WASHER, PLATE 1
1
6
97095-06025
BOLT 1
1
7
92995-06600
WASHER 1
1
8
90464-09M13
CLAMP 2
2
9
6J8-81960-00
RECTIFIER & REGULATOR ASSY 1
1
10
97095-06016
BOLT 1
1
11
92995-06600
WASHER 1
1
12
689-84340-00
SOCKET CORD ASSY 1
1