πŸŒ™ Ψ±Ω…ΨΆΨ§Ω† ΩƒΨ±ΩŠΩ… ✨
✨ Ramadan Working Hours: 9:00 AM – 3:00 PM ✨

F15B'04

Section 25: STEERING GUIDE DIRECCIONGUIAR (v2)

Model code: 6D41
Section 25 β€” STEERING GUIDE DIRECCIONGUIAR
F15B'04
100%
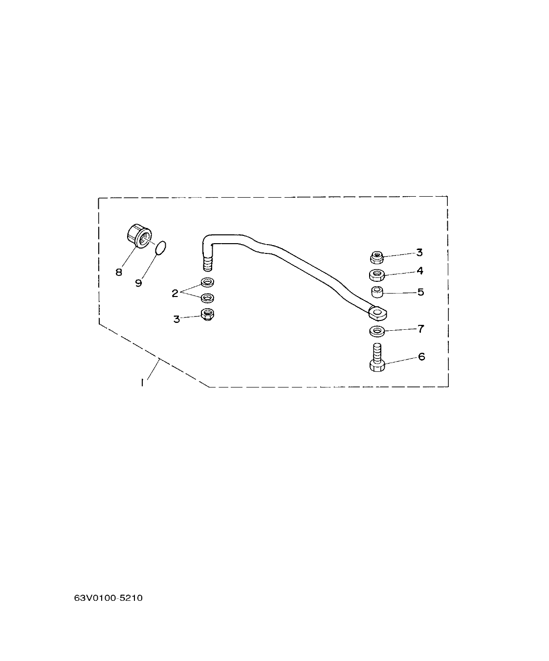
F15B'04 – section 25 STEERING GUIDE DIRECCIONGUIAR parts diagram
Diagram image Open full size
Parts list
Section 25
Ref Part No. / Description Qty Buy
1
63V-61350-00
STEERING GUIDE ATTACHMENT KIT
AP
1
2
90201-10M20
.WASHER, PLATE
2
3
90185-09M01
.NUT, SELF-LOCKING
2
11.92 AED
πŸ”“ Unlock Discounts
Stock 13
4
90170-09M03
.NUT
1
5
90387-10M42
.COLLAR
1
6
6E5-61355-00
.BOLT
1
52.14 AED
πŸ”“ Unlock Discounts
Stock 7
7
90201-10M63
.WASHER, PLATE
1
8
6E5-43145-01
.CAP, CLAMP BRACKET
1
9
93210-16275
.O-RING
1