πŸŒ™ Ψ±Ω…ΨΆΨ§Ω† ΩƒΨ±ΩŠΩ… ✨
✨ Ramadan Working Hours: 9:00 AM – 3:00 PM ✨

DF140A

Section 1: CYLINDER HEAD (v2)

Model code: DF140A-E03-013
Section 1 β€” CYLINDER HEAD
DF140A
100%
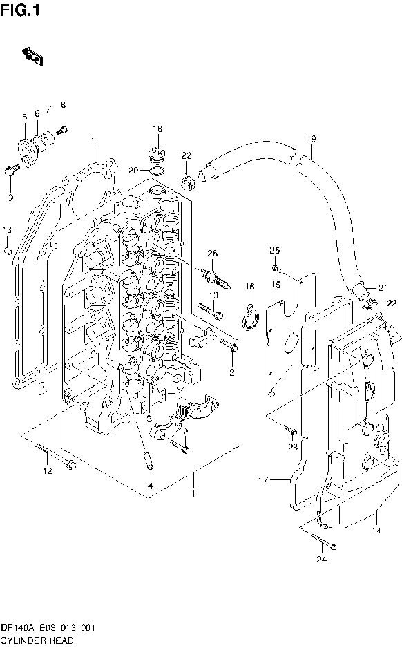
DF140A – section 1 CYLINDER HEAD parts diagram
Diagram image Open full size
Parts list
Section 1
Ref Part No. / Description Qty Buy
1
11100-90J06
HEAD, CYLINDER
1 WhatsApp
2
09103-06266
.BOLT (6X40)
21 WhatsApp
3
09206-08001
.PIN (8X11)
18
Price: 2.98 AED
In stock (60)
4
11115-85FA1-001
GUIDE, VALVE (OS)
16
Price: 59.59 AED
In stock (44)
5
11261-93J00
COVER, PROTECTION ANODE
2
Price: 33.52 AED
In stock (25)
6
09280-22019
O RING (D:1.9,ID:21.8)
2
Price: 3.72 AED
In stock (31)
7
55321-87J00
ANODE, PROTECTION
2 WhatsApp
8
09103-06281
BOLT (6X14)
2
Price: 4.47 AED
In stock (18)
9
01550-08207
BOLT
2 WhatsApp
10
11117-89J00
BOLT, CYL HEAD
10 WhatsApp
11
11141-92J01
GASKET, CYL HEAD
1
Price: 169.83 AED
In stock (44)
12
09116-08125
BOLT (8X50)
8
Price: 5.96 AED
In stock (10)
13
04211-13189
PIN
2 WhatsApp
14
11170-90J10
COVER, CYLINDER HEAD
1 WhatsApp
15
11173-90J00
PLATE, BREATHER
1 WhatsApp
16
11179-90J00
GASKET, SPARK PLUG HOLE
4
Price: 19.37 AED
In stock (22)
17
11189-90J00
GASKET, CYLINDER HEAD COVER
1
Price: 65.55 AED
In stock (15)
18
11382-99E00
CAP, OIL FILLER
1 WhatsApp
19
18498-90J20
PROTECTOR, BREATHER HOSE
1 WhatsApp
20
09280-26006
O RING (D:3.1, ID:26.4)
1
Price: 4.47 AED
In stock (33)
21
09355-13207-00B
HOSE (13X20X2000)
1 WhatsApp
22
09401-20409
CLIP
2
Price: 10.43 AED
In stock (1)
23
01547-06257
BOLT
11 WhatsApp
24
01547-06557
BOLT
4
Price: 4.47 AED
In stock (3)
25
02112-0612A
SCREW
7 WhatsApp
26
09482-00427
SPARK PLUG (NGK, BKR6E)
4
Price: 14.90 AED
In stock (3994)