πŸŒ™ Ψ±Ω…ΨΆΨ§Ω† ΩƒΨ±ΩŠΩ… ✨
✨ Ramadan Working Hours: 9:00 AM – 3:00 PM ✨

DF140A

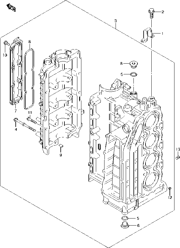
Section 2: CYLINDER BLOCK (v2)

Model code: DF140A-E03-013
Section 2 β€” CYLINDER BLOCK
DF140A
100%
DF140A – section 2 CYLINDER BLOCK parts diagram
Diagram image Open full size
Parts list
Section 2
Ref Part No. / Description Qty Buy
1
11291-90J10
HOOK, ENGINE
1 WhatsApp
2
01550-12307
BOLT
2 WhatsApp
3
11300-92J30
BLOCK, CYLINDER
1 WhatsApp
4
11117-90J10
.BOLT, CRANKCASE
10 WhatsApp
5
11216-77E00
.GASKET, OIL GALLERY PLUG
3
Price: 6.70 AED
In stock (7)
6
09248-18011
.PLUG (18X8)
3 WhatsApp
7
11330-90J00
.COVER, CRANKCASE WTR JKT
1 WhatsApp
8
11332-90J00
.O RING, CRKC WTR JKT COVER
1
Price: 22.35 AED
In stock (5)
9
09206-13019
.PIN (10.4X13X16)
5 WhatsApp
10
01550-06207
.BOLT
8
Price: 6.70 AED
In stock (14)
11
01550-08407
.BOLT
10
Price: 7.45 AED
In stock (10)
12
11112-90J00
.PLUG, OIL VENTURI
1 WhatsApp
13
09246-05006
PLUG
1 WhatsApp