πŸŒ™ Ψ±Ω…ΨΆΨ§Ω† ΩƒΨ±ΩŠΩ… ✨
✨ Ramadan Working Hours: 9:00 AM – 3:00 PM ✨

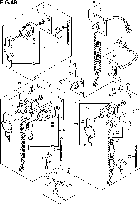
DF140A

Section 47: OPT:HARNESS (v2)

Model code: DF140A-E03-013
Section 47 β€” OPT:HARNESS
DF140A
100%
DF140A – section 47 OPT:HARNESS parts diagram
Diagram image Open full size
Parts list
Section 47
Ref Part No. / Description Qty Buy
1
36990-87D00
TERMINAL & SLEEVE SET
1 WhatsApp
2
34660-90J02
WATER PRESS GAUGE SUB KIT
1 WhatsApp
3
09352-50903-600
.HOSE (5X9X600)
1 WhatsApp
4
09352-50903-600
.HOSE (5X9X600)
1 WhatsApp
5
09367-06006
.3 WAY
1 WhatsApp
6
09401-08413
.CLIP
4
Price: 3.72 AED
In stock (124)
7
18498-99EA0
.PROTECTOR (L:80)
1 WhatsApp
8
09407-25402
.CLAMP (L:248)
1 WhatsApp
9
17917-87L00
CONNECTOR, FLUSH WATER
1
Price: 17.13 AED
In stock (41)
11
36620-93J30
WIRE ASSY, REMOCON ADAPTER
1 WhatsApp
12
38500-93J00
BUZZER ASSY, WARNING
1 WhatsApp
13
36630-92E00
WIRE ASSY, INSTRUMENT
1 WhatsApp
14
36660-94480
WIRE MONITOR GAUGE EXTENSION
1 WhatsApp
16
09481-10501
.FUSE (10A)
1
Price: 4.28 AED
Out
WhatsApp
10-1
36620-93J10
WIRE ASSY, REMOCON EXTENSION
1 WhatsApp
10-2
36620-93J40
WIRE ASSY, REMOCON EXTENSION
1 WhatsApp
15-1
36620-93J02
WIRE ASSY, REMOTE CONTROL
1 WhatsApp
15-2
36620-93J52
WIRE ASSY, REMOTE CONTROL
1 WhatsApp
15-3
36620-93J62
WIRE ASSY, REMOTE CONTROL
1 WhatsApp